Forum: Mikrocontroller und Digitale Elektronik Pic 16F887 überspringt Tasterabfrage


von Robert M. (pielo)


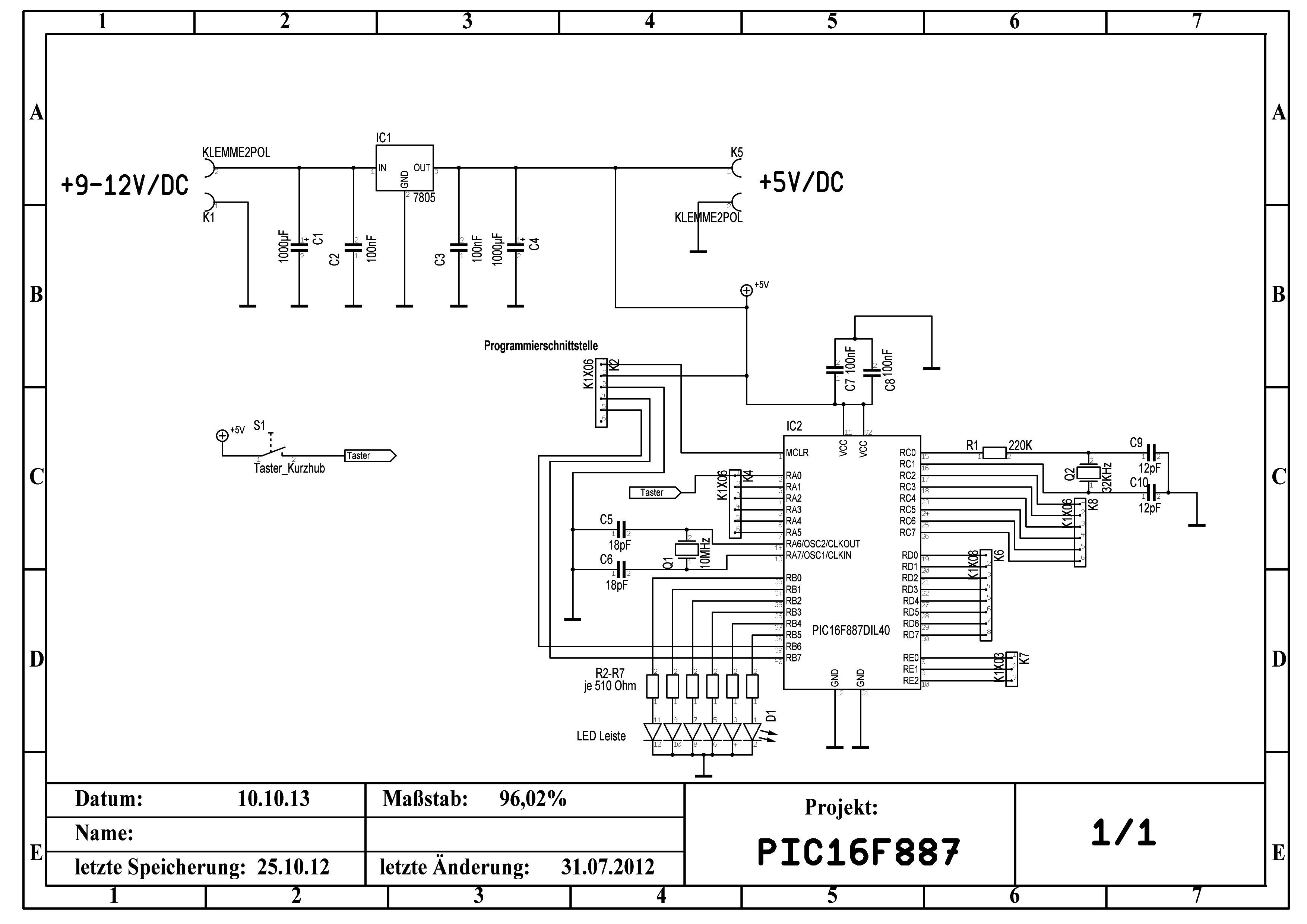
Angehängte Dateien:

Lesenswert?

Hallo,

ich, kleiner Anfänger, habe folgendes Problem.

Egal ob ich ein Lauflicht, Blinklicht oder einfach eine LED einschalten 
will, das Programm im 16F887 läuft sofort los, ohne auf die Taster zu 
achten. Wenn ich die Programme in ein anderen PIC versuche (z.b 16F627A 
oder 16F84A) oder über die Simulation von MPLAB funktionieren sie ohne 
Probleme.

Programmer: PICkit2
Versuchsplatine: (siehe Anhang)
1
 
2
;**********************************************************************
3
;   This file is a basic code template for assembly code generation   *
4
;   on the PIC16F887. This file contains the basic code               *
5
;   building blocks to build upon.                                    *
6
;                                                                     *
7
;   Refer to the MPASM User's Guide for additional information on     *
8
;   features of the assembler (Document DS33014).                     *
9
;                                                                     *
10
;   Refer to the respective PIC data sheet for additional             *
11
;   information on the instruction set.                               *
12
;                                                                     *
13
;**********************************************************************
14
;                                                                     *
15
;    Filename:      xxx.asm                                           *
16
;    Date:                                                            *
17
;    File Version:                                                    *
18
;                                                                     *
19
;    Author:                                                          *
20
;    Company:                                                         *
21
;                                                                     *
22
;                                                                     *
23
;**********************************************************************
24
;                                                                     *
25
;    Files Required: P16F887.INC                                      *
26
;                                                                     *
27
;**********************************************************************
28
;                                                                     *
29
;    Notes:                                                           *
30
;                                                                     *
31
;**********************************************************************
32
33
34
  list    p=16f887  ; list directive to define processor
35
  #include  <p16f887.inc>  ; processor specific variable definitions
36
37
38
  __CONFIG    _CONFIG1, _LVP_OFF & _FCMEN_OFF & _IESO_OFF & _BOR_OFF & _CPD_OFF & _CP_OFF & _MCLRE_OFF & _PWRTE_OFF & _WDT_OFF & _HS_OSC
39
  __CONFIG    _CONFIG2, _WRT_OFF & _BOR40V
40
41
42
Zaehler1  equ 0x20
43
Zaehler2  equ 0x21
44
Zaehler3  equ 0x22
45
46
  ORG   0x00        ;Power On Reset Startadresse
47
48
INIT   
49
50
51
  BSF     STATUS,RP1    ;Bank 2
52
  BCF     CM1CON0,C1ON  ;Comparator 1 ist aus
53
  BCF     CM2CON0,C2ON  ;Comparator 2 ist aus
54
55
  BANKSEL PORTA   
56
  CLRF    PORTA         ;Init PORTA
57
  BANKSEL ANSEL   
58
  CLRF    ANSEL         ;digital I/O
59
  BANKSEL TRISA   
60
  MOVLW   B'00000010'   ;alle als Inputs
61
  MOVWF   TRISA       
62
63
  BCF     STATUS,RP0    ;Bank 2
64
  BCF     STATUS,RP1    ;Bank 0
65
  
66
  CLRF    PORTB         ;Init PORTB
67
  BSF     STATUS,RP0    ;Bank 1
68
  BSF     STATUS,RP1    ;Bank 3
69
  CLRF    ANSELH        ;digital I/O
70
  BCF     STATUS,RP1
71
  
72
  MOVLW   B'00000000'   ;Alle als Output
73
  MOVWF   TRISB           
74
  BCF     STATUS,RP0    ;Bank 0
75
76
77
HAUPTSCHLEIFE  
78
  
79
    CALL  Pause
80
    CLRF  PORTB
81
    BTFSS PORTA,1       ; PRÜFEN OB SW1 GEDRÜCKT; WENN NEIN ÜBERSPRINGE NÄCHSTEN SCHRITT 
82
    CALL  LED           
83
    GOTO  HAUPTSCHLEIFE 
84
85
LED
86
    MOVLW  B'00000001'     
87
    MOVWF  PORTB        ; Bits setzen
88
    CALL   Pause
89
    MOVLW  D'5'
90
    MOVWF  Zaehler3
91
Schleife
92
    BTFSC  PORTA,1      ; PRÜFEN OB SW1 GEDRÜCKT; WENN NEIN ÜBERSPRINGE NÄCHSTEN   SCHRITT 
93
    GOTO   HAUPTSCHLEIFE
94
    CALL   Pause
95
    RLF    PORTB        ; schiebe Bit in Port B um eins weiter
96
    DECFSZ Zaehler3,1
97
    GOTO   Schleife     
98
    GOTO   LED
99
100
Pause
101
    MOVLW  D'250'       ; Wert für Zaehler1 ins WReg
102
    MOVWF  Zaehler1     ; Wert vom WReg in Zeahler1
103
    CALL   Pause_1    
104
    DECFSZ Zaehler1,1   ; Dec Zaehler1
105
    GOTO   $-2          ; wenn Zaehler1 nicht 0 dann springe 2 zurück
106
    RETURN  
107
Pause_1
108
    MOVLW  D'250'       ; Wert für Zaehler2 ins WReg
109
    MOVWF  Zaehler2     ; Wert vom WReg in Zeahler2
110
Dek
111
    NOP
112
    DECFSZ Zaehler2,1   ; Dec Zaehler2
113
    GOTO   Dek          ; gehe zu Pause
114
    RETURN              ; zurueck zum Ursprung
115
116
  END

Könnte das Problem an der Config liegen?

***lg Pielo***

von Der Rächer der Transistormorde (Gast)


Lesenswert?

Bei Pics prüfe ich immer alle Funktionen eines Ports ob Sie nach Reset 
aktiv sind und ob man Sie ausschalten muss.

Gängige verdächtige sind analoge und ComparatorEingänge, Quarz bzw. Takt 
ein und Ausgänge und Reset.


Das Datenblatt macht dir das leicht da bei den Pin Beschreibungen alle 
Funktionen aufgeführt sind.

von Chris B. (dekatz)


Lesenswert?

Damit:
MOVLW   B'00000010'   ;alle als Inputs
  MOVWF   TRISA

ist der Taster an RA0 aber wirkungslos.

Und MCLR würde ich über 10kOhm an +5V legen. Solange der Programmer 
dranhängt magd a sja funkteonieren, aber ohne hängt MCLR in der Luft mit 
undefinierten, zufälligen Pegel!

von Dani (Gast)


Lesenswert?

Du hast den Taster an RA0, der Code ist fragt aber RA1 ab. Und ich würde 
dem Taster noch einen Pulldown Widerstand spendieren.

Richtig:

BANKSEL TRISA
MOVLW   B'00000001'   ;alle als Inputs
MOVWF   TRISA

BANKSEL PORTA       ; Falls die Richtige Bank noch nicht ausgewählt 
ist...
BTFSS PORTA,0       ; PRÜFEN OB SW1 GEDRÜCKT;

von Robert M. (pielo)


Lesenswert?

Danke für die schnelle Antwort,
leider funktioniert es mit LVP_ON und MCLR über 10k auf 5V auch nicht.

Während das Programm läuft kann ich es jederzeit über den Taster 
ausschalten, sobald ich ihn loslasse fängt das Programm wieder von 
alleine an.

Der Taster ist an RA0, hab ich mich durch das ganze hin und her 
Probieren warscheinlich verschrieben.

***lg Pielo***

von Dani (Gast)


Lesenswert?

Wenn der Taste auf + schaltet, muss in Code btfsc PORTA,0 stehen. Der 
Taster ist nicht gedrückt --> RA0 ist auf low --> der PIC überspringt 
das CALL LED…
Und wichtig: Den Pulldown Widerstand an RA0 nicht vergessen.

von Robert M. (pielo)


Lesenswert?

Das Zauberwort = PULLDOWN WIDERSTAND

DANKE, darauf wäre ich nie gekommen!!!!

***lg Pielo***

von Dani (Gast)


Lesenswert?

Hat es jetzt funktionier mit Pulldown?

Bitte melde dich an um einen Beitrag zu schreiben. Anmeldung ist kostenlos und dauert nur eine Minute.
Bestehender Account
Schon ein Account bei Google/GoogleMail? Keine Anmeldung erforderlich!
Mit Google-Account einloggen
Noch kein Account? Hier anmelden.