Hallo Leute. ich wollte einmal Fragen ob es möglich ist ein Gleichstromgenerator der bis zu 36V erzeugt mit einem Solar-Laderegler zu verwenden um ein 24V Akku zu Laden oder ob es bestimmte Laderegler hierfür gibt und ob einer einen empfehlen kann hierfür. Ladestrom ist etwa 20A. Danke für eure Hilfe. Beste Grüße Andreas
Ich möchte bezweifeln, daß irgendein beliebiger Solar-Laderegler mit einem Generator so einfach zurechtkommt. Aber Generatoren sind ja häufig steuerbar, also braucht's dahinter doch keinen extra Laderegler..??
Hey, ich habe mir bei Mat-Con zwei Motoren gekauft die ich auch als Generator verwenden kann und die empfehlen bzw sagen mir das ich hierfür dann noch einen Laderegler benötige die aber soetwas nicht mit verkaufen. MFG
Andreas R. schrieb: > ich wollte einmal Fragen ob es möglich ist ein Gleichstromgenerator der > bis zu 36V erzeugt mit einem Solar-Laderegler zu verwenden Viele Generatoren sind mehr Strom- als Spannungsquellen. Dann brauchst Du nur eine Spannungsbegrenzung für den Akku, und das könnte ein entsprechend leistungsfähiger Solarregler machen. Dazu musst Du aber die technischen Daten Deines Generators ziemlich genau kennen. Gruss Harald
Das kannst Du ganz schnell wieder vergessen. Die meisten Solarladeregler begrenzen bei vollem Akku den Ladestrom, indem der (Solar)Generator periodisch kurzgeschlossen wird. Den Solarmodulen ist das egal, ein elektromechanischer Generator wird das mit Sprüngen vom Tisch, wütenden Geräuschen und schließlich Rauchzeichen eines nicht näher bekannten Indianderdialekts quittieren.
Wie wäre es mit einem Chopper der auf die Batteriespqnnung regelt? Ist in de Kleineindenergie gängige Praxis! Einfach parallel zur Baterie den Chopper und die Leistung dann wegheizen wenn die Batterie voll ist. Noch eleganter wäre natürlich den Batterieatrom zu messen und auf diesen zu regeln!
Nennt man Parallelregler. 24V oder besser Ladeendspannung 28V mal 20A sind aber immerhin 560W. Einfach verheizen wird groß und ist auch ziemlich unschön. Das würd ich nur machen wenn der Generator ohne Last zu hohe Drehzahlen erreichen könnte und deswegen nicht ohne (zu geringe) Last laufen darf. Wäre mal interessant, genaueres über den Generator zu erfahren. Ist das nur ein "umgedrehter Motor" mit Permanentmagneten oder hat das Ding eine Erregerwicklung, mit der man eine Ladestromregelung realisieren kann?
Ausgangsleistung 750 W / 36 V Nennstrom (=belastet) < =26,7 A Nenndrehzahl (=belastet) 2800 +/- 5 % maximale Drehzahl (=unbelastet) 3350 +/- 5 % Strom (= unbelastet) < = 2,5 A Drehmoment 2,56 Nm +/- 5 % Effizienz >=78% Gewicht 4,4 KG Sonstige Merkmale: -Kohlebürsten -kugelgelagert -Schutzklasse IP33 -CE zertifiziert -links- und rechtsdrehend -24 Monate Gewährleistung also hat keine Erregerwiklung, wenn ich mit einem Akkuschrauber den Motor (Generator) Drehe dann mach ich bei 1300u/min zirka 13V und bei 3000u/min etwa 36V dc. aber wenn ein solar laderegler den eingang wirklich kurzschließt dann ist das schon bescheiden. wusste ich so auch noch nicht da ich sowas bis jetzt noch nicht gemacht habe. MFG
Womit wird der Generator angetrieben? Wenn der Generator leerlaufsicher betrieben werden kann, würd ich den einfach über ein Relais an den Akku schalten und bei Erreichen der Ladeendspannung trennen. Oder man macht's gleich richtig wenn man schon am Basteln ist und setzt einen Step-Down-Wandler zwischen, der auf 28V Ausgangsspannung regelt. Solange die nicht erreicht ist schaltet der voll durch, darüber wirkt er strombegrenzend und nimmt entsprechend Last vom Generator. Braucht auch einen leerlaufsicheren Antrieb. Für die 28V Ladeendspannung bei etwas Strom wirst Du sowieso die vollen 3.000 Umdrehungen brauchen.
okay klingt ganz gut soweit. gibt es denn step down wandler die 20A vertragen können hab da noch nichts gefunden bzw fehlt mir gerade etwas die idee das umzusetzen. MFG
Die 20A sind kein Problem. Die 40V sind hässlicher, weil man deswegen eine 12V-Hilfsspannung für den FET und den PWM-Regler (etwa TL494) erzeugen muß. Konzeptionell würde ich diese Hilfsspannung relativ zum Pluspol erzeugen, also -12V gegen Plus gemessen, dann kann man problemlos einen oder zwei dicke P-Kanal-FETs verwenden, die auf eine Siebdrossel arbeiten. Die gibts auch fertig in alten PC-Netzteilen. Die Stellgröße muß man natürlich gegen den negativen Pol messen. Dafür gibts z.B. den TL431, damit und ggf. einem weiteren Transistor kann man wunderbar einen Steuerstrom nach Masse fließen lassen wenn der Akku voll ist, woraufhin der PWM-Regler das Tastverhältnis zurückfährt.
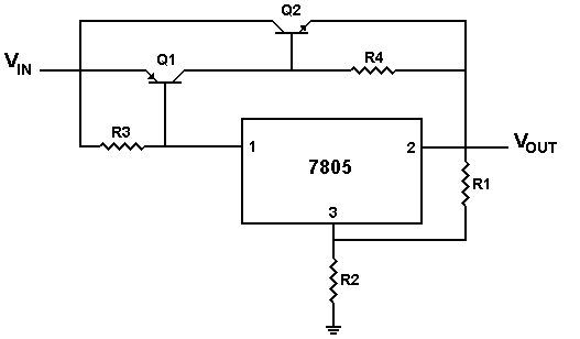
Da der Generator über ein Keilriemen von einem anderen Motor im Kreislauf angetrieben wir und der Generator wehniger Strom erzeugt als der Motor "verbraucht" ist die idee den Generator nur als kleine Hilfe der Rückgewinnung zu nutzen. Kann ich dann nicht einen Regler bauen wie im Bild? MFG
Wenn du immer mehr als den Strom verbrauchst, den der Generator liefert, reicht als Schutzschaltung eine kräftige Diode und ein Begrenzungswiderstand aus. Ist nit elegant aber hält ewig ;)
naja ganz so einfach wollt ich es mit dann doch nicht machen. Mir wäre eine kleine Regelung zumindest auf die Spannung schon lieber. Die Diode und Widerstandssache ist mir da doch nicht ganz so elegant, stimmt schon. Aber danke für die Idee. Also wenn keiner eine andere Idee haben sollte würde ich ja mal die obige Schaltung versuchen. Zumindest mal als Testaufbau.
? Ich verstehe gerade deine Anwendung doch nicht mehr so richtig. Du treibst den Generator mit einem Motor, der elektrisch mit dem Generator gekoppelt ist? Jedenfalls solltest du das mit dem 7805 lassen. Wenn du keinen Schaltregler magst, dann ist die Lösung des direkten Anschlusses (und der Abschaltung bei Erreichen der Ladeschlussspannung per Relais oder mit etwas mehr Aufwand mit antiseriellen Mosfets) einfacher und ungefähr genauso schön/hässlich. Am besten wäre jedoche in Schaltregler, du erhöhst den Wirkungsgrad damit etwa um (1-28,8V/36V) 20% bzw. eher um 10, wenn man die Verluste berücksichtigt. Dafür gewinnst du eine vernünftige Laderegelung (Ladeschlussspannung, max. Ladestrom begrenzt)
Okay. Naja ich hab auch nichts gegen ein Schaltregler aber hatte keinen gefunden der für die Anwendung geeignet ist bzw fehlt mir da gerade etwas die Idee wie die Schaltung aussehen müsste. Also ich habe einen Antriebsmotor der mit 24V betrieben wird, aus 2x12V Akku. Und möchte mit dem Generator der über einen Keilriemen im System integriert ist den Akku mit Laden und somit eine Rückgewinnung erreichen. Also nur als kleiner Gag. Ähnlich der Lichtmaschiene im Auto.
Matthias Larisch schrieb: > ? Ich verstehe gerade deine Anwendung doch nicht mehr so richtig. Du > treibst den Generator mit einem Motor, der elektrisch mit dem Generator > gekoppelt ist? Ja, perpeteum mobiles werden immer beliebter, denn wir müssen schliesslich sparen, koste es was es wolle. Gruss Harald
Andreas R. schrieb: > Also nur als kleiner Gag. Ähnlich der Lichtmaschiene im Auto. Wenn du das Wort "Gag" ernst meinst: Okay. In allen anderen Fällen: Du verlierst hier zwangsweise Energie! Jedes Watt was aus deinem Generator rauskommt wird mit 1,2..2 Watt höherer Leistungsaufnahme des Antriebsmotors erkauft!
Andreas R. schrieb: > Also ich habe einen Antriebsmotor der mit 24V betrieben wird, aus 2x12V > Akku. Und möchte mit dem Generator der über einen Keilriemen im System > integriert ist den Akku mit Laden und somit eine Rückgewinnung > erreichen. Also nur als kleiner Gag. Ähnlich der Lichtmaschiene im Auto. Nen Akku kann man aber nur Laden, indem man Strom reinschickt. In deinem Falle wird der Strom nur rausfließen, also ist eh nix mit Laden und ein Laderegler ist sinnlos.
Andreas R. schrieb: > Also nur als kleiner Gag. Ähnlich der Lichtmaschiene im Auto. Im Auto wird die Lichtmaschine aber nicht mit einem Elektromotor angetrieben. Das einzige Fahrzeug, bei der es eine solche Anord- nung gibt, ist ein Pedelec. Das hat aber keine technischen Gründe sondern liegt an Zulassungsbestimmungen. Gruss Harald
Wenn sowas funktionieren würde, würden ICEs mit einer 9V Blockbatterie fahren. Okay, hat sich dann wohl erledigt.
Bitte melde dich an um einen Beitrag zu schreiben. Anmeldung ist kostenlos und dauert nur eine Minute.
Bestehender Account
Schon ein Account bei Google/GoogleMail? Keine Anmeldung erforderlich!
Mit Google-Account einloggen
Mit Google-Account einloggen
Noch kein Account? Hier anmelden.

