Hi zusammen, kann ich für die Schaltung im Anhang auch einen BC547B verwenden, wenn die Kanäle nur für max. 1s lang und nicht durchgehend geschaltet werden? Hintergrund: Ich habe folgendes vor, ich möchte einen Multiplexer für Zündanlagen von Pyrotechnik bauen. Idee dahinter ist ähnlich wie bei den LED-Cubes :) : Beispiel für 4 Kanäle: - Eingang CH1 + CH2 = Matrix CH1 - Eingang CH1 + CH3 = Matrix CH2 - Eingang CH1 + CH4 = Matrix CH3 - Eingang CH2 + CH3 = Matrix CH4 - Eingang CH2 + CH4 = Matrix CH5 - Eingang CH3 + CH4 = Matrix CH6 Meine Zündanlage liefert 18V und 3A. Soweit ich richtig gelesen habe, komme ich ohne MosFETs wegen den hohen Strömen nicht aus, oder gibt es doch eine Möglichkeit, die Schaltung mit einem BC547B zu realisieren? Die Zündanlage muss auf jeden Fall gegen Induktion oder Kurzschlüsse geschützt werden. Ansonsten habe ich vorhin noch den MosFET IRLML 2502 gefunden. Der würde doch für diese Anwendung prima passen, oder? Der hat ein Vgs von 12V, also muss der Vorwiderstand nicht so groß sein. Und kann Ids von 20V bei 4,2A. :) Was meint ihr? Gibts ggf. noch einen anderen MosFET, der noch besser geeignet ist? Wenn ja, warum? Nach meiner Recherche sind die meisten MosFETs wegen der niedrigen Vgs weggefallen, da ich die ja ansonsten stark reduzieren muss. Wäre es ggf. auch möglich einen 2V Vgs MosFET mit 18V kurzzeitig anzufeuern? Vielleicht kann jemand mir eine kurze Schaltung posten und erklären? Leider habe ich nicht sehr viel Ahnung von MosFETs und noch nie etwas mit den Teilen gebaut. Bin für jede Hilfe sehr dankbar! LG pingu
Erste Frage - Kannst du überhaupt zwei Kanäle gleichzeitig ansteuern? onst macht das ganze keinen Sinn. Zweite Frage - Wo jetzt LED eingezeichnet sind, sollen das später deine Zünder werden? BC547 gehen nicht, außer du hast einen Strom von maximal 100mA. Der von dir ausgesuchte IRML2502 hat ein kleines SMD Gehäuse, das Wärme schlecht abführen kann. Und viel zu wenig Stromreserve. Suche nach einem im TO220 Gehäuse mit +/-20V Gatespannung, minimum 12A für den Kurzschlußfall, und niedrigem Innenwiderstand. Den Kurzschlußschutz kann dann dein Steuergerät übernehmen. Funktionieren wird deine Idee übrigens nur, wenn die MOSFETs die Minus-Seite schalten.
Hallo Helge, also die Anlage kann beide Kanäle gleichzeitig zünden. Das funktioniert einwandfrei: http://www.youtube.com/watch?v=fSsw8_gVVtA Dort wo die LED ist, soll der Zünder geklemmt werden. Ich möchte gerne ein LED-Array für die Eingänge nehmen. Die Ausgänge werde ich nicht zusätzlich mit LED's bestücken, da mir dadurch zu viel Strom flöten geht. Das ganze wird dann so in etwa aussehen: http://www.youtube.com/watch?v=YY7ye_7xErs Schade das mit den BC547, aber habe ich auch schon vermutet. Ich habe noch so viele von denen und weiß nichts damit anzufangen :). Aufgrund von dem kleinen Gehäuse, muss es zwingend SMD sein. Ich möchte die Platine auch anständig mit Eagle designen und ätzen. Also SMD ist kein Problem, insofern es nur 8 Beinchen sind. Ich denke das kriege ich irgendwie hin. Wegen der Wärme, muss ich mir da wirklich viele Sorgen machen? Jedes MosFET wird ja maximal nur für eine Sekunde angesprochen. Also bleibt nicht dauerhaft in Betrieb. Demnach müsste das Ganze doch ohne Kühlung / TO22 möglich sein, oder? Muss die Gatespannung nicht unter 20V liegen? Also damit ich mit 18V das Gate komplett öffnen / sättigen kann? Oder ist das der Gate Threshold und ich darf das Gate dann insgesamt mit maximal 20V belasten? Noch eine Verständnisfrage zum MosFET an sich. Wenn ich mit einer höheren Ugs Spannung als angegeben rangehe und den nicht mit einem Widerstand runtersetze, dann wird die Restspannung wieder am Steuergerät abgeführt? Sprich das Steuergerät belastet? Mit Minusseite meinst du n-MosFET anstatt p-MosFET? Danke! Lg pingu
Ich glaube ich habe das mit der Minusseite verstanden! Mit einem einfachen p-MosFET würde das also auch nicht funktionieren, da dort meistens eine Diode verbaut ist, die eine Drain von + und eine Source von - vorgibt. Es gibt auch welche die eine Drain von - und eine Source von + haben. Z.B. der SI9407A, der aber wiederum nicht den Strom vertragen, der anliegt. Da die Spannungen die gleiche Masse haben, wäre es wahrscheinlich besser, einen Inverter einzubauen, oder? Kann auch sein, dass ich jetzt komplett in die falsche Richtung denke. Kurzfassung: - n-MosFET geht nicht, da positive Masse - die meisten p-MosFET gehen nicht, da die Drain meistens positiv ist - bleibt noch die Spannung invertieren und doch n-MosFETs verwenden? Vielleicht würde der IRFU 9024 funktionieren? Danke! LG pingu
Nanee der MOSFET geht einfach kaputt bei zu hoher Ugs. Expander also käufliche kenn ich, aber so einen selbstgebauten hatte ich noch nit in den Fingern. Die fertigen Expander werden iwie mit einem Kabel hintergesteckt und adressiert. Dann sind halt mehr Kanäle zum Steuern da. Ich hatte eins in den Fingern mit 32 Kanälen (3 Expander). Da war der gemeinsame Anschluß aller Zünder auch Plus. Das ist ganz einfach zu erklären, weil die Ansteuerung dann im Gerät viel simpler ist. Ich denk mir nachher mal was aus, falls sonst keiner hier was fertig hat..
Sicher, dass das ein Expander und kein Slat war? Die Slats leiten die Kanäle einfach nur weiter, machen aber kein Multiplexing. Wenn das tatsächlich ein Expander war, weißt du noch pi mal Daumen von welcher Firma der war? Im Anhang mal ein neues LTSpice-Bild. Aber mit einem p-MosFET mit D - und S + :), also den IRFU 9024N. Der hat folgende Daten: TO-251AA P-Ch UDS -55 V UGS(th) -2 ... -4 V Ic25 -11 A RDS(on) 0,175 Ohm td (on) 13 ns td (off) 23 ns Könnte ich dann nicht die Ugs mit einem Lastwiderstand auf -3V bringen? Wäre jetzt halt kein SMD, aber 21 von den Teilen müssten ja noch irgendwie in das Gehäuse passen :). Ich find es prima das du mir hilfst und weiß das sehr zu schätzen! LG pingu
Hi, so wird es auch nicht funktionieren. Im Anhang mein Vorschlag, der FET muss dem max. Strom deines Steuergerätes als Dauerstrom aushalten. Grüße Krangel
Ogoto du fragst mich Sachen. Da stand jedenfalls "Expander" drauf. Krude Blechkisten mit 8 dunkelroten LEDs - also roten LEDs die man bei Dunkelheit erkennen konnte mein ich, und 15poliger Verbindung zum Steuergerät. Und eine Diskette mit einem Programm drauf. Damit wurden Folgen und Zeiten eingestellt und ins Steuergerät geladen. Viel mehr weiß ich nit. Reparieren war jedenfalls einfach: Schlamm und Dreck rauswaschen und paar lose Lötstellen.. Egal. Hab mal ein Bildchen 'gemalt', wie das gehen sollte für gemeinsames Plus. Der IRFU... dürfte passen. Krangel's Vorschlag kommt aufs gleiche raus, aber für gemeinsames Minus. Muß also vorm Zusammenbaun sichergestellt sein!
freu vielen vielen Dank für die Antworten :). Ja das mit der Diskette und Schlamm hört sich doch schon etwas älter an :). Und das war ein Teil von einer Zündanlage? :)
Was meinst du eigentlich genau mit keinen gemeinsamen Anschluss am Ausgang? Dass man vor dem MUX keine normalen Zünder an den Ausgang hängen darf? Oder dass man die Ausgänge nicht miteinander verbinden darf? Ich habe mir jetzt mal 100x von den IRFU 9024N für 15€ bestellt :). Danke! Lg pingu
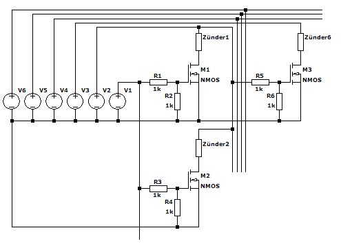
Hi nochmal, ich habe die Schaltung mal abgeändert und nochmal mit LTSpice getestet. Komischerweise werden mehrere Gates aktiviert. Ich verstehe nicht genau warum. Im Beispiel (Bild) liegen -18V an V1 und V4. Trotzdem eigentlich nur M3 schalten sollte, sind auch M5 und M6 aktiv :(. Habe ich in meiner Zeichnung ggf. noch etwas falsch? Danke! LG pingu
Jepp. So läuft alles über die Diode, die in den Mosfets drin ist ;) Die Schaltung beruht darauf, daß die Mosfets alle Plus schalten und Minus von einer anderen Zündleitung kommt. Daher auch der Hinweis im Plan, daß an den (eingezeichneten) Ausgangsklemmen keine gemeinsame Rückführungsleitung mehr ist. Jedes eingezeichnete Klemmenpaar bedient einen Zünder. Zum Beispiel wird Zünder 1 an X1.1 und X1.2 angeschlossen.
Hallo Helge, ich habe die Schaltung 1:1 in LTSpice übernommen und getestet. Kannst du mir bestätigen, ob ich das folgende richtig verstanden habe?: Beispiel mit -18V an V1 und V3: - es liegen -18V an M1 und M5 an - es wird aber nur M5 gezündet, da nur dort der MosFET PLUS schaltet Weiteres Beispiel mit -18V an V1 und V5: - es liegen -18V an M3, M7, M9 und M10 an - es wird aber nur M10 gezündet, da nur dort der MosFET PLUS schaltet Ist das so richtig? Demnach kann ich die -18V nicht als "Messgrundlage" nehmen, ob die Schaltung funktioniert, da Plus geschaltet wird. Die -18V sagen hier quasi nix über den Zustand des Gates aus. Hoffentlich bin ich jetzt nicht total verwirrt ;)! Schon kompliziert wenn man eine positive Masse hat... Danke! LG pingu
Jepp so paßt das. Da die Zünder immer irgendwie floaten, muß das Ausgangssignal im Scope-Feld mittels einer Formel angezeigt werden. Rechtsklick auf eine einen angezeigten Wert öffnet das expression Fenster. (Bild aus einer anderen Schaltung zur Erklärung) Damit LTSpice was brauchbares anzeigt, zeichne Widerstände ein für die Zünder. Vielleicht hast du das gesucht..
Jetzt habe ich noch einen Punkt herausgefunden, der mich ULTRA irritiert hat! Ich dachte immer bei p-MosFETs gibts Unterschiede bei Drain und Source, da bei Reichelt die p-MosFETs fast alle mit + irgendwas an V angegeben sind. In den Manuals steht aber bei allen die ich jetzt geöffnet habe, ein Minus - vor der Spannung Vds! Also in der Reichelt Beschreibung steht dann Vds 20V, im Manual aber dann Vds -20V. Aus dem Grund kam ich auf den Gedanken, dass die meisten p-MosFETs nur eine Drain / Source von + V und nur sehr wenige mit - V unterstützen. Ist es also allgemein so, dass ein p-MosFET immer eine Vds von - X Volt hat? :)
Zwischen R18 und M10 liegen jetzt 0V und Zwischen R18 und V5 -18V an. Zwischen R17/M9, R15/M7 und R12/M3 liegen -18V an. Also "fließen" hier keine 0V :). Das mit dem Widerstand war ein guter Tipp! Vielen vielen Dank! Ich habe es verstanden :)! Du benötigst nicht zufällig Hilfe in Sachen Linux? Würde mich gerne irgendwie revanchieren. Du hast mir sehr weiter geholfen!
Auch bei dem IRFU 9024N steht in der Artikelüberschrift "Leistungs-MOSFET P-Ch TO-251AA 55V 11A", in den technischen Daten sowie Datenblatt jedoch -55V und -11A. Sehr verwirrend...
Hi, ich habe bis in die Nacht mal an einem Layout gearbeitet. Leider weiß ich nicht so ganz wie ich das am besten routen soll, bzw. wie ich die Bauteile anordnen soll :). Hat jemand ggf. einen Tipp für mich? Da ich die Masse getrennt halten muss, gestaltet sich das nicht gerade einfach. Danke! Lg Pingu
Diese Transistoren kannst du auch stehend einbauen, ohne Pad. Dann ist deine Platine nur noch halb voll. Notfalls Steckerreihe-Transistorreihe-Steckerreihe-.. spart auch viel Leiterbahn. Minimale Leiterbahnbreite für 3A, gefühlt 50mil.. Schau hier: http://www.multi-circuit-boards.eu/leiterplatten-design-hilfe/design-parameter/leiterbahn-strombelastbarkeit.html
Martin Fandel schrieb: > ich habe bis in die Nacht mal an einem Layout gearbeitet. Wohl eher arbeiten lassen. Sowas hässliches kann nur ein Autorouter fabrizieren. > Leider weiß > ich nicht so ganz wie ich das am besten routen soll, bzw. wie ich die > Bauteile anordnen soll :). Zuerst solltest du die Bauteile mal gescheit entwirren und dann von HAND routen.
Du glaubst nicht wie oft ich die Teile neu arrangiert habe :). Ich glaube aber, dass ich die Ursache gefunden habe: Die Pin Leisten sind nicht optimal für das Layout verdrahtet und ich habe den Schaltplan noch nicht 100% im Zusammenhang mit der Layoutlogik verstanden. Ich habe dort ja immer komplette Zündkanäle geroutet anstatt eine getrennte 10er Leiste nur für Plus Masse und eine 10er Leiste nur für Minus. So klappts schonmal ein Stückchen besser. Werde später nochmal eine neue Version mit manuellem Routing posten. :)
Hi, hier das neue Layout. Ist das so besser? Ich kam leider nicht ohne die Drahtbrücken aus, da der Multiplexer etliche Leitungen über Kreuz hat. Ich habe insgesamt 20 Layouts erstellt und alle bis auf dieses verworfen. Die Stiftleisten habe ich auch angepasst. Es werden jetzt nur noch die notwendigen Pins geroutet und nicht immer alle 10. Vielleicht kann jemand mal drüber schauen :). Danke! LG pingu
Noch ein Update: - größere Bohrungen für die Drahtbrücken - zwei Überschneidungen bearbeitet Der Layout-Check zeigt jetzt nur noch folgendes an: - Überschneidungen der Beschriftungen - Dimension der RJ45 Buchse. Ich habe die jedoch absichtlich ein Stück weiter auf die Platine gelegt :)
Hi, sorry, musste nochmal updaten. Habe etwas entscheidendes vergessen und zwar habe ich die LAN-Buchse jetzt anders belegt: - Kabel 1 -> Kanal 2 - Kabel 2 -> Kanal 3 - Kabel 3 -> Kanal 1 - Kabel 4 -> Kanal 4 - Kabel 5 -> GND - Kabel 6 -> Kanal 5 - Kabel 7 -> Kanal 7 - Kabel 8 -> Kanal 6 Und damit dann nochmal ein paar Brücken gespart. Vergessen zu erwähnen: Die MosFets sind absichtlich liegend, da das Gehäuse sehr flach ist. LG pingu
Hey cool. Das sieht ja schon richtig gut aus! Ja Layout braucht seine Zeit. Je besser es werden soll, um so länger. Und mit dem Ergebnis vom Autorouter war ich noch nie zufrieden.. ;)
Danke :), ich werde das dann erstmal so belassen. Jetzt fehlen noch 4 andere Platinen, die aber nicht so schwer sind (Klemmen, LEDs). Hätte nie gedacht, dass man für das Layout länger benötigt als für den Schaltplan. Aber auch bei dem Schaltplan wäre ich ohne deine Hilfe überhaupt nicht weiter gekommen! Also nochmal vielen Dank, dass du mir geholfen hast! Werde die anderen Teile dann demnächst posten.
Hi, ich habe vorhin gesehen, dass die Ausgänge an meiner Zündanlage alle an der selben Spannungsquelle hängen. Müssen die Spannungen für diese Schaltung unbedingt getrennt sein? Die positive Masse ist ja bei allen Ausgängen durchgehend. Wenn ich jetzt das Messgerät an die Minus-Pins hänge und diese beiden Kanäle zünde, dann bekomme ich auch einen Durchgang. Heißt für mich also, dass die Spannungsquellen nicht getrennt sind. Ich habe gestern die Schaltung auf einem Breadboard mit normalen NPN's ausprobiert und dabei auch nur eine Spannung genommen, aber 4 Kanäle. Die LED's sind teilweise alle an und aus gegangen. Danke! LG pingu
Hm im Simulator funktioniert die Schaltung: http://www.falstad.com/circuit/ Dann Import und folgendes reinpasten: $ 1 5.0E-6 10.20027730826997 50 5.0 43 s 256 448 368 448 0 1 false w 256 448 256 528 0 s 256 528 368 528 0 1 false w 256 528 256 608 0 s 256 608 368 608 0 1 false w 256 608 256 688 0 s 256 688 368 688 0 1 false w 256 80 368 80 0 w 368 80 464 80 0 w 464 80 544 80 0 w 544 80 624 80 0 r 368 80 368 176 0 2000.0 r 464 80 464 176 0 2000.0 r 544 80 544 176 0 2000.0 w 256 352 256 448 0 r 368 448 368 352 0 1000.0 r 464 448 464 352 0 1000.0 r 544 448 544 352 0 1000.0 w 368 176 368 208 0 w 368 208 368 352 0 w 464 176 464 224 0 w 464 224 464 352 0 w 544 176 544 240 0 w 544 240 544 352 0 w 464 448 464 528 0 w 464 528 384 528 0 w 384 528 368 528 0 w 544 448 544 608 0 w 544 608 368 608 0 t 640 192 672 192 0 -1 -3.709650124431255E-19 -2.465190318856111E-29 100.0 t 816 192 848 192 0 -1 -3.6943359360809643E-19 -2.465190318856111E-29 100.0 t 976 192 1008 192 0 -1 4.036110805201268E-19 -2.465190318856111E-29 100.0 t 640 256 672 256 0 -1 -9.030964589718778E-19 -2.4461550675576793E-41 100.0 t 816 256 848 256 0 -1 -1.3058005547036958E-19 -2.4461550675576793E-41 100.0 t 640 320 672 320 0 -1 -7.716094189327159E-20 -2.4651903188560645E-29 100.0 w 368 208 640 208 0 w 640 208 640 192 0 w 640 192 640 144 0 w 640 144 816 144 0 w 816 144 816 192 0 w 816 144 976 144 0 w 976 144 976 192 0 w 464 224 640 224 0 w 640 224 640 256 0 w 640 224 816 224 0 w 816 224 816 256 0 w 624 320 640 320 0 162 672 272 736 272 1 2.1024259 1.0 0.0 0.0 162 672 336 736 336 1 2.1024259 1.0 0.0 0.0 162 848 208 912 208 1 2.1024259 1.0 0.0 0.0 162 848 272 912 272 1 2.1024259 1.0 0.0 0.0 162 1008 208 1072 208 1 2.1024259 1.0 0.0 0.0 w 624 80 672 80 0 w 672 80 672 176 0 w 672 176 688 176 0 w 688 176 688 240 0 w 688 240 672 240 0 w 688 240 688 304 0 w 688 304 672 304 0 w 672 80 848 80 0 w 848 80 848 176 0 w 848 176 864 176 0 w 864 176 864 240 0 w 864 240 848 240 0 w 848 80 1024 80 0 w 1024 80 1024 176 0 w 1024 176 1008 176 0 w 368 688 736 688 0 w 752 208 752 528 0 w 464 528 752 528 0 w 544 608 768 608 0 w 768 608 768 272 0 w 768 272 736 272 0 w 768 608 928 608 0 w 928 608 928 208 0 w 928 208 912 208 0 w 736 688 784 688 0 w 784 688 784 336 0 w 784 336 736 336 0 w 784 688 944 688 0 w 944 688 944 272 0 w 944 272 912 272 0 w 944 688 1072 688 0 w 1072 688 1072 208 0 v 256 80 256 352 0 0 40.0 -18.0 0.0 0.0 0.5 w 544 240 624 240 0 w 624 240 624 320 0 162 672 208 736 208 1 2.1024259 1.0 0.0 0.0 w 736 208 752 208 0
So, ich habe es jetzt nochmal mit LTSpice getestet und nur eine Spannungsquelle verwendet. Dort hat es dann auch funktioniert. Mein Testaufbau muss also falsch gewesen sein, habe anstatt der MosFETs auch die BC547 verwendet und - Masse benutzt. Da habe ich wohl noch einen Denkfehler drin oder irgendwas anderes falsch gemacht. Leider habe ich noch keine MosFETs zum testen da, daher werde ich erstmal ein wenig abwarten. Auch wenn es schwer fällt :). Bis dahin mache ich schonmal die anderen 4 Platinen fertig :). Falls jemand doch noch etwas finden sollte, was ich noch ändern sollte, wäre das natürlich prima. Dann war das Ätzen wenigstens nicht umsonst. Ich werde wahrscheinlich nächstes Wochenende mit dem Ätzen anfangen. LG und schönes Wochenende! pingu
Hi zusammen, wenn ich an den Ausgängen (18V, 3A) noch LEDs hängen möchte, komme ich bei R=(18V-1,85V)/0,020 auf 807,5 Ohm. Wenn ich jetzt dort 1k Widerstände dran hänge, ist das ausreichend, oder belaste ich damit den MosFET der Steuerelektronik zu stark?: http://natisbad.org/NAS/refs/FDS8984.pdf Der kann max. 7A zwischen Drain / Source. :) Im Anhang auch nochmal eine aktuelle Version von dem Multiplexer. Ich möchte die LEDs direkt mit den Ausgängen verbinden. Danke! Lg Pingu Update: Ich habe mal an den "Schaltplan 22-28" die LED's geklemmt. Bei den letzten 3 LED's weiß ich nicht so richtig wie ich das realisieren soll. Bei den folgenden Bedingungen sollen die leuchten: LED DZ1-8: Wenn von 01-xx,02-xx,03-xx,04-xx,05-xx,06-xx,07-xx nur ein Kanal gezündet wird, dann soll diese LED leuchten. (Anzeige: direkte Zündung von Kanal 1,2,3,4,5,6 oder 7) LED DZ1-9: Wenn von 01-xx,02-xx,03-xx,04-xx,05-xx,06-xx,07-xx zwei oder mehr Kanäle gezündet werden, soll diese LED leuchten. (Anzeige Multiplexer-Betrieb, also Zündung mehrerer Kanäle gleichzeitig) LED DZ1-10: Wenn irgendein Kanal gezündet wird, egal ob mehrere Gleichzeitig oder nur ein Kanal, soll diese LED leuchten. (Anzeige ob ein Signal ankommt). Die Zündlast soll immer vor den LED's hängen, also die LED muss nicht leuchten, wenn der Zünder noch nicht gezündet hat. Es reicht aus, wenn die LED erst nach durchbrennen des Zünders leuchtet. Ich habe daher auch die LED DZ1-1 bis LED DZ1-7 direkt parallel hinter die Zünder gehängt. Wie ich das jedoch mit LED DZ1-8, LED DZ1-9 und LED DZ1-10 realisieren soll, weiß ich nicht genau. Ich kann die LED's ja nicht vor die Zünder hängen, da mir ansonsten etwas von dem Zündstrom flöten geht.
Hi, sorry, aber ich würde bei deiner Beschreibung mal aufräumen, ich jedenfalls blick nicht durch. Zum Anfang waren es 6 Eingangskanäle jetzt 7? Was bei deiner Schaltung fehlt, sind die Freilaufdioden. Denn, wenn mal ein Zünder einen Kurzschluss hat, hat man durch die langen Anschlussleitungen eine induktive Last und die Induktionsspannung zerstört dir die FETs. Die LEDs zur Anzeige der Zündung gehören an den Ausgang. Das wird aber nur bei Trockenübungen ohne Zünder funktionieren, denn die Zünder verbrauchen doch die gesamte Energie. Oder liefert dein Steuergerät 18V-3A so lange du das Knöpfchen drückst? Martin Fandel schrieb: > LED DZ1-10: > Wenn irgendein Kanal gezündet wird, egal ob mehrere Gleichzeitig oder > nur ein Kanal, soll diese LED leuchten. (Anzeige ob ein Signal ankommt) Dafür brauchst du eine Oderschaltung, wie in Anhang. Martin Fandel schrieb: > LED DZ1-9: > Wenn von 01-xx,02-xx,03-xx,04-xx,05-xx,06-xx,07-xx zwei oder mehr Kanäle > gezündet werden, soll diese LED leuchten. (Anzeige Multiplexer-Betrieb, > also Zündung mehrerer Kanäle gleichzeitig) Das macht für mich keinen Sinn, da doch an deinem Cobra-Schalt-Dings-Bums Anzeigen vorhanden sind, wäre also doppelt gemoppelt. Grüße
Krangel schrieb: > sorry, aber ich würde bei deiner Beschreibung mal aufräumen, ich > jedenfalls blick nicht durch. Du hast vollkommen Recht. Werde das die Tage mal komplett aufräumen. Krangel schrieb: > Zum Anfang waren es 6 Eingangskanäle jetzt 7? Ich habe die Kanäle auf 7 aufgestockt, da ich bei einem RJ45 Kabel 8 Drähte habe. Also 7x Kanälte und 1x GND. Den Mantel habe ich absichtlich nicht als GND verwendet, da es dort ab und an mal Wackelkontakte gibt. Krangel schrieb: > Was bei deiner Schaltung fehlt, sind die Freilaufdioden. Denn, wenn mal > ein Zünder einen Kurzschluss hat, hat man durch die langen > Anschlussleitungen eine induktive Last und die Induktionsspannung > zerstört dir die FETs. Sind die Dioden nicht eh schon in den FETs integriert? Im Kurzschlussfall würde doch dann die separate Diode statt von dem FET kaputt gehen. Wenn die Diode kaputt geht, hätte ich doch eh einen Kurzschluss? Also wäre das doch nur eine Problemverlagerung? Krangel schrieb: > Die LEDs zur Anzeige der Zündung gehören an den Ausgang. Das wird aber > nur bei Trockenübungen ohne Zünder funktionieren, denn die Zünder > verbrauchen doch die gesamte Energie. Oder liefert dein Steuergerät > 18V-3A so lange du das Knöpfchen drückst? Es würde mir ausreichen, wenn erst der Zünder durchbrennt und erst dann die Diode leuchtet. Es muss nicht unbedingt beides gleichzeitig gegeben sein. Krangel schrieb: > Dafür brauchst du eine Oderschaltung, wie in Anhang. Ok, verstanden, danke! Ich werde einfach Lötaugen mitätzen und die restlichen 3 LED's später verdrahten. Vielleicht fällt mir auch noch ein anderer Zweck ein für die LEDs. Vielleicht ein integriertes Messgerät für die Zünder? Krangel schrieb: > Das macht für mich keinen Sinn, da doch an deinem > Cobra-Schalt-Dings-Bums Anzeigen vorhanden sind, wäre also doppelt > gemoppelt. Ja das stimmt. Ich wusste halt nur nicht wie ich die anderen LED's verbraten soll :). Mir stehen ja insgesamt 10 LEDs zur Verfügung. Lg, pingu
Hi, Martin Fandel schrieb: > Sind die Dioden nicht eh schon in den FETs integriert? Im > Kurzschlussfall würde doch dann die separate Diode statt von dem FET > kaputt gehen. Wenn die Diode kaputt geht, hätte ich doch eh einen > Kurzschluss? Also wäre das doch nur eine Problemverlagerung? Nein, die Freilaufdiode verhindert zu hohe Spannungen durch die Induktion. Sie muss nur den Zündstrom als Spitzenstrom aushalten. Martin Fandel schrieb: > Es würde mir ausreichen, wenn erst der Zünder durchbrennt und erst dann > die Diode leuchtet. Es muss nicht unbedingt beides gleichzeitig gegeben > sein. Die Frage ist ob nach dem Zünden noch genügend Energie für die LEDs übrig ist. Grüße
Hi, ich habe noch ein paar 1N4004 vorrätig. Kann ich die dafür verwenden? Im Datenblatt steht: Average Rectified Forward Current .375 " lead length @ TA = 75°C 1.0 A Also nur 1A, aber bei: IFSM Non-Repetitive Peak Forward Surge Current 8.3ms Single Half-Sine-Wave 30 A 30A. Ich habe auch noch einige 1N4148. Die sind aber doch eher zu schwach, oder? Danke! LG pingu
Hi zusammen, im Anhang nochmal die aktualisierten Schaltpläne, jetzt mit eindeutigen Bezeichnungen und Erklärungen. UPDATE: Ich habe die Dioden falsch eingezeichnet und nochmal das M01-10.PNG hochgeladen! Die Frage mit den Dioden, ob die 1N4004 ausreichen, besteht noch :). Danke! LG Pingu
Hallo :), im Anhang schonmal die geätzten Platinen :). Verzinnt mit Rosol 3. Hat mich einiges an Nerven gekostet, habe jedoch jetzt die perfekte Vorgehensweise dafür, die ich gerne mit euch teilen möchte, da es im Internet nicht überall 100%ig beschrieben wird. Also dann: - Backofen funktioniert definitiv besser als Heißluftfön - Die Platine mit Aceton reinigen - Dann mit Rosol 3 erst grob und dünn bestreichen - Dann mit kreiselnden Bewegungen bestreichen - Dann ganz zart gerade Linien streichen, sodass alles bedeckt wird. - Bei mir dauert das perfekte Bestreichen ca. 5 Minuten! Für ein gutes Ergebnis ist das sehr wichtig! - In den vorgeheizten Ofen damit. Bei meinem kleinen Pizza-Backofen genau 4 Min. bei Ober und Unterhitze. Nicht mehr und nicht weniger (habs extra ausprobiert!). Bei anderen Öfen kann das natürlich variieren. - Das Backblech nicht verwenden, lieber das Rost. Bei mir sind mit Backblech die Platinen verbrutzelt und wurden nicht komplett verzinnt. - Platine rausnehmen (ist ok wenn die noch ganz bedeckt ist!) und in den Wasserbehälter legen. - Dann die Platine direkt im Wasserbehälter mit der Zahnbürste schrubben. - Danach nochmal mit sauberen Wasser begießen und reinigen. - Dann nochmal unter fließendem Wasser reinigen. Das Verzinnen sollte man nur an der frischen Luft machen! Ich verwende zusätzlich noch einen Ventilator, der die Flussmittel vom Rosol3 von mir fern hält. Im Anhang auch ein Bild von meinem Backofen. Sollte jemand den selben besitzen, kann er meine Anleitung 1:1 befolgen :). Ansonsten die Zeiten bitte anpassen und ausprobieren. Es lohnt sich! Nicht zuerst die wichtigste Platine verzinnen, da man ggf. erst die beste Vorgehensweise erörtern muss. Rosol 3 gehört nicht in den Abfluss, also ordnungsgemäß in Flaschen kippen und beim Schadstoffmobil abgeben. Außerdem sollte man Handschuhe tragen, da es ätzend ist. Das abschließende Reinigen unter fließendem Wasser kann man jedoch schon ohne Handschuhe machen. So mache ich es zumindest. Lg Pingu
@Martin Fandel (pingufreak83) Was soll der Aufwand? Derartig einfache Platinen brauchen keine Verzinnung, eigentlich nicht mal ein Layout, das hat man auf Lochraster schneller aufgebaut.
Hi Falk, verzinnt gegen Korrosion, da das Gerät häufig draußen eingesetzt wird und es häufig nass werden kann. PCB, da das Gerät zwingend in ein BB-Case passen muss. Ich habe es zwar nicht ausprobiert, aber versuche mal 28 Wago-Klemmen per Lochraster etc. in so ein Gehäuse zu packen. Als weiteres Argument mein Ätzgerät. Ich habe halt alles was ich fürs Platinen ätzen brauche. Ich ätze so ziemlich alles und bin von dem Ergebnis mehr überzeugt als bei Lochraster-Platinen. Noch ein Argument ist, dass Eagle keine Lochraster routen kann. Es gibt vielleicht "Umwege" aber so richtig gut und sauber funktioniert das nicht. So Programme wie Lochmaster oder DIY-Layout-Creator finde ich nicht so gut. Bei Eagle habe ich alles was ich brauche und vermisse nix. Das Ganze konnte ich auch noch mit der freien Version realisieren, da ich die Platinen (Dimension) ein wenig über das Rasterkreuz geschoben habe. Also ich bin sehr zufrieden. Es war viel Arbeit, aber für mich hat es sich definitiv gelohnt. Lg Pingu
@Martin Fandel (pingufreak83) >Noch ein Argument ist, dass Eagle keine Lochraster routen kann. Es gibt >vielleicht "Umwege" aber so richtig gut und sauber funktioniert das >nicht. Problemlos. Raster auf 100mil einstellen, fertig. >So Programme wie Lochmaster oder DIY-Layout-Creator finde ich nicht so >gut. Bei Eagle habe ich alles was ich brauche und vermisse nix. Das stimmt ;-)
Aber haben nicht die unterschiedlichen Bauteile unterschiedliche Rastermaße? Das bekommt man mit einer einfachen Lochrasterplatine doch nicht sauber hin und sieht mehr nach Murks aus?
Bitte melde dich an um einen Beitrag zu schreiben. Anmeldung ist kostenlos und dauert nur eine Minute.
Bestehender Account
Schon ein Account bei Google/GoogleMail? Keine Anmeldung erforderlich!
Mit Google-Account einloggen
Mit Google-Account einloggen
Noch kein Account? Hier anmelden.





























