Hi, Frae mich gerade, wie lange solch eine LED noch nachleuchten würde nachdem, 70mA durch diese Spule flossen. Die Spannung an der LED kann als konstant 2V angenommen werden. Habe mir das gerade mal überlegt, und komme gerade nicht darauf. Bei einem Kondensator, hat das ohne Probleme geklappt. Ich habe um dies näherungsweise zu berechnen, einfach von der Spannung U0 am Kondensator die 2V abgezogen undlag dann 95% Richtig (nach messung). Kann man bei der spule einen ähnlichen Ansatz machen? U0 wäre hier dann mit dem 100 Ohm * 70mA = 7V 7V+ 2V = 9V Also ist die Spannung U0 = 9V Da Spannung LED 2V Konst. hätte ich gesagt, der zeitliche verlauf, lässt sich durch (9V-2V)*e^-t*100 In der Spule sind 1/2*L*I^2 Joule gespeichert. hier also bei 70mA 1/2*(70*10^-3)^2 = 0,00245J Die Zeitkonstante L/R liefert 1/100 Sekunden. Das Integral aus I(t)*U(t) bei einer Anfangsspannung von 7V liefert auch 0,00245J also kann es das nicht sein. Jetzt mal mit 4V ausprobieren (Analog zum Kondensator) integral liefert für 5 Tau 0,0014 J 2V*70mA = 0,14W 0,14W*5/100s E 0,007J und 0,0014+0,007J ist 0,0083 J was in der Größenordnung nicht passt. Wie rechnet man diese zeit aus? habt ihr eine Idee?
So kann die LED nicht leuchten, bzw. geleuchtet haben. OK: Die Spule als solche "mag" keine Änderung des Stroms. In diesem Fall lebt sie recht konfliktfrei: Da wurde noch nie einer hevorgerufen! - Somit: LED war/ist/bleibt duster. Falls die doch mal geleuchtet hat, hilft GANZ EINFACH (unter Berücksichtigung der üblichen "Verluste") der Energieerhaltungssatz.
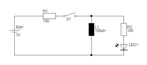
@ Jan R. (macman2010) >Frae mich gerade, wie lange solch eine LED noch nachleuchten würde >nachdem, 70mA durch diese Spule flossen. Es gibt keine Spannungsquelle und keine Schalter, damit ist der Schaltplan und eine darüber Diskussion sinnlos. >U0 wäre hier dann mit dem 100 Ohm * 70mA = 7V 7V+ 2V = 9V >Also ist die Spannung U0 = 9V Ja. >Da Spannung LED 2V Konst. hätte ich gesagt, der zeitliche verlauf, lässt >sich durch >(9V-2V)*e^-t*100 >In der Spule sind 1/2*L*I^2 Joule gespeichert. >hier also bei 70mA 1/2*(70*10^-3)^2 = 0,00245J Ja. >Die Zeitkonstante L/R liefert 1/100 Sekunden. Nein. 1ms. >Das Integral aus I(t)*U(t) bei einer Anfangsspannung von 7V liefert auch >0,00245J also kann es das nicht sein. Warum nicht? >Wie rechnet man diese zeit aus? habt ihr eine Idee? Dazu braucht man erst mal einen funktionierenden Schaltplan.
Falk Brunner schrieb: >>Frae mich gerade, wie lange solch eine LED noch nachleuchten würde >>nachdem, 70mA durch diese Spule flossen. > > Es gibt keine Spannungsquelle und keine Schalter, damit ist der > Schaltplan und eine darüber Diskussion sinnlos. Die Angabe: <nachdem, 70mA durch diese Spule flossen> ist doch eindeutig.
Falk Brunner schrieb: > Dazu braucht man erst mal einen funktionierenden Schaltplan. Was soll dieser Satz? Es geht doch nur um die Theorie. Und dazu reicht der Plan des TE völlig.
Mit lösen der DGL komme ich für den Stromverlauf auf I(t) = -U/R + (70mA + U/R)*exp(-t/tau) Mit Zeitkonstante tau = L/R und Konstante LEDspannung U Strom ist auf Null abgeklungen bei t = L/R *ln(1+R*70mA/U)
Jan R. schrieb: > Frae mich gerade, wie lange solch eine LED noch nachleuchten würde > nachdem, 70mA durch diese Spule flossen. Maximal eine Halbwelle der Eigenresonanz des Aufbaus. Weil: spätestens die zweite Halbwelle zerstört üblicherweise die LED. Wenn du schon trollen willst, dann mach' des gefälligst gekonnt. Dazu hätte in diesem Fall gehört, antiparallel zur LED eine Diode (oder eine zweite LED) vorzusehen. Troll, dammichter!
c-hater schrieb: > Maximal eine Halbwelle der Eigenresonanz des Aufbaus. Was soll bei dem Aufbau Schwingen? Ein Schwingkreis besteht aus L und C, nicht L und R. Abermal praktisch. Der Strom fällt exponentiell, wird immer Kleiner. Wann geht das Licht aus?
@ c-hater (Gast)
>Troll, dammichter!
Du bist der perfekte MaWin Nachfolger, zumindest was deine Cholerik
angeht.
Der fachliche Inhalt hinkt aber meilenweit hinterher.
c-hater schrieb: > Maximal eine Halbwelle der Eigenresonanz des Aufbaus. Für eine Resonanz fehlt mir hier aber eine Kapazität. Hasst du nicht nur C sondern auch Elektronik Grundlagen?
> Maximal eine Halbwelle der Eigenresonanz des Aufbaus. Er meint die intrinsic capacity der Spule. Da aber der allergrößte Teil der gespeicherten Energie in R und LED "vernichtet" wird, geht fast gar nichts in den C. Wie wäre es mit einer LTspice-Simulation?
Falk Brunner schrieb: > Der fachliche Inhalt hinkt aber meilenweit hinterher. Scheint mir nicht so, eher ist das bezogen auf deine Äußerungen der Fall. Tja, in Spice sieht alles immer so schick ideal aus. Erst die bitterböse Realität zeigt, was der unfähige theoretische Simulator hat vergessen zu simulieren...
Kopfschüttel schrieb: > Für eine Resonanz fehlt mir hier aber eine Kapazität. Nur in der hilflosen Spice-Simulation eines krass Unfähigen, aber niemals im realen Universum...
@ c-hater (Gast) >> Der fachliche Inhalt hinkt aber meilenweit hinterher. >Scheint mir nicht so, eher ist das bezogen auf deine Äußerungen der >Fall. WOW! Deine Eloquenz wird nur durch deine allumfängliche Weisheit überstahlt!
Die Simulation ist nur so zusammengezogen. Ich glaube mit einem wirklichkeitsnaheren Modell für die Leuchtdiode sind interessantere Ergebnisse zu erreichen. Mit kleiner werdendem Strom erhöht sich der Flußwiderstand der Diode, und der Strom sinkt möglicherweise langsamer. Schönes Wochenende.
Falk Brunner schrieb: > WOW! Deine Eloquenz wird nur durch deine allumfängliche Weisheit > überstahlt! Toller Spruch. Kommt jetzt auch noch was Fachliches? Wenn nicht, hättest du vielleicht auch in Erwägung ziehen können, mir einfach Recht zu geben.
lutz h. schrieb: > Ich glaube mit einem wirklichkeitsnaheren Modell für die Leuchtdiode > sind > interessantere Ergebnisse zu erreichen. Ein wirklichkeitsnäheres Modell der Induktivität und des Aufbaus selber könnte auch nicht schaden. Und wenn man das alles auch noch kombiniert, was dann erst rauskommt. Verdammt, das ist ja schon fast das reale Leben...
Verdammt, ich brauche ein Simulationssystem der Simulation :-), weil ich ein simulierter Simulant bin.
Wenn ein Kondensator über einen Widerstand entladen wird,
ist die Halbwertszeit etwa C R 0.7
Beispiel: Kondensator = 100µF
Widerstand = 100 Ohm
Spannung = 10V
Nach 7ms ist die Kondensatorspannung auf 5V abgesunken,
und nach weiteren 7ms auf 2.5V , und so weiter.
Bei einer Spule ist die Halbwertszeit etwa L / R * 0.7
Beispiel: Strom durch die Spule = 70 mA
Induktivität der Spule = 100µH
Widerstand = 100 Ohm
Wenn wir mal den Widerstand der LED vernachlässigen, und ihn
mit 0 Ohm annähmen, dann ist die Halbwertszeit 0.7µs .
Wenn der Schalter geschlossen ist, fließt ein Strom über der
Spule von 70mA , und über den Widerstand und LED fließt
kein Strom. Wenn nun der Schalter geöffnet wird, fließt im
ersten Moment ein Strom von 70mA über Widerstand und LED.
Nach 0.7µs fließt noch ein Strom von 35mA, und nach weiteren
0.7µs noch 17.5mA , und so weiter.
Das bedeutet ohne Widerstand Leuchtet die LED am längsten.
lutz h. schrieb:
>interessantere Ergebnisse zu erreichen. Mit kleiner werdendem Strom
>erhöht
>sich der Flußwiderstand der Diode, und der Strom sinkt möglicherweise
>langsamer.
Nein ,der Strom sinkt dann schneller.
In meinem Schaltplan ist noch ein Fehler. Die LED muss umgepolt werden, da ja eine negetive Spannung induziert wird.
Alex schrieb: > Mit lösen der DGL komme ich für den Stromverlauf auf > > I(t) = -U/R + (70mA + U/R)*exp(-t/tau) > > Mit Zeitkonstante tau = L/R und Konstante LEDspannung U > > Strom ist auf Null abgeklungen bei > t = L/R *ln(1+R*70mA/U) Kannst du die DGL mal posten. Weiß nämlich nicht wo ich die zwei Volt da einbringen kann. Und das ist auch mein größtes Problem.
Hier wird auch die Flußspannung der Diode mit dargestellt.
Durch - lösen der DGL - anwenden eines Berechnungsprogramms (Spice) hat man Erfolg. (bei einfachem hinschreiben von Zahlen/Werten habe ich leider Mühen, eine Kombi aus Text und Rechenaufgaben?) Mit den IC (initial conditions) bei PSpice lässt sich einer Spule (oder Kondensator) ein Anfangswert zu Beginn der Simulation zuweisen, somit ist keine weitere Quelle notwendig (hier 70mA). Durch die Vorgabe, die Diode hat const. 2V, darf ich diese durch eine Spannungsquelle ersetzen (von t=0 bis i(t)=0). Sind L, R und Diode (2V) ideal ergibt sich mit der Simulation als Ergebnis Bild 1. (die -20mA am Ende sind der nun vorhandenen Spannungsquelle geschuldet, tut aber nichts zur Sache). i(t) = 0 bei 1.5057 us. Wer möchte kann Werte in die letzte Formel von Alex einsetzen. Die Verwendung eines einfachen Modells einer roten Standard LED (Co=82pF, erscheint mir etwas viel) zeigt Bild 2. Man sieht schön im oberen Plot die um 90° ccw gedrehte Diodenkennlinie, unten ist der Strom zusätzlich 10-fach gezoomt. Natürlich ändert sich durch die "reale" Diode etwas die Zeit. Schematics Subircuit .SUBCKT LED_rot-X1 10 20 I1 20 15 7.0 D1 10 20 D_hin D2 10 15 D_her R1 15 20 .1 TC=-6.27E-3,-2.33E-7 * .MODEL D_hin D ( + IS = 1.0E-15 + RS = 100 + N = 2.15 + TT = 10.0E-09 + CJO = 8.285237E-11 + VJ = 1.2076937 + M = 0.4053107 + EG = 1.664 + XTI = 10.78 + KF = 0 + AF = 1 + FC = 0.4340008 + BV = 5.0 + IBV = 1E-4 + ) .MODEL D_her D ( + IS = 9.0E-15 + RS = 0.30 + N = 1.2 + TT = 0 + CJO = 0 + VJ = 1 + M = .5 + EG = 0.1 + XTI = -3.84 + KF = 0 + AF = 1 + FC = .5 + BV = 9.9999E+13 + IBV = .001 + ) .ENDS *$
Warum startet feine Simulation bei 7V dass 70mA fließen können, muss doch bei 9V begonnen werden. (100Ohm*70mA+2V=9V)
Er plottet die Spannung V(1,2) - also ohne die konstanten 2V.
Dargestellt ist die Spannung am Widerstand V(1,2) sowie jene an der Spule V(2,0). Die Addition beider ergibt 9V [V(1,0)], das ist die an der Spule bei Beginn der Simulation.
Hier hab ichs nochmal an ner Siliziumdiode Simuliert. Spannung an Diode ca. 0,7V 3,6*e^-(t/tau)= 0,7 Gibt ca. die gleiche Zeit.
Bitte melde dich an um einen Beitrag zu schreiben. Anmeldung ist kostenlos und dauert nur eine Minute.
Bestehender Account
Schon ein Account bei Google/GoogleMail? Keine Anmeldung erforderlich!
Mit Google-Account einloggen
Mit Google-Account einloggen
Noch kein Account? Hier anmelden.








