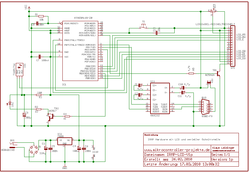
Hallo allerseits, mir ist beim Übertragen des Programmes über SPI ein AVR-Mega168A-PU "kaputt" gegangen. Es gab bei der Übertragung bereits Probleme, die auf schlechte Kommunikation zurückzuführen waren. Während des Vorganges war ein LCD angeschlossen, das - siehe Schaltbild - ebenfalls an den SPI-Pins dran hängt. Die Schaltung stellte sich im Nachhinein als ungünstig heraus, jedoch wollte ich im ersten Nachbau-Versuch vor Monaten mich an das Original halten. Wegen dieser Problematik kamen noch zwei Widerstännde 390 Ohm zwischen SPI-Pins zum LCD hinzu. Da mir so etwas ähnliches schon mal mit einem Mega48 passiert ist, habe ich soeben probiert, wieder einen Takt von 2 MHz/ 4,5Vss über den XTAL1-Pin vorzugeben, falls sich die Fuses verstellt hätten. Aber er stellt sich immer noch tot. Der 48er konnte wieder seinen Betrieb aufnehmen. Hilft nur noch Öffnen des Gehäuses und per Mikromanipulator und Laserstrahl auf dem Chip einiges anstellen oder hat jemand noch eine Idee? Ein HV-Programmiergerät steht mir leider nicht zur Verfügung. Der 168er ist nur ein halbes Jahr alt und hat eigentlich nur eine große Entwicklungsrunde hinter sich mit vielleicht 200 Programm-Downloads. Bis zu den genehmigten 10000 also noch etwas "Luft". MfG
Wenn du noch einen Arduino hast, dafür kann man ganz leicht ein Shield bauen, das dann HV kann. Besser du besorgst dir einen Dragon, Buchsenleisten und Stiftleisten, dazu noch einen 40-poligen Nullkraftsockel und dann macht das erst richtig Spaß. Ein Layout für die Adapter hat Spess53 mal hier eingestellt, geht aber auch mit Lochraster. Die Fuses verstellen sich nicht von selbst, das musst du schon aktiv gemacht haben. Mach mal am Ausgang vom 7805 die 100 uF weg, das ist viel zu viel, auch am Eingang ist das etwas groß, aber nicht so kritisch. Dann noch eine Diode 1N4002 vom Ausgang zum Eingang. Vermute mal, dass der uC einen auf die Mütze gekriegt hat und da hilft dann auch kein HV mehr.
An MOSI und SCK normales Signal, MISO ist high und beim Leseversuch erscheint nur ein bischen "Dreck" ca 0,3 V auf dem high-Signal.
Schon mal Danke für die Tipps zum HV-Programmier-Gerät. Das steht sowieso auf der Wunschliste. Das Dumme ist nur: Wenn dieser Fehler noch ein paar mal auftauchen sollte, ist mein Vorrat an 168ern aufgebraucht, da er nur in einstelligen Stückzahlen auf Vorrat liegt. Die kleineren Typen waren bisher nicht so empfindlich. Es ist also ein spradisch auftretender Fehler, der nicht in den Griff zu bekommen ist. Lösungsmöglilchkeit 1: Stückzahlen auf dreistellig erhöhen.
Kann man den 168er noch "ärgern" mit 6 Volt moderater Überspannung?
Christian S. schrieb: > Kann man den 168er noch "ärgern" mit 6 Volt moderater Überspannung? Klar, kaputt ist er sowieso. Aber viel bringen wird das nicht. Der Chip ist und bleibt beschädigt. Trauere ihm nicht hinterher und kauf dir zur Abwechslung Mega328, die beim Händler wahrscheinlich sowieso billiger sind als die kleineren Brüder. Überprüfe bei der Gelegenheit auch gleich mal, warum bei dir diese Defekte auftreten. Mir klingts ja so, als ob du da noch ein Potenzialausgleichs-Problem hast zwischen Programmierer und -Sockel.
"Überprüfe bei der Gelegenheit auch gleich mal, warum bei dir diese Defekte auftreten. Mir klingts ja so, als ob du da noch ein Potenzialausgleichs-Problem hast zwischen Programmierer und -Sockel" Das ist genau der springende Punkt. Mir sind bisher (seit Jahren)wegen z.B Elektrostatik noch keine AVRs kaputt gegangen. Ein 90S2313 hat sogar mal einen Latch-up überlebt. Bisher ging alles gut, weil ich immer ein Akku-Paket verwende, das ja Potentialfrei ist. Auch beim stundenlangen Messen mit zwei Oszilloskopen blieb alles am Leben. Mit einem 5V-Netzgerät von Pollin gibt es zwischen dem Computer, der ja über das Programmier-Kabel und den LPT-Port galvanisch mit der Schaltung verbunden ist, und dem GND des Pollin Netzgerätes ONCOMMAND AP12UV eine gefährliche Berührungs-Spannung. Deshalb verschwand das besagte Netzgerät sogleich wieder in der Vorrats-Kiste. Der "Dreck" auf dem MISO-Signal kommt immer dann, wenn MISO durch den Pin gar nicht, also hochohmig angesteuert wird. Mit leerem Sockel sieht es genauso aus. Was man sieht, ist nur das Übersprechen im Programmier-Kabel. Noch niemand konnte meine Vermutung bestätigen, daß die 168er empfindlicher sind als andere Typen. Ich beharre darauf, weil von Reichelt mal 2 Stück neu gleich schon defekt waren. Verbogene Pins waren auch mal in einer Lieferung mit dabei.
Bitte melde dich an um einen Beitrag zu schreiben. Anmeldung ist kostenlos und dauert nur eine Minute.
Bestehender Account
Schon ein Account bei Google/GoogleMail? Keine Anmeldung erforderlich!
Mit Google-Account einloggen
Mit Google-Account einloggen
Noch kein Account? Hier anmelden.
