Guten Abend zusammen, ich habe leider einen extrem dummen Fehler begangen, bei dem zwei IC's zerstört wurden. Könnt Ihr mir bitte weiterhelfen, und evtl. mitteilen, um was für ein Bauteil es sich handelt? Die beiden kaputten IC's haben die selbe Bezeichnung. zumindest soweit ich es lesen kann: PG9AK NDS 985... nicht zu lesen Hoffentlich ist keine Software drauf und es kann ausgetauscht werden. Ich weiß nicht, ob ich lachen oder weinen soll... Vielen Dank schonmal im Voraus
Das könnte ein Mosfet sein, DS895x .... Hersteller National, wie es aussieht, Äquivalent bei Siliconix zu haben, unter anderem. Leider ist die letzte Ziffer durch den Blast "gelöscht" worden ;-)
Upps, übersehen. Das vor dem DS sah nach "N" aus....
Super, vielen, vielen Dank:) dann will ich mal hoffen, dass nicht auch noch andere Komponenten durch meine Dummheit in Mitleidenschaft gezogen wurden.
Das IC wird leider nicht mehr produziert. Ich habe alle Distributer durch. Bei Ebay habe ich das NDS8958 von Fairchild gefunden, allerdings mit einer anderen Bezeichnung am Anfang: PXRAY Aber es hat die gleichen Werte: NDS8958 Manu:FAIRCHIL Encapsulation:SOP-8,Dual N & P-Channel Enhancement Mode Field Effect TransistorNPN:5.3A, 30V,0.035Ω;P:-4.0A, 30V,0.065Ω) http://www.ebay.de/itm/NDS8958-Manu-FAIRCHIL-Encapsulation-SOP-8-Dual-N-P-Channel-Enhancement-Mode-/370832944759?pt=LH_DefaultDomain_0&hash=item56575dae77 Besten Dank nochmal:)
Das FDS8958B wird doch als Replacement angegeben. Das gibt es bei Digikey und Mouser.
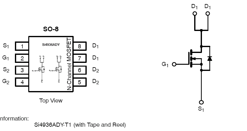
- Hersteller ist eindeutig Fairchild (erkennbar am "F" Logo) - der Typ ist NDS895?. Das N gehört zur Typbezeichnung. Das ? ist nicht mehr lesbar - sowohl datasheetarchive.com als auch mein eigenes Archiv von Fairchild Datenblättern enthält nur ein passendes Bauteil: NDS8958 - das ist dann kein IC, sondern zwei MOSFETs (ein n-Kanal, ein p-Kanal) in einem SO-8 Gehäuse. Die werden typischerweise als Schalter + Synchrongleichrichter in Stepdown-Schaltreglern verwendet. - andere Hersteller produzieren sowas auch. IRF. Vishay Siliconix. XL
Super, danke nochmal:) Also ist es ok, wenn ich das FDS8958B als Ersatz bestelle? http://www.digikey.com/scripts/DKSearch/dksus.dll?Detail&itemSeq=140176019&uq=635206281763401884 Es wird ja immerhin von Fairchild als Ersatz für das NDS8958 angegeben. NDS8958 Datenblatt: http://www.fairchildsemi.com/ds/ND/NDS8958.pdf FDS8958B Datenblatt: http://www.fairchildsemi.com/ds/FD/FDS8958B.pdf Die Daten sind, wie vermutet sehr ähnlich. Kleine Unterschiede z.B. verschiedene Durchleitungswiderstände gibt es aber. Wird sich das bemerkbar machen oder liegt das im Toleranzbereich? Besten Dank,
Mike schrieb: > ich habe leider einen extrem dummen Fehler begangen, Ein kluger Fehler wäre gewesen, VORHER den Typ zu notieren und uns zu verraten in welchem Gerät das Ding verbaut wurde. Evtl. hat einer noch ein paar Teile davon auf Lager oder kennt die Schaltung dazu?
In einem Rolladenmotor von Schellenberg sind die beiden Komplementärtypen drin, Betriebsspannung ist 18V DC aus Steckernetzgerät. Davon ist mir kürzlich einer beim ersten Einschalten abgeraucht. Die Anschlußbelegung scheint ähnlich zu sein.
Bitte melde dich an um einen Beitrag zu schreiben. Anmeldung ist kostenlos und dauert nur eine Minute.
Bestehender Account
Schon ein Account bei Google/GoogleMail? Keine Anmeldung erforderlich!
Mit Google-Account einloggen
Mit Google-Account einloggen
Noch kein Account? Hier anmelden.



