Hallo, vielleicht kann mir jemand einen guten Tipp gegeben. Ich arbeite mich gerade in Target 3001 ein, nun möchte ich die beigefügte Schaltung Simulieren und mit dem internen Oszilloskop von Target 3001 die unterschiedlichen Signalformen sichtbar machen. Wo befinden sich bei Target 3001 die Anschlüsse für das Target - Oszilloskop (Schaltungssimulation)?? Ich bin für jeden Tipp dankbar.
Hallo, danke für Deine Antwort. Ich habe versucht unter Target 3001 eine export Funktion zu finden, die das einlesen in LTspice ermöglicht. Doch leider habe ich auch hier nichts gefunden. Hat jemnad einen guten Tipp?? PS: Ich möchte die Schaltung nicht doppelt zeichnen, einmal in Target3001 und dann in LTspice. Danke für jede Antwort.
Hallo Markus,
> PS: Ich möchte die Schaltung nicht doppelt zeichnen, einmal in
Target3001 und dann in LTspice.
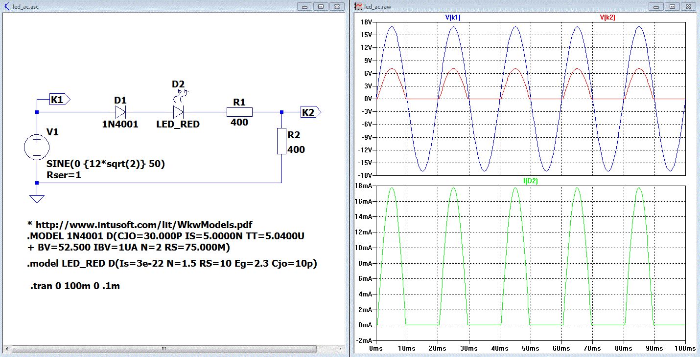
Das ist der falsche Ansatz.
In zwei Minuten hast du das gezeichnet. Viel mehr Zeit benötigt man für
das Suchen von Modellen. Und so wie im Anhang könntest/solltest du das
in Zukunft machen. Dieses Widerstandssymbol gibt es übrigens in [Misc].
Gruß
Helmut
Hallo, besten Dank für Deine Antwort. Das Problem ist nur, dass ich in Target3001 schon einiges im Schaltpaln erstellt habe. Nun möchte ich diese Simulieren, um Fehler in der Schaltung zu finden. Diese Schaltung ist sehr umfangreich.!! LTspice ist schon super und einfach zu bedienen. Ist es denn überhaupt möglich die Schaltung die in Target erstellt wurde in LTspice zu importieren? Ich habe leider nicht gefunden. Besten Dank für die Antworten in voraus.
Markus Salden schrieb: > Ist es denn überhaupt möglich die Schaltung die in Target erstellt wurde > in LTspice zu importieren? So einfach sicher nicht. Evtl. geht es über die Netzlisten-Ausgabe von Target.
Hallo, die Auswahl der Messpunkte geht hiermit (Siehe Bild).
Bitte melde dich an um einen Beitrag zu schreiben. Anmeldung ist kostenlos und dauert nur eine Minute.
Bestehender Account
Schon ein Account bei Google/GoogleMail? Keine Anmeldung erforderlich!
Mit Google-Account einloggen
Mit Google-Account einloggen
Noch kein Account? Hier anmelden.


