Hi, kann ich das so machen, bzw. funktioniert das so? Auf was muss ich vielleicht noch achten, wenn ich GND und N brücke, abgesehen von der Kennzeichnung und Isolierung? Drähte sind alle NYM...1,5mm² Gruß, JJ
Jürgen schrieb: > Auf was muss ich vielleicht noch achten, wenn ich GND und N brücke, Wo siehst du in deiner Schaltung GND?
Falls man irgendwas brueckt, sollte man E nach GND. Alles andere ist schlecht. Denn wie unterscheidet man L(P) und N?
Jürgen schrieb: > Auf was muss ich vielleicht noch achten, wenn ich GND und N brücke, > abgesehen von der Kennzeichnung und Isolierung? Das fuer die Kleinspannungsseite die gleichen Vorschriften gelten wie auf der Netzseite. Die ist dann naemlich nicht mehr Netzgetrennt.
[ GND = MINUS ] ...ist in einer festen Installation, was N und was L1 ist, ist klar zu unterscheiden. Der N ist auf beiden Seiten der gleiche, nur an unterschiedlichen Stellen im Haus. E? ist PE gemeint? Gruß, JJ
>>Das fuer die Kleinspannungsseite die gleichen Vorschriften gelten wie >>auf der Netzseite. Die ist dann naemlich nicht mehr Netzgetrennt. Es sind Relais auf Platine welche sowieso berührungssicher montiert sind. Anschlüsse/Klemmen etc sind auf der 3V Seite so ausgelegt wie auf der 230V Seite...
Helmut Lenzen schrieb: > Das fuer die Kleinspannungsseite die gleichen Vorschriften gelten wie > auf der Netzseite. Die ist dann naemlich nicht mehr Netzgetrennt. Das würde dann auch für die Kombination "Klassische Nullung" und "Ankommenden Schutzleiter in der nachfolgenden Schaltung verwenden" gelten.
Ich habe da mal eine Frage dazu - warum machst du dir die Mühe zu solch einer komplizierten Verschaltung? Hast du nur 2 Adern zur Verfügung? Und warum nimmst du nicht einfach 2 Relais für 230V? Ich könnte mir sogar vorstellen, wenn die Netzteile nicht 100% sauber galvanisch getrennt sind, das beide Relaise klackern wenn ein Taster betätigt wird. Oder sie klackern auch so, ohne Betätigung durch Induktion in den Leitungen.
...kompliziert? eine Brücke von N zu GND?
...ja Adern sparen.
>>nicht 100% sauber galvanisch getrennt
Kleiner Trafo aus der Gerth Reihe...
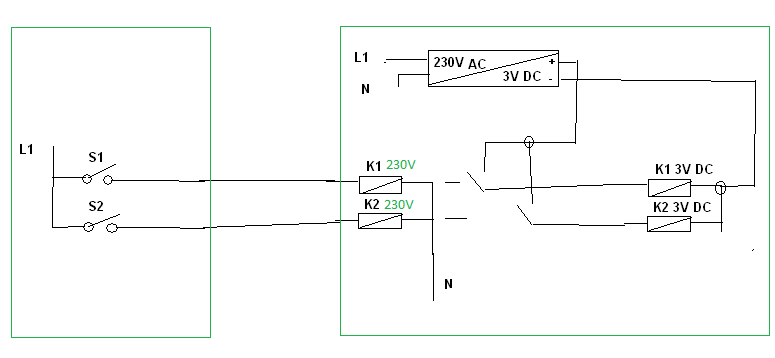
...ist nur ein Schaltunsausschnitt. Es sind bistabile Relais. Die
Schaltung beinhaltet nachher 3 bistabile Relais...mit 3V DC
Spulspannung...
Es geht mir einfach nur darum ob man das so machen kann, und worauf ich
achten muss dabei, also wenn ich N und GND brücke und dann ein Relais
ansteuere...
JJ
Nun ja, also es sollte die Verbindung N - N in jedem Fall pikobello
sein. Denn überlege mal den folgenden Beispielfall: Du hast eine Last
>1kW an dem rechten Ende deiner Schaltung an 230V hängen, die
Einspeisung ist am linken Ende. Da hast du einen Spannungsfall auf der
N-Leitung, die bereits 3V überschreiten kann, dazu den geringen
Innenwiderstand deiner Netzteile. Also klackern deine Relais munter vor
sich hin, ohne das jemand auf die Taster drückt. Die Schaltung wird
grundsätzlich funktionieren, ist aber seeeeehr empfindlich gegenüber
Lastwechseln im Netz. Das ist eher dein Problem. Ist der N zwischen den
Verteilungen nicht sauber verbunden, rauchen dir deine Relais und
Netzteile ab.
EDIT: hab deine Skizze mal etwas modifiziert, so würde es sauber
funktionieren. Hinzugekommen sind 2 230V Relais und der L auf der
rechten Seite. Entschuldigt die Krickelei, hatte keine Lust auf
Schaltplangeklicker.
Jürgen schrieb: > Schaltung beinhaltet nachher 3 bistabile Relais...mit 3V DC > Spulspannung... ...und warum nimmst Du keine normalen (Eltako-)230V-Stromstossrelais? Deine Schaltung ist zumindest gewöhnungsbedürftig und von Leuten, die später an Deiner Anlage arbeiten, so nicht zu überblicken. Gruss Harald
Bitte melde dich an um einen Beitrag zu schreiben. Anmeldung ist kostenlos und dauert nur eine Minute.
Bestehender Account
Schon ein Account bei Google/GoogleMail? Keine Anmeldung erforderlich!
Mit Google-Account einloggen
Mit Google-Account einloggen
Noch kein Account? Hier anmelden.

