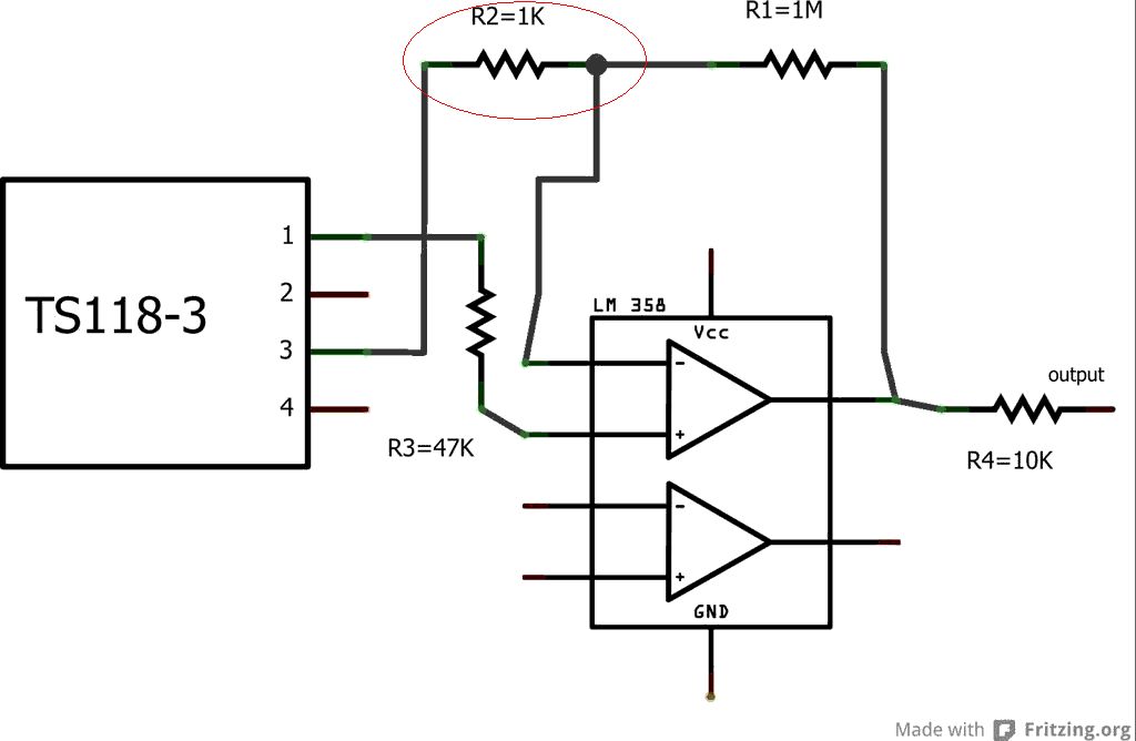
Hallo zusammen, ich habe folgendes Messgerät von Conrad auseinandergenommen: http://www.conrad.de/ce/de/product/122322/VOLTCRAFT-IR-110-1S-Infrarot-Thermometer-Optik-11-33-bis-110-C-IR-Thermometer?ref=searchDetail Hintergrund ist folgender: Ich möchte gerne die Thermopile nutzen, um damit selber Temperaturmessungen durchzuführen. Es handelt sich dabei eigentlich um folgendes Gerät: http://www.zytemp.com/products/tn168.asp Leider konnte ich nicht auf der Thermopile noch im Internet irgend ein Datenblatt dazu finden. Auf dieser Website ist aber ausführlich beschrieben, wie man eine Thermopile anschließen kann: http://www.instructables.com/id/Thermopile-Sensor/?lang=de Ich habe nun die Schaltung, wie in schemata1.gif zu sehen nachgebaut und nutze den LM358 zur Verstärkung. Der Arduino dahinter liest nun die Analog-Werte aus. Wenn ich 5V anschliesse dann erhalte ich auf A0 für Thermopile nur 750 (leicht schwankend) als Analogwert und für A1 nur 1023 (leicht schwankend). Trenne ich den LM358 von der Versorgung dann sind die Werte 0. Was mache ich nun falsch? Wie kann ich den Thermopile richtig nutzen? Habe schon den rot markiert Widerstand auf 10K und auf 100K verändert. Die Werte bleiben gleich. Meine Thermopile hat auch 4 Beine, die ich anhand der alten Platine eindeutig zu ordnen konnte. Wer kann mir helfen? Gruß kami
Stefan S. schrieb: > Was mache ich nun falsch? Wahrscheinlich misst Du die Offsetspannung des LM358.
Ein Datenblatt zu suchen waere eine erste Anstrengung. Dann wuerd man sehen, dass die Spannungen in den mV sind. Man also einen lowoffset OpAm braucht. Ich fuer einen RR-Zerodrift gehen, und dann als Bezug mit einer Ref/2 arbeiten.
ich kann in schemata2 keinen Massbezug der Signale erkennen -> die Differenzspannung am Thermopile mag definiert sein, aber die Gleichtaktspannung floatet. Damit kann der OPV keine definierte Spannung bezogen auf Masse ausgeben. (oder gibt es in deinem Sensor eine Masseverbindung, die hier nicht gezeigt ist?)
Hat vielleicht mal jemand einen Schaltungsvorschlag dafür? Das Datenblatt finde ich zur Thermopile nicht? Einer eine Idee? Gruß kami
Naja. einen nicht-invertierenen Verstaerker, aber nicht gegen GND sondern gegen Vref/2 des ADC. Wegen des Datenblattes ... ich bin so frei.
Stefan S. schrieb: > Das Datenblatt finde ich zur Thermopile nicht? bei mir spuckt Google das hier aus: http://www.willow.co.uk/TS118-3eng.pdf Daraus würde ich eine Empfindlichkeit von rund 4mV/100K ablesen, was lustigerweise ziemlich genau einem Typ K Thermoelement entspricht. Von einem Thermopile hätte ich eigentlich einen höheren Wert erwartet. Ein nicht invertierender Verstärker ist schon ok, aber einer mit viel weniger Offset als der LM358 (dessen Offset machen bei diesem Sensor schon mal 50° Temperaturfehler aus). Nitrobor hat ein passendes Stichwort schon genannt (zero drift OPV). Zudem muss ein Ende deines Thermelements auf ein vernünftiges Bezugspotential. Z.B. das negative Ende auf Masse (wenn du nur höhere Temperaturen als die Umgebungstemperatur messen willst und dein OPV mit 0V am Eingang klar kommt). Oder auf ein selbst erzeugtes Bezugspotential (Ref/2 im Beitrag von Nitrobor)
> Ich habe nun die Schaltung, wie in schemata1.gif zu sehen nachgebaut und > nutze den LM358 zur Verstärkung. Wie kommst du auf die wahnsinnige Vorstellung, daß der billigste, der allerbilligste OpAmp von allen, für so eine Messaufgabe das genau passende Bauteil wäre ? Eine thermopile liefert 3.6uV pro GradC, da sind die 7mV Offsetspannung des LM358 schon mehr als 100 GradC Abweichung. Und eine Belastung vom 1k, bei einer Thermopile, ist eine Grössenordnung zu gering, eher 1MOhm. Versuch es mit was tauglichem, ein AD8237 beispielsweise. Ausserdem brauchst du eine Kaltstellenkompensation, AD8495 würde es tun.
Hi, also erstmal vielen Dank für die schnelle und kompetente Hilfe. Ich bin verblüfft. Also von den Datenblätter könnte das TS118-3 schon passen. Ich weiß halt nur immer noch nicht ob auf dem Gerät von ZyTEMP wirklich diese Thermopile verbaut ist? Hat vielleicht einer eine Beispielschaltung? Verstehe ich das richtig, das der LM358 gar nicht dafür zu verwenden ist? Ich will ja eigentlich nur auf 1°C genauigkeit messen? Ist die Anleitung bei Instructables so falsch? Welche schnell und einfach Lösung kann ich nun verwenden? Gruß kami
Tinitus? Egal, dann probiers doch mal mit dem 358, gesockelt. und wenn er dann nicht gut ist, nimm einen anderen.
Stefan S. schrieb: > Ich will ja eigentlich nur auf 1°C genauigkeit messen? > Welche schnell und einfach Lösung kann ich nun verwenden? Wenn Du auf 40µV genau messen willst, ist eine schnelle und einfache Lösung nicht möglich. Da hilft Dir auch kein Schalt- plan, denn da ist der richtige Aufbau wichtig. Gruss Harald
Stefan S. schrieb: > Ich weiß halt nur immer noch nicht ob auf dem Gerät von ZyTEMP wirklich > diese Thermopile verbaut ist? ok, das hatte ich ursprünglich anders verstanden. Wenn du nicht weißt, was für einen Sensor du hast, dann wird es dir auch schwerfallen das Sensorsignal richtig zu verstärken und zu interpretieren. Also mach zumindest ein paar Plausibilitätstests (zwischen welchen Pins kannst du einen Widerstand messen, zwischen welchen gibt es keine Verbindung? Entspricht der Widerstand halbwegs den Werten aus dem Datenblatt oder liegt er völlig daneben? Ist am Sensor irgendwo etwas aufgedruckt, was einen Hinweis auf Hersteller oder Typ geben könnte?) Stefan S. schrieb: > Ich will ja eigentlich > nur auf 1°C genauigkeit messen? Ist die Anleitung bei Instructables so > falsch? > > Welche schnell und einfach Lösung kann ich nun verwenden? Hehe, der war gut. "Schnell und einfach" mal auf µV genau messen, wer wünscht sich das nicht? Selbst wenn du stattdessen "lange und aufwändig" daran arbeitest wird "nur 1° Genauigkeit" hier wohl ein Wunsch bleiben. Stefan S. schrieb: > Ist die Anleitung bei Instructables so > falsch? Ja. Vielleicht ist das auch der Grund, warum bei Instructables keine Messergebnisse gezeigt werden (sie sehen wahrscheinleich genau so aus, wie du sie mit deinem Nachbau erzeugst). Stefan S. schrieb: > Hat vielleicht einer eine Beispielschaltung? Vielleicht hättest du im Analogtechnik mehr Antworten auf diese Frage bekommen (es geht ja um reine Analogtechnik). Aber auch hier gabe es ja schon die relevanten Hinweise, wie die Schaltung aussehen könnte. Aber weil Wochenende ist, hier nochmal eine etwas ausführlichere Beschreibung: 1) die meisten OPV arbeiten nicht besonders gut, wenn Eingangsspannung oder Ausgangsspannung sehr nahe bei einer Versorgungsspannung liegen. Also solltest du entweder 1a) eine bipolare Versorgung des OPV nutzen (z.B. +/- 10V). Dann kannst du alle Signale auf Masse beziehen (d.h. ein Ende des Thermopile auf Masse legen und ein Ende von R2 in deiner Schaltung auf Masse legen). Der ADC misst dann die Differenz des Verstärkerausgangs zu Masse. Wenn du nur eine einzelne Versorgungsspannung nutzen willst, kannst du 1b) ein angehobenes Bezugspotential erzeugen. Dazu teils du mit zwei Widerständen deine Referenzspannung auf den halben Wert herunter und schaltest einen OPV als Spannungsfolger dahinter, damit dieses Bezugspotential niederohmig (belastbar) wird. Jetzt beziehst du alle Signale auf dieses Potential VRef/2 (also Kathode des Thermopile dort anschließen, R2 dort anschließen, ADC differentiell zwischen Verstärkerausgang und VRef/2 messen lassen). 2) dein OPV (LM358) ist viel zu ungenau. Sein Offsetfehler liegt um Größenordnungen über dem, was du an Messgenauigkeit erreichen willst. Ein hier nutzbarer OPV sollte zumindest als "Precision OPV" verkauft werden (du benötigst Offsetspannungen im niedrigen µV Bereich). Suche auch nach Begriffen wie "Zerodrift" oder "Autozero" oder "Chopper OPV". Wenn du einen schönen OPV gefunden hast prüfe vor dem Einkaufen noch mal, ob der mit deiner Versorgungsspannung klar kommt (manche laufen mit einer einfachen 5V Versorgung, andere nicht). 3) neben dem Genauigkeitsproblem wirst du bei Verstärkungen im Bereich 1000 auch ein Rauschproblem haben. Du solltest daher zumindest die Bandbreite deines Verstärkers einschränken (um den hochfrequenten Anteil des Rauschens nicht zu verstärken). Und auch der Controller wird voraussichtlich über viele Messwerte mitteln müssen, damit der Mittelwert halbwegs stabil wird.
Achim S. schrieb: > Ein hier nutzbarer OPV sollte zumindest als "Precision OPV" verkauft > werden Wurde der 741 nicht auch einmal "Precision OPV" genannt? :-) Wenn Du (Stefan) mit Begriffen wie Offsetspannung oder "Zerodrift" nichts anfangen kannst, solltest Du Dir besser ein anderes Projekt suchen. Gruss Harald
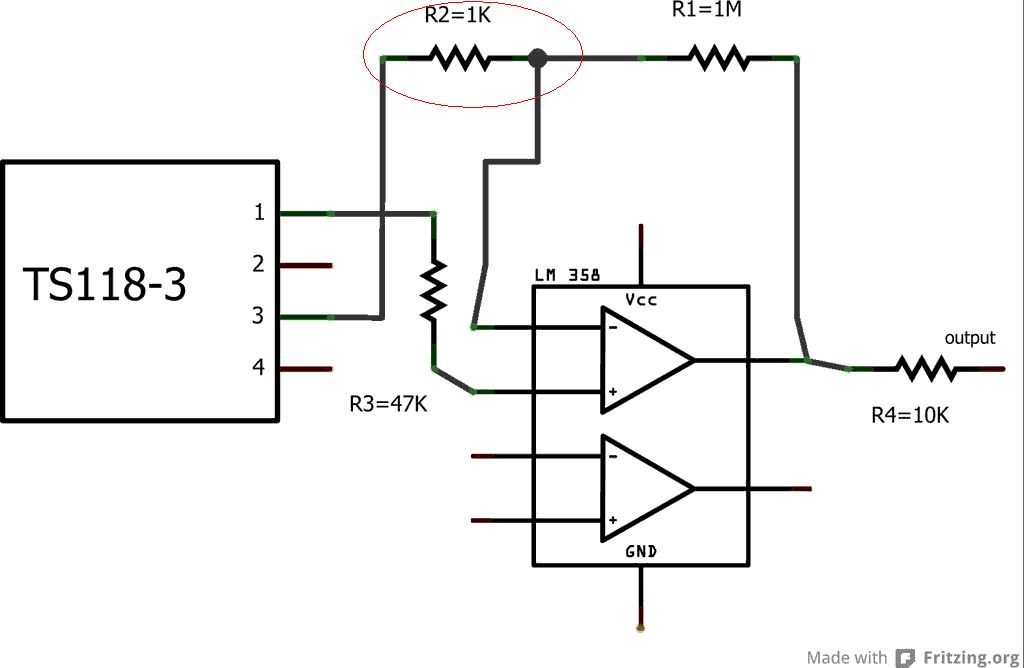
Hi, also ich will mich hier nicht dümmer zeigen als unbedingt notwendig, aber ich habe nun noch mal auf dem Steckbord folgende schaltung aufgebaut mit dem LM358. Leider erhalte ich hierbei immer noch Werte von 458 (3,3V) und 730 (5,0V) dabei habe ich nun auch mal den Widerstand 1K gegen 10K und 100K ausgetauscht ändert sich nix. Es sind am LM358 nur die Pins 4,8 (GND,VCC) und 1,2,3 angeschlossen. Irgendwie kann ich aber nicht erkennen das sich der ADC-Wert irgendwie verändert was mache ich bei dieser Schaltung falsch? Habe hier leider kein großes Equipment sondern nur ein Multimeter. Wie kann ich vorgehen um rauszufinden wo die Werte der Thermopile liegen und wie muss ich diese richtig auf den Arduino anschliessen? Vielen Dank nochmal für die Hilfe. Gruß kami
Hat keiner mehr einen Tipp oder ein Vorgehen bereit? Vielen Dank. Gruß kami
Stefan S. schrieb: > was mache ich bei > dieser Schaltung falsch? immer noch genau dasselbe, was dir schon letzte Woche erklärt wurde... Einen Versuch dir zu helfen mache ich noch: lege Pin 3 deines Sensors und das damit verbundene Ende von R2 auf GND, damit der Eingang deines OPV nicht mehr floatet. Wenn du dann etwas messen kannst (wenn auch noch mit riesigem Fehler): nimm vielleicht auch die anderen Hinweise von letzter Woche ernst und bau die Schaltung so auf, wie dort vorgeschlagen. Immer die selbe falsche Schaltung zu bauen bringt dich nicht weiter.
Bitte melde dich an um einen Beitrag zu schreiben. Anmeldung ist kostenlos und dauert nur eine Minute.
Bestehender Account
Schon ein Account bei Google/GoogleMail? Keine Anmeldung erforderlich!
Mit Google-Account einloggen
Mit Google-Account einloggen
Noch kein Account? Hier anmelden.


