Hallo, kurze Vorgeschichte: es geht um das Protokollieren von Entlade- /Ladekurven. Da es trotz Hilfe hier im Forum nicht gelang, mein UT61B mit dem Notebook zu verbinden, bin ich auf diese Seite gestoßen: http://www.franksteinberg.de/uni8ad.htm. Gleich vorweg, es funktioniert. Die Schaltung und das Programm wurde leicht angepasst (Ref+ 2,56 V, USB-RS232, Abfrageintervall, Messwerte und Zeit in Datei schreiben) Frage: ich würde gerne noch im Messbereich 0 - 15 Volt die Auflösung von derzeit 0,06 V reduzieren. Der im Datenlatt zum TLC549 (8 Bit) angegebene TLC1540 (10 Bit) scheint nicht mehr verfügbar zu sein. Der LTC1286 (12 Bit) schien mir kompatibel zu sein (VCC = 5 V, Ref = 2,56 V). Könnte das, nur mit Änderung der Ausleseparameter in der Software, funktionieren? Gruß, chem
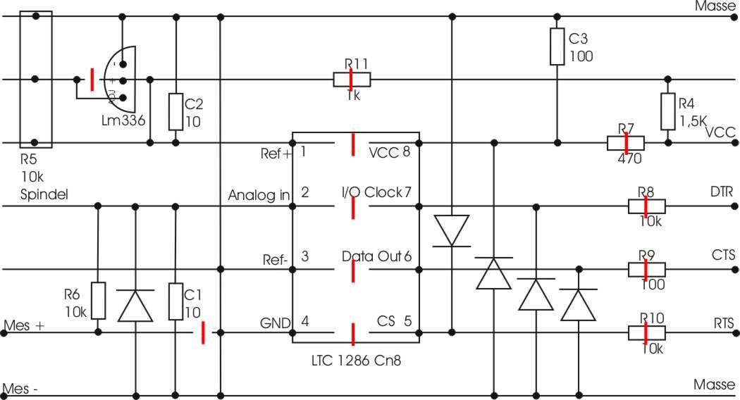
chem schrieb: > ...12Bit-ADC.gif ... Was sind das denn für seltsame rote Striche auf einem Schaltbild?
Harald Wilhelms schrieb: > Was sind das denn für seltsame rote Striche auf einem Schaltbild? Das war mein umgestalteter Bestückungsplan für eine Lochstreifen-Platine. Roter Strich = Leiterbahnunterbrechung
Wahrscheinlich war meine Frage etwas zu undeutlich formuliert. Kann man den TLC549 in obiger Schaltung durch den LTC1286 ersetzten, so das die Funktion noch gegeben ist? VCC (5 V +/- 0,1 V) und Vref (2,56 V) sollten laut Datenblatt kompatibel sein, für alles andere könnte ich auch auf eine spanische Landkarte schauen. Besten Dank
>angegebene TLC1540 (10 Bit) scheint nicht mehr verfügbar zu sein
Farnell (HBE) hat den. Kostet um die 5€
Den hatte ich gemeint: http://de.farnell.com/texas-instruments/tlc1549cp/10bit-adc-38ksps-1549-pdip8/dp/8453772
Hallo scheibe, im Datenblatt zum TLC549 steht: - Pinout and Control Signals Compatible - With the TLC540 and TLC545 8-Bit A/D - Converters and with the TLC1540 10-Bit - A/D Converter Den LTC1286 habe ich natürlich schon eingebaut, bekomme aber keine Daten ausgelesen. Darum fragte ich hier nach der Kompatibilität zwischen den beiden ICs. Den von Dir genannten TLC1549CP könnte ich nur über hbe-shop beziehen, kann aber nicht herauslesen ob er in dieser Beschaltung funktionieren würde.
Bitte melde dich an um einen Beitrag zu schreiben. Anmeldung ist kostenlos und dauert nur eine Minute.
Bestehender Account
Schon ein Account bei Google/GoogleMail? Keine Anmeldung erforderlich!
Mit Google-Account einloggen
Mit Google-Account einloggen
Noch kein Account? Hier anmelden.
