Hi Leute,
Bin noch Anfänger der Elektronik und Mikrocontrollerprogrammierung und
habe eine Frage: Warum verwendet man anstelle eines Spannungsreglers
keinen einfachen Vorwiederstand?
Rechnung:
max Eingangsstrom: 40mA = 0,04A
max Eingangsspannung: 5V
Wiederstand: 4V / 0,04A = 100 Ohm
Angenommen ich habe folgeden Schaltplan:
R = 100 Ohm
_ .-------.
'---|___|-----|ATmega8|----|
| '-------' |
| |
| |
--- |
9V - |
|--------------------------|
(created by AACircuit v1.28.6 beta 04/19/05 www.tech-chat.de)
Müsste das nicht auch, anstelle eines Spannungswandlers, funktionieren?
Wenn es nicht geht, sagt bitte auch, warum ;).
Viele Grüße
nam_man
Ohmsches gesetz bekannt? Der Kasten atmega aus deiner Schaltung hat in der Realität keinen festen Widerstand. Rechne mal aus, welche Spannung an dem atmega-kasten abfällt, wenn du dessen widerstand mal mit 1 Ohm und mal 100kOhm ansetzt. Gruß, heinz
Max Mustermann schrieb: > Wenn es nicht geht, sagt bitte auch, warum ;). Dein ATMEGA zieht nicht konstant 40mA. Die Stromaufnahme hängt von vielen Faktoren ab und ist insbesondere NICHT constant über die Zeit. Nun für Dich: Wie sieht denn die Versorgungsspannung am ATMEGA (mit Deiner Schaltung) aus, wenn die Stromaufnahme um 20% schwankt ? Siehste ... ;-) Grüße Andreas
Hallo Max, das geht nur bedingt weil der Spannungsabfall über den Widerstand vom durchfliessenden Strom abhängt; zu Deinem Beispiel: wenn Du den ATmega in den Sleep-Modus versetzt braucht dieser ca. 1µA, dann fällt über den Widerstand nur noch 0.0001V ab, d.h. der ATmega bekommt die vollen 9V ab (und stirbt warscheinlich); mit freundlichen Grüssen Hartmut.
Max Mustermann schrieb: > Bin noch Anfänger der Elektronik ... Vorwiederstand? dann gewöhn dir gleich mal zum Anfang an daran, daß die Dinger W_i_derstände heißen. Die "stehen nicht (immer) wieder" auf, sondern sie "widerstehen" dem durch sie hindurch fließenden Strom.
katastrophenheinz schrieb: > Ohmsches gesetz bekannt? Offensichtlich. Den der TO benutzt es ja um den Vorwiderstand zu berechnen. Aber warum muss bei den meisten Anfängerfragen aus irgend einem Loch einer rauskriechen, der solche "dümlichen" Kommentare abgibt. Das es auch ohne geht zeigen doch z.B. die Beiträge von Hartmut und Roland :-) Grüße Andreas
1234321 schrieb: > Zur Forendynamik: > http://www.stupidedia.org/stupi/Forum rofl. Made my day :-) Grüße Andreas
Wie gesagt geht es nicht so einfach mit einem Widerstand, weil die Stromaufnahme des Mikrocontrollers nicht konstant ist. Mit einer zusätzlichen Zenerdiode könnte man eine konstante Stromaufnahme erreichen, aber dann würde die Batterie schneller entleert, als notwendig. Ein weiterer Haken ist, dass die Spannung der Batterie nicht konstant 9V ist. Die Spannung sinkt stetig ab, erst bei weniger als 6V gilt sie als verbraucht. Wenn Du einen Vorwiderstand für 9V auslegst, dann passt er bei 6V nicht mehr. Also nimm besser einen Spannungsregler. Da es um Batterie-Betrieb geht, solltest Du einen Spannungsregler bevorzugen, der mit möglichst wenig Eingangsspannung aus kommt und möglichst wenig Energie für sich selbst verbraucht. Das Stichwort für Dich wäre "LDO". Der LP2950-5V wäre zum Beispiel so einer. Wenn der Rest der Schaltung es zulässt, würde ich erwägen, 3-4 Akkus zu verwenden. Bei 3 Zellen hast Du 2,7...3,6V. Bei 4 Zellen hast Du 3,6...4,8V. Die meisten Mikrocontroller (so auch der atmega) laufen auch mit etwas weniger als 5V. Je nach Taktfrequenz und Typ reichen sogar die 2,7 Volt.
Gut, danke. Habe nun verstanden, warum das nicht jeder macht ;) Roland ... schrieb: > Mit einer Zenerdiode paralell zum µC würde es funktionieren. Das schaue ich mir nocheinmal an. Stefan us schrieb: > Der LP2950-5V wäre zum Beispiel so einer. Habe bei Conrad.de schon den 78S05 bestellt. Der tuts hoffentlich auch.
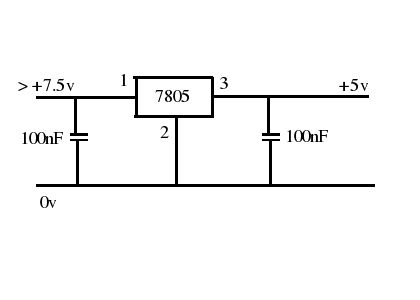
Und nicht die Kondensatoren vor und hinter dem 7805 vergessen. Bildquelle: http://www.elektroda.pl/rtvforum/viewtopic.php?p=10914250#10914250
Bitte melde dich an um einen Beitrag zu schreiben. Anmeldung ist kostenlos und dauert nur eine Minute.
Bestehender Account
Schon ein Account bei Google/GoogleMail? Keine Anmeldung erforderlich!
Mit Google-Account einloggen
Mit Google-Account einloggen
Noch kein Account? Hier anmelden.
