Hallo, bin als Anfänger mit einem AVR NET-IO Projekt im Moment total überfordert und bitte um Hilfe. Habe die Plus-Steuerleitungen des NET-IO in alten Netzwerkkabeln und Minus gesammelt in einer 0,75 mm² in versch. Räume geführt und dort direkt Solid-State-Relais angesteuert. An einigen Solid-State-Relais werden jedoch Steckernetzteile betrieben und ich musste feststellen, dass die SSR nicht komplett vom Netz trennen (Leuchtdioden der angeschlossenen Geräte blinken im Sekundenabstand auf). Da das auf Dauer der Lebenserwartung der Steckernetzteile/Geräte nicht zuträglich sein dürfte, muss ich wohl auf "normale" 5V Relais umsteigen und habe die SSR's auch schon wieder hergegeben. Lt. Recherche (wie erwähnt bin ich blutiger Elektroanfänger und verfüge nur über gefährliches Halbwissen) kann NET-IO aber die "normalen" Relais nicht direkt ansteuern und es muss eine Treiberschaltung mit Transistor oder Treiber IC vorgeschaltet werden. Da in oben erwähnter Verkabelung in 3 Räumen ODER Schaltungen mit Dioden im Pluszweig intergriert sind und diese ODER Schaltungen USB-Steckdosenleisten ansteuern, ist es erforderlich, dass die Treiberschaltung den Pluszweig schaltet und verstärkt. Was benötige ich also, wenn ich a) Transistoren verwende NPN BC??? oder PNP BC???, wie muss der angeschlossen werden (E B C), wenn ich als Steuerspannung die 5,7V vom NET-IO Netzteil zu den Relais leiten will und welcher Basiswiderstand ist erforderlich? b) Treiber IC verwende ULN2803 oder UDN 2981 oder ganz was anderes. Vorwiderstände und Freilaufdioden sind ja bereits in den ICs intergriert - oder? Für alle Antworten vielen Dank Matthias
Matthias Günther schrieb: > muss ich wohl auf "normale" 5V Relais umsteigen und habe die SSR's auch > schon wieder hergegeben. Hast du nicht eine höhere Spannung zur Verfügung? Woraus gewinnst du denn die 5V? Der UDN2981 wäre zwar eigentlich der richtige, aber blöderweise hat er eine Ucesat von ca. 2V, d.h. von deinen 5V bleiben fürs Relais gerade noch 3V über... :-o > An einigen Solid-State-Relais werden jedoch Steckernetzteile betrieben > und ich musste feststellen, dass die SSR nicht komplett vom Netz trennen Das kann dir aber mit normalen Relais auch passieren, falls du Snubber einsetzen musst. > Da in oben erwähnter Verkabelung in 3 Räumen ODER Schaltungen mit Dioden > im Pluszweig intergriert sind und diese ODER Schaltungen > USB-Steckdosenleisten ansteuern, Mein txt2sch ist gerade abgestürzt. Kannst du mal einen Plan zeichnen, was du da wie verschaltet hast?
Hallo Matthias, du kannst im Endeffekt beide Darlington-Arrays verwenden, müssen nur anders verschaltet werden. Der UDN2981 schaltet nach + und der ULN2803 nach Masse wenn er einen high level am Eingang bekommt. Das mit dem Spannungsabfall ist richtig, da fällt einiges ab. Da beide Typen aber bis 50V betrieben werden können wenn ich mich richtig erinnere, dürfte es kein Problem sein das richtige Relais zu treiben.... Für den AVR-Net-IO gibt es aber eine Zusatzschaltung, die sogar genau diesen ULN2803 beinhaltet: http://www.pollin.de/shop/downloads/D710722B.PDF Gruß Tobi
Tobias schrieb: > du kannst im Endeffekt beide Darlington-Arrays verwenden, müssen nur > anders verschaltet werden. Das kommt auf die bis dato unbekannte ODER Schaltung in den Räumen an...
Lothar Miller schrieb: > Das kommt auf die bis dato unbekannte ODER Schaltung in den Räumen an... Das mit dem Schalten nach plus wegen der Dioden war auch meine erste Idee, aber er schreibt da was von USB-Steckerleisten - die brauchen wohl zum Schalten halbwegs exakt 5 V, das macht die Sache etwas komplizierter. Gruss Reinhard
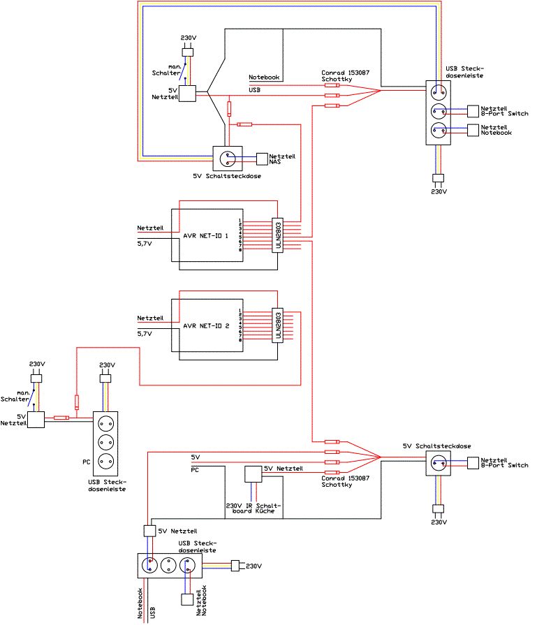
Hallo, danke für alle Antworten - habe mal eine Skizze gemacht, der man hoffentlich was entnehmen kann. Die USB-Steckdosenleisten gibt es fertig zu kaufen, die Schaltsteckdosen baut mir ein Elektromeister (Laie + 230V = nicht gut) zusammen. Die NET-IOs werden jeweils von einem 5,7V Steckernetzteil gespeist, die NET-IOs sind entsprechend vom Fachmann umgerüstet. Grüsse Matthias
Nachtrag: Wenn der Spannungsabfall mit dem IC zu gross ist, wie sieht es denn mit Transistoren aus und falls die die bessere Wahl sind -> s. Startpost a)
Matthias Günther schrieb: > habe mal eine Skizze gemacht Die 2803 sind falsch, die schalten gegen GND. Du brauchst welche, die gegen Plus schalten, also brauchst du 2981, wie schon vor langer Zeit festgestellt, aber einfach ignoriert. Dazu musst du diese so versorgen, dass am Ausgang annähernd 5V rauskommen, also mit mehr als 5V, am besten wäre eine einstellbare Spannung - die USB-Leisten müssen eben reagieren, das tun sie ab 4 komma irgendwas V. Gruss Reinhard
Hallo Reinhard, danke für die Antwort. Mich würde noch interessieren, ob man das auch mit Transistoren realisieren kann. Falls ja, welche Transisoren müsste ich da verwenden und wie müssten die angesteuert werden, also für Emitter, Basis und Collector 5V NET-IO Ausgang an ? 5,7V Netzteil an ? Masse an ? Für die Berechnung des Basiswiderstans habe ich Beispiele gefunden. Grüsse Matthias
Matthias schrieb: > Mich würde noch interessieren, ob man das auch mit Transistoren > realisieren kann. So einfach nicht - das was ein 2981 macht, benötigt eine Schaltung aus 2 Transistoren, ein NPN, der gegen GND schaltet und einen PNP, der dann Vcc durchschaltet. Mit den nötigen Widerständen 4 Bauteile pro Bit, also 32 für einen 2981, das kann sich nicht lohnen. Alternative: der USB-Anschluss der Leisten ist ja potentialfrei, da könnte man auch 5V anschliessen und den GND-Anschluss nach GND der 5V durchschalten, aber nicht mit 2803, sondern mit einem MOSFET, so dass die vollen 5V anliegen. Gruss Reinhard
OK, dann bekommt der UDN2981 seine Chance. Wenn die Relais wg. zu grossem Spannungsabfall nicht schalten, bin ich so frei und melde mich nochmal zwecks Alternative. Danke Matthias
Matthias schrieb: > Wenn die Relais wg. zu grossem Spannungsabfall nicht schalten Welche denn? Wenn du den Typ noch in deine Zeichnung geschrieben hättest, dann müsste man nicht extra fragen, sondern könnte sich einfach mal das Datenblatt ansehen...
Die fertigen USB-Steckdosenleisten kann ich nicht öffnen, da verschweisst. In den Schaltsteckdosen sind diese Relais in der 5V Variante verbaut. http://www.reichelt.de/index.html?&ACTION=7&LA=3&OPEN=0&INDEX=0&FILENAME=C300%252FDS_HF115F.pdf Grüsse Matthias
Hallo nochmal, es gibt tatsächlich Probleme und das grösste Problem ist, dass ich lt. Recherche mit den IC's ULN2803 und UDN2981 angeblich "nur" 5-6 Relais gleichzeitig schalten kann - das war mir bis dato nicht bekannt. Wäre eine Lösung gem. Anhang eine Alternative, um alle 8 Relais gleichzeitig im Pluszweig zu schalten (der weiter oben erwähnte Einwand bzgl. "Anzahl der Bauteile" ist zweitrangig und Lösungen mit MOSFET o.ä. sind für mich nicht realisierbar, da mir ganz einfach die Vorkenntnisse fehlen)? Falls nein -> Exit Falls ja - aus Mikrocontroller FAQ - Wohin mit der Last: "..., die Last kommt also an den Kollektor" - Welchen PNP Transistor mit welchem Basiswiderstand müsste ich einsetzen Grüsse Matthias
Bitte melde dich an um einen Beitrag zu schreiben. Anmeldung ist kostenlos und dauert nur eine Minute.
Bestehender Account
Schon ein Account bei Google/GoogleMail? Keine Anmeldung erforderlich!
Mit Google-Account einloggen
Mit Google-Account einloggen
Noch kein Account? Hier anmelden.

