hallo, nach stunden der suche im internet wende ich mich nun an euch und hoffe ihr könnt mir weiterhelfen. der gerät soll machen das: ich drücke einen start knopf, mein heizstrahler geht an und nach 15sec geht es automatisch aus. das wiederhole ich x mal dann stelle ich die zeit auf 20 sekunden und drücke wieder nur den einen start knopf x mal. also ich möchte eine einfache möglichkeit der zeiteinstellung haben, sie nur nicht jedesmal einstellen. das ganze hätte ich gerne als zwischenstecker (230v) mit einem dicken start knopf und einer sehr einfach zu bedienenden zeiteinstellung (6-55sec)
jo das hab ich auch nachgeguckt, aber ich finde nie eine beschreibung zu den dingern, wie sie funktionieren ob sie auch genau das erfüllen... und auf den bildern bei ebay und amazon etc sehen die sehr seltsam und kompliziert aus.
Tip: An passender Stelle Grossbuchstaben zu verwenden macht einen Text leichter lesbar.
vielen dank für den hinweis, vieleicht finde ich im grammatik forum auch gleich die lösung zu meinem electronik problem.
etiketten sind für dosen, nicht für menschen. jetzt hau ab, hast genug getrollt.
ATMega8 mit 2 (3) Tastern, Solid State Relais, ein paar LEDs für die aktuell eingestellte Zeit, ... und ein paar Zeilen Programm.
Thule A. schrieb: > bitte sülz einen anderen voll, verschwinde. Damit hast DU Dich komplett fuer wohlwollende, fachlich kompetente und hilfreiche Antworten disqualifiziert. Die Chance, Thule A. schrieb: > im grammatik forum solche zu bekommen, ist jetzt definitiv groesser. wendelsberg
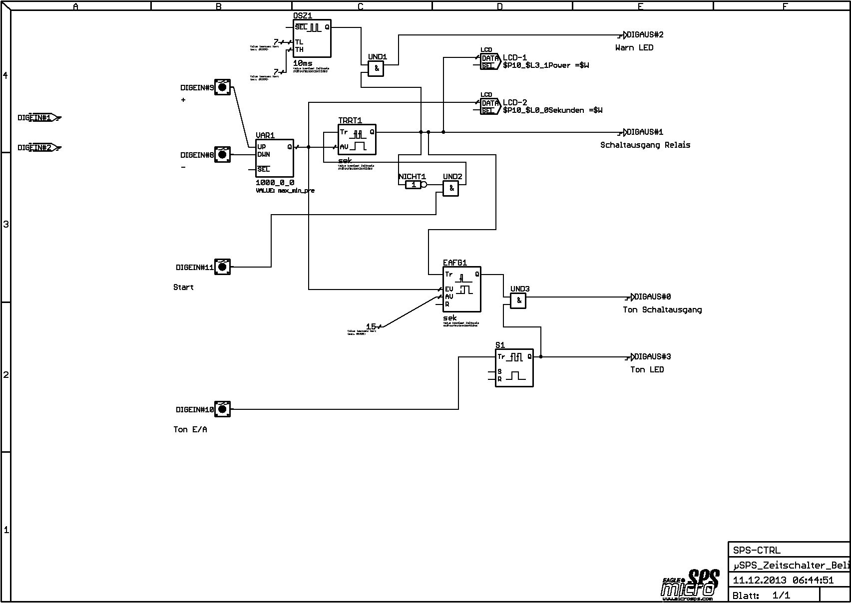
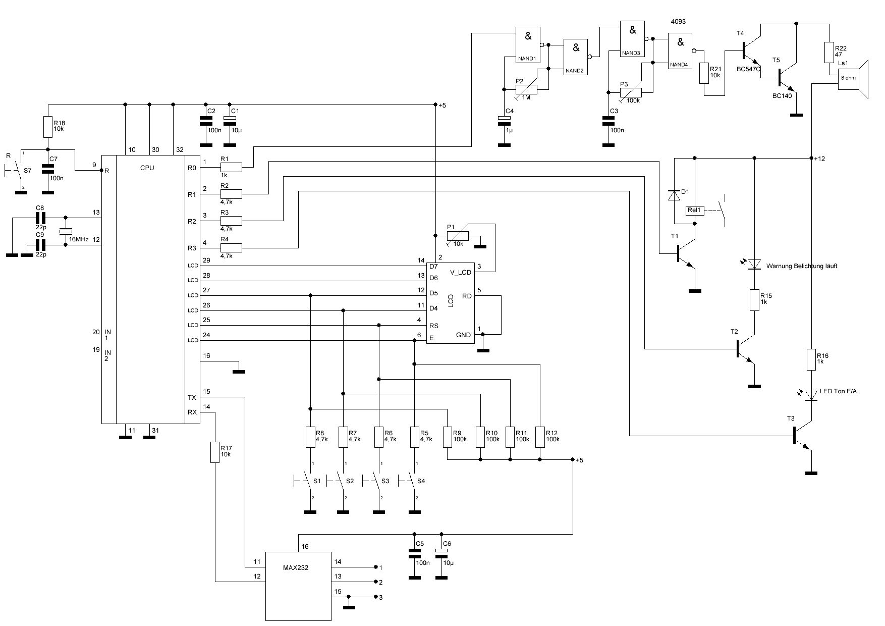
das erledigt bei mir ne auf das nötigste reduzierte micro sps. vier tasten, zweizeiliges lcd display, netzfestes schaltrelais, lautsprecher für signalton wenn zeit abgelaufen ist. dazu noch zwei led´s. als sps controller dient ein atmega32. dazu das netzteil 5v/12v.
Hallo, früher™ als man noch Abzüge in der häuslichen Dunkelkammer selbst erstellt hat benötigte man genau dererlei Timer. Suche einmal in diese Richtung. Du musst allerdings auf zwei Dinge achten. 1. Ist die Schaltleistung des Timers ausreichend für Deine Heizung. 2. Es gibt Timer, die setzen nach Ablauf der Zeit die eingestellt Zeit zurück (das nervt). Mit freundlichen Grüßen Selbsternannter Weltverbesserer
Selbsternannter Weltverbesserer schrieb: > früher™ als man noch Abzüge in der häuslichen Dunkelkammer selbst > erstellt hat benötigte man genau dererlei Timer. heute braucht man das u.a. zum belichten von leiterplatten. zumindest hab ich so einen belichter benötigt. nen belichter kaufen viel aus da ich den benötigten kram zuhauf im schrank habe. nimm das was da ist und kaufe nur zu was unbedingt nötig ist.
vielen dank für die themenbezogenen posts. Selbsternannter Weltverbesserer schrieb: > 1. Ist die Schaltleistung des Timers ausreichend für Deine Heizung. > 2. Es gibt Timer, die setzen nach Ablauf der Zeit die eingestellt Zeit > zurück (das nervt). das genau diese kriterien erfüllt werden ist für mich bei keinem gerät das online vertrieben wird nachvollziehbar. darum wende ich mich an euch. a. wenn es das schon fertig zu kaufen gibt, bitte postet mir eine url. b. kann mir jemand so ein schmuckes gerät bauen? dann schickt mir einen kostenvoranschlag an albik@gmx.de danke
Hallo, Thule A. schrieb: > das genau diese kriterien erfüllt werden ist für mich bei keinem gerät > das online vertrieben wird nachvollziehbar. darum wende ich mich an > euch. niemand wird Dir sagen können, welches Gerät Deine Kriterien erfüllt, solange Du nicht schreibst wieviel Leistung Deine Heizung hat. Mit freundlichen Grüßen Selbsternannter Weltverbesserer
okay. für mich kommt der strom aus der steckdose und da nuckel ich vom staubsauger zum handy-ladekabel alles rein. und so wollte ich auch die zwischensteckdose haben. nun gut die angaben die zu meinem strahler zu finden sind: - Leistung: 1200/2400 W - Nennspannung: 230 VAC / 50 Hz - Schutzklasse: IP 44 danke
Okay, 2,5kW sind schon mal etwas ordentliches -- der Dunkelkammer-Belichtungstimer dürfte damit überfordert sein. Ich habe ein paar Multifunktions-Zeitrelais gefunden, dort müsste man noch einen passenden Taster nachrüsten. z.B.: So etwas in der Richtung wie: Digitales Multifunktions-Zeitrelais LT4H Panasonic LT4H240ACJ 100 - 240 V/AC 1 potenzialfreier Wechsler 5 A 250 V/AC Das hat aber nur 5A -- also ~1000W. Das wäre für die 1200 W schon mal etwas besser geeignet: Crouzet TIMER 814 24 V/DC/ 110 - 240 V/AC 1 verzögerter Wechsler 8 A Max. 30 V/DC/ 250 V/AC Für Deine Zwecke brauchst Du aber eines für 12-16 A. Oder Du nimmst zwei Module: Eines für die Steuerung (Zeit), und das zweite zum Schalten des Stroms (da gibt es auch welche mit 20A).
Hallo, Achim Hensel schrieb: > Okay, 2,5kW sind schon mal etwas ordentliches -- der > Dunkelkammer-Belichtungstimer dürfte damit überfordert sein. Da gebe ich Dir recht. Der einzige Dunkelkammer-Belichtungstimer, den ich kenn, der etwas mehr Leistung schalten kann ist der JOBO TimeSwitch 6110. Wenn die Angabe auf der folgenden Internetseite stimmt kann er 1320 W bei 220 V schalten. http://www.lippisches-kameramuseum.de/Fotolabor/Belichtungsschaltuhr_Jobo_Time_Switch_6110.htm Thule A. schrieb: > wenn ich den strahler auf 1200W laufen lasse reicht das auch. Trotzdem ist es ratsam einen Timer mit 2400 W Schaltleistung zu verwenden. Es sei denn Du stellst sicher, dass der Heizstrahler nicht mehr auf Stufe 2 umgeschaltet werden kann. Mit freundlichen Grüßen Selbsternannter Weltverbesserer
einer schrieb: > http://www.ebay.de/itm/Ausschalt-Timer-1-bis-60min.... Du bist anscheinend auf einem ähnlichen Niveau wie der OP. Du empfiehlst ihm das: > Ausschalt-Timer mit kleinem Taster, stellbar zwischen 1 und 60 Minuten" Er sucht das: > Ausschalt-Zwischenstecker für Sub-Minuten-Bereich, extragroßer Taster" Grats, daß es nach "Amper hoch skillen" auch dieses Jahr mal wieder einen komplett nutzlosen Thread gibt.
Bitte melde dich an um einen Beitrag zu schreiben. Anmeldung ist kostenlos und dauert nur eine Minute.
Bestehender Account
Schon ein Account bei Google/GoogleMail? Keine Anmeldung erforderlich!
Mit Google-Account einloggen
Mit Google-Account einloggen
Noch kein Account? Hier anmelden.

