Hallo, Ich frage mich schon lange ob ich den boot Taster immer am interrupt anschließenden muss. Kann ich ihn auch wo anders anschließen ,ohne dass der Computer das System nicht mehr erkennt Ich hoffe ihr könnt mir helfen Max-H
Gratuliere. Es fehlt in der Frage wirklich jeglicher Kontext. Und sie ist ausserdem im Offtopic off-topic.
Maximilian H. schrieb: > Ich hoffe ihr könnt mir helfen Hallo, ich starte meinen einfach dadurch, daß ich den 16er (grün) auf Masse ziehe. Wenn man will kann man dann auch noch auf den grauen 8er warten. Danach wird der Bootloader automatisch angesprungen. Ich sehe keine sinnvolle Möglichkeit, den Taster von der grünen 16 wegzuverlegen. LG, N0R
Maximilian H. schrieb: > Aber theoretisch könnte ich den Taster an jeden i-o Port legen Den Taster kannst Du überall an legen, für eine sinnvolle Funktion musst Du ihn dann nur noch anschliessen.
Also muss der bootloader Taster nicht immer an einem interrupt angeschlossen sein
Es ist etwas schwierig, es ernsthaft zu beantworten, da bisher immer noch niemand ausser dir weiss, wovon überhaupt die Rede ist.
Die Antwort ist NEIN. Denn es existiert mindestens ein Bootloader, bei dem es keinen Zusammenhang gibt (tatsächlich kenne ich davon mehrere, es trifft sogar auf alle mir bekannten Bootloader zu, aber für die Antwort reicht einer).
Maximilian H. schrieb: > Das ist die ganze Frage Du bist aber wirklich schwer von Begriff. Es gibt auf der Welt nicht nur eine Hardware und einen Bootloader, sondern über Tausende.
Doch (PD2), muss der Taster dort immer angeschlossen werden, oder kann ich den Taster (bootloader) auch wo anders anschließen ?
Maximilian H. schrieb: > Doch Nein. Was auch immer du da hast, ist kein nackter ATmega. Also wäre es an der Zeit, endlich mal damit rauszurücken, was du hast.
Sturheit kann sich manchmal gegen alle Widerstände durchsetzen, aber hier sehe ich schwarz. Also dann der Holzhammer, wenn die Botschaft anders nicht rüber kommt: Wo steckt der drin? Irgendein Modul, Fertigplatine, Entwicklungskit?
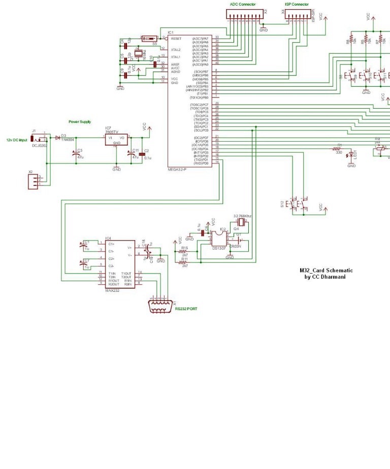
Also geht es um dieses "Starterkit": http://www.dharmanitech.com/2008/08/make-yourself-atmega32-starters-kit.html Schön, dass das jetzt nach 7 Stunden geklärt ist.
J.-u. G. schrieb: > Schön, dass das jetzt nach 7 Stunden geklärt ist. Nach 31 Stunden, um genau zu sein. Maximilian H. schrieb: > Doch (PD2), muss der Taster dort immer angeschlossen werden Ich tippe schwer auf JA.
Sicher kannst Du ihn an einen anderen Pin anschließen. Das anpassen des Quellcodes ist für Dich sicher kein Problem sagt mir mein Gefühl. Mein Vorschlag: Führe Dir hier den Einführungskurs über den AVR zu Gemüte http://www.mikrocontroller.net/articles/AVR-Tutorial
Maximilian H. schrieb: > Also bootloader Taster immer automatisch an IRQ anschließen ? Wie kommst Du eigentlich darauf, dass dieser Taster etwas mit einem Bootloader zu tun hat? A. K. schrieb: > Nach 31 Stunden, um genau zu sein. Nun wollen wir es aber mal nicht zu genau nehmen. :)
Und ich will wissen ob jener Taster immer am pd2 angeschlossen werden muss
Und woher hast du die Sicherheit, dass da überhaupt ein Bootloader drauf ist? Angesichts eines ISP-Anschlusses bestehen da gewisse Zweifel.
Maximilian H. schrieb: > Und ich will wissen ob jener Taster immer am pd2 angeschlossen werden > muss Ja, muss er. Jede weitergehende Diskussion hat sowiso keinen Sinn.
... so sieht es aus nach dem der TO nicht erfassen kann oder will, welche Komplexität das von ihm Problem beinhaltet.
Thomas V. schrieb: > Das anpassen des Quellcodes ist für Dich sicher kein Problem sagt mir > mein Gefühl. Bwuhahaha! Du hast mir auf jeden Fall den Abend gerettet, Thomas!
Maximilian H. schrieb: > Und ich will wissen ob jener Taster immer am pd2 angeschlossen werden > muss Dann schau einfach mal in die Doku Deines geheimen Bootloaders. Einen Bootloader ab Werk haben nur die AVRs mit USB. Alle anderen Bootloader hat irgend jemand sich selber gebastelt.
Bitte melde dich an um einen Beitrag zu schreiben. Anmeldung ist kostenlos und dauert nur eine Minute.
Bestehender Account
Schon ein Account bei Google/GoogleMail? Keine Anmeldung erforderlich!
Mit Google-Account einloggen
Mit Google-Account einloggen
Noch kein Account? Hier anmelden.

