Hallo Leute, Ich habe momentan ein riesiges Problem was mich regelrecht zur Verzweiflung bringt. Ich habe mit einem ATmega 8A-PU versucht eine Serielle Verbindung zum PC aufzubauen. Schaltplan (Foto) im Anhang. Das Problem ist, das am PC nur wirres Zeug ankommt (damit meine Ich): Ich sende das große "A" (65) zum PC und da angekommen ist es Hex FF (255). Das ist bei jedem Zeichen so was Ich versuche zu senden. Ein paar kleine Infos zu meinem Vorhaben: ATmega 8A-PU + 16 MHz Quartz (fnkt. auch!) Baudrate die Ich erreichen möchte ist 9600. MAX 232 ist auch zwischen Controller und PC. Mit der Formel die Ich hier gefunden habe (http://www.mikrocontroller.net/articles/AVR-Tutorial:_UART#Senden) errechne Ich einen Wert für das UBRRL Register von 103. UBRR = 16000000 / (16 * 9600) - 1 = 103,4.... (also 103 gerundet). Quellcode auch im Anhang. Sowie ein Screenshot von HTerm mit den falschen Daten (Serial-Monitor). Ich weiß Ich bin sicherlich nicht der einzigste mit soeinem Problem aber innerhalb 5 Minuten (Ja Ich habe gesucht aber kann sein das Ich was übersehen habe) habe Ich nichts passendes gefunden. Hat jemand eventuell einen 100% funktionierenden Schaltplan der die Grundlagen zeigt? liebe Grüße, Dominik
Teste als erstes, ob der PC auch korrekt verkabelt ist und der MAX232 auch richtig arbeitet. Dazu brückst du auf der 5 Volt Seite (also an der AVR Seite) TXD und RXD des MAX232. Am PC gesendete Daten sollten jetzt ganz korrekt auch wieder am PC angezeigt werden. Nun verbindest du die Sendedaten vom MAX (im Datenblatt mit R1out oder R2out bezeichnet) mit RXD des AVR und Empfangsdaten zum MAX (geht an T1in oder T2in) mit TXD des AVR.
@ Dominik P. (dominikp) > 20131215_152024.jpg > 4 MB, 1 Downloads > 20131215_152029.jpg > 4 MB, 3 Downloads > 29.PNG > 60 KB, 2 Downloads Ohne Worte!
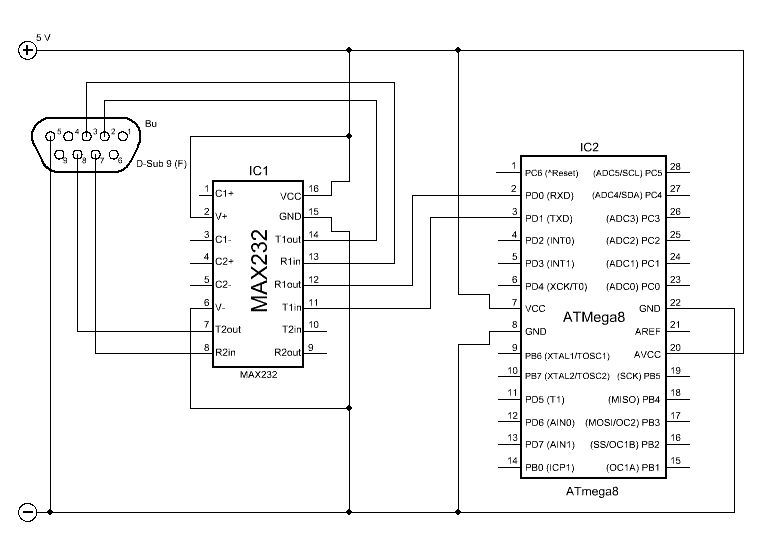
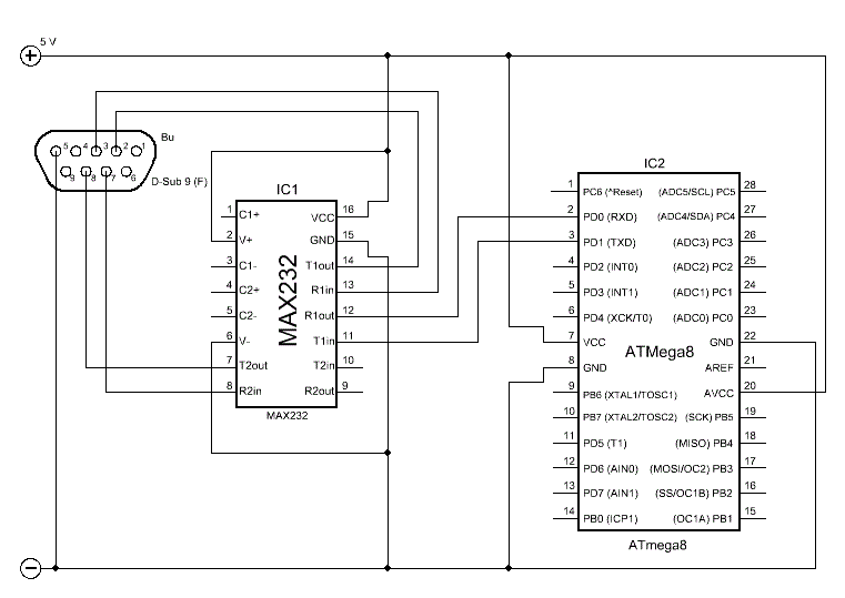
Dominik P. schrieb: > Schaltplan (Foto) im Anhang. Da fehlen schon mal die Stützkondensatoren am µC. Und wenn das rechts der MAX232 ist, sehe ich auch keine Kondenstoren für die Ladungspumpe. Gruß Dietrich
Hallo, Schaltplan im Anhang. Tut mir leid das Ich den vergessen habe. PS: Im Schaltplan ist der Quartz NICHT eingezeichnet, weil der erst später dazu kam. Am besten dazu denken.
> Im Schaltplan ist der Quartz NICHT eingezeichnet
..und zahlreiche Kondensatoren fehlen nicht nur auf dem Brotbrett
sondern auch auf dem Schaltplan.
Datenplatt lesen, Kondensatoren nachrüsten.
Gib mal bei Onkel Google datasheet max 232 ein und lesen dir das Datenblatt mal durch evtl. findet sich auch eine Musterbeschaltung drin.
Dominik P. schrieb: > der Quartz NICHT eingezeichnet Mich schüttelt es immer wieder bei dem Quar"T"z. Bist du sicher, dass du die Fuses passend eingestellt hast? Speziell die clkdiv8 ist gern falsch.
Dominik P. schrieb: > Schaltplan im Anhang. > Tut mir leid das Ich den vergessen habe. Und wo sind die von mir bereits angemahnten Kondensatoren? Schau mal in meiner Schaltung: http://www.mikrocontroller.net/attachment/140571/Cinni-Regler_V1.1_S2_sch.png Das funktioniert. Gruß Dietrich
Dominik P. schrieb: > 20131215_152024.jpg > 4 MB Was das GT-I9505 halt so her gibt. Grüße nach Merken
Anzumerken ist: der controller wird lustig zwischen betrieb und reset herum-floaten. Da fehlt nen pull-up. Die fehlenden Kondensatoren wurden ja schon erwähnt.
ich, nicht du schrieb: > Da fehlt nen pull-up Der ist intern. Aber ein kleines C hilft gegen Störungen ungemein.
Bitte melde dich an um einen Beitrag zu schreiben. Anmeldung ist kostenlos und dauert nur eine Minute.
Bestehender Account
Schon ein Account bei Google/GoogleMail? Keine Anmeldung erforderlich!
Mit Google-Account einloggen
Mit Google-Account einloggen
Noch kein Account? Hier anmelden.



