Hey, Ich habe gerade aus einem Gerät eine Ethernet Buchse ausgelötet weil ich da direkt mit Kabel dran will. Jetzt ist die dabei kaputt gegangen und dann war da ein uC drin. Der ist ca 7 mm auf 12 mm groß und unbeschriftet. Ich hoffe mal das das einfach nur ein Filter ist, weil bei einem anderen Gerät war da kein uC drin. Weis jemand ob der essentiell ist ? :D wäre schlecht wenn ja.
mach doch mal ein Foto. Dennis Sumser schrieb: > Weis jemand ob der essentiell ist ? :D wäre schlecht wenn ja. Die Hersteller von solchen Bauteilen entsorgen auf diesm Wege (Verstecken in irgendwelchen Buchsen) alle alten Bauteile, die sie nicht mehr benötigen. Wird wohl unwichtig sein.
Du hast eine Buchse mit Übertrager erwischt. Die sind immer häufiger. "Nur" zum Kabel dranfrickeln brauchste den Übertrager natürlich nit. Außer du willst diekt einen Enet-Chip anschließen. Dann sollte schon einer zwischen.
Helge A. schrieb: > Du hast eine Buchse mit Übertrager erwischt. Die sind immer > häufiger. > > "Nur" zum Kabel dranfrickeln brauchste den Übertrager natürlich nit. > Außer du willst diekt einen Enet-Chip anschließen. Dann sollte schon > einer zwischen. Also die Buchse sollte weg und dann will ich das Gerät (Ein PowerLine Adapter) via Kabel direkt an einen Raspberry Pi anschließen (der jetzt auch keine Buchse mehr hat). Ist ein Übertrager wichtig ? :D Der sorgt doch eigentlich nur dafür das keine direkte Verbindung besteht oder ? So für galvanische Trennung und so. Wegstaben Verbuchsler schrieb: > mach doch mal ein Foto. > > Dennis Sumser schrieb: >> Weis jemand ob der essentiell ist ? :D wäre schlecht wenn ja. > > Die Hersteller von solchen Bauteilen entsorgen auf diesm Wege > (Verstecken in irgendwelchen Buchsen) alle alten Bauteile, die sie nicht > mehr benötigen. Wird wohl unwichtig sein. Ich wusste es :D Naja er ist klein schwarz 7mm breit ,12mm lang und 4 mm hoch und aus beiden Seiten kommen 6 kleine Beinchen. Nicht wirklich was besonderes. Eben ohne jegliche Beschriftung. Hab ihn leider vorhin weggeschmissen. Frank schrieb: > ... könnt' ja auch ein XPort gewesen sein ... Glaub ich nicht, er hatte die gleiche Größe wie die Buchse ohne uC.
Dennis Sumser schrieb: > Also die Buchse sollte weg und dann will ich das Gerät (Ein PowerLine > Adapter) via Kabel direkt an einen Raspberry Pi anschließen (der jetzt > auch keine Buchse mehr hat). Ich weiß, es spielt keine Rolle ... trotzdem würde ich gern wissen, WARUM :-) > Ist ein Übertrager wichtig ? :D Normal ja ;-) Du kannst es natürlich versuchen, sind ja nur vier Drähte. Falls es tatsächlich funktioniert, stellt sich die Frage, ob Du wirklich auf die zusätzliche doppelte galvanische Trennung zu Deinem Powerline-Adapter verzichten willst.
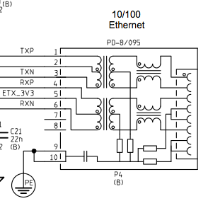
Ich habe mal in den Schematics geschaut: das hast du da weg genommen. Ich würde nicht darauf verzichten wollen.
Dauergast schrieb: > Ich weiß, es spielt keine Rolle ... trotzdem würde ich gern wissen, > WARUM :-) Weil der Raspberry und der Powerline Stecker in ein Gehäuse kommen. Da drin ist einfach kein Platz für ein Lan Kabel. L. P. schrieb: > Fotos bitte.... Nein.Siehe oben. Dauergast schrieb: >> Ist ein Übertrager wichtig ? :D > > Normal ja ;-) > Du kannst es natürlich versuchen, sind ja nur vier Drähte. Falls es > tatsächlich funktioniert, stellt sich die Frage, ob Du wirklich auf die > zusätzliche doppelte galvanische Trennung zu Deinem Powerline-Adapter > verzichten willst. Von wollen ist keine Rede mehr. Ob der Stecker jetzt noch funktioniert ist die Frage. PittyJ schrieb: > Ich habe mal in den Schematics geschaut: das hast du da weg genommen. > Ich würde nicht darauf verzichten wollen. Hm. Ok. Musss da ein bestimmter Übertrager rein ? Sonst kann ich mir ja einen bestellen und den dann da reinmachen ... ?
Dennis Sumser [SixEck] schrieb: > Weil der Raspberry und der Powerline Stecker in ein Gehäuse kommen. Da > drin ist einfach kein Platz für ein Lan Kabel. Nimm zwei RJ45-Stecker und vier einzelne Leitungen, die zu zwei Pärchen verdrillt sind. Damit kannst Du ein 10cm langes und sehr kompaktes Netzwerkkabel basteln, und Du musst nicht an den Geräten herumpfuschen, die ganz sicher nicht besser davon werden, wenn Du RJ45-Buchsen aus Multilayerplatinen herausrupfst.
Rufus Τ. Firefly schrieb: > Dennis Sumser [SixEck] schrieb: >> Weil der Raspberry und der Powerline Stecker in ein Gehäuse kommen. Da >> drin ist einfach kein Platz für ein Lan Kabel. > > Nimm zwei RJ45-Stecker und vier einzelne Leitungen, die zu zwei Pärchen > verdrillt sind. Damit kannst Du ein 10cm langes und sehr kompaktes > Netzwerkkabel basteln, und Du musst nicht an den Geräten herumpfuschen, > die ganz sicher nicht besser davon werden, wenn Du RJ45-Buchsen aus > Multilayerplatinen herausrupfst. Ja ,des wäre voll der Plan, wenn es nicht schon zu spät wäre :D das nächste mal eindeutig die bessere Variante.
Dennis Sumser schrieb: > Ja ,des wäre voll der Plan, wenn es nicht schon zu spät wäre :D das > nächste mal eindeutig die bessere Variante. Je nu, was machst du denn jetzt mit den Center Taps? Einfach weglassen? LG, Sebastian
Sebastian Wangnick schrieb: > Dennis Sumser schrieb: >> Ja ,des wäre voll der Plan, wenn es nicht schon zu spät wäre :D das >> nächste mal eindeutig die bessere Variante. > > Je nu, was machst du denn jetzt mit den Center Taps? Einfach weglassen? > > LG, Sebastian Ich kauf mir wahrscheinlich einen neuen Stecker :/
Hallo, schau mal hier ... Beitrag "Ethernet-PHYs direkt verbinden" Eine Kopplung der PHYs ohne Übertrager sollte schon gehen. Sascha
Bitte melde dich an um einen Beitrag zu schreiben. Anmeldung ist kostenlos und dauert nur eine Minute.
Bestehender Account
Schon ein Account bei Google/GoogleMail? Keine Anmeldung erforderlich!
Mit Google-Account einloggen
Mit Google-Account einloggen
Noch kein Account? Hier anmelden.
