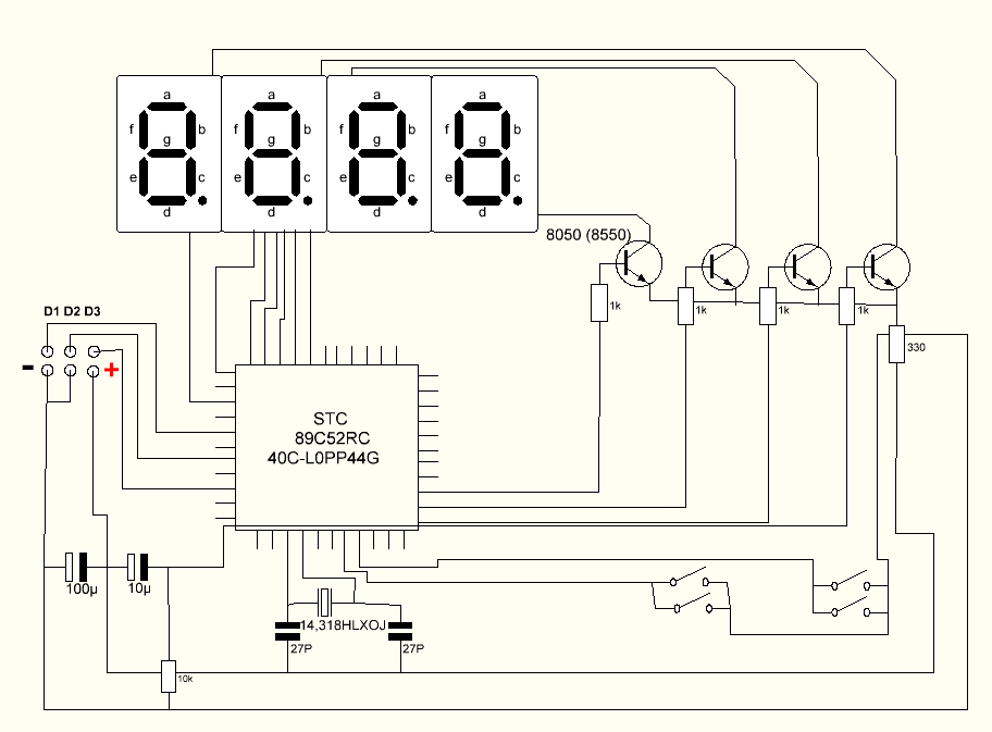
Hallo, ich habe hier einen Funktionsgenerator (obere Platine) auf der man normalerweise mit zwei Tastern die Frequenz einstellen. Linker Taster für UP und rechter für DOWN. Es funktioniert anscheinend nur der rechte. Das zweite problem ist, das die Anzeige nicht richtig funktioniert. Es leuchtet alles irgendwie durcheinander. Wenn ich die UP Taste drücke, wird im Hintergrund angezeigt (kann man leicht erkennen): 1111;2222;3333;4444;5555;6666;7777;8888;9999;0000; ... und immer so weiter. Da ich keinen Schaltplan habe, nur Bestückungssplan, habe ich jetzt mal grob den Schaltplan gezeichnet. Die Schaltung sieht zwar schlecht gelötet aus, habe sie aber auf Kurzschlüsse durchgemssen. Das komische ist auch, wenn ich beim Quarz beide Beinchen miteineander verbinde zeigt mir die Anzeige eigentlich eine einwandfreie Zahl an (aber nicht das was es soll), nur lässt sich mit den Tastern nichts machen. Der Rechte Taster geht auch irgendwie nicht. Weiss da einer von euch weiter?
Entweder der 89C52 ist zerschossen oder dessen Programm. Oder die 4 Transistoren.
Beinchen der kondis zu lang und dringendes reinigen der Platine kann ich nur empfehlen.Smd löten lernen. :)
Peter Dannegger schrieb: > Entweder der 89C52 ist zerschossen oder dessen Programm. > > Oder die 4 Transistoren. Ok Danke für die info. An was ich noch gedacht habe, ist das der 330 ohm Widerstand zu klein für alle 4 Transistoren wäre. Weil ich hab mal einen Zähler mit einem einstelligem Display und nem CD4026 gebaut. Laut Schaltplan ein Widerstand auf Masse. Da wurde mir auch nur so komische Zeug angezeit. Dann hab ich jeweils einen auf nen Pin gelötet und es ging. Tommy Tomatronic schrieb: > Beinchen der kondis zu lang und dringendes reinigen der Platine kann ich > nur empfehlen.Smd löten lernen. :) Okay... Ja SMD löten kann ich. Platine ist von einem Verwandten ;)
Simon R. schrieb: > An was ich noch gedacht habe, ist das der 330 ohm > Widerstand zu klein für alle 4 Transistoren wäre. Apropos. Dieser Widerstand gehört nicht an diese Stelle. Er bewirkt, daß eine Stelle mit wenigen angeschalteten Segmenten (z.B. eine 1) deutlich heller leuchtet als eine mit vielen Segmenten (z.B. eine 8). Widerstände gehören normalerweise in die Segmentleitungen. Die Bilder zeigen gar übles Ghosting. Da scheint einiges in der Ansteuerung (vulgo: im Programm) verbockt zu sein. Oder schlicht karpott. Checke auch mal auf Kurzschlüsse zwischen µC-Pins. XL
Bitte melde dich an um einen Beitrag zu schreiben. Anmeldung ist kostenlos und dauert nur eine Minute.
Bestehender Account
Schon ein Account bei Google/GoogleMail? Keine Anmeldung erforderlich!
Mit Google-Account einloggen
Mit Google-Account einloggen
Noch kein Account? Hier anmelden.





