Hallo, habe eine Schutzschaltung aufgebaut für ein Soundkarten-Oszilloskop. habe jetzt ein paar fragen: 1. Ist diese scahltung so in Ordnung ? 2. Habe die schaltung mit der Software Scope ausprobiert. Wenn ich die Schaltung an eine Wechselspannungsquelle anschließe kommen auch wirklich Sinuswellen an. Nur wenn ich Gleichspannung messe, wird auch kein gerader "Strich angezeigt". kann sein, dass man mit dieser Schaltung keine Gleichspannung messen kann??? 3. Wie kann ich mit dieser schaltung eine PWM einer LED anschauen ? wie muss ich das Anschließen? Die LED wird ja ein Gleichspannung betrieben, geht das dann überhaupt ?? Vielen Dank für eure Antworten Viele Grüße Fabian
Fabian Müller schrieb: > 2. Habe die schaltung mit der Software Scope ausprobiert. Wenn ich die > Schaltung an eine Wechselspannungsquelle anschließe kommen auch wirklich > Sinuswellen an. Nur wenn ich Gleichspannung messe, wird auch kein > gerader "Strich angezeigt". kann sein, dass man mit dieser Schaltung > keine Gleichspannung messen kann??? Das liegt vermutlich dann an der intern Beschaltung der Soundkarte, z. B. könnte ja ein Koppelkondensator drin sein, wodurch reines DC nicht durchkommt. > 3. Wie kann ich mit dieser schaltung eine PWM einer LED anschauen ? > wie muss ich das Anschließen? > Die LED wird ja ein Gleichspannung betrieben, geht das dann überhaupt ?? Die LED wird ja wohl nicht mit Gleichspannung betrieben, sondern mit PWM. Wenn die PWM-Frequenz im Bereich 20 HZ...20kHz liegt (evtl auch etwas höher oder niedriger), wird man das sehen können....
Wie schon gesagt wurde, hat eine Soundkarte einen DC-Filter. Der steckt teilweise in den ICs und kann nicht abgeschaltet werden. Die einzige Möglichkeit DC zu messen ist, das Signal mit einem Träger zu mischen, z.B. 5kHz und diesen dann nach der Digitalisierung herauszufiltern.
Tilo L. schrieb: > Wie schon gesagt wurde, hat eine Soundkarte einen DC-Filter. Der steckt > teilweise in den ICs und kann nicht abgeschaltet werden. > > Die einzige Möglichkeit DC zu messen ist, das Signal mit einem Träger zu > mischen, z.B. 5kHz und diesen dann nach der Digitalisierung > herauszufiltern. ja genau, man sollt das ganze aber abschaltbar machen, um trotzdem die "echte" Information auf dem Träger auch sehen zu können. zumindest hab ich das DAMALS so gemacht (jetzt erinner ich mich wieder :) Die ganze Schaltung wird dann aber wohl kompliziert als deine kleine Schutzschaltung... ein Bereichumschalter, z. B. einstellbarer Spannungsteiler im MOhm-Bereich und Spannungsfolger oder Verstärker wär dann auch noch sinnvoll, wenn man schon dabei ist, sowas zu machen. Ich find aber grad meinen Schaltplan und sonstiges von DAMALS nicht mehr, is schon ne Zeit her, dass ich die Soundkarte als Oszi missbraucht habe...
Eine Gleichspannung wird von dem DC Filter der Soundkarte geblockt. Bei der PWM siehst du bei tiefen Frequenzen (unterhalb der von der Soundkarte vorgesehenen Eingangsfrequenzen) nur das Umladen des Kondensators im DC Filter der Soundkarte. Hier müsste man dann, wie von Tilo L. erwähnt, das Signal mit einem passenden Trägersignal mischen (Stichwort Amplitudenmodulation) und per Software dann wieder rausrechnen.
Hallo zusammen, also dann vielen Dank !!! Was kann man denn dann überhaupt messen???? Ich will es eigentlich nutzen um Bauteile zu testen. Geht das? Kan man einen Component Tester davor bauen? Wenn ja wie?? Vielen Dank Ist echt ein tolles Forum !!! Gruß Fabi
Fabian Müller schrieb: > Was kann man denn dann überhaupt messen???? Das, wofür eine Soundkarte halt gebaut wurde. Kleine Wechselspannungen im hörbaren Frequenzbereich. Mit ein bissel Luft nach oben, schon mäßig gute Soundkarten samplen mit bis zu 192kHz. > Ich will es eigentlich nutzen um Bauteile zu testen. Das geht wunderbar. Du mußt sie halt nur mit einer Wechselspannungquelle "anregen". Praktischerweise mit derselben Soundkarte, die hat ja auch mindestens zwei Ausgänge. Da müssen dann allerdings noch Spannungsverstärker dran und schon kann man wunderbar z.B. die Kennlinie einer LED oder eines Transistors damit aufnehmen.
hallo zusammen, vielen Dank für deine Antwort!!! Tut mir leid wenn ich noch eine Frage habe. Bin Anfänger, möchte es aber unbedingt schaffen. Wenn ich das so mache wie in meiner Schaltung, dann wird mir nur eine ganz normale Sinuskurve ausgegeben. was mach ich falsch?? Könnte mir jemand einen Schaltplan oder einfach irgendwelche Hilfestellungen geben ?? Vielen Dank für eure Bemühungen Meine stromquelle ist ein Wechselstromtransformator. Gruß Fabi
Hallo, Die Soundkarte kann auch Kurven ausgeben, z.B. mit Multisine 1.74 von Sebastian Dunst, In der Schaltung wird eine Halbwelle auf die Flussspannung der LED z.B. 2,3 V begrenzt.
Fabian Müller schrieb: > Wenn ich das so mache wie in meiner Schaltung, dann wird mir nur eine > ganz normale Sinuskurve ausgegeben. > > was mach ich falsch?? > Meine stromquelle ist ein Wechselstromtransformator. Warum ist es falsch, dass Du einen Sinus siehst, wenn Du einen Sinus einspeist? Das einzige "komische" an Deiner Schaltung ist: Du hast keinen Vorwiderstand an der LED. Wenn der Trafo genug Leistung hat, kann die LED zerstört werden (oder schon zerstört sein). Ist der Trafo hochohmig genug, könnte allerdings die LED überleben und der Sinus sollte auf einer Seite etwas abgeflacht sein. Gruß Dietrich
Hallo zusammen, so ich glaube jetzt habe ich es hingebracht. Das sieht doch recht richtig aus. oder? Vielen dank für eure Bemühungen !!!! Gruß Fabi
Sieht gut aus. Ich denke, an den rot markierten Stellen wird die Kurvenform etwas verfälscht, weil die Frequenz mit 50 Hz etwas klein für die Soundkarte ist, sonst passt es. Glückwunsch.
Man sollte nicht erwarten, daß das 230V Netz einen reinen Sinus liefert. Wenn Schaltnetzteile, Dimmer etc. im Spiel sind, ist das Signal so wie gemessen. Oft noch weitaus schlimmer.
Fabian Müller schrieb: > Das sieht doch recht richtig aus. oder? Ja sieht gut aus. Man erkennt, wie die rote LED Deiner Schaltung nur in der positiven Halbwelle leitet und somit die Eingangsspannung belastet. Die Netzspannung an sich ist auch mit Belastung nicht so stark verzerrt. Das solltest Du aber nicht überprüfen ;-)
Hallo, vielen Dank für eure ganzen Antworten. Habe jett noch einen Soundkarten Funktionsgenerator gebaut. Wenn ich jetzt im Funktionsgenerator ein Sinussignal erzeuge und es direkt an mein Oszilloskop dranhänge, wird mir auch ein sinussignal angezeigt. Allerdings wenn ich jetzt dazwischen eine LED hänge, wird mir auch ein normales Sinussignal angezeigt. => Die LED ändert daran nichts Angehängt mein schaltplan. Was amch ich falsch?? Muss ich die LED noch mit spannung versorgen? Vielen Dank Gruß Fabi Ich weis ich bin z.Zt. sehr lästig. tut mir leid. Aber wenn ich das geschafft habe gebe ich hoffentlich eine Ruhe :D.
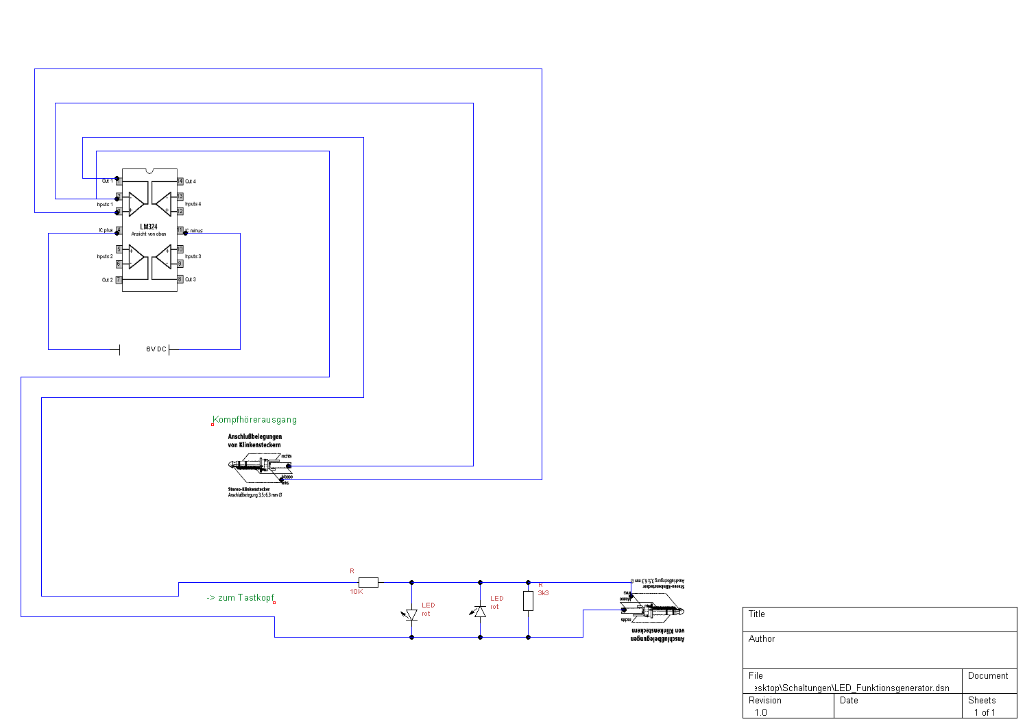
Kann man einen OV dranhängen ?? Hätte noch einen LM 324 DIL daheim. Gruß Fabi
Ja, mit dem OPV ist es besser, ich glaube die Ausgangsspannung der Soundkarte war so 1 V. Dass reicht aus um den OPV anzusteuern.
Fabian Müller schrieb: > Allerdings wenn ich jetzt dazwischen eine LED hänge, wird mir auch ein > normales Sinussignal angezeigt. > > => Die LED ändert daran nichts Die Ausgangsspannung ist wohl zu klein, sodass die LED noch nicht leitet und das Signal nicht belastet. Leider hat die Y-Achse keine Werteangaben, sonst könnte mal das auch belegen. Aber nach dem Bild von 12:52 "wirkt" die LED offensichtlich erst ab 2 Rastern, und Dein Signal hat einen Spitzenwert von nur 1 Raster. Gruß Dietrich
hallo, habe jetzt eine schaltung aufgebaut mit dem LM 324 DIL. Ich mache aber irgendwas falsch. Aus dem OPV messe ich zwar swischen OUTPUT 1 und -INPUT 1 10V. was ist an meiner Schaltung falsch. Wäre um einen schaltplan/ Schaltplanverbesserung echt dankbar. Vielen dank Gruß Fabi
c-hater schrieb: > Fabian Müller schrieb: > >> Was kann man denn dann überhaupt messen???? > > Das, wofür eine Soundkarte halt gebaut wurde. Kleine Wechselspannungen > im hörbaren Frequenzbereich. Mit ein bissel Luft nach oben, schon mäßig > gute Soundkarten samplen mit bis zu 192kHz. Nein, es geht normalerweise IMMER nur bis 20 kHz. Am besten mir einem selbstgebastelten Sweep kalibrieren. Auch bei höheren Abtastratensteck, zumindest bei allen mir bekannten Soundkarten, ein TP mit ner Grenzfrequenz von 20 KHz drin. Fabian Müller schrieb: > Hallo, > vielen Dank für eure ganzen Antworten. > > Habe jett noch einen Soundkarten Funktionsgenerator gebaut. > > Wenn ich jetzt im Funktionsgenerator ein Sinussignal erzeuge und es > direkt an mein Oszilloskop dranhänge, wird mir auch ein sinussignal > angezeigt. > > Allerdings wenn ich jetzt dazwischen eine LED hänge, wird mir auch ein > normales Sinussignal angezeigt. > > => Die LED ändert daran nichts > > Angehängt mein schaltplan. > > Was amch ich falsch?? > Muss ich die LED noch mit spannung versorgen? > > Vielen Dank > Gruß > Fabi Die LED ändert daran auch nichts. An die anderen: DIE LED IST PARALLEL geschaltet. Die wird kaum ne Halbwelle blockieren können. Ich vermute mal es liegt an der Amplitude der Eingangsspannung. Die Soundkarte liefert dir mMn nur bis 1 V Amplitude vernünftige Ergebnisse! Ich würd an deiner Stelle die Schutzbeschaltung dahin erweitern, dass die Amplited maximal +- 1 V sein kann, ehr zur Sicherheit nen Tick weniger. Dann ist auch noch ein Eingangsverstärker mit OPV sinnvoll, der andere Pegel (größer/kleiner) umschaltbar auf 1 V verstärkt. Einen Tipp noch: ich habe DAMALS diese beiden Programme verwendet (Funktionsgenerator und Oszi) http://shmelyoff.nm.ru
Fabian Müller schrieb: > hallo, > habe jetzt eine schaltung aufgebaut mit dem LM 324 DIL. > > Ich mache aber irgendwas falsch. > > Aus dem OPV messe ich zwar swischen OUTPUT 1 und -INPUT 1 10V. > > was ist an meiner Schaltung falsch. > Wäre um einen schaltplan/ Schaltplanverbesserung echt dankbar. > > Vielen dank > Gruß > Fabi Bei dem OPV fehlt ja noch Widerstandsbeschaltung/Rückkopplung? so hast du nur nen Komparator, der immer an die Grenzen der Versorgung aussteuert... Und pass mit den 10V auf, da kann die Soundkarte gleich hin sein (mit deinem Spannungsteiler vermutlich zwar noch nicht, aber man sollte immer vorsichtig sein) EDIT: wie groß ist denn der Spannungspegel des Eingangssignal und was soll dahinter rauskommen? größer oder kleiner?
Hallo, vielen Dank fpür deine Antwort. Gibt es irgendwo dazu einen schaltplan??? Gruß Fabi
Ich weiß ja nicht, was du machen willst. Willst du dein Signal vergrößern oder verkleinern?
Zum Verkleinern ist am besten geeignet: Impedanzwandler (s. google) danach Spannungsteiler und noch ein Impedanzwandler Zum Vergrößern ein nicht *invertierender* Verstärker. Oder, kombiniert, ein invertierender *Verstärker* mit veränderlichen Rückkopplungswiderständen, und nach dem OPV + und - Signale tauschen.
Hallo zusammen, erstmal vielen Dank für eure Antworten. Ich habe ein Soundkarten-Frequenzgenerator in Betrieb. Aus der Soundkarte kommen ca. 0,389 V. Diese muss ich verstärken auf ca. 2 V oder mehr. Ich möchte den Frequenzgenerator an eine LED anschließen. Die LED braucht aber mehr als 0,389 V, deshalb muss ich die Spannung vergrößern. An meine LED will ich dann mein oszilloskop anschließen. Ich hätte ein LM324 daheim, und würde diesen gerne nutzen. Geht das?? jetzt bin ich auf der suche nach einem Schaltplan dafür. Habe selber einen gemacht, doch der funktioniert nicht ganz. Vielen Dank für eure Bemühungen !! Gruß Fabi
LM324 ist dafür leicht geeignet. Schaltung zum Verstärken wäre die einfachste der nicht invertierende Verstärker Artikel: http://www.mikrocontroller.net/articles/Operationsverstärker-Grundschaltungen#Spannungsfolger_.28Impedanzwandler.29 Bild der Schaltung: http://www.mikrocontroller.net/wikifiles/e/e8/Op-spannungsfolger1.png Übertragungsfaktur ist
Auflösen nach den Widerständen etc. solltest du dann selber können, oder? EDIT: und du solltest den OPV vermutlich symmetrisch versorgen, damit er auch negative Spannungen ausgeben kann, oder?
Hi, ich hatte mich mit dem Thema auch mal auseinander gesetzt und diese Seite der FH Münster gefunden... https://www.fh-muenster.de/fb2/personen/professoren/mertens/messadapter.php
SkyperHH schrieb: > Hi, > > ich hatte mich mit dem Thema auch mal auseinander gesetzt und diese > Seite der FH Münster gefunden... > > https://www.fh-muenster.de/fb2/personen/professoren/mertens/messadapter.php schaut ja ganz nett aus, da könnte man sich dran orientieren. Spannungsbegrenzung würde ich allerdings zur Sicherheit schon bei 1 V machen und nicht mit 2 Dioden bei 1,...V. Und ein weiterer Messbereich mV...100V wär auch ned schlecht!
Jonas K. schrieb: > Spannungsbegrenzung würde ich allerdings zur Sicherheit schon bei 1 V > machen und nicht mit 2 Dioden bei 1,...V. Wieso denn dass? Zerstören wirst Du den Eingang bei 2 Dioden sicherlich nicht, und das Signal verzerren soll der Begrenzer ja schon gar nicht, wenn man einigermaßen ordentlich messen will. Gruß Dietrich
hallo zusammen, es funktioniert !!! vielen Dank für eure Antworten!! Echt ein super Forum. habe den Signalgenerator an eine LED angeschlossen und ein Sinussignal erzeugt. Auf meinem Oszilloskop sehe ich nun das. Passt doch so. Oder? Vielen Dank Gruß Fabi
Und was soll das jetzt sein? Du moechtest einen Kennlinioenschreiber? Dann mach Dich mit der Funktion vertraut und wie ein solches Geraet an ein Oszilloskop angeschlossen wird. http://www.elexs.de/oszi3.htm Das Zauberwort heisst XY Betrieb.
Hallo, vielen Dank für deine Antwort. Ich dachte ich wuerde dort die Pulsweite der LED sehen. Wenn ich die mit einem Atmen modeliere musste sich das doch eigentlich ändern oder. Ja so einen ComponentTester wollte ich als naechstes bauen. Verstehe nur nicht ganz was der X und was der Y Eingang ist. Ist X die Leitung im 3.5 mm klinkenstecker und y die kupferadern Drumherum?? Vielen Dank Gruß Fabian
Fabian Müller schrieb: > > Ich dachte ich wuerde dort die Pulsweite der LED sehen. Eine LED hat keine Pulsweite. Wenn Du die der PWM die die LED ansteuert meinst, dann musst dies erst mal aufbauen. > Wenn ich die mit einem Atmen modeliere musste sich das doch eigentlich > ändern oder. Hae? > > Ja so einen ComponentTester wollte ich als naechstes bauen. > Verstehe nur nicht ganz was der X und was der Y Eingang ist. http://de.wikipedia.org/wiki/Oszilloskop http://www.elexs.de/oszi1.htm > Ist X die Leitung im 3.5 mm klinkenstecker und y die kupferadern Nein, Diene Soundkarte hat einen Stereoeingang. beide Kanaela kannst Du getrennt verwenden, eben als Soundkartenzweikanaloszi und wenn es Diene Software zulaesst, kannst Du einen Kanal als X und einen als Y festlegen. > Drumherum?? Naja auf jeden Fall nicht viel drin. Um das zu aendern, liess Dir die Links durch und schaffe Dir Grundlagenwissen zur Elektronik an. Ist ja nett wenn einer einsteigen und was lernen will, aber nur mit Fragerei und ohne sich die Grundlagen im Selbststudium anzueignen ist ein schlechter Weg. Lesen lesen lesen ...
hallo, vielen dank für eure Antworten!! Werde jetzt selber mal ein bisschen rumprobieren. Habe vor diese Schaltung nachzubauen: https://www.fh-muenster.de/fb2/personen/professoren/mertens/messadapter.php Vielen Dank Gruß Fabi
Bitte melde dich an um einen Beitrag zu schreiben. Anmeldung ist kostenlos und dauert nur eine Minute.
Bestehender Account
Schon ein Account bei Google/GoogleMail? Keine Anmeldung erforderlich!
Mit Google-Account einloggen
Mit Google-Account einloggen
Noch kein Account? Hier anmelden.









