Guten Abend, herzlichen Dank erstmal an Mikrocontroller.net für das "Platinenherstellung - die Photopositiv Methode" Tutorial, dieses erweckte in mir die Lust das Ätzen auszuprobieren und so überlegte ich mir ein Projekt. Schon länger wollte ich die FTDI USB<->RS232<->UART Chips ausprobieren, leider habe ich aber bis jetzt nur am Steckbrett gearbeitet und da diese nur als SMD's erhältlich sind war es mir noch nicht möglich diese zu verwenden. (Keine Sorge, das Löten würde ein Lehrer von mir übernehmen und meine ersten Ätzversuche waren sehr erfolgreich ;) ) Mein Projekt sollte eine Anzeige werden, die ich VIA RS232 (bzw über USB) vom PC ansteuern möchte. Ich wäre zufrieden wenn dies bei ersten Versuchen über das Terminal oder LabVIEW funktionieren würde. Das LCD sollte mir auch keine Probleme machen, da ich dafür unlängst selbst eine C++ Klasse geschrieben habe (zwecks Verständnis, da ich mir das Meiste im Eigenstudium beibringe). Ich möchte lediglich einen erfahrenen Elektroniker bitten kurz einen Blick auf die Schaltung zu werfen bevor ich die Platine fertige da ich, wie erwähnt, mit USB und FTDI keine Erfahrung habe. Ich möchte nur verhindern später Fehler zu suchen und herauszufinden, dass sich einer bereits in der Schaltung einschlich. Versorgt sollte das Ganze über den USB werden, da ich wohl 1 Load, sprich 100mA kaum überschreiten werde. Muss ich bei der Versorgung über USB bzw. bei der Verwendung des FTDI irgendetwas beachten? Herzlichsten Dank!
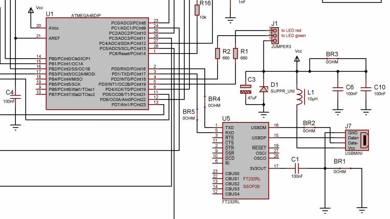
Der Atmega hat keinen Abblockkondensator zwischen GND und VCC. Der FTDI auch nicht. Und Test vom FDTI gehört auf GND.
>Der Atmega hat keinen Abblockkondensator zwischen >GND und VCC. Ahh, hat er doch.
Ich habe einige Schaltungen mit dem FT232RL laufen. Reset lasse ich offen. Eine Induktivität vom USB stecker + zu Vcc (natürlich auf den Abblockkondensator (ich nehme 47µF + 100nF) kann nicht schaden. Die 1k Widerstände in RxD TxD sind nicht notwendig. Wenn deine Baudrate nicht zu hoch ist oder ein weiter Temperaturbereich notwendig ist, dann kannst du anstelle des Quarzes auch den internen 8MHz RC-Oszillator nehmen. Als Anlage ein Auszug aus meiner Schaltung. Die Brücken (BRx sind dem einseitigen Layout geschuldet - einfach wegdenken)
Bei Deiner Schaltung scheinen D+ und D- genau falsch herum an den FTDI angeschlossen zu sein! Schau Dir das noch einmal genau an, such' Dir die Pinbelegung der entsprechenden Buchse und die Standardbelegung vom entsprechenden USB-Verbinder. ...da ich aber aus Erfahrung, von meinen eigenen Eagle-Entwürfen, glaube in Erinnerung zu haben, dass die D+/D- Leitungen zwischen Buchse und FTDI gekreuzt werden müssen - sofern die USB-Buchse nicht gespiegelt ist, wie bei Dir der Fall.
Danke für euere Hilfe! Die Schaltung wurde um eine Induktivität sowie einen Elko an der USB Buchse aufgerüstet, außerdem habe ich D+ und D- vertauscht, ihr hattet recht: die korrekte Pinbelegung ist wie von euch vermutet: Pin1 - VBUS Pin2 - D- Pin3 - D+ Pin4 - GND Danke einhart für den Tipp mit der Induktivität! Diese wirkt quasi mit dem Elko als Tiefpass 2. Ordnung um Störungen zu filtern, richtig? Danke Sascha für deinen genauen Blick!
Ja, ds soll Störungen über die Versorgung ausfiltern. Ich habe solche Schaltungen in einer Industrieumgebung laufen. Hier fließen in Schweißmaschienen Ströme im zweistelligen kA Bereich. Mich wundert es immer noch, dass trotz gut 5m USB Kabel die Controller zuverlässig laufen. Falsch kann der Filter nicht sein. Hast du auch einen zweiten keramischen Kondensator vorgesehen? Der ist notwendig. Einer nah am Prozessor und einer nah am FT232.
Soweit eigentlich nicht, ich dachte es reicht den Abblock Kondensator keramisch auszuführen? Um 'kurzzeitige Spannungseinbrüche' noch stärker zu verhindern?
Wenn du Schaltungen mit mehreren ICs konzipierts, dann solltest du für jeden Baustein einen Kondensator vorsehen und zwar möglichst nah an dessen Versorgungspins. Es geht wahrscheinlich auch mit einem Kondensator - wenn die Bausteine eh nahe beieinander liegen. Aber ein 100nF 0603 Kondensator kostet fast nichts und braucht kaum Raum. Warum also nicht vorsehen? Einer zuviel schadet nicht - einer zuwenig kann fiesen Ärger bereiten (sporadische Fehler).
So, da ich nun doch sehr gestresst war hatte ich erst jetzt Zeit das Projekt fertigzustellen. Dafür allerdings recht erfolgreich. Habe mich dazu entschlossen das gesamte Projekt als SMD aufzubauen. Ich hatte damit kaum Probleme - lediglich die Durchkontaktierungen mittels beidseitig verlöteten Drähten sehen etwas schlampig aus. (Mittlerweile allerdings besser, da ich sie nochmals mit Flussmittel beträufelt und aufgeschmolzen habe.) Softwaremäßig habe ich ein WinAMP plugin geschrieben welches beim Start das LCD einschaltet, den aktuellen Titel aufs Display schreibt und beim Schließen das LCD wieder ausschaltet. Angehängt ein paar Bilder. Danke nochmal für eure Ratschläge!
phy schrieb: > Angehängt ein paar Bilder. Schön. Aber achte das nächste mal bitte ein bischen darauf, wie groß deine Bilder sind. 2MB für ein Bild auf dem man ein LCD sieht, welches auf einer Platein am Tisch liegt, ist eindeutig zu viel. 400 oder 500k tuns dafür auch.
Bitte melde dich an um einen Beitrag zu schreiben. Anmeldung ist kostenlos und dauert nur eine Minute.
Bestehender Account
Schon ein Account bei Google/GoogleMail? Keine Anmeldung erforderlich!
Mit Google-Account einloggen
Mit Google-Account einloggen
Noch kein Account? Hier anmelden.




