Hallo Leute! Bräuchte mal wieder eure Hilfe. Ich Möchte mir ein DZM für meine Simson bauen. Drehzahlbereich 500-10000 U/min. Ich habe mir überlegt das ich das Signal von der Zündung (am Zündkabel) abnehmen möchte. Das müsste ja mit Induktion möglich sein. Nur weis ich nicht wie ich das realisieren soll. Bin in diesem Gebiet Blutiger Anfänger. ein Mega 8 soll die Signale messen und an einen LED Bargraph ausgeben. das Programm sollte kein Problem sein. mir fehlt nur der Ansatz wie ich das Signal Kontaktlos am Zündkabel messen soll. Das heißt mir fehlt auch die Schaltung. Währe cool wenn mir da jemand helfen könnte. Ach ja ich habe eine VAPE und somit eine 12V Zündung. Wenn jemand die Vape kennt und evtl. eine andere Idee hat bin ich dafür gerne offen. Das weiße kabel was vom Zündgeber zur Zündspule geht da könnte mann doch auch abzwacken oder sollte man das lieber lassen der Zündanlage zuliebe.
Peter K. schrieb: > Ich habe mir überlegt das ich das Signal von der Zündung (am Zündkabel) > abnehmen möchte. Das kann man machen. > Das müsste ja mit Induktion möglich sein. Besser ist kapazitiv. Einfach 'ne Blechlasche um's Zündkabel, da ein Draht dran und über einen Widerstand und eine Z-Diode passender Spannung (etwas kleiner als die Betriebsspannung deines Controllers) nach Masse. Der Zählanschluß des Controllers an den Punkt, wo sich Z-Diode und Widerstand berühren. Allerdings sind die so erzeugten Pulse ziemlich schmal. Auswertung also besser mit Interrupt statt mit Polling.
Meist einfacher auf der Primärseite der Zündspule bzw am Geber. Welche Zündung? Kontakt, Transistor oder HKZ?
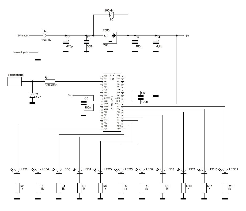
c-hater schrieb: > Besser ist kapazitiv. Einfach 'ne Blechlasche um's Zündkabel, da ein > Draht dran und über einen Widerstand und eine Z-Diode passender Spannung > (etwas kleiner als die Betriebsspannung deines Controllers) nach Masse. > Der Zählanschluß des Controllers an den Punkt, wo sich Z-Diode und > Widerstand berühren. Meinst du in etwa so wie in der schaltung? muss ich außerdem noch etwas beachten damit ich den controller nicht schrotte? H.Joachim Seifert schrieb: > Welche Zündung? Kontakt, Transistor oder HKZ? Das kann ich dir nicht sagen. aber es ist keine mit Unterbrecher bzw. Kontakt. wenn ich den Geber gegen Masse messe habe ich einen Wiederstand von 70 Ohm. also könnte es Transistor sein oder? Siehe Bild vom Stator!
Peter K. schrieb: > Meinst du in etwa so wie in der schaltung? Genau so. > muss ich außerdem noch etwas beachten damit ich den controller nicht > schrotte? Genau dafür sind die zwei Bauelemente da. Mehr brauchst du nicht. Der Widerstand darf nur nicht zu klein sein. Ich würde mit irgendwas bei 470k anfangen. Wenn der µC bei geringer Drehzahl zu viele Impulse sieht, dann Widerstand erhöhen. Wenn er hingegen garnichts sieht oder bei hoher Drehzahl nicht mehr alle Impulse mitbekommt, dann Widerstand verringern. Für ersteres gibt es keine kritische Grenze, für letzteres setzt der maximale Impulsstrom durch die Z-Diode die Grenze. Siehe deren Datenblatt.
Also hier mein Bascom Code und die Schaltung Kann man das so machen ja?
1 | $regfile = "m16def.dat" |
2 | $crystal = 8000000 |
3 | |
4 | Config Adc = Single , Prescaler = Auto , Reference = Avcc |
5 | Start Adc |
6 | |
7 | Config Timer1 = Timer , Prescale = 256 |
8 | Enable Timer1 |
9 | On Timer1 Isr_von_timer1 |
10 | Timer1 = 34285 |
11 | |
12 | On Int0 Isr_von_int0 |
13 | Config Int0 = Rising 'Reagiert auf steigung (von low auf high) |
14 | Enable Int0 |
15 | |
16 | Enable Interrupts |
17 | |
18 | |
19 | Dim A As Word |
20 | Dim B As Integer |
21 | |
22 | Config Portc = Output |
23 | Config Portd.5 = Output |
24 | Config Portd.6 = Output |
25 | Config Portd.7 = Output |
26 | |
27 | Portd.5 = 1 |
28 | |
29 | Do |
30 | |
31 | If A > 10000 Then |
32 | Portc = &B11111111 |
33 | Portd.6 = 1 |
34 | Portd.7 = 1 |
35 | Elseif A > 9000 Then |
36 | Portc = &B11111111 |
37 | Portd.6 = 1 |
38 | Portd.7 = 0 |
39 | Elseif A > 8000 Then |
40 | Ddrc = &B11111111 |
41 | Portd.6 = 0 |
42 | Portd.7 = 0 |
43 | Elseif A > 7000 Then |
44 | Portc = &B01111111 |
45 | Portd.6 = 0 |
46 | Portd.7 = 0 |
47 | Elseif A > 6000 Then |
48 | Portc = &B00111111 |
49 | Portd.6 = 0 |
50 | Portd.7 = 0 |
51 | Elseif A > 5000 Then |
52 | Portc = &B00011111 |
53 | Portd.6 = 0 |
54 | Portd.7 = 0 |
55 | Elseif A > 4000 Then |
56 | Portc = &B00001111 |
57 | Portd.6 = 0 |
58 | Portd.7 = 0 |
59 | Elseif A > 3000 Then |
60 | Portc = &B00000111 |
61 | Portd.6 = 0 |
62 | Portd.7 = 0 |
63 | Elseif A > 2000 Then |
64 | Portc = &B00000011 |
65 | Portd.6 = 0 |
66 | Portd.7 = 0 |
67 | Elseif A > 1000 Then |
68 | Portc = &B00000001 |
69 | Portd.6 = 0 |
70 | Portd.7 = 0 |
71 | Elseif A < 1000 Then |
72 | Portc = &B00000000 |
73 | Portd.6 = 0 |
74 | Portd.7 = 0 |
75 | End If |
76 | |
77 | Loop |
78 | End |
79 | |
80 | |
81 | Isr_von_timer1: |
82 | Timer1 = 34285 ' |
83 | A = B * 60 |
84 | B = 0 |
85 | Toggle Portd.5 |
86 | Return |
87 | |
88 | |
89 | Isr_von_int0: |
90 | B = B + 1 |
91 | Return |
H.Joachim Seifert schrieb: > Welche Zündung? Kontakt, Transistor oder HKZ? Das müsste eine Kondensatorzündung sein. Imho ist das bei Zweitaktern auch das Sinnvollste, weil die Anstiegszeit der Zündspannung kleiner ist als bei anderen Systemen. Zur Signalerzeugung werfe ich mal folgende Idee in den Raum: Einen kleinen Hallsensor zusätzlich an der Gundplatte anbringen. Spart dir zumindest Probleme durch Hochspannung und die Signale müssten auch einwandfrei und ohne zusätzlichen Filteraufwand zu verarbeiten sein. Der Code, na ja, da müsste doch was mit shiften gehen..
Thomas schrieb: > Zur Signalerzeugung werfe ich mal folgende Idee in den Raum: Einen > kleinen Hallsensor zusätzlich an der Gundplatte anbringen. Spart dir > zumindest Probleme durch Hochspannung und die Signale müssten auch > einwandfrei und ohne zusätzlichen Filteraufwand zu verarbeiten sein. Ein Hallsensor ist ein Magnetfeld Sensor oder? Ich weis es zwar nicht 100% aber der Rotor hat doch rund herum Magneten. Wie soll der Sensor das erfassen? Aber irgend wie muss der Impulsgeber das ja auch checken wa? habe mal das mit der kapazitiv Methode gemacht. siehe bild und video bei youtube. http://www.youtube.com/watch?v=wEElCyaDLl0&feature=youtu.be
Peter K. schrieb: > habe mal das mit der kapazitiv Methode gemacht. > siehe bild und video bei youtube. Ausser ein Bisschen Blinken kann ich da beim besten Willen nicht erkennen. Die Anzeige hat mit der (akustisch gehörten) Drehzahl keinen Zusammenhang...
Dödel schrieb: > Die Anzeige hat mit der (akustisch gehörten) Drehzahl keinen > Zusammenhang... ???? Nein ist noch ein bisschen träge! aber das ist schon behoben. Das akustische kann nicht überein stimmen der Motor dreht nur langsam ab. Wenn ich Gas weg nehme dauert es nun mal 2-4 sekunden bis er wieder unten ist obwohl man es nicht hört. das einzige was wirklich stört sind die Aussetzer die im video zu sehen sind. Aber ich bin ja noch am testen mit den Widerständen. Ich nehme die Messung jetzt aller 1/8 sekunde vor. und somit ist die anzeige acht mal schneller (nicht mehr so träge). die grünen leds kommen auch weg. die zeigen mir ja nur das der controller arbeitet.
Peter K. schrieb: > Ich nehme die Messung jetzt aller 1/8 sekunde vor. > und somit ist die anzeige acht mal schneller (nicht mehr so träge). Nein doch lieber 1/4 Sekunde. da ich sonst bei 1000 Umdrehungen nur 2 Interupts pro 1/8 Sekunde habe. wenn nicht sogar 1/2 Sekunde. Das sind bei 1000 Umdrehungen ca. 8 Interupts.
Peter K. schrieb: > Also hier mein Bascom Code und die Schaltung Ohoh, die Schaltung ist falsch, das ist der maximale Härtetest für die Z-Diode. Der Widerstand gehört zwischen die Z-Diode und die Blechlasche. In deiner ursprünglichen Schaltung war der Widerstand noch an der richtigen Stelle.
Hallo, wofür ist die Z-Diode denn genau gut? Würde man nicht bessere Signale bekommen, wenn man direkt an die Primärseite der Zündspule geht?
Bitte melde dich an um einen Beitrag zu schreiben. Anmeldung ist kostenlos und dauert nur eine Minute.
Bestehender Account
Schon ein Account bei Google/GoogleMail? Keine Anmeldung erforderlich!
Mit Google-Account einloggen
Mit Google-Account einloggen
Noch kein Account? Hier anmelden.




