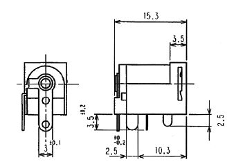
Hallo miteinander, Ich wollte fragen wie man den Netzstecker (Bild) am besten auf eine Platine lötet. Für mich macht es wenig Sinn für die dünnen, breiten Anschlussbleche eine 3mm Bohrung vorzusehen. Wie würdet ihr das machen? Danke für Antworten und Gruss, Sam
Warum kein Lochbohren und den Stecker dann von unten anlöten, ist doch Stabiler als die Kontakte hoch zu biegen und dann zu löten. Finde ich.
Samuel schrieb: > Ich wollte fragen wie man den Netzstecker (Bild) am besten auf eine > Platine lötet. Für mich macht es wenig Sinn für die dünnen, breiten > Anschlussbleche eine 3mm Bohrung vorzusehen. Loch bohren geht meist schon, ist aber nicht ideal. Besser passend wäre eine durchkontaktierte Schlitzfräsung. Dafür verlangen viele Platinenfertiger aber Aufpreis. Daher würde ich Buchsen nehmen, die nicht diese Schlitze erfordern, sondern für Bohrlöcher/Printmontage gemacht sind. Ich nehme am liebsten Cliff FCR681465P. Die haben auch noch den Vorteil, daß sowohl 2,1 als auch 2,5mm Stecker passen und durch die integrierte Feder besonders guter Kontakt hergestellt wird. Das ist was ganz anderes als diese Wackelteile dies z.B. beim Reichelt gibt. Die Cliffs bekommst Du beim Farnell, Bürklin oder Conrad.
Bitte melde dich an um einen Beitrag zu schreiben. Anmeldung ist kostenlos und dauert nur eine Minute.
Bestehender Account
Schon ein Account bei Google/GoogleMail? Keine Anmeldung erforderlich!
Mit Google-Account einloggen
Mit Google-Account einloggen
Noch kein Account? Hier anmelden.
