Hallo, Ich habe bei Streifzügen durch's Netz den angehängten Dämmerungsschalter entdeckt (hier: http://bastelmolch.ba.funpic.de/licht.HTM im Dokument nach "Dämmerungsschaletr" suchen). Der sieht für mich eigentlich recht verständlich und einfach aus, mir würde nur eine Verzögerung fehlen, d.h. der eingestellte Schwellwert soll X Sekunden anliegen, bevor ein Wechsel erfolgt, um z.B. beim Durchfahren einer Unterführung oder einer Allee keine Discostimmung zu erzeugen. Mit solchen Dingen kenne ich mich nun gar nicht aus und habe auch nichts gefunden, was in diesem Zusammenhang erklärt würde. Wäre jemand so nett, mich da in die richtige Richtung zu schubsen, nach was ich suchen muss? Mir fiel nur ein, dass ich wohl mal etwas von einem Poti + Kondensator gelesen habe, aber ob das dafür geeignet wäre? Schön wär's auf alle Fälle, denn dann könnte ich die Dauer gut regeln und auch den Schwellwert. Wenn das nicht einfach zubewerkstelligen ist könnte ich mich auch auf 2 - 4 Sekunden festlegen. Zudem würde ich das gerne wie im Bild angedeutet in umgekehrter Funktion nutzen, d.h. das Relais soll schalten, wenn es dunkel ist. Nun muss die Dunkelheit aber zuverlässig erkannt werden, ein entgegenkommendes Licht darf nicht zum Abfallen des Relais führen. Eignet sich diese Schaltung dafür überhaupt oder wäre eine Andere (welche?) empfehlenswerter? Vielen lieben Dank & gute Nacht.
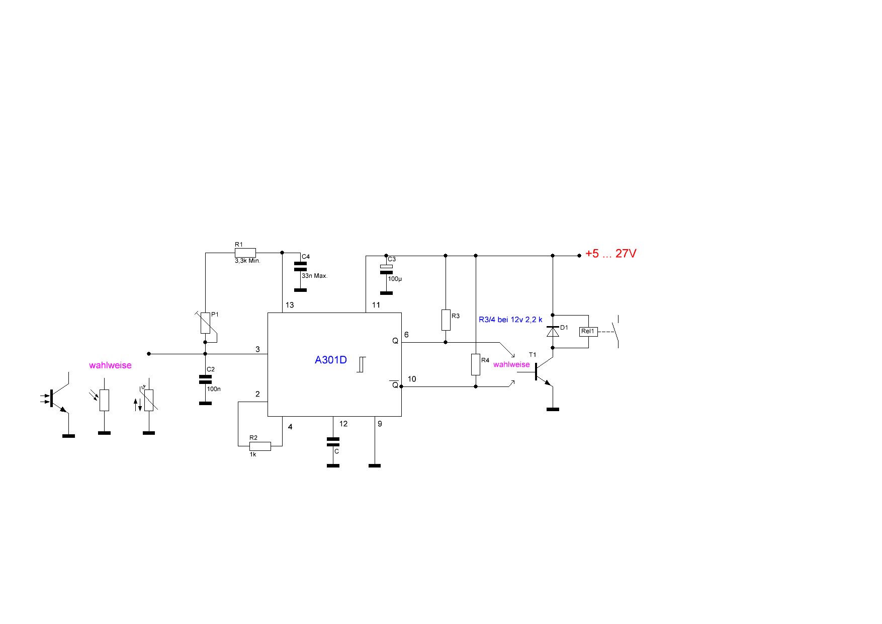
Harald schrieb: > d.h. der eingestellte Schwellwert > soll X Sekunden anliegen, bevor ein Wechsel erfolgt, um z.B. beim > Durchfahren einer Unterführung oder einer Allee keine Discostimmung zu > erzeugen. für sowas hab ich den a301d verwendet. der hat dafür extra nen anschluss. den ic kann man sehr einfach als schmittrigger beschalten. ein genügend großer kondensator am "c" anschluss nach gnd und solche flackereffekte bleiben aus. der ic hat zudem zwei schaltausgänge (open kollektor 27v/50ma) q und q negiert. da kann man sich entscheiden ob das relais bei dunkelheit anziehen oder abfallen soll. jumper..? http://bg-electronics.de/shop/product_info.php/products_id/1077 oder halt in der bucht ordern. ach ja der a301d ist nicht!!! anschluss und datengleich zum tca205!!! auch wenn das immer wieder mal behauptet wird... der ic ist eine ddr eigene klauentwicklung vom hfo.
Bloss weil in der Überschrift perfekt funktionierend steht, heisst das doch noch lange nicht, dass er perfekt funktioniert, trotz 12V ist er sicher nicht fürs Auto gedacht. Ein LDR ist schon von alleine recht langsam, willst du es noch langsamer kannst du einen Elko zum LDR parallelschalten. Dann reagiert es bei schnell ganz hell werden trotzdem schnell. Soll es auch dann langsam sein, schalte zwischen LDR und Elko einen 1MOhm Widerstand, vom Elko geht es zum IC. Fürs Auto ist es natürlich nutzlos, wenn es erst einschaltet, wenn der Tunnel vorbei ist.
dolf schrieb: > für sowas hab ich den a301d verwendet. > der hat dafür extra nen anschluss. Schaltplan.
Harald schrieb: > Der sieht für mich eigentlich recht verständlich und einfach aus, mir > würde nur eine Verzögerung fehlen, d.h. der eingestellte Schwellwert > soll X Sekunden anliegen, bevor ein Wechsel erfolgt, um z.B. beim Hallo! Du musst umdenken: erst wenn es wieder eine Zeit x hell ist, darf wieder ausgeschaltet werden. Dazu brauchst du zum Schwellwertschalter 555 noch ein nachtriggerbares Monoflop für x Sekunden (z.B. auch ein 555) nachschalten. Einfahrt in Tunnel: Licht sofort an; nach dem Tunnel leuchtet es halt noch 'ne Weile. Bei schnellen hell/dunkel Phasen (Allee) leuchtet es dann ständig.
Bitte melde dich an um einen Beitrag zu schreiben. Anmeldung ist kostenlos und dauert nur eine Minute.
Bestehender Account
Schon ein Account bei Google/GoogleMail? Keine Anmeldung erforderlich!
Mit Google-Account einloggen
Mit Google-Account einloggen
Noch kein Account? Hier anmelden.

