Hallo, wir sind gerade dabei einen SAE800 an einen PC-Lautsprecher anzuschließen. Aber das Problem was wir haben ist, dass das Signal nur sehr Leise herauskommt ?? Wenn wir einen normalen 8 Ohm Lautsprecher direkt anschließen funktioniert alles tadellos... Bei Anschluß eines Pc-Lautsprecher(integrieter Verstärker) über einen Klinkenanschluß bekommen wir ein lautes verzerrtes Signal. Bei Anschluss einen Entkopplungskondenstator in Reihe an Ausgang "Q" bekommen wir ein klares Signal aber sehr leise. Unsere Ziel: Wir möchten das Signal aus "Q" auf einen Pc-Lautsprecher geben via Klinke und dieses Signal mittels des Reglers am Lautsprecher lauter oder leise einstellen können. Bitten um Hilfe! Mfg
Das geht nicht so einfach. >The loudspeaker must be connected directly between > the output Q and the power supply VS . The current-sink principle [...] > The output stage consists of an NPN transistor with its emitter on > power GND and collector on pin Q. Also statt eines Lautsprechers einen Widerstand zwischen Q und Vss und das Signal mit einem Koppelkondensator von Q abgreifen.
Benjamin Folk schrieb: > Bei Anschluss einen Entkopplungskondenstator in Reihe an Ausgang "Q" > bekommen wir ein klares Signal aber sehr leise. Da fehlt die Last. Man muss statt des Lautsprechers einen Widerstand anklemmen, und dann über Kondensator zum Verstärker.
Moin, also wir haben schon zwischen Q und Vss einen 20kOhm Wiederstand geklemmt und 100nF Entkopplung in Q Strang angeklemmt. Auf die Klinke haben wir dann das Signal von Q (hinterm Kondensator) und das Signal von Vss angeklemmt geht immer noch nicht entweder extrem laut und dann ist es total übersteuert oder es ist extrem leise oder ?? Mfg
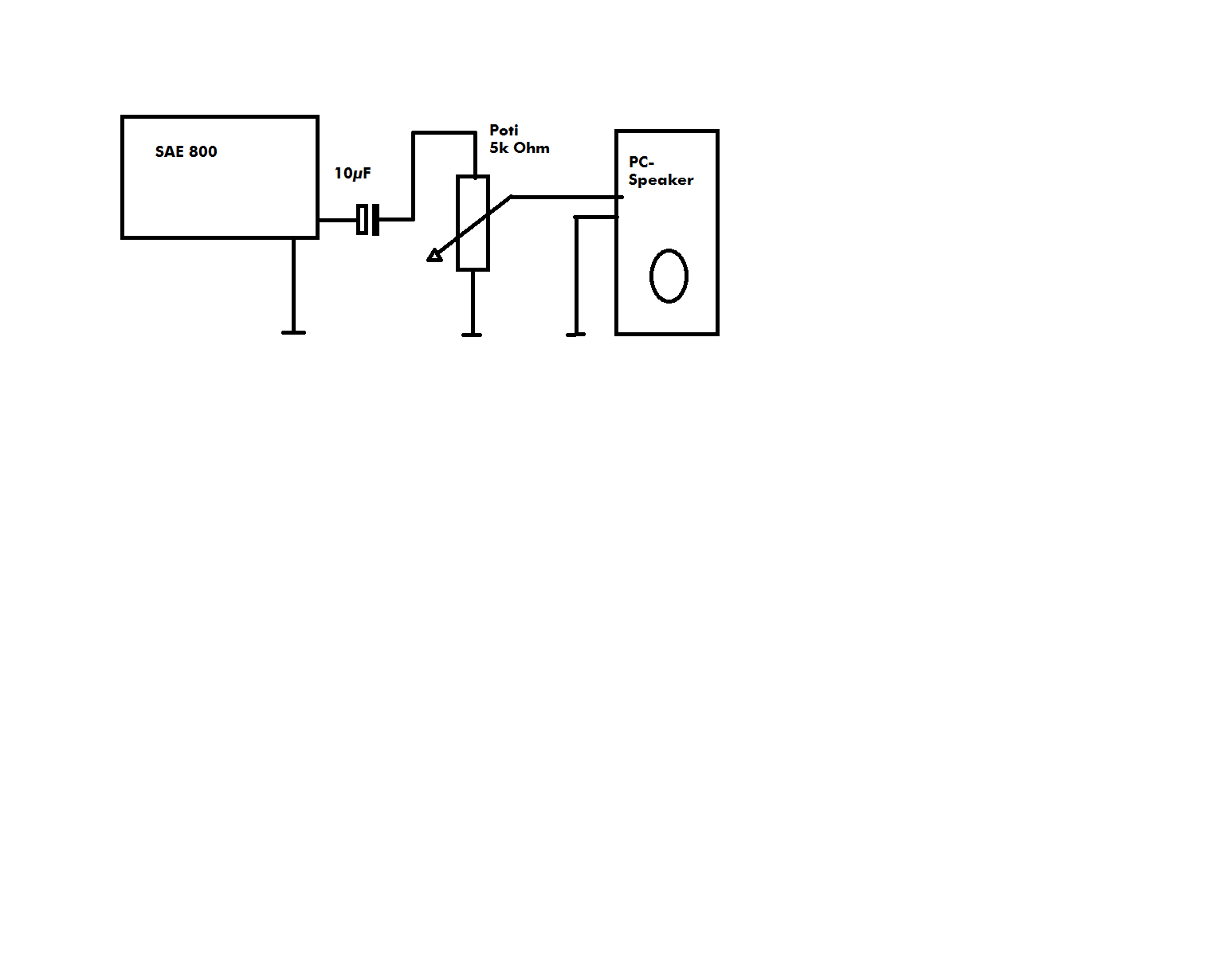
Der Ausgangspegel des SAE800 ist zu hoch für den Eingang eines PC Lautsprechers. Den Kondensator am SAE800 kannst Du dranlassen ( z.B. 10µF ). danach solltest Du ein Poti mit z.B. 5k Ohm in die Leitung bauen. Den "Schleiferkontakt" des Potis verbindest Du mit dem Lautsprecher input. Den einen äusseren Anschluss des Potis mit dem Kondensator und den anderen mit "Masse". Wichtig alle "Massen" ( Minuspol, Abschirmgeflecht ) müssen zusammengeschaltet werden. Nun solltest Du am Poti einen Pegel einstellen können, mit dem dein PC Lautsprecher zurechtkommt.
Bitte melde dich an um einen Beitrag zu schreiben. Anmeldung ist kostenlos und dauert nur eine Minute.
Bestehender Account
Schon ein Account bei Google/GoogleMail? Keine Anmeldung erforderlich!
Mit Google-Account einloggen
Mit Google-Account einloggen
Noch kein Account? Hier anmelden.
