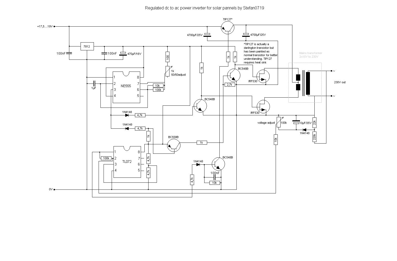
Hallo, ich habe mir einen Wechselrichter gebaut. 2x IRF530 für die Sekundäre Seite vom Trafo, und einen TIP127 an die Mittelanzapfung. Dazu als Takt einen NE555 und einen TL072 der mir die IRF530 s reglet. Nun habe ich max. 40-50W Out ohne das mir die Spannung eibricht. Den TIP127 der an der Mitelanzapfung des Trafos ist, möchte ich gegen einen IRF5305 ersetzen. Nun muss ich ja zwischen Gate und Source einen Pulldownwiederstand einbauen, damit der Mosfet nachgeregelt wird. Jetzt stellt sich bei mir die Frage, wie große muss dieser sein?
Ihr Zug nach Hinterkleinsiehstenich fährt heute um 18:30 von Gleis 8. Schaltplan??
Effizienz ist was anderes. Aber wie dem auch sei. 2k2 dürften gehen, damit erreichst du eine ausreichende Aussteuerung. Wenn dein Wandler stattdessen kalt bleiben soll, bau eine Steuerung mit variabler Totzeit. Dann brauchst nit so viel verheizen.
Helge A. schrieb: > Effizienz ist was anderes. Aber wie dem auch sei. 2k2 dürften gehen, > damit erreichst du eine ausreichende Aussteuerung. Vielen Dank
Also galvanisch ist die Schaltung von den 230V ja nicht getrennt. Wenn ich jetzt Masse und die 230V Seite behrühren würde, könnte ich ja einen Schlag bekommen. Wie sieht das nur an der Eingangspannung aus? Den 7812 lasse ich ja ganz weg und speiße direkt ein. Wenn ich jetzt die Kiste im Auto betreibe, würde ich ja wenn ich nur Masse behrühre von der Batterie oder die Karose theoretisch keinen schlag bekommnen?
Ohje. Was für ein Heizlüfter. Mag für 5W gut genug sein, aber viel mehr und Du kannst Dir mit dem Ding die Haare föhnen. Da ist auch nichts dran zu retten, eine PWM-Regelung nachzurüsten kommt einem Neubau gleich.
Bitte melde dich an um einen Beitrag zu schreiben. Anmeldung ist kostenlos und dauert nur eine Minute.
Bestehender Account
Schon ein Account bei Google/GoogleMail? Keine Anmeldung erforderlich!
Mit Google-Account einloggen
Mit Google-Account einloggen
Noch kein Account? Hier anmelden.
