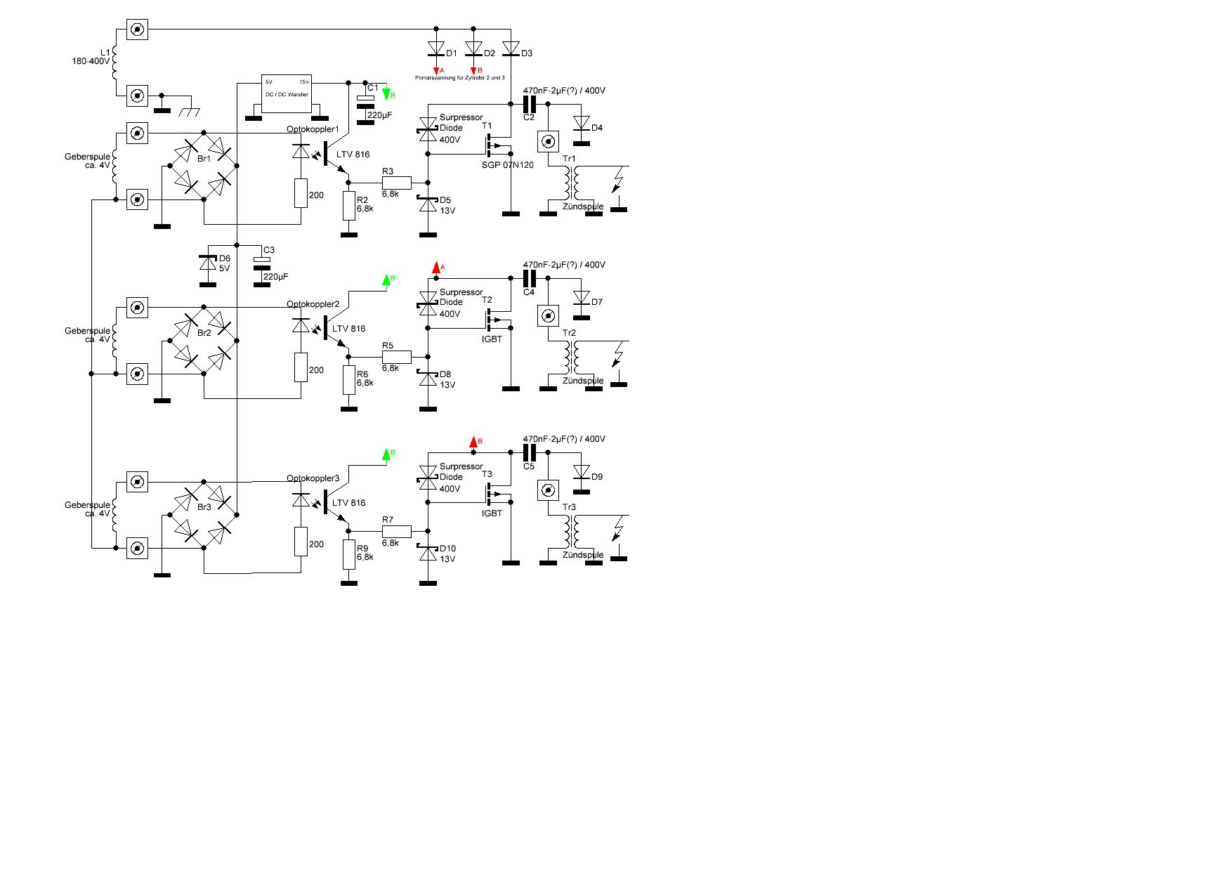
Hallo! Es handelt sich hier um einen 3 Zylinder Bootsmotor, bei dem die CDI das zeitliche gesegnet hat und ein Ersatzteil zu teuer wird. Zum Plan: Es gibt so schöne IGBT´s die den Anforderungen voll entsprechen aber keine Schaltungen dafür - zumindest nicht für CDI´s sondern nur für 12V... Am Motor verbaut: - 3 Geberspulen im Stern, die je ca. 4V liefern (sollen) - 1 Erregerspule mit 2 Anschlüssen, die 180 - 400V liefern (soll) Anbei mein Entwurf... Was meint Ihr dazu?
R. T. schrieb: > Was meint Ihr dazu? Frag lieber nicht. R5, R17 und R21 sind überflüssig, finde selbst raus warum. Weiterhin willst du die IGBT mit lächerlichen ca. 3V einschalten, naja. Und das Ausschalten zieht sich dann solange hin, bis der nächste Impuls kommt, d.h. die gehen gar nicht aus.
Hallo AmoR! Zitat: "R5, R17 und R21 sind überflüssig" Stimmt. Entladung des Gate erfolgt ja auch über R3/R14. Danke! Wie kommst Du auf 3V? 4V~ Eingang -> Graetz = 5,6V. Kommen also ~5V am Gate an!? Der SGP 07N120: IGBT TO-220 1200V 16,5A 125 W ist mit Uge(th) = 3 V angegeben... http://www.reichelt.de/IGBTs/SGP-07N120/3/index.html?&ACTION=3&LA=2&ARTICLE=90413&GROUPID=2888&artnr=SGP+07N120 Zitat: "Und das Ausschalten zieht sich dann solange hin, bis der nächste Impuls kommt" Bei 7000 rpm bin ich bei ca. 60Hz. (2 Takter ohne Verteiler) Der IGBT hat: Short circuit withstand time – 10 μs Input capacitance: 720pF Sollte das nicht reichen zum öffnen / zünden?
R. T. schrieb: > Der > SGP 07N120: IGBT TO-220 1200V 16,5A 125 W > ist mit Uge(th) = 3 V angegeben... Ja für 350µA Kollektorstrom. Für ein paar Ampere braucht man eher 7V. Vielleicht gibt's da ja noch ein Bordnetz, damit spart man sich die ganzen Gleichrichter, und 12 Volt reicht dicke für die Gates. Notfalls auch mit einer Kaskade die Spannung verdoppeln. Braucht ja nicht viel Strom. Bleibt noch die Frage, warum nicht eine gleichgerichtete Spannung für alle 3 Gates ausreicht.
Wie schauts mit Diodenstrecken aus, die dir noch einen Spannungsabfall erzeugen?
Seite 2 im Datasheet steht aber: Collector-emitter saturation voltage: VGE = 15V, IC=8A - Typ. 3.1V max. 3.6V Habe ich da was falsch verstanden?
>Bleibt noch die Frage, warum nicht eine gleichgerichtete Spannung für >alle 3 Gates ausreicht. Dann guck mal, wo der Anschluß A hinter D2 und D5 hinführt....
R. T. schrieb: > Wie kommst Du auf 3V? 4V~ Eingang -> Graetz = 5,6V. Kommen also ~5V am > Gate an!? Du hast ja tolle Dioden, so ganz ohne Flussspannung. > Der > SGP 07N120: IGBT TO-220 1200V 16,5A 125 W > ist mit Uge(th) = 3 V angegeben... Ja, da fängt er gerade an ein kleines bischen zu leiten. Schau mal auf Seite 5 des Datenblatts. Aber IGBTs sind da eh nicht sinnvoll, nimm Thyristoren, ganz ohne Graetzbrücke und Optokoppler.
R. T. schrieb: > Wie kommst Du auf 3V? 4V~ Eingang -> Graetz = 5,6V. Kommen also ~5V am > Gate an!? Von den 5,6V darfst du 2Uf abziehen, macht 4,2V und dann nochmal die Ube vom Optokoppler-Transistor, macht dann 3,5V am Emitter. Die Ausschaltzeitkonstante ist Cin*(R3+R14), Wobei Cin die wirksame Eingangskapazität ist und nicht irgendein Wert im DB.
RT fragte: >Collector-emitter saturation voltage: VGE = 15V, IC=8A - Typ. 3.1V max. >3.6V Das ist die Sättigungsspannung, die zwischen Kollektor und Emitter abfällt, nicht die Spannung zuwischen Gate und Emitter, um ihn "voll aufzumachen"
Zitat: "Das ist die Sättigungsspannung, die zwischen Kollektor und Emitter abfällt" Stimmt! Entschuldigung! Hast recht! Gate-emitter threshold voltage: Typ 4V bei Ic 350µA und bei 20A sollten es schon Vge=9V sein :-( Vielen Dank für Deine Erklärungen! Zitat: "Vielleicht gibt's da ja noch ein Bordnetz" Davon wollte ich unabhängig bleiben. Der Akku ist zu oft (ungewollt) leer :-( Kaskaden-IC habe ich irgendwo schon mal gesehen... irgendwie von 5V auf 15V oder so... Daran dachte ich auch schon... Finde den aber nicht mehr bei Reichelt. Und von 400V -> 15V runter... Bestimmt möglich, aber angegeben ist ein Bereich von 150V~ bis 400V~, d.h. bei max. Drehzahl wäre viel Strom in Wärme zu wandeln :-(
Dieselwolf schrieb: >>Bleibt noch die Frage, warum nicht eine gleichgerichtete Spannung für >>alle 3 Gates ausreicht. > > Dann guck mal, wo der Anschluß A hinter D2 und D5 hinführt.... Ja die Hochspannung ist für alle gleich. Ich meinte die Spannung an den Kollektoren der Optokoppler. Da hat er ja jetzt die vermeintlichen 5,6V, und das sollen ja 10-12V werden. Aber für alle gemeinsam. Die Emitter der IGBTs sind ja auch verbunden, das ist schon OK so.
Hab ihn gefunden! TMA 0515S DC/DC-Konverter, TMA Serie, 5 / 15 VDC 65mA Brauch ich ja nur 1x, wenn ich die + der Graetz zusammen schalte ;-) Widerstand und Z-Diode vor dem DC/DC und schon passt´s mit der Gate-Spannung! Oder?
Bau das Ding lieber so auf, wie das Original war. Also mit Thyristoren statt IGBTs. Das hat 40 Jahre lang so funktioniert und wird es auch weiterhin tun. Ich hatte mal eine CDI aus einem 70PS Dreizylinder-Zweitakter Fabrikat Evinrude repariert. Da war nur der Ladekondensator (also das, was ein Deinem Schaltplan C1/C3/C5 ist) defekt. Ich glaube, mich an 1µF / 450V erinnern zu können. War aber nur ein C, nicht drei. Die Zündladespule (bei Dir L2) hat genug Dampf, den wieder aufzuladen, bis der nächste Zylinder an der Reihe ist. Der Rest (Thyristoren) war in Ordnung. Das "Entgießen" der Schaltung vor der Reparatur war aber einigermaßen mühselig. Im Backofen auf 150° erhitzen und die dann weichgewordene Vergußmasse mit dem Schraubenzier rauspulen. Viel Erfolg! Die Zündungen als Ersatzteile sind wirklich grässlich teuer...
Thyristor find ich auch passender. Kondensatorentladung hat den Vorteil, dass am Ende der Thyristor von selbst wieder aus geht. Nur kurz am Gate pulsen, und das Ding leitet. Da könnte man auf die Idee kommen, das eine oder andere Bauteil wegzulassen - warum nicht gleich die Geberspulen ans Gate des Thyristor und gut is. Versuch macht klug.
Zitat: "Bau das Ding lieber so auf, wie das Original war. Also mit Thyristoren statt IGBTs. Das hat 40 Jahre lang so funktioniert und wird es auch weiterhin tun." Ich lese aber öfter, dass die CDI getauscht wurde... Warum musstest Du dann eine CDI Reparieren? Denke mal, dass der Schwachpunkt der von Dir genannte Kondensator ist. Hin und wieder auch die "kleinen" ELKOs, die gerne mal austrocknen. Zitat: "Das "Entgießen" der Schaltung vor der Reparatur war aber einigermaßen mühselig. Im Backofen auf 150° erhitzen und die dann weichgewordene Vergußmasse mit dem Schraubenzier rauspulen." Das wäre ein Versuch wert! Danke für den Tip mit den 150°C! Zitat: "Die Zündungen als Ersatzteile sind wirklich grässlich teuer..." Wie war! Bin jetzt bei Reichelt bei 18,-€ Warenwert ;-) Kommt noch die Platine dazu. Ich denke, bevor ich 250,-€ bis 500,-€ ausgebe, lohnt sich der "Aufwand", der eigentlich kaum einer ist, dank modernster Bauelemente ;-) Vorteil auch hierbei: ich kann noch einen Frequenzteiler 1/2 einbauen, damit mein Drehzahlmesser (für 4 Takter) wieder stimmt ;-)
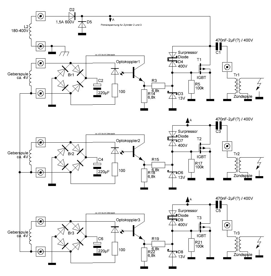
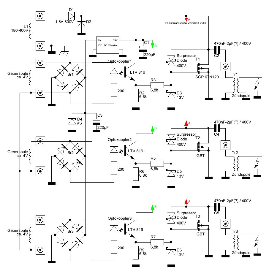
Hier nun überarbeitet... THEORETISCH könnte man R3, D3, R5, D5 und R7, D7 weglassen (denke ich) Die übernehmen "nur" Schutzfunktionen für den Fall des Falles (IGBT stirbt oder Überspannung irgendwo her) Ich hoffe, ich habe an alle Bedenken von Euch gedacht!?
R. T. schrieb: > Ich hoffe, ich habe an alle Bedenken von Euch gedacht!? Bau mindestens zwei von deinen Schaltungen, und hab die auch immer an Bord. Das wäre mit Thyristoren nicht nötig.
Die Geberspulen erzeugen "Drehstrom" im weitseten Sinne. Da muss man nicht mit zwölf Dioden ran und das dann "irgentwie" parallel schalten... DAS lässt sich komfortabler gleichrichten, so wie in jeder Lichtmaschine. Das fällt mir dazu ein. Man kann auch einfach die Wechselspannung, die ja da raus kommt (kommt doch, oder?) mittels einer einfachen Dioden-Kondensator Kaskade etwas hochsetzen. Dafür braucht man keinen Step-up Boost extra kaufen. aber bequem ist's. Gibt es ja fertig. Du musst zusehen, das Du so wenig Bauteile, wie möglich verwendest. Das muss robust sein.
Hallo, die CDI-Zündungen sind einfacher aufgebaut wie man denkt. IGBTs sind da eher Kontraproduktiv, der Thyristor ist da das Mittel der Wahl. IGBTs werden eher für Autozündungen verwendet (Bosch hat da ganz nette Sachen die sogar den Strom selbsttätig begrenzen wenn die Dwellzeit zu lange ist) bei denen die Zündspule noch einen dicken Eisenkern hat. Diese Zündspulen funktionieren komplett anderst im gegensatz zu einer CDI. Bei den "dicken" Zündspulen wird über die Primärwicklung ein Magnetfeld im Kern aufgebaut, gezündet wird wie früher bei der Kontaktzündung in dem der Primärstrom schnell unterbrochen wird. Da sind IGBTs gut dafür, da hoher Strom und hohe Induktionsspannung auftreten. Weiterhin kann man ja einen Thyristor nicht so ohne weiteres ausschalten wenn sein Haltestrom nicht unterschritten wird... Die "Zündspule" in einer CDI ist eher ein Zündübertrager, es findet keine magnetische Energiespeicherung im Spulenkern statt. Die benötigte Zündenergie wartet im Kondensator bis der Thyristor sie raus lässt.... Im Anhang mal ein Bild einer einfachen CDI, wie sie zu Tausenden in Zwei oder Viertaktmotoren in Motorrollern oder sonstigen Kleinverbrennern verwendet wird. Die Hochvoltladeanker haben genug Dampf um den Kondensator schnell genug wieder nachzuladen bevor der nächste Topf dran ist. Drehzahltechnisch fliegt dir eher der Motor auseinander als das die CDI nicht mehr schneller Zünden kann. (Genug Zündspannung vom Hochvoltladeanker vorausgesetzt...) Eine gute Seite ist www.transmic.net Da gibts auch DC-CDIs mit Schaltplänen. Davon hab ich auch schon einiges abgewandelt und nachgebaut. Meine alte Vespa fährt z.B. mit dem Piaggio nachbau im Anhang seit 2 Jahren wunderbar (und ich jeden Tag zur Arbeit damit) www.motelek.net ist auch sehr gut, da gibts sehr viel Hintergrundwissen zu der CDI Technik. Da hab ich auch das Bild im Anhang her. Ein gut gemeinter Tip noch: Wenn du die selbstgebaute Zündung ausprobieren willst, mach das erst mal mit einem Impulsgenerator und einer anderen Hochspannungsquelle als "trockenübung". Sollte ein Zylinder zu spät feuern gibts ausser einem Knall im Auspuff nichts weiter schlimmes. Wird aber sehr viel zu früh gezündet bekommt der Kolben mächtig was aufs Dach und die Mechanik des Motors wird sehr stark belastet. Wenns dumm läuft bekommt nen Pleuel lange Augen oder die Kurbelwelle einen Hau weg, dann wirds sehr teuer und aufwendig... (eigene leidvolle Erfahrung mit einem Zweitakter an dem der Zündgeber durch Vibrationen verrutscht ist.) Grüße Rolle :-)
> Ich lese aber öfter, dass die CDI getauscht wurde... > Warum musstest Du dann eine CDI Reparieren? Weil sie kaputtgegangen ist ;-) Die Bootswerft tauscht nur, dem Bootsbesitzer war der Ersatzteilpreis etwas hoch, folglich habe ich mal danach geschaut. > Denke mal, dass der Schwachpunkt der von Dir genannte Kondensator ist. Das war ein selbstheilender MP-Typ, aber irgendwann nach unzähligen Durchschlägen hatte der sich mal die meiste Kapazität "weggeheilt" . > Hin und wieder auch die "kleinen" ELKOs, die gerne mal austrocknen. Wie gesagt, der Rest war OK. > Das wäre ein Versuch wert! Danke für den Tip mit den 150°C! Das geht aber nur bei der alten Baureihe der CDI mit Alugehäuse. Die neuen stecken in einem "Plastikbecher", der vermutlich bei der Temperatur, bei der das Gießharz weich wird, ebenfalls die Form verliert. > Zitat: "Die Zündungen als Ersatzteile sind wirklich grässlich teuer..." > Wie war! Wie eigentlich alles, was für Boot oder Flugzeug ist. Vermutlich weil Stückzahlen klein, Zulassungsaufwand hoch und Kundschaft üblicherweise zahlungskräftig ;-)
Die Brückengleichrichter in Deiner Schaltung sind übrigens grober Quatsch. Die Geberspulen sind nur für das Timing der Zündung gedacht, ich vermute, da lässt sich nicht nennenswert Leistung entnehmen. Wenn Du schon unbedingt eine Hilfsspannung brauchst (die originale Thyristorschaltung kam ohne aus!), dann leite sie doch mit einem Buck-Converter aus dem Zündladekreis ab. Im übrigen würde ich schon deswegen möglichst nahe an der Originalschaltung bleiben, weil die nämlich erprobt ist. Auf hoher See (oder schon auf einem größeren See) mit einem einmotorigen Boot ist ein Zündungsausfall nämlich irgendwo zwischen "großer Mist" und "echter Seenot"! Nicht umsonst haben diese Knatterpötte (wie übrigens auch Flugzeuge) keine batterieabhängige Spulenzündung wie ein Auto / Motorrad, sondern Magnetzündung. Wenn er mal läuft, läuft er... Und noch was, wenn Du den Motor schon auseinander hast: Bau die Vergaser ab und schaue Dir die Flatterventile genau an. Die dürfen keinerlei Risse haben und alle Schrauben müssen fest sein, sonst saugt der Motor nämlich irgendwann Metallteile an und verwandelt sich in teuren Schrott.
Seefahrt schrieb: > Die Brückengleichrichter in Deiner Schaltung sind übrigens grober > Quatsch. Die Geberspulen sind nur für das Timing der Zündung gedacht, > ich vermute, da lässt sich nicht nennenswert Leistung entnehmen. Wenn Du > schon unbedingt eine Hilfsspannung brauchst (die originale > Thyristorschaltung kam ohne aus!), dann leite sie doch mit einem > Buck-Converter aus dem Zündladekreis ab. Die Befürchtung habe ich auch :-( Kommt auf einen Versuch an. 50mA DC/DC Konverter und 10-15mA Optokoppler ~ 65mA Ob die das her geben? Ich weiß es nicht! Testen! Zündungsausfall: Ärgerlich ja, aber nicht sooo tragisch, da ich mit dem Boot eher um die Ecke fahre und ankere. Das geknatter auf Dauer geht einem auf die Nerven. Notfalls tut´s auch ein Paddel für den Rückweg. Seefahrt schrieb: > Bau die Vergaser ab und schaue Dir die Flatterventile genau an Was/wo sind die Flatterventile am Mercury Doppelvergaser? Danke für den Hinweis, da mal nachzusehen!
Seefahrt schrieb: > Weil sie kaputtgegangen ist ;-) Die Bootswerft tauscht nur, dem > Bootsbesitzer war der Ersatzteilpreis etwas hoch, folglich habe ich mal > danach geschaut. Klar! War nur ein Widerspruch in sich (halten ewig -> habe ich repariert) Seefahrt schrieb: > Das geht aber nur bei der alten Baureihe der CDI mit Alugehäuse. Die > neuen stecken in einem "Plastikbecher", der vermutlich bei der > Temperatur, bei der das Gießharz weich wird, ebenfalls die Form > verliert. Anbei ein Bild meiner CDI. Was passiert mit den Schrauben in der Mitte beim "pulen"?
Axel R. schrieb: > Die Geberspulen erzeugen "Drehstrom" im weitseten Sinne. Da muss man > nicht mit zwölf Dioden ran und das dann "irgentwie" parallel schalten... > DAS lässt sich komfortabler gleichrichten, so wie in jeder > Lichtmaschine. Recht hast Du aber wie? Ich brauche ja noch die Impulse für den Zündzeitpunkt. Die 12 Dioden sind ja nur 3 x 4pol. DIL Gehäuse... Axel R. schrieb: > Man kann auch einfach die Wechselspannung, die ja da raus kommt (kommt > doch, oder?) mittels einer einfachen Dioden-Kondensator Kaskade etwas > hochsetzen. Dafür braucht man keinen Step-up Boost extra kaufen. aber > bequem ist's. Gibt es ja fertig. ...und spart Bauteile ;-) Verbrät aber Strom :-( Axel R. schrieb: > Du musst zusehen, das Du so wenig Bauteile, wie möglich verwendest. Das > muss robust sein. Und dann soll ich Kaskaden bauen?
Rolle schrieb: > die CDI-Zündungen sind einfacher aufgebaut wie man denkt. IGBTs sind da > eher Kontraproduktiv, der Thyristor ist da das Mittel der Wahl. IGBTs > werden eher für Autozündungen verwendet (Bosch hat da ganz nette Sachen > die sogar den Strom selbsttätig begrenzen wenn die Dwellzeit zu lange > ist) bei denen die Zündspule noch einen dicken Eisenkern hat. Diese > Zündspulen funktionieren komplett anderst im gegensatz zu einer CDI. Bei > den "dicken" Zündspulen wird über die Primärwicklung ein Magnetfeld im > Kern aufgebaut, gezündet wird wie früher bei der Kontaktzündung in dem > der Primärstrom schnell unterbrochen wird. Da sind IGBTs gut dafür, da > hoher Strom und hohe Induktionsspannung auftreten. Weiterhin kann man ja > einen Thyristor nicht so ohne weiteres ausschalten wenn sein Haltestrom > nicht unterschritten wird... Irgendwie hab ich´s noch nicht geschnallt: Wo ist der Vorteil von Thyristoren gegenüber den IGBT´s? Beide haben hohe Spannung und Strom. Der Vue von 2V spielt doch bei der CDI keine Rolle!? Ob ich 400V oder 398V habe macht hier keinen Unterschied!? Was spricht gegen den IGBT? (außer die vergleichsweise hohe Gate-Spannung des IGBT von 9V zu 2V beim Thyristor und der Gate-Strom IGBT=?mA Thyristor<10mA) Thyristoren werden z.B. TIC106D verbaut (5A/400V). Den IGBT, den ich verwenden will ist der SGP 07N120 (16,5A/1200V) für 1,80€. Innere Schutzschaltungen des IGBT hat doch auch Vorteile!? Wiki meint dazu: "Ein Bipolartransistor mit isolierter Gate-Elektrode (englisch insulated-gate bipolar transistor, kurz IGBT) ist ein Halbleiterbauelement, das in der Leistungselektronik verwendet wird, da es Vorteile des Bipolartransistors (gutes Durchlassverhalten, hohe Sperrspannung, Robustheit) und Vorteile eines Feldeffekttransistors (nahezu leistungslose Ansteuerung) vereinigt. Vorteilhaft ist auch eine gewisse Robustheit gegenüber Kurzschlüssen, da der IGBT den Laststrom begrenzt." Was soll/kann also passieren?
Zu den Geberspulen: die sind mit 4V bei 800-1400 Ohm angegeben. Vielleicht kann man daraus Imax ersehen/errechnen? Beim Widerstand wären das 1mA...
Seefahrt schrieb: > CDI aus einem 70PS Dreizylinder-Zweitakter > Da war nur ein Ladekondensator Vorab: Da meine "Altfahrzeuge" allesamt Spulenzündungen haben, hab ich mich mit dem Thema "CDI" noch nie intensiv auseinander gesetzt. Jetzt zu dem, was mir auffiel: Da drei Zündübertrager vorhanden sind, vermute ich, dass die Zylinder mit 120° Versatz feuern sollen. (Also 0° - 120° -240°). In der vorgestellten Schaltung feuern nach meinem Verständnis aber immer alle drei Zündkreise gleichzeitig, da T1 bis T3 am Punkt "A" parallel geschaltet sind. Ist das wirklich so gewollt, oder übersehe ich etwas? Grüße Stefan
R.T. schrieb: > Irgendwie hab ich´s noch nicht geschnallt: Haben wir bemerkt. > Wo ist der Vorteil von Thyristoren gegenüber den IGBT´s? Deine Wickelgüter sind auf Thyristoren ausgelegt. > Beide haben hohe Spannung und Strom. Aber nicht gleichzeitig, man SOA. > Der Vue von 2V spielt doch bei der > CDI keine Rolle!? Ob ich 400V oder 398V habe macht hier keinen > Unterschied!? Zweifellos. > Was spricht gegen den IGBT? Die kompliziertere Gateansteuerung. Wenn die Spannung am Gate nicht ausreichend schnell steigt, dann bist du ratzfatz ausserhalb der SOA, und der IGBT im Halbleiterhimmel. > Thyristoren werden z.B. TIC106D verbaut (5A/400V). Den IGBT, den ich > verwenden will ist der SGP 07N120 (16,5A/1200V) für 1,80€. > Innere Schutzschaltungen des IGBT hat doch auch Vorteile!? Der Thyristor braucht die hier erst gar nicht.
Stefan Wagner schrieb: > Da drei Zündübertrager vorhanden sind, vermute ich, dass die Zylinder > mit 120° Versatz feuern sollen. (Also 0° - 120° -240°). > > In der vorgestellten Schaltung feuern nach meinem Verständnis aber immer > alle drei Zündkreise gleichzeitig, da T1 bis T3 am Punkt "A" parallel > geschaltet sind. > > Ist das wirklich so gewollt, oder übersehe ich etwas? Da der Zündabstand 120° beträgt, sind mit großer Wahrscheinlichkeit auch die 3 Geberspulen auf der Grundplatte im Abstand von 120° angeordnet. Die Geberspulen liefern also das Triggersignal für die Optokoppler bzw. den IGBT im Abstand von 120°. Mit der Ladespule L2 (Primärspannung) wird für alle 3 Zündkreise ja nur der Kondensator (C1, C3 und C5) aufgeladen, der dann bei entsprechendem geschalteten IGBT sich über die entsprechende Zündspule entlädt ud somit in der Sekundärwicklung der Zünspule für die nötige Zündspannung sorgt. Nach meinem Verständnis ist das so vollkommen i.O.
Stefan Wagner schrieb: > In der vorgestellten Schaltung feuern nach meinem Verständnis aber immer > alle drei Zündkreise gleichzeitig, da T1 bis T3 am Punkt "A" parallel > geschaltet sind. Verdammt! RICHTIG! Macht so keinen Sinn!!!! Muss ich wohl (oder übel) noch eine Diode in Reihe schalten....
R. T. schrieb: > Verdammt! RICHTIG! Macht so keinen Sinn!!!! Muss ich wohl (oder übel) > noch eine Diode in Reihe schalten.... Immer noch nicht geschnallt? Mit dem Anschluß A werden die Kondensatoren der 3 Zündstufen geladen und sonst nichts. Lies halt den vorhergehenden Beitrag! Was willst Du mit den Dioden?
Dieter J. schrieb: > Immer noch nicht geschnallt? > Mit dem Anschluß A werden die Kondensatoren der 3 Zündstufen geladen und > sonst nichts. Ja, aber auch entladen! Wenn z.B. T1 durchsteuert, "brückt" der auch T2 und T3! Folglich werden C2 C4 und C5 zeitgleich entladen, da C-E von T1, T2 und T3 dummerweise parallel geschaltet sind Masse -> A. Somit funken alle 3 Zylinder gleichzeitig - und zwar alle 120° ---> Bye bye Motorchen -> war nett mit Dir :-O Riesen Dank an Stefan Wagner! Anbei Korrektur...
Nur mal in den Raum geworfen: Da ich im Moment in meiner CDI nur 1 FETTEN Kondensator finde: Könnte man nicht auf 2 Kondensatoren verzichten (C4 und C5) indem man den C nach Masse schaltet und über die IGBT´s entlädt? Hab es noch nicht zu Ende gedacht - ist aber eine Überlegung wert. Anreiz kam weiter oben von Seefahrt: Zitat: "Ich hatte mal eine CDI aus einem 70PS Dreizylinder-Zweitakter Fabrikat Evinrude repariert. Da war nur der Ladekondensator (also das, was ein Deinem Schaltplan C1/C3/C5 ist) defekt. Ich glaube, mich an 1µF / 450V erinnern zu können. War aber nur ein C, nicht drei."
Mal GAAAAANZ vorsichtig in den Raum geworfen: Ich glaube meine CDI ist gar nicht defekt... Ich versteck mich mal besser!? Habe im anderen Forum gelesen: "Er hat einen blauen und roten Ausgang. Der eine für niedrige Drehzahl, bis 1500Umdr und der andere bis Spitzendrehzahl. Wenn die Wicklung für die niedrige Drehzahl eine Macke hat, läuft er entweder gar nicht, oder z.B. erst ab einer gewissen Drehzahl." Quelle: http://www.schlauchboot-online.at/archive/index.php/t-18781.html Ich denke, eine meiner beiden Primärspulen "bringt" es nicht mehr... Muss nochmal messen gehen. Die Low-Speed 5800-7000 Ohm und die andere 135-165 Ohm haben...
MIST! Richtig! Sollte 5,8 - 7 kOhm haben, hat aber nur 5,38 kOhm :-( Weniger R = weniger U -> CDI läuft also Grenzwertig. Deshalb die Symptome, dass nur 1 Zylinder will. Ich denke es liegt an den Toleranzen der CDI oder die Spule schlägt durch oder so was...
R.T. schrub: >Nur mal in den Raum geworfen: >Mal GAAAAANZ vorsichtig in den Raum geworfen: Wirf die Spulen in den Raum, wo das Ohmmeter steht. ;-) MfG Paul
R.T. schrieb: > Was/wo sind die Flatterventile am Mercury Doppelvergaser? > Danke für den Hinweis, da mal nachzusehen! Die drei Vergaser abschrauben, und dann den Ansaugflansch (ist ein gemeinsamer mit drei Kanälen) vom Kurbelgehäuse abschrauben. Dann siehst Du schon die Membranventile, am Ansaugflansch in Richtung zur Kurbelwelle zeigend. Einen Dichtsatz parat zu haben, schadet hierbei bestimmt nicht. R.T. schrieb: > Anbei ein Bild meiner CDI. Was passiert mit den Schrauben in der Mitte > beim "pulen"? Die sitzen in einem "Klemmbrett", das unten Stifte hat, die in die Platine eingelötet sind. Geht also im Ganzen mit raus. R. T. schrieb: > Der eine für niedrige Drehzahl, bis 1500Umdr und der andere bis > Spitzendrehzahl. Wenn die Wicklung für die niedrige Drehzahl eine Macke > hat, läuft er entweder gar nicht, oder z.B. erst ab einer gewissen > Drehzahl." In Deiner Schaltung sehe ich aber nur eine Ladespule. Besagter Evinrude hatte auch nur eine aber Mercury kann hier natürlich anders konstruiert sein. (Evinrude und Johnson sind praktisch identisch, Mercury geht in Details andere Wege.)
Komisch, daß noch keiner darüber abgelästert hat... - du darfst nicht an Motoren rumbasteln - deine Versicherung wird dich verfluchen - wenn der Motor plötzlich beim Überholen abstirbt - wenn in Deiner Schaltung ein Fehler auftritt und du dummerweise gerade auf der Straße bist (ich frag mich immer, wenn früher (tm) die Kontakte an der Zündung kaputtgingen, ist dann das Auto explodiert???) - wenn Du mir mit Deinem maipulierten Boot auf der Straße entgegenkommst... Aber an all die Bedenker... Schon dran gedacht, daß auch auf Wasserstraßen Vorschriften gellten??? Aber nööö ist ja Wasser und kein Teer. Darum darf ja dann hier fröhlich gebastelt werden. Nur, wenn hier jemand sagt, er fährt mit seinem getunten Motorrad nur im Hühnerstall rum, dann glaubt ihm keiner..
StVO schrieb: > Komisch, daß noch keiner darüber abgelästert hat... > > - du darfst nicht an Motoren rumbasteln > - deine Versicherung wird dich verfluchen > - wenn der Motor plötzlich beim Überholen abstirbt > - wenn in Deiner Schaltung ein Fehler auftritt und du dummerweise gerade > auf der Straße bist (ich frag mich immer, wenn früher (tm) die Kontakte > an der Zündung kaputtgingen, ist dann das Auto explodiert???) > - wenn Du mir mit Deinem maipulierten Boot auf der Straße > entgegenkommst... Der Reichsbedenkenträger hat gesprochen... Wie bereits geschrieben: Das vordringlichste Risiko sehe ich in einem durch Maschinenausfall fernab vom rettenden Ufer manövrierunfähig gewordenen Schiff. > > Aber an all die Bedenker... > > Schon dran gedacht, daß auch auf Wasserstraßen Vorschriften gellten??? > Aber nööö ist ja Wasser und kein Teer. Darum darf ja dann hier fröhlich > gebastelt werden. Nur, wenn hier jemand sagt, er fährt mit seinem > getunten Motorrad nur im Hühnerstall rum, dann glaubt ihm keiner.. Im Übrigen ist die Seefahrt (Binnen-, Küsten- und Hochsee-) in dieser Hinsicht ein erstaunlich vorschriften- und kontrollarmes Feld. Klar gibt es ein paar Ausrüstungs- und Bauvorschriften, aber weder TÜV noch AU und die Versicherungen stellen sich eigentlich nur bei grob unseemännischem Handeln des Kapitäns quer. Kein Vergleich mit dem Straßenverkehr! Aber auf dem Wasser sorgt Darwin schon dafür, daß die Pötte einigermaßen seetüchtig sind und bleiben. Auf hoher See ist man bekanntlich in Gottes Hand...
StVO schrub: >- wenn Du mir mit Deinem maipulierten Boot auf der Straße >entgegenkommst... ..dann wirst Du das Verkehrsschild "Fähre" übersehen haben und in der Elbe stehen! ;-) Ob Unstrut, Oder oder Elbe -der Schaden wäre dann derselbe! MfG Paul
Bitte melde dich an um einen Beitrag zu schreiben. Anmeldung ist kostenlos und dauert nur eine Minute.
Bestehender Account
Schon ein Account bei Google/GoogleMail? Keine Anmeldung erforderlich!
Mit Google-Account einloggen
Mit Google-Account einloggen
Noch kein Account? Hier anmelden.




