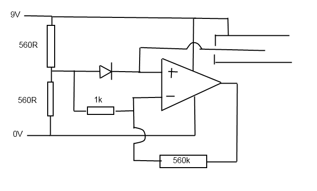
Hallo zusammen, seit längerer Zeit versuche ich mich am Bau einer Ionisationskammer. Mein ziel ist es Alpha und Beta Strahlen ermitteln zu können. Ich möchte keine hoch präzise Messungen machen. Gestern habe ich mich noch einmal dran gesetzt, allerdings habe ich wider kein Ergebnis bekommen. Was mich ehrlich gesagt wundert, da ich mir noch vorstellen kann wieso, wobei es einen Punkt gibt den ich nicht so ganz begreife. Also erst mal zur Schaltung. Nichts kompliziertes. Das ganz ist nur ein OpAmp (LMC6001) als nicht invertierender Verstärker. Die Diode in Sparrichtung hat rechnerisch einen Widerstand von etwa 360MOhm. Alles hängt an einer 9V Batterie. Das Gehäuse ist ein Kupferrohr welches mit der Ionisationskammer verbunden ist. Der Spalt ist breit mit Alufolie überklebt. Das ganze soll zur Schirmung dienen. Weiterhin habe ich vorne ein feinmaschiges Gitter aus Edelstahl angebracht welches ebenfalls mit dem Gehäuse und der Kammer elektrisch verbunden ist. Das Gehäuse und die Kammer stehen unter 9V, die Elektrode die zum nicht invertierenden Eingang geht ist auf 0V Potential. Somit sollten bei der Ionisation entstehende Elektronen zur Elektrode in der Mitte wandern und dort ein Signal erzeugen, richtig? Das klappt nicht. Wenn ich allerdings ein dünnen Draht von außen in die Kammer einführe, schlägt der Operationsverstärker sofort aus, da Netzbrummen in die Kammer gelangt. Ansonsten passiert nichts. Wenn ich allerdings die 9V von der Kammer nehme Bekomme ich ein Netzbrummen am Ausgang. Lege ich entweder 9V oder 0V an die Kammer und das Gehäuse an verschwindet dieses. Als Probestrahler verwende ich Thoriumnitrat. Hoffentlich kann mir jemand bei der Fehlersuche helfen, momentan stehe ich etwas auf dem Schlauch.
Nochmal nachlesen: http://de.wikipedia.org/wiki/Ionisationskammer 9V, kein Vakuum, so wird das nichts.
Und. Um Strom fliessen zu lassen braucht der Draht ein Potential. Also niederohmig, nicht hochohmig. Nimm einen Transimpedanz mit Bezugspotential Null oder so. Dann fliesst der Strom gegen GND.
"An der Ionisationskammer liegt zwischen Anode und Kathode eine Hochspannung." Dunkel erinnere ich mich an eine Influenzmaschine (50kV)zur Erzeugung. Ob Dein OPV das so am Eingang mag?
Alpha zu detektieren ist schwierig, denn Alpha wird schon durch ein duennes Papier absorbiert.
Also 50 kV braucht man nicht, es geht mit deutlich weniger Spannung. Selbst simple "Blechdosen" Konstruktionen aus dem Schulunterricht kamen mit weniger als einem Zehntel aus. Ob diese hier mit 9V Batterie reicht: http://www.heise.de/hardware-hacks/artikel/Low-Cost-Strahlendetektor-1817686.html?artikelseite=2 kann man mal probieren. Aber der TE wurschelt bereits seit einiger Zeit erfolglos auf mosfetkiller.de rum, mit eben diesem Projekt. Wenn er das Thoriumnitrat welches er dort im Bild zeigt ebenfalls noch im Glasröhrchen hat, wird allerdings kaum Erfolg dabei in seinem Projekt sein (die Alpha Strahlung wird bereits da deutlich geschwächt). S.o.
Hallo nochmal, also 9V reichen aus, es gibt einige die so schon Ionisationskammern realisiert haben. Der LMC6001 ist sehr empfindlich: Input Offset Current: Typ: 5 fA Damit sollte man doch schon was anfangen können. Ich habe mir mal einen Schaltplan angeguckt der eine ähnliche Vorverstärkerstufe hat: http://www.rapp-instruments.de/Radioaktivitaet/Detektoren/Ionisationskammer/images/schaltung.pdf Dort passiert ja im Grunde nichts anderes. Allerdings stelle ich fest bei dem hat die Kammer eine Spannung von -30V. Könnte hier mein Problem liegen? Immerhin sind die 9V ein Elektronenmangel wenn man das ganze aus physikalischer Sicht sieht. Somit würde die Freien Elektronen zu den 9V wandern und nicht zur Elektrode in der Mitte. Was die Strahlung an sich angeht: Beta sollte doch locker durch den Kunststoffdeckel kommen. Außerdem kann ich auch die Ionisationskammer gegen die offene Röhre halten. MfG
Mit dem input offset current solltest du dann aber auch noch kapazitateten umladen... Zeitkonstante ... nirgendwo mehr
Konrad M. schrieb: > also 9V reichen aus, Na dann ist ja gut, dann funktioniert deine Schaltung ja. Du musst nur noch etwas warten bis das eine Elektron angetunnelt kommt. > Könnte hier mein Problem liegen? Nein, das Problem sitzt vor dem Bildschirm. Es gibt Millionen an Geigerzählern die erfolgreich ihren Dienst tun, gebaut von Leuten die sich zumindest um die grundlagen Gedanken gemacht haben und gebildet haben. Die verwenden eher 400V als 9V, selbst wenn sie mit einer 9V Batterie auskommen. Stichwort Spannungswandler. http://www.chetan.homepage.t-online.de/sonstig/GEIGERZ.HTM http://www.finger.de-web.cc/geiger/schaltplan.pdf http://www.techlib.com/science/geiger.html Auch das Zählrrohr ist nicht ein Draht im Rohr, sondern bei Unterdruck mit Löschgas.
MaWin schrieb: > Auch das Zählrrohr ist nicht ein Draht im Rohr, sondern bei Unterdruck > mit Löschgas. Draht im Rohr ist eine Ionisationskammer und Luft als Gas ist machbar und üblich z.B. bei der Radonmessung. > bei Unterdruck > mit Löschgas. Das ist ein Geiger Müller Zählrohr !
Also es gibt unterschiedliche Varianten von Geräten zum detektieren Ionisierender Strahlung. Die Seiten deren Link du gepostet hast sind alle samt Geiger Zähler. Diese verwenden eine Geiger Müller Röhre. So ein Teil hab ich mir mal von einem Jahr gebaut und es funktioniert super. Allerdings reagiert das Teil nur auf Gamma und starke Beta Strahlung. Beim Thoriumnitrat knistert das Teil munter vor sich hin. Worum es mir Jetzt geht ist allerdings ein Gerät zur Feststellung von Alpha und Beta Strahlung. Diese soll ein Offenes Fester haben, bzw eine Gitterabdeckung. Der Unterschied besteht da drin, dass bei einer Geiger Müller Röhre durch die Ionisation ein Strom von der Anode zur Kathode fließen kann (Röhre dient als Schalter). Bei der Ionisationskammer die ich bauen möchte, geht es mir darum, dass die durch die Ionisation entstehenden Elektronen selber gemessen werden und nicht eine Entladung auslösen. Hoffentlich habe ich das jetzt halbwegs richtig erklärt. Es mag sein, dass 9V evtl. etwas gering ist. Allerdings wurden, wie schon erwähnt Ionisationskammer realisiert an denen relativ niedrige Spannungen anliegen.
MaWin schrieb: > Die verwenden eher 400V als 9V, selbst wenn sie mit einer 9V Batterie > auskommen. > Stichwort Spannungswandler. Dem stimme ich zu auch wenn es eher -400V sind und brauchbare Ergebnisse durchaus auch mit -30V möglich sind. Man sollte dazu allerdings auch wissen das der Hauptaufwand beim Bau einer Ionisationskammer in der Isolierung liegt. Also nicht nur den Schaltplan lesen. ww.rapp-instruments.de/Radioaktivitaet/Detektoren/Ionisationskammer/Ioni sationskammer.htm
Sorry http://www.rapp-instruments.de/Radioaktivitaet/Detektoren/Ionisationskammer/Ionisationskammer.htm
Der Link von MaWin geht schon in die richtige Richtung. Nur falsche Seite. Hier wirst du fündig: http://www.techlib.com/science/ion.html
Schau dich mal um auf www.techlib.com Da wird as Thema Ionisierungskammer mit 9V ausgiebig behandelt.
Also ich habe mal den Kram mit den OpAmp liegen lassen und Stumpf die erste Schaltung auf der Seite nach gebaut die angezeigt wird. ,,Experimenter's Ionization Chamber" Heißt die. Allerdings funktioniert da gar nichts. Zu mindestens habe ich Eindruck dass ich nur zufällige Werte bekomme. Der Transistor ist ein BC-517 Darlingtontransistor. Wenn ich ein wenig vor der Dose herumfuchtel scheint der Transistor zu schalten, bekomme dann ein paar Volt. Wenn ich allerdings ein Röhrchen mit Thoriumnitrat in die Dose lege passiert absolut gar nichts. Auch wenn ich über ein Netzteil 25V anlegt passiert nichts... Die Dose ist von innen Elektrisch leitend, hat allerdings eine 8 eckige Form.
Den link habe ich aus der c't hacks 2 2012. Ich hab es noch nicht nachgebaut, aber ich kann mir vorstellen, dass die mechanische Ausführung sehr von Bedeutung ist. Diesbezügliche Hinweise sollten schon beachtet werden. Gute Schirmung tut not. Und Dreck, Fettspuren, Fingerbadrücke etc sollte man abwischen. Bei der isolierten Durchführung sollte man keinem Epoxy über den Weg trauen, glücklich wer gute Glasperlen sein Eigen nennt. Zeig mal ein Bild oder zwei, ich bin neugierig.
Habe mal ne Hand voll Bilder hochgeladen. Die Schirmung ist so eine Sache, das Teil liegt auf einem Tisch von dem die nächste Leitung etwa 3m entfernt ist. Also habe ich erstmal nichts geschirmt, scheint ja auch nicht von Nöten zu sein. Das Multimeter zeitg mit erst eine Spannung an wenn ich mindestens 5mm mit dem Finger vom Draht entfernt bin. Ansonsten bleibt das ganze bei 0V. http://s14.directupload.net/images/140423/xeezrmgv.jpg http://s14.directupload.net/images/140423/yrgyzxqi.jpg http://s14.directupload.net/images/140423/xcbvxdfa.jpg http://s7.directupload.net/images/140423/hmnm4w3m.jpg Edit: Kann es sein, dass bei unterschiedlichen Herstellern die Pinbelegung unterschiedlich ist? Habe jetzt mal 2 Datenblätter verglichen und wenn ich mich nicht täusche ist die Belegung der Pins anders? https://www.fairchildsemi.com/ds/BC/BC517.pdf http://pdf.datasheetcatalog.com/datasheet/siemens/BC517.pdf
Ich glaube nicht, dass ein Digitalmultimeter in dieser Schaltung auch nur irgendwas merkt. Schirmung um den Transistor herum ist wahrscheinlich unverzichtbar, besonders bei der geringen Spannung von nur 9 V. Und ein Deckel vor der Kammer könnte auch nicht schaden als Schutz gegen Einstreuungen von aussen. Ein Sieb sollte genügen, das wäre wahrscheinlich für die zu detektierende Strahlung durchlässig, für elektrische Störfelder eher nicht.
Wieso soll ich das ganze schirmen wenn ich selbst so nicht mal was messe? Ich bekomme nur eine Änderung der Spannung wenn ich mir dem Finger sehr nah an der Transistor Basis bin. Selbst wenn ich die Öffnung gegen eine Lampe, Steckdose etc. halte bekomme ich keine Änderung :/. An 25V sieht das ganze ähnlich aus. Halte ich meinen Finger ein paar cm vor die Dose, schlägt das Multimeter aus, fällt allerdings schnell wider auf 0V. Bei dem Thoriumnitrat ändert sich auch nichts.
Vielleicht ist Deine Dose nicht genug vom Draht isoliert?
Wäre dies der Fall, würde ich 5V über 4,7k direkt an die Basis des Transistors bekommen. Dieser würde das Multimeter welches an 9V angeschlossen ist gegen 0V schalten und das Multimeter würde ausschlagen.
Dein Problem ist die fehlende negative Versorgungsspannung. Der Opamp hängt in Sättigung am Ausgang. Kein Opamp kann bei 0V noch verstärken, wenn er nur mit 0V als negativer Spannung versorgt wird und der Eingang auf 0V liegt.
Hallo Deine Schaltung kann höchstens leitfähig gewordene Luft feststellen. Vielleicht hilft Dir auch der Hinweis, das innerhalb von metallischen Hohlkörpern keine außen angelegte Ladung innen existieren kann. Bevor Luft aber durch Ionisation leitfähig geworden ist, bedarf es eine um Größenordnungen stärkere Strahlung. Du hast ein Dimensionsproblem. Außerdem kann ich den Begriff "messen" hier nicht richtig zuordnen. Soll es eine ohmische Messung, eine Spannungsmessung oder was sein? Ich möchte genau wie die anderen das Geiger-Müller Zählrohr mit entsprechender Schaltung empfehlen. Mit niedriger Spannung gibt es noch die Möglichkeit, Lichtblitze innerhalb verspiegelter Gefäße zu detektieren, mit Fotodiode/-Transistor. MfG
Hallo Matthias, wieso kann denn die Ladung nicht innen existieren? Ich habe ja an der Dose 9V und 0V in der Mitte. Sollte sich dadurch nicht ein elektrisches Feld, wie bei einem Kondensator aufbauen? Dass ich den begriff messen nicht verwenden kann ist mir bewusst. Diesen sollte ich besser durch feststellen korrigieren. Wie schon erwähnt habe ich bereits einen Geigerzähler gebaut. Dieser reagiert allerdings nur auf Gamma und starke Beta Strahlung. Falls man mir nicht glaubt: http://s1.directupload.net/images/140424/goc7uid5.jpg Eine Video wollte ich jetzt nicht extra hoch laden. Die Ionisationskammer wollte ich zum feststellen von Alpha Strahlung verwenden. Auf folgender Seite habe ich eine Interessante Schaltung gefunden: http://www.vk2zay.net/article/264 Wieso wird hier am Eingang ein JFET benutzt? MfG
Hey Konrad, interessantes Projekt! Zu Fukushima-Zeiten hab ich mir 'nen Geigerzaehler gebaut (gekaufte R"ohre). Den will ich demnaechst mal verbessern. Koennte deine Dose einfach zu gross und deine Spannung relativ dazu zu klein sein? Aus Wikipedia: "Diese Spannung wird so hoch gewählt, dass die „Lebenszeit“ entstehender freier Elektronen und Ionen bis zur Rekombination größer als die Flugdauer zu der jeweiligen Elektrode ist..." Du waehlst einfach 9V weil Du 'nen 9V-Block nehmen willst und deine Blechdose auch nur, weil so eine grad zu Hand war. Ich vermisse das "... so waehlen, dass..." Konrad M. schrieb: > Wieso wird hier am Eingang ein JFET benutzt? Gegenfrage: warum nimmst Du einen Bipolartransistor? Die FET-Eingangsstufe bietet halt einen grossen Innenwiderstand und als JFET ist er nicht so schnell kaputt wie ein MOSFET ;-)
Auf deinen Bildern sehe ich, dass du eines von diesen gelben 10euro Baumarktmultimetern benutzt. Ich habe auch so ein Teil. Ich frage mich ernsthaft, ob es für dieses Projekt das richtige ist - Stichworte Innenwiderstand und Reaktionsgeschwindigkeit. Probiere mal den Messbereich 2V, da ist der Innenwiderstand größer als im 200mV Bereich. Und hast du deine Verdrahtung abgeschirmt? Und hast du die große Öffnung der Dose mit Folie oder Sieb verschlossen? Auf der techlib.com Seite wird da immer wieder drauf hingewiesen.
-Thoriumnitrat aus den Röhrchen nehmnen, weil da keine alpha-Strahlung durchkommt -JFET benutzen, weil Bipolar einen viel zu hohen Eingangswiderstand hat. -Oszi (z.B. den genialen Tek 7A22) statt Biligmultimeter dranhängen, dann siehste vieleich ein paar Pulse.
Wenn man ein Ionenpaar vor der Rekombination trennen will braucht man Feldstaerke. Feldstaerke nicht im Sinne von 9V Block und Keksdose, sondern eher Richtung kV/cm
Die Ionisatoren welche ich kenne arbeiten mit Hochspanungskaskaden .Genauer gesagt negativer Hochspannung.Ein paar KV denke ich wird man schon benötigen.Schau mal nach Kaskaden nach "Greinacher"...
Konrad M. schrieb: > Hallo Matthias, > wieso kann denn die Ladung nicht innen existieren? > Ich habe ja an der Dose 9V und 0V in der Mitte. Sollte sich dadurch > nicht ein elektrisches Feld, wie bei einem Kondensator aufbauen? > Hallo Ich bin der Meinung, das es sich um einen Faradayschen Käfig handelt. Wenn am Draht 9V wären und an der Dose 0V, dann würde ein Feld entstehen. So aber nicht. Oder siehe einfach "Faradayscher Käfig". Wenn es Drähte oder Platten wären, dann gäbe es eine wenn auch geringe Feldstärke im Material. Viel Spaß beim Basteln.
Hallo nochamal, danke für die ganzen Antworten! Also wenn tatsächlich mehrere kV von Nöten sind, um die Elektronen von den Ionen zu trennen, frage ich mich wieso solche 9V Blechdosenkonstruktionen teilweise funktionieren. Auf YouTube gibt es einige ähnliche nachbauten. Habe mal mein Oszilloskop dran gehängt (Hameg HM 205-3). Auch hier tut sich nichts wenn ich das Thoriumnitrat in die nähe bringe. Allerdings bekomme ich eine Spannungserhöhung wenn ich eine Folie vor die Kammer halte. Die sinkt aber ziemlich schnell wider auf 0V. @ Matthias K.: Also im genau genommen ist das ja ein Faradayscher Käfig. Allerdings ist der erst mal für die Strahlung uninteressant. Erst wenn Elektronen entstehen begeben die sich zur Außenwand, die Ionen sollen zum Draht und sich ihr Elektron wider holen. Warum keine Elektrisches Feld erzeugt werden sollte ist mit ein Rätsel, werde mal gucken ob ich dazu was finde. Ich habe hier noch einige Zeilentrafos mit denen ich Problemlos einige kV erzeugen könnte. Mich wundert allerdings immer noch wieso so viele Schaltungen in Netz unterwegs sind die mit vergleichsweise kleinen Spannungen auskommen. Das mit der Dose ergibt irgendwie wenig Sinn, ich glaube ich bleibe bei meiner Alten Kammer: http://s1.directupload.net/images/140422/o92akff5.jpg Ich denke ich werde mich hiermit mal etwas auseinander setzen: http://www.vk2zay.net/article/264 Leider aber auch nicht sonderlich empfindlich :(
Warum ignorierst du meinen Ratschlag. Lies meinen vorigen Beitrag. Deine Schaltung kann einfach nicht funktionieren ohne negative Versorgungsspannung. Stattdessen wird hier sinnlos über die bessere Blechdose fabuliert. Zusätzlich zur negativen Versorgungsspannung solltest du einen 100MegOhm Widerstand an den Eingang machen damit sich 0V einstellen.
Helmut S. schrieb: > Dein Problem ist die fehlende negative Versorgungsspannung. > Der Opamp hängt in Sättigung am Ausgang. Kein Opamp kann bei 0V noch > verstärken, wenn er nur mit 0V als negativer Spannung versorgt wird und > der Eingang auf 0V liegt. Im Datenblatt (LMC6001) steht unter Supply Voltage: -0,3 to 16V. Außerdem hängt er bedingt durch die Diode nicht in Sättigung. Diese hat einen Widerstand von etwa 360MOhm und zieht diesen auf 0V. Wäre die Diode nicht würde der OpAmp sofort auf 9V gehen (wurde ausprobiert). Der OpAmp ist als nicht invertierender Verstärker beschaltet. Ich hoffe das war das worauf du hinaus wolltest. MfG
Mit 0V am Eingang und 0V negativer Versorgung hängt der Verstärker am Ausgang in Sättigung(überstuert) auf 0V. Da hat er praktisch null Verstärkung. Wenn du willst, dass deine Schaltung jemals funktioniert dann mach da mal eine negative Versorgung von mindestens -1V hin.
Sag mal Konrad, wuerdest Du mir vielleicht eine kleine Menge von deinem Thoriumnitrat - gegen entsprechende Entschaedigung - abgeben? (-: strahl :-) Ich arbeite immer mit Thorium-dotierten WIG-Elektroden, aber die koennen mit deinem Konzentrat ja wohl gar nicht mithalten. Und die tollen Gluehstruempfe gibt's ja nicht mehr, leider.
Also ich weiß nicht genau worauf du hinaus willst. Sorry wenn ich dir nicht ganz folgen kann. Aber ich stelle mir das ganze wie folgt vor: Durch Ionisation entstehende Elektronen werden zum Positiveren Ende der Kammer (außen) gezogen. Die Positiv geladenen Ionen wandern zur Mitte. Dort haben diese das Verlangen sich ein Elektron wider zu holen und es entsteht eine (physikalisch) negative Ladung am nicht invertierenden Eingang des Operationsverstärker. Der Operationsverstärker will die Differenzspannung zwischen den beiden Eingängen gleich halten und senkt die Spannung am invertierenden Eingang. Hier ist wider die rede von elektrischer Spannung aus physikalischer Sicht, da die Geschichte sonst nicht mit den oben erwähnten Ionen zusammen passt. Technisch gesehen erhöht er die Spannung in den Positiven Bereich. Meiner Ansicht nach passt das so zusammen und ich wüsste nicht wofür ich eine negative Versorgungsspannung brauche.
Wenn da nur ein paar mV am Eingang entstehen, dann rührt sich der Ausgang bei deinem Opamp um keinen Millimeter (mV) da der total übersteuert auf 0V hängt und dazu eventuell auch noch ein paar mV negative Offsetspannung hat. Mach endlich eine negative Versorgungsspannung hin. Ich gebe es auf. Wer nicht lernen will ...
Also, ich möchte ja nichts untersucht lassen. Deshalb habe ich folgende Schaltung aufgebaut: Siehe upload. Das Komische ist ja, das ich ein 570Hz Signal mit dem OpAmp generiere. Warum auch immer. Allerdings ändert sich mit Thoriumnitrat immer noch nichts. :( Okay, das frustet. Sollte man meiner Antwort keinen Glauben schenken, hier ist ein Bild: http://s14.directupload.net/images/140424/fi43wo9g.jpg .5ms/div. Ich denke ich werde das hier nachbauen und damit bisschen experimentieren was sich noch so machen lässt: http://www.vk2zay.net/article/264 Danke nochmal für die ganze Resonanz. MfG Konrad M
Wenn wir von einem Transimpedanz eingang reden, dan meinen wir das auch so. Und ja. Den + eingang des OpAmps mit etwas spannung biasen ist gut. Aber ein Transimpedanz signal geht an den - eingang.
Hallo, man braucht - nach den Links zu oben schließen - einen sehr viel hochomigere Aufbau als du ihn hast. Es ist von Elektrometerfähign JFET die Rede. FR4 soll bereits zu leitfähig für so einen Aufbau sein. Deine Diode und der OPV sind viel zu niederohmig. --> Der Link den du angegeben hast, nimmt einen JFET. Bau doch das mal nach, das sieht brauchbar aus. Der Hinweis mit der Alphastrahlung ist auch richtig. Proben mit Alphastrahlern (Thorium) lassen sich sehr leicht abschirmen. Und vergiss das mit dem Zählen. Ein Impuls sind 10E-15C, da Zuckt die Schaltung nicht einmal. Du kannst aber viele Impulse in Summe sehen - wenn die nicht durch die Diode verschwinden, was sie aber momentan tun. Die Rate Spannung / Zeit entspricht dann grob der Radioaktivität unter Berücksichtigung der Energie der Strahlung.
Hier ist ein Link zum Handbuch eines professionellen Messgerätes mit Ionisationskammer - inklusive Schaltbild; das Gerät gibt es zwar schon ein paar Jahre länger, aber vielleicht kannst Du noch das eine oder andere interssante Detail herauslesen. http://www.qsl.net/k0ff/7Manuals/VICTOREEN/Victoreen%20Manuals/470A____omeng0000.pdf Die Spannung an der Ionisationskammer beträgt hier 90V und wird aus vier (inzwischen schwierig zu beschaffenden) 22,5V-Fotobatterien erzeugt. Im übrigen sei dem einen oder anderen Beitragsschreiber empfohlen, sich mit der Theorie des Zählrohrs vertraut zu machen, insbesondere hinsichtlich der verschiedenen Arbeitsbereiche. Ein Ausgangspunkt dafür ist z.B. Wikipedia ->Zählrohr.
Konrad M. schrieb: > Also, ich möchte ja nichts untersucht lassen. Deshalb habe ich folgende > Schaltung aufgebaut: Siehe upload. > > Das Komische ist ja, das ich ein 570Hz Signal mit dem OpAmp generiere. > Warum auch immer. Allerdings ändert sich mit Thoriumnitrat immer noch > nichts. :( Ich kann keine echtne vorteil darin sehen, das Du weiter auf dme OPV bestehst. Vom Prinzip ist Dein mechanischer Ansatz (Dose, konzentrischer Draht) schon der richtige Weg. Der elektrische Teil: Mach eine Ansatz mit Schaltugnne die Funktion zeigen, konkret: Was spricht aus Deiner Sicht gegen nen Probeaufbau und die Verwendung eines 2 ct Transistors statt des PV? siehe: http://www.youtube.com/watch?v=DtQ746MPrNs Wenn das stabil bei Dir läuft mit Deinem Probestrahler: Dann würde ich das mit dme OPV weiterverfolgen. > > Okay, das frustet. Nun, ich denke Du hast dich da etwas verannt. Aber man kommt da raus .-) > > Danke nochmal für die ganze Resonanz.
Wenn man zaehlen will, resp dieses Knacken im Lautsprecher haben moechte, dann muss man in den Avalanche Modus gehen, Wo ein erzeugtes Ion/Elektron auf einem kurzen Weg derart beschleunigt wird, dass neue Ionen entstehen, eine Lawine entsteht.
Дуссель дукъ schrieb: > Ion/Elektron auf einem kurzen Weg derart beschleunigt wird, dass neue > Ionen entstehen, eine Lawine entsteht. Nein, er will explizit keine Lawine fuer sein Ionisationsrohr. Er will nicht zaehlen. Das geht viel zu einfach ;-) Vielleicht liegt das Problem auch einfach nur in einer zu geringen Leistung des Strahlers? Ich mein, man muss sich einfach mal vorstellen, dass der zu messende Strom einfach sagen wir mal 50 bewegte Elektronen (Faustwert, hab ich irgendwo gelesen) pro Gamma-Teilchen und Sekunde im Messrohr sind. D.h. das muessen ganz ordentlich viele Teilchen/s im Messrohr sein! Ich kann mir nicht vorstellen, dass die paar Gamma-Quanten aus Folgeprodukten der Th-Zerfalls - die auch noch groesstenteils einfach durchs Rohr hindurch fliegen, ohne absorbiert zu werden - einen derartigen Strom erzeugen. e = 1.6E-19As 1pA = 1E-12A 1pA = 6.25E+6 * e 1pA/50 = 125 000 * e Also: wenn ein Zaehlrohr der Groesse deines Ionisationsrohrs 125000 Impulse zaehlen wuerde, dann koenntest Du mal mit 1pA Strom rechnen, wenn's jedes Elektron/Ion bis zur Elektrode schafft. Dazu musst Du das Ionisationsrohr vermultich komplett mit Radon fuellen ;-) Kennst Du die Strahlungsleistung des Thoriumnitrats / Raumwinkel zufaellig?
Eben gelesen (Wikipedia): Thoriumnitrat: 3.93kBq Aktivitaet. d.h. ca. 4000 Alpha-Teilchen (a 4MeV) pro Sekunde und Gramm Substanz. Und die Alpha-Teilchen werden eine deutlichere Ionenspur hinterlassen, wetten? Also einfach mal das Doeschen aufmachen und etwas von dem edlen Zeug ausbreiten ;-) Vielleicht mit einer hauchduennen PE-Folie abdecken, dass kein radioaktiver Staub rumfliegt?
Bitte melde dich an um einen Beitrag zu schreiben. Anmeldung ist kostenlos und dauert nur eine Minute.
Bestehender Account
Schon ein Account bei Google/GoogleMail? Keine Anmeldung erforderlich!
Mit Google-Account einloggen
Mit Google-Account einloggen
Noch kein Account? Hier anmelden.

