C-CODE GESUCHT
DANKE EUCH!! :-) Jetzt mal Spaß beiseite. Wenn mir jemand sagen könnte inwieweit ich das Programm im Anhang verändern müsste, dass es mit der PORT-Zuteilung von meinem Projekt her passt, wäre ich enorm dankbar. @hartl192: Danke für den Link Mfg
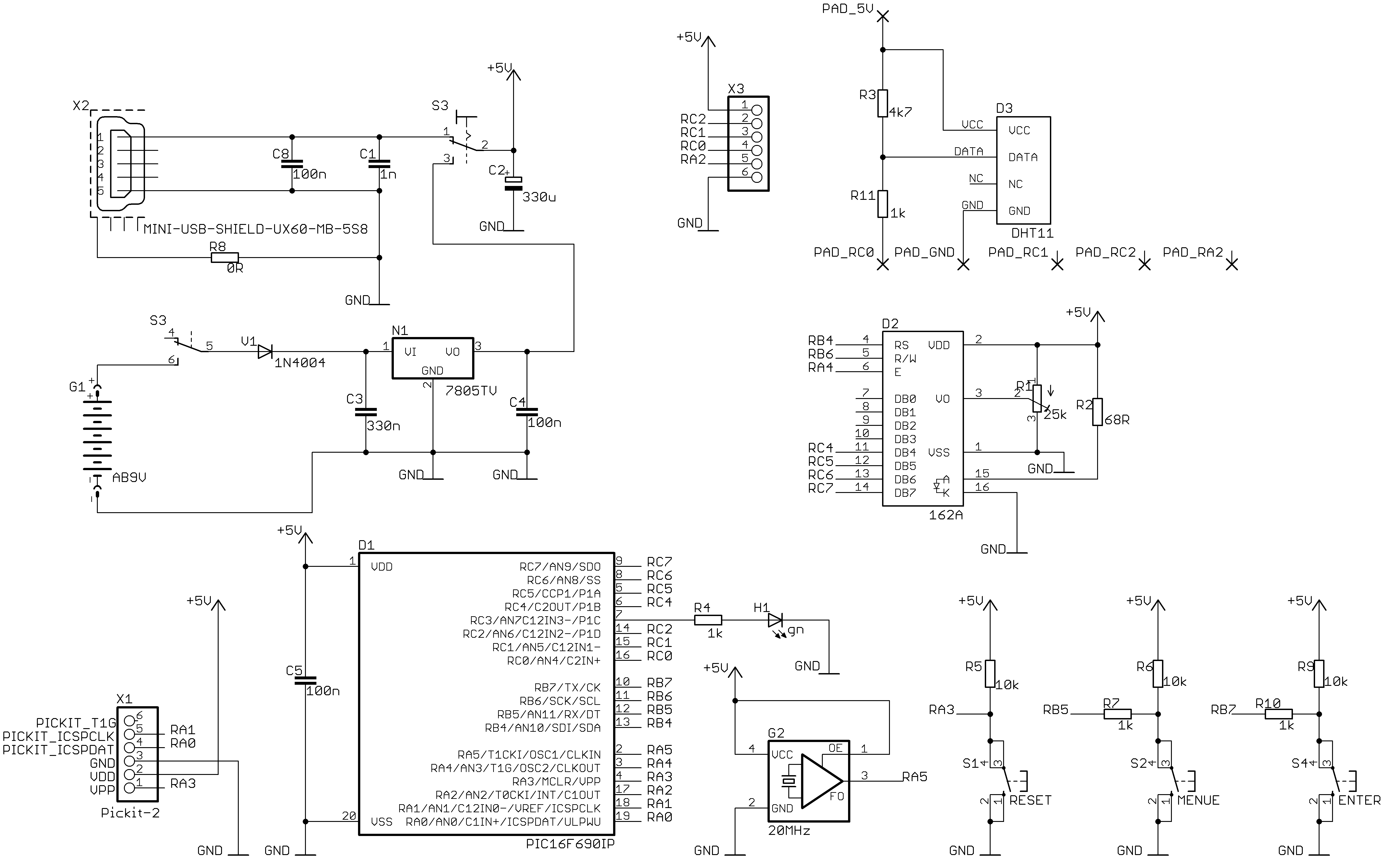
Paula Necas schrieb: > dass es mit der PORT-Zuteilung von meinem Projekt her > passt Für den Sensor: Momentan ist RC0 ausgewählt. In diesen Zeilen kannst du es ändern.
1 | sbit Data at RC0_bit; |
2 | sbit DataDir at TRISC0_bit; |
Fürs LCD:
1 | sbit LCD_RS at RB4_bit; |
2 | sbit LCD_EN at RA4_bit; |
3 | sbit LCD_D4 at RC4_bit; |
4 | sbit LCD_D5 at RC5_bit; |
5 | sbit LCD_D6 at RC6_bit; |
6 | sbit LCD_D7 at RC7_bit; |
7 | sbit LCD_RS_Direction at TRISB4_bit; |
8 | sbit LCD_EN_Direction at TRISA4_bit; |
9 | sbit LCD_D4_Direction at TRISC4_bit; |
10 | sbit LCD_D5_Direction at TRISC5_bit; |
11 | sbit LCD_D6_Direction at TRISC6_bit; |
12 | sbit LCD_D7_Direction at TRISC7_bit; |
Bitte melde dich an um einen Beitrag zu schreiben. Anmeldung ist kostenlos und dauert nur eine Minute.
Bestehender Account
Schon ein Account bei Google/GoogleMail? Keine Anmeldung erforderlich!
Mit Google-Account einloggen
Mit Google-Account einloggen
Noch kein Account? Hier anmelden.

