Moin Moin liebe Freunde der elektronischen Schaltungen, ich habe im Grunde folgendes Problem: Ich habe eine Spannungsquelle, die mir nach dem Einschalten 15V liefert und dann mit ca. 10V/ms die Spannung hochfährt. Dabei kann die Spannung bis zu 1200V erreichen. Mit dieser Quelle muss ich einen 10uF Kondensator auf 15-18V aufladen und das möglichst schnell. Bislang habe ich dazu immer einen Längsregler mit IGBT verwendet. Allerdings muss dafür die Spannung auf ca. 25V ansteigen, bevor der Kondensator den gewünschten Spannungswert erreicht hat. Grund dafür ist die bei IGBTs recht hohe Threshold Spannung. Ich würde diesen Vorgang gerne ein wenig beschleunigen. Aber die einzigen Möglichkeiten die mir bisher eingefallen sind, erscheinen mir viel zu aufwendig. Ich bin für jedwede Vorschläge dankbar. Viele Grüße Dirk
Einmalig aufladen oder auf dem Pegel halten? Sonst Lad den Kondensator mit den 15V direkt und ab 18V wird er über was auch immer du möchtest abgetrennt von der Spannung??
Könnte man mit nem Spannungsfolger und nem 1200V-Mosfet machen. Da dürften die 15V schon ab etwa 17V Eingangsspannung zur Verfügung stehen. Verbraucht auch sehr wenig Ruhestrom, müsstest dazu aber ne micropower-Referenz nutzen, nicht nur wie üblich ne Z-Diode.
Meinte natürlich einen Emitterfolger bzw. in dem Fall einen Sourcefolger.
Bumm schrieb: > Einmalig aufladen oder auf dem Pegel halten? > > Sonst Lad den Kondensator mit den 15V direkt und ab 18V wird er über was > auch immer du möchtest abgetrennt von der Spannung?? Es reicht vollkommen wenn der Kondensator einmalig aufgeladen wird. Er dient einer nachgestellten Schaltung als Quelle, die einmalig einen Rechteckimpuls erzeugen soll. 0815 schrieb: > Könnte man mit nem Spannungsfolger und nem 1200V-Mosfet machen. Haben die 1200V Fets nicht auch eine Threshold Spannung die im Bereich von 4V liegt? Oder gibt es da je nach Typ und Hersteller starke Unterschiede?
Endlich jemand,der etwas Aufwand nicht scheut ,um einen Rechteckinpuls zu erzeugen. Bravo !
Dirk Bösche schrieb: > Haben die 1200V Fets nicht auch eine Threshold Spannung die im Bereich > von 4V liegt? Oder gibt es da je nach Typ und Hersteller starke > Unterschiede? War jetzt einfach mal davon ausgegangen, daß es davon auch Logik-Typen gibt. Zumindest würde jeder Fet deutlich weniger Spannungsabfall als ein IGBT ermöglichen. Was Besseres wirst Du nur mit echten Regelkreisen hinbekommen, also bei max. 1200V dann vermutlich deutlich komplexer...
Ansonsten halt etwas aus zwei Stufen bauen. Eine Low-Drop-Stufe mit einem PNP-Transistor für den unteren Spannungsbereich, die bei genügend Spannung gesperrt wird und an eine Hochvolt-Stufe übergibt. Was für ein Strom wird eigentlich verlangt? 10mA bei 1200V sind schon eine ziemlich unschöne Sache für einen Linearregler.
Also die 1200V sollen über einen Längsregler auf 15V gebracht werden? Warum nicht das Gate von 0V auf 15V+Vthreshold steuern und die Source an den Kondi? Und was heißt schnell in Zahlen?
Dirk Bösche schrieb: > Ich habe eine Spannungsquelle, die mir nach dem Einschalten 15V liefert > und dann mit ca. 10V/ms die Spannung hochfährt. Dabei kann die Spannung > bis zu 1200V erreichen. Was soll das denn sein? 15V bis 1200V ? Irgendwas stimmt da an deinem Konzept nicht. Werd mal konkret.
Ein Low-Dropout Regler ist erforderlich bei 16Vein und 15Vaus. Ein Ultra-High-Dropout Regler ist besser bei 1200Vein und 15Vaus.
Dirk Bösche schrieb: > Ich habe eine Spannungsquelle, die mir nach dem Einschalten 15V liefert > und dann mit ca. 10V/ms die Spannung hochfährt. Dabei kann die Spannung > bis zu 1200V erreichen. Mit dieser Quelle muss ich einen 10uF > Kondensator auf 15-18V aufladen und das möglichst schnell. Dann nimm doch eine andere Spannungsquelle, die nicht bis 1200V hochfährt, sondern nur bis 18V. Und anstelle des Längsreglers nimmst Du ein Relais, das rechzeitig abgeschaltet wird.
Einen wunderschönen Tag wünsche ich allen. So dann wollen wir mal die neuen Beiträge ein wenig abarbeiten. GB schrieb: > http://www.st.com/web/en/resource/technical/docume... Leider ist der Collector-Strom sehr gering. Selbst wenn ich den Kondensator mit konstant 200mA laden würde, dauert das ca. 750us. In der Zeit ist auch die Spannung auf 22,5V gestiegen. Da könnte ich dann schon wieder den IBGT verwenden. 0815 schrieb: > War jetzt einfach mal davon ausgegangen, daß es davon auch Logik-Typen > gibt. Zumindest würde jeder Fet deutlich weniger Spannungsabfall als ein > IGBT ermöglichen. Mir ist bislang kein Logik-Typ für solch hohe Spannungen untergekommen. Aber natürlich hast du recht. Die 4V von einem Hochvolt Mosfet sind immernoch weniger als die 7V von einem IGBT. magic smoke schrieb: > Ansonsten halt etwas aus zwei Stufen bauen. Eine Low-Drop-Stufe mit > einem PNP-Transistor für den unteren Spannungsbereich, die bei genügend > Spannung gesperrt wird und an eine Hochvolt-Stufe übergibt. Das wäre natürlich das Optimum. Allerdings habe ich keine Idee, wie ich das am besten umsetzte. Denn dann müsste ich den IGBT wieder vor die Low-Drop-Stufe setzen. Aber dann kann ich mir den nachgestellten Regler auch sparen. magic smoke schrieb: > Was für ein Strom wird eigentlich verlangt? 10mA bei 1200V sind schon > eine ziemlich unschöne Sache für einen Linearregler. Der Linearregler muss nur im unteren Spannungsbereich arbeiten. Eben nur so lange, bis die Spannung über dem Kondensator auf 15-18V angewachsen ist. Danach muss er keinen weiteren Strom tragen. Die 1200V ist aber die maximale Spannung, die der Wandler überleben können muss. Abdul K. schrieb: > Also die 1200V sollen über einen Längsregler auf 15V gebracht werden? > Warum nicht das Gate von 0V auf 15V+Vthreshold steuern und die Source an > den Kondi? Und was heißt schnell in Zahlen? Ein wenig anders. Die Spannungsquelle springt schnell auf 15V und steigt dann recht linear mit 10V/ms an. Nach dem einschalten der Quelle soll ein Kondensator auf 15-18V geladen werden. Wenn ich einen Linearregler mit IGBT verwende bedeutet das, dass die Spannung auf ca. 25V ansteigen muss, bevor der Kondensator die 18V Grenze erreicht. Bis die Quelle diesen Spannungswert erreicht hat, geht 1ms ins Land. Schön wäre halt, wenn der Spannungsfall über dem Linearregler möglichst gering ausfallen würde, damit die Verzugsszeit bis zum Erreichen der 15-18V über dem Kondensator minimiert würde. Das Problem dabei ist aber, dass im Extremfall 1200V an dem Eingang des Linearreglers auftauchen können. Er muss also über eine recht hohe Spannungsfestigkeit verfügen. Michael_ schrieb: > Was soll das denn sein? 15V bis 1200V ? > Irgendwas stimmt da an deinem Konzept nicht. > Werd mal konkret. Hmm, nö. Ich habe zu Beginn doch hinreichend das Problem beschrieben. Ich werde da auch nicht weiter ins Detail gehen, weil ich dazu schlicht und einfach keine Notwendigkeit sehe. An dem Konzept kann ich leider auch nichts ändern, weil ich leider keinen Einfluss auf die Quelle habe. Da malt leider die Physik die Gesetze. Bernd K. schrieb: > Ein Low-Dropout Regler ist erforderlich bei 16Vein und 15Vaus. > Ein Ultra-High-Dropout Regler ist besser bei 1200Vein und 15Vaus. Zu Beginn habe ich ja 16V ein und hätte gerne 15V aus. Aber die Spannung kann leider auch bis auf 1200V klettern. Dirk J. schrieb: > Dann nimm doch eine andere Spannungsquelle, die nicht bis 1200V > hochfährt, sondern nur bis 18V. Und anstelle des Längsreglers nimmst Du > ein Relais, das rechzeitig abgeschaltet wird. Das ist mir leider nicht möglich. Die Quelle ist fest vorgegeben und auf die habe ich leider keinen Einfluss. Ich kann nur versuchen das Optimum aus der Quelle herauszuholen.
Wo ist das Problem 2 Darlingtons parallel zu schalten? Der Darlington IST die lösung hier.
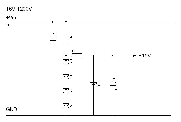
Vielleicht habe ich ja auch die Frage falsch verstanden, oder habe einen Denkfehler. Aber nimm doch einfach Zenerdioden. Habe eine einfache Idee drangehängt. C1 müsste man so dimensionieren, dass er den 10µ sicher und schnell auflädt. Den Widerstand R2 könnte man sehr niederohmig auslegen. R3 dafür wesentlich höher Ich weiß jetzt aber auch nicht wie belastbar Vin ist. War nur eine Idee :-) Gruß Thomas
@ Thomas B. (thombde) >Vielleicht habe ich ja auch die Frage falsch verstanden, oder habe einen >Denkfehler. Mindestens letzeres. Ein einfacher Spannungsregler mit Vorwiderstand und Z-Diode ist einem Regler mit Transistor weit unterlegen, erst recht in diesem Fall.
Falk Brunner schrieb: > Ein einfacher Spannungsregler mit Vorwiderstand und > Z-Diode ist einem Regler mit Transistor weit unterlegen, erst recht in > diesem Fall. Das will ich auch nicht anzweifeln :-) Er hat aber auch geschrieben, dass der Kondensator einmalig und möglichst schnell auf 15-18V aufgeladen werden soll. Danach wird die Spannung nicht mehr gebraucht. Warum sollte ich da noch einen Längsregler verwenden.
Durch die enorm hohe Maximalspannung denke ich nach wie vor, daß ein HV-Mosfet die beste Wahl sein dürfte. Gibt´s denn sowas wirklich nicht als Logik-Fet? Beim Darlington ist fraglich, ob der bei unter 4V drop noch genug Verstärkung hat, um den Kondensator schnell zu laden. Weil der Vorwiderstand muss ja hoch genug gewählt werden, um auch bei 1200V keine Heizung darzustellen.
Thomas B. schrieb: > War nur eine Idee :-) Ich bin immer für jede Idee dankbar. Ich müsste mir den Schaltplan mal in einer ruhigen Minute genau angucken und ggf Dimensionieren. Falk Brunner schrieb: > Hochvolt NPN? Moin Falk, fällt dir aus dem Stegreif ein Standarttyp ein? Sonst muss ich halt mal bei Farnell die Datenbank durchwühlen. 0815 schrieb: > Beim Darlington ist fraglich, ob der bei unter 4V drop noch genug > Verstärkung hat, um den Kondensator schnell zu laden. Weil der > Vorwiderstand muss ja hoch genug gewählt werden, um auch bei 1200V keine > Heizung darzustellen. Den Basiswiderstand könnte man im Einschaltmoment mit einem Kondensator "Überbrücken" und den Transistor beschleunigen.
Dirk Bösche schrieb: > Es reicht vollkommen wenn der Kondensator einmalig aufgeladen wird. Er > dient einer nachgestellten Schaltung als Quelle, die einmalig einen > Rechteckimpuls erzeugen soll. Dirk Bösche schrieb: > Der Linearregler muss nur im unteren Spannungsbereich arbeiten. Eben nur > so lange, bis die Spannung über dem Kondensator auf 15-18V angewachsen > ist. Danach muss er keinen weiteren Strom tragen. Die 1200V ist aber die > maximale Spannung, die der Wandler überleben können muss. Eben, einfach nur ein par Z-Dioden in Reihe. Das ist doch eine Fangfrage oder??
Dirk Bösche schrieb: > Den Basiswiderstand könnte man im Einschaltmoment mit einem Kondensator > "Überbrücken" und den Transistor beschleunigen. Eben nicht. Der Kondi müsste ja schon bei z.B. 17V wirksam sein, und damit ziemlich groß ausfallen. Wenn der Eingang dann auf 1200V hochschnellt, haut es die Referenz weg.
Noch ne Idee...man nehme statt eines Widerstands einen (mehrere) PTC(s). Die Z-Diode recht stark ausgeführt, oder als Suppressordiode. Daran sollte sich ein Darlington als Emitterfolger eignen.
Und nun nochmal ne blöde Frage. Welche Spannungsfestigkeit ist bei dem NPN Linearregler entscheidend VCBO oder VCBO? Im Grunde müsste es doch ICBO sein oder?
Ich habs immer noch nicht wirklich verstanden was gewünscht ist. Mach doch mal ein Diagramm! Spannung, Zeiten, Verschaltung. Du kannst ja dein Geheimnis für dich behalten, aber es erschwert ungemein was nun gefordert ist und was erreichbar mit den gegebenen technischen Mitteln. Ist das Ziel den Kondi mit Transienten zu belasten? Dann nimm doch ne Blitzröhre und zünde die. Wenn du nicht bereit bist, die Sache sauber darzustellen, werde ich und bestimmt viele andere hier dir nicht helfen. Marktführer für Hochvolt-MOSFETs mit möglichst niedriger Gate-Spannung ist Infineon. Bei den Hochvolt-NPN kann man sich z.B. mit BU508 aus der Röhren-TV Technik bedienen. Thyristoren kommen auch ganz gut.
Moin Moin Abdul K. ich habe mal drei Bilder angehängt um für ein wenig Klarheit zu sorgen. Spannung_1.png und Spannung_2.png sind Beispiele dafür wie die Spannung verläuft. Identisch ist bei beiden der Sprung am Anfang und die Steigung danach. Netzteil.png zeigt den gegenwärtigen Aufbau. Allerdings ist der Transistor M1 im realen Aufbau ein IGBT.
Ja, damit kann man was anfangen! Fast perfekt, fehlt nur noch die ASC-Datei. Also das erste Treppchenstüfchen soll komplett weg und der maximale Strom für den Kondi wäre was? Einfach möglichst viel und daher schnellster Spannungsanstieg? Also im Prinzip sowas wie ein EMV-Pulsgenerator.
Das Treppenstüfchen bekommt man nicht weg, das hat mit der Physik der Quelle zu tun. Ich will einfach nur so schnell wie möglich den Kondensator C2 auf 18V aufladen. Sobald er diesen Wert erreicht hat, löst er einen Impulsgeber aus, der einen einzigen Impuls mit einer Breite von 500us abgibt. Dabei wird der Kondensator um ca. 1V entladen. Er brauch aber nicht wieder aufgeladen zu werden. Im Grunde könnte auch die Stromüberwachung (Q2 R3) raus. Weil der IGBT aber eine so hohe Threshold Spannung hat, dauert es halt ca. 1ms bis C2 auf 18V gekommen ist. Diese Zeit würde ich gerne ein wenig verkürzen.
Nach deiner Zeichnung hat die Spannungsquelle keinen Innenwiderstand. Da könntest du doch genauso gut 20V nehmen und den Transistor kurz einschalten. Im strommäßigen Leerlauf halten Halbleiter deutlich mehr Spannung aus.
Das liegt daran, dass der Strom, den mir die Quelle zur Verfügung stellen kann, schwankt. Mal kann sie 5A mal bis zu 300A liefern. Das hat aber keinen negativen Einfluss auf den Verlauf der Quellenspannung. Im Gegenteil, je höher der Strom ist den ich aus der Quelle ziehe, desto größer wird auch deren Spannung. Das Problem ist aber, dass ich neben dieser Quelle keine weiteren zur Verfügung habe. Ich muss sämtliche Energie, die ich benötige aus der Quelle entnehmen. Abdul K. schrieb: > Nach deiner Zeichnung hat die Spannungsquelle keinen Innenwiderstand. Da > könntest du doch genauso gut 20V nehmen und den Transistor kurz > einschalten. Im strommäßigen Leerlauf halten Halbleiter deutlich mehr > Spannung aus. Dann läuft es also darauf hinaus, dass ich mit einem hochvolt NPN (oder Dalington) den Kondensator auflade und dann (sobald die nötige Spannung erreicht ist) die Basis auf Masse ziehe.
@ Dirk Bösche (kahless) >stellen kann, schwankt. Mal kann sie 5A mal bis zu 300A liefern. Das hat >aber keinen negativen Einfluss auf den Verlauf der Quellenspannung. Im >Gegenteil, je höher der Strom ist den ich aus der Quelle ziehe, desto >größer wird auch deren Spannung. Was für eine merkwürdige Quelle soll das denn sein? >Dann läuft es also darauf hinaus, dass ich mit einem hochvolt NPN (oder >Dalington) den Kondensator auflade und dann (sobald die nötige Spannung >erreicht ist) die Basis auf Masse ziehe. Was soll das bringen? Der Strom fließt trotzdem durch den Basisvorwiderstand.
Falk Brunner schrieb: > Was soll das bringen? Der Strom fließt trotzdem durch den > Basisvorwiderstand. Dem wollte ich mit einer Darlington-Schaltung ein wenig entgegenwirken. Aber bei meiner Suche nach passenden Transistoren musste ich schnell feststellen, das sowas bei der Spannung nicht allzu marktüblich ist. Hochvolt FETs haben eine Vth von ca. 4V, sind demnach zwar besser als ein IGBT, kosten dafür aber gleich ein vielfaches.
@Dirk Bösche (kahless) >Hochvolt FETs haben eine Vth von ca. 4V, sind demnach zwar besser als >ein IGBT, kosten dafür aber gleich ein vielfaches. Ja und? Willst du das 1 Million mal aufbauen? So wie das klingt ist das doch eine exotische Einzelanwendung. Was spielen da ein paar Euro für eine Rolle? Was man machen könnte ist, wenn der Kondesator erstmal bis vielleicht 10V geladen ist, einen Mini-Step Up Wandler starten, der 25V für das Gate erzeugt. Dennoch ist fraglich, ob man das WIRKLICH so umsetzen sollte. Meistens gibt es mehrere, oft bessere Lösungen, wenn man das im Gesamtzusammenhang betrachtet und andere Ansätze wählt. Sei es ein Batterie, SuperCap, oder ein grundlegend anderer Ansatz. Warum soll der so schnell aus der Quelle geladen werden? Was macht die Spannung über dem C?
Sehr wirr oder bin nur ich zu blöde es zu verstehen? Du kannst mal bei IXYS gucken. Aber wenn du jetzt nun mit Eurokämpferei ankommst, wirds schwierig.
Falk Brunner schrieb: > Ja und? Willst du das 1 Million mal aufbauen? So wie das klingt ist das > doch eine exotische Einzelanwendung. Was spielen da ein paar Euro für > eine Rolle? Das klingt nach einer exotischen Einzelanwendung, weil ich leider nicht näher auf die Hintergründe eingehen darf. Aber im Grunde gibt es einen sehr konkreten Anwendungsfall. Falk Brunner schrieb: > Was man machen könnte ist, wenn der Kondesator erstmal bis vielleicht > 10V geladen ist, einen Mini-Step Up Wandler starten, der 25V für das > Gate erzeugt. An so etwas in der Richtung habe ich auch schon gedacht. Meine Idee war, mittels Flusswandler den Kondensator zu laden. Das wäre dann auf eine Art Einpulswandler hinausgelaufen. Aber das wäre dann auch schon wieder mit Kanonen auf Spatzen geschossen. Es muss doch auch einfacher gehen. Abdul K. schrieb: > Sehr wirr oder bin nur ich zu blöde es zu verstehen? Das erstere wird wohl eher zutreffen. Allein der Spannungsverlauf löst massive Verwirrungen aus, wenn man nicht weiß welche Quelle sich so verhält. Abdul K. schrieb: > Du kannst mal bei IXYS gucken. Aber wenn du jetzt nun mit Eurokämpferei > ankommst, wirds schwierig. Mir sind die Kosten relativ egal. Der Firma, die mir das ganze aber mehr oder weniger finanziert aber leider nicht. Naja ich werde da noch ein wenig Hirnschmalz investieren und wenn ich dann nicht zu einer halbwegs anständigen Lösung komme tut es mir halt leid. Dann muss ich mit der aktuellen Lösung leben. Aber dennoch vielen lieben Dank an alle, die einen Teil ihrer Zeit geopfert haben mir ein wenig zu helfen. Meine letzte Idee wäre noch eine Kaskadenschaltung, wie sie Falk hier schon mal im Forum beschrieben hat. Oder die Version von Jörg Rehrmann. Ich müsste halt nur dafür sogen, dass ich sie anständig ausschalte, wenn der Kondensator geladen ist.
Falk Brunner schrieb: >>stellen kann, schwankt. Mal kann sie 5A mal bis zu 300A liefern. Das hat >>aber keinen negativen Einfluss auf den Verlauf der Quellenspannung. Im >>Gegenteil, je höher der Strom ist den ich aus der Quelle ziehe, desto >>größer wird auch deren Spannung. > > Was für eine merkwürdige Quelle soll das denn sein? …und könnte man diese Merkwürdigkeit nicht insofern nutzen, als dass man nur den Strom in Anspruch nimmt, der exakt die Ladespannung zum Ergebnis hat? (Man überlege sich einmal die notwendige Leistung, den Kurzschlussstrom zur Verfügung zu stellen. 5A@18V sähe ich ein, aber ein Sprung auf 1200V bei 300A ist ein starker Schlag.)
@Dirk Bösche (kahless) >> 10V geladen ist, einen Mini-Step Up Wandler starten, der 25V für das >> Gate erzeugt. >An so etwas in der Richtung habe ich auch schon gedacht. Meine Idee war, >mittels Flusswandler den Kondensator zu laden. Nö, Sperrwandler, ne kleine Spule reicht. > Das wäre dann auf eine >Art Einpulswandler hinausgelaufen. Aber das wäre dann auch schon wieder >mit Kanonen auf Spatzen geschossen. Es muss doch auch einfacher gehen. Warum? Gerade bei Einzelanwendungen ist das doch eagl. >Mir sind die Kosten relativ egal. Der Firma, die mir das ganze aber mehr >oder weniger finanziert aber leider nicht. Immer dieses Gerede um Kosten, wenn noch mal ansatzweise eine Lösung klar ist. Was soll das? >Meine letzte Idee wäre noch eine Kaskadenschaltung, wie sie Falk hier >schon mal im Forum beschrieben hat. Hab ich das? Wo denn? >Ich müsste halt nur dafür sogen, dass ich sie anständig ausschalte, wenn >der Kondensator geladen ist. Warum? Deiner Beschreibung der Quelle nach ist es doch vollkommen egal, ob deine Schaltung später noch paar mA zieht oder nicht. Und selbst wenn man den Wandler "abschalten" will, ist das easy. Das macht ein Sperrwandler praktisch allein, wenn er ein kapazitive Last voll geladen hat. Denn dann wartet er solange, bis die Ausgangsspannung untern einen kritischen Wert geafllen ist und fängt dann erneut mit Laden an. Diskintinuierlicher Betrieb.
Falk Brunner schrieb: > Warum? Deiner Beschreibung der Quelle nach ist es doch vollkommen egal, > ob deine Schaltung später noch paar mA zieht oder nicht. Und selbst wenn > man den Wandler "abschalten" will, ist das easy. Das macht ein > Sperrwandler praktisch allein, wenn er ein kapazitive Last voll geladen > hat. Denn dann wartet er solange, bis die Ausgangsspannung untern einen > kritischen Wert geafllen ist und fängt dann erneut mit Laden an. > Diskintinuierlicher Betrieb. Meiner Quelle ist das vollkommen egal. Da hast du absolut recht. Aber ich dachte immer, dass sich ein Sperrwandler, sofern man ihn nicht regelt, irgendwann selbst zerstört. Er würde doch die Spannung über dem Kondensator hochfahren bis dieser (entschuldigt die Ausdrucksweise) den Arsch zukneift. Aber da ich schon so viele Beiträge von Falk gelsen habe, bin ich mir zu 99% sicher, dass ich mich irre und du recht hast.
@ Dirk Bösche (kahless) >ich dachte immer, dass sich ein Sperrwandler, sofern man ihn nicht >regelt, irgendwann selbst zerstört. Das tut er auch. Aber davon war ja nicht die Rede. Im einfachsten Fall reicht es schon die Ausgangsspannung mit einer Z-Diode zu begrenzen. Wenn der Step-Up durch die richtige Wahl von Induktivität und Schaltfrequenz in der AusgangsLEISTUNG begrenzt ist, passt das. >Aber da ich schon so viele Beiträge von Falk gelsen habe, bin ich mir zu >99% sicher, dass ich mich irre und du recht hast. ;-)
Warum nicht die 18V am Kondensator mittels Komparator erfassen und die Quelle abtrennen ?
Bistabiles relais bei 18 v ausschaltimpuls geben, nach erfolgtem ausgangsimpuls wieder einschalten. Flip
Impulstrafo mit Übersetzungsverhältnis von z.B. 1:2. Eingangsseitig HV-Kondensator mit parallelem Entladewiderstand vorschalten, Ausgang des Trafos wirkt gegen eine Z-Diode o.ä. Das Ganze steuert das Gate des IGBTs/Mosfets. Funktioniert sogar ganz ohne Mosfet, aber dann würden die Teile vermutlich zu groß...
IXYS hat auch 1700V Depletion-FET IXTT2N170D2 und IXTH2N170D2. Damit würde sich doch was machen lassen. http://ixapps.ixys.com/Viewer.aspx?p=http%3a%2f%2fixapps.ixys.com%2fDataSheet%2fDS100418B(IXTH-T2N170D2).pdf Arno
1700V Depletion-FET ist natürlich eine sehr feine Sache. Damit lässt sich das sehr einfach aufbauen. Muss mal gucken, wo ich das Ding herbekomme. Sonst muss ich mal direkt Kontakt mit dem Hersteller aufnehmen.
Dann schnall dich aber an, wenn du den Preis nachfragst ;-)
Falk Brunner schrieb: > Dann schnall dich aber an, wenn du den Preis nachfragst ;-) Sicherheitsgut ist angelegt und Spuckeimer liegt bereit. Vielleicht habe ich ja Glück und man stellt mir ein paar zur Verfügung, damit ich wenigstens einen Prototypen zusammenschrauben kann.
Dirk Bösche schrieb: > Ich bin für jedwede Vorschläge dankbar. Bistabiles Relais das sich über einen Kontakt selbst abtrennt.
brauchst du die 18V? oder wäre z.B. auch ein 5V Impuls möglich, der mit einem Impulsübertrager auf 18V hochtransformiert wird?
Vor einer Quelle, die bei 1200V 5-300A liefert, hätte ich Angst. Begrenze doch die Spannung mit einer Z-Diode und Widerstand und lade einen Kondensator mit der 10-fachen(?) Kapazität auf. Sagen wir mal 50V. Von diesem kannst du doch dann deinen eigentlichen C laden. Über die Dimensionierung kann man streiten.
Einfaches kompliziert machen ! … weil der Durchblick fehlt ?
Bitte melde dich an um einen Beitrag zu schreiben. Anmeldung ist kostenlos und dauert nur eine Minute.
Bestehender Account
Schon ein Account bei Google/GoogleMail? Keine Anmeldung erforderlich!
Mit Google-Account einloggen
Mit Google-Account einloggen
Noch kein Account? Hier anmelden.



