Hallo zusammen, ich bin auf der Suche nach einem Steckverbinder für das NI myRio. Auf der Herstellerseite wird der SH4-34G-RP empfohlen: http://www.on-shore.com/part/sh4-xxg-xx-interconnect-stamped-line-socket-strip-double-row-right-angle Ich habe aber keinen Möglichkeit gefunden, diesen in Deutschland zu beziehen. Bei Conrad habe ich nur einen Steckverbinder ohnen Nase gefunden, was ich nicht so gut finde: http://www.conrad.de/ce/de/product/741267/Doppelreihige-Buchsenleiste-RM-254-gewinkelt-Pole-2-x-17-10120824-BKL-Electronic-Inhalt-1-St?ref=list Hat jemand einen Idee, wo ich so einen Verbinder mit Nase bekommen? Danke im Voraus! Grüße Jan
Bei Reichelt schon gegugt?
Teo Derix schrieb: > Bei Reichelt schon gegugt? Ja, aber vielleicht fehlt mir einfach der richtige Suchbegriff.
Jan schrieb: > Hat jemand einen Idee, wo ich so einen Verbinder mit Nase bekommen? Meinst du mit "mit Nase" soetwas? http://de.rs-online.com/web/p/leiterplatten-buchsen/6563888/
Jo! Danke! Geschenkt sind die aber auch nicht gerade! ;-)
Scheint sich um einen IDE/PATA Steckverbinder zu handeln?!
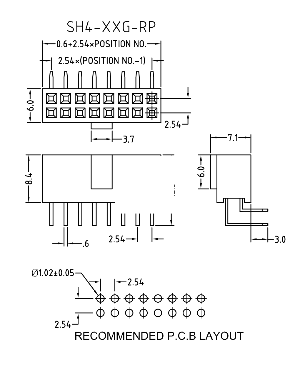
Teo Derix schrieb: > Scheint sich um einen IDE/PATA Steckverbinder zu handeln?! Könnte sein. Im Anhang die technische Zeichnung des oben erwähnten SH4-34G-RP (3-polig).
Bitte melde dich an um einen Beitrag zu schreiben. Anmeldung ist kostenlos und dauert nur eine Minute.
Bestehender Account
Schon ein Account bei Google/GoogleMail? Keine Anmeldung erforderlich!
Mit Google-Account einloggen
Mit Google-Account einloggen
Noch kein Account? Hier anmelden.
