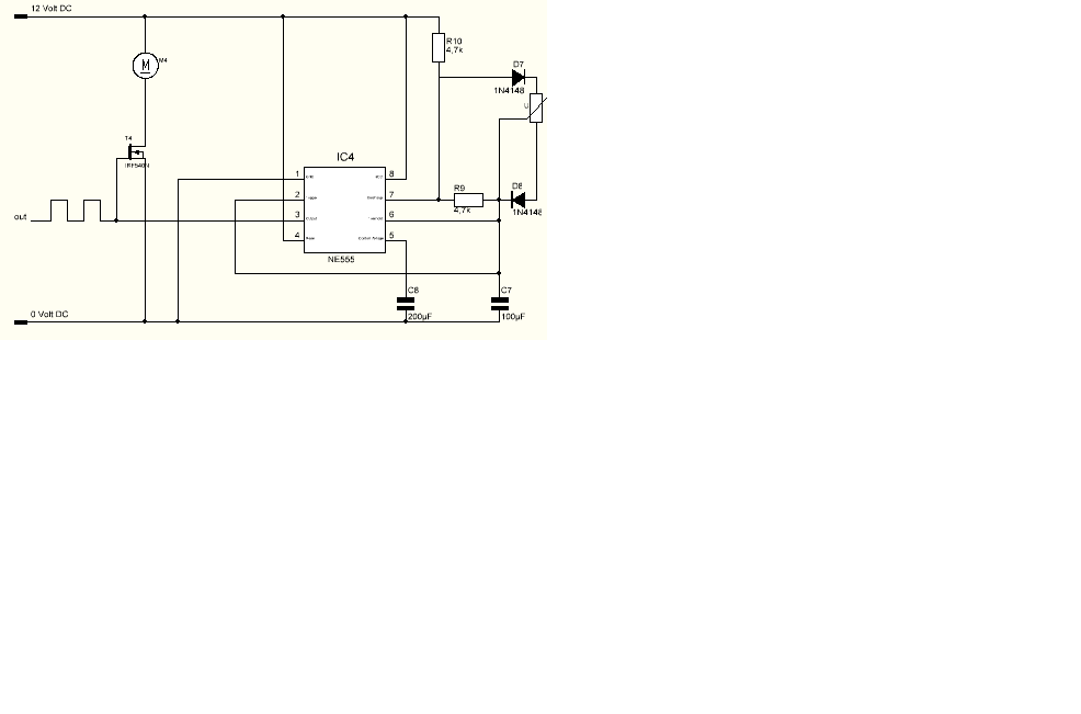
Hallo liebe Leute, ich versuche derzeit den NE555 besser kennen zu lernen. Leider zickt er irgendwie rum. Ich habe es so verdrahtet wie es in der Angehängten Datei zu sehen ist. Sobald ich den Motor dann einschalte, fährt er langsam hoch bis er sein max. erreicht hat. Da kann ich dann am Poti drehen wie ich will, es ändert sich nichts. Zum Ausprobieren habe ich alles an 5 Volt angeschloßen und eine LED an Pin 3 gegen GND gehalten, da blinkt sie. Wenn ich die LED jedoch anstelle des Motors halte, leuchtet sie dauerhaft. Nun frage ich mich woran es liegt. Habe ich in der Verdrahtung generell was falsch gemacht? Glaube ich nicht, da die LED ja direkt am Pin 3 blinkt. Ich meine sogar in unterschiedlichen Frequenzen, jedoch nur minimal. Ist es evtl. nur der Verkehrte Mosfet (brauche ich vllt. einen P-Channel)? Leider habe ich keinen P-Channel zur Hand um es mal eben auszuprobieren. Wird mich freuen wenn mir jemand von euch einen Rat geben könnte.
Wilfried Bergmann schrieb: > Wird mich freuen wenn mir jemand von euch einen Rat geben könnte Ich vermisse hier die nötige Freilaufdiode über dem Motor... Mit welcher Frequenz soll denn dein Motor angesteuert werden? Warum? Sind die entsprechenden Bauteile richtig ausgewählt?
Die Frequenz ist mir im Grunde noch egal, mir geht es ja jetzt erstmal um das Problem an sich. Ich möchte ja im Nachhinein, wenn es soweit richtig läuft, mit verschiedenen Kondensatoren bzw. Frequenzen herum experimentieren. Die Bauteile sollten was Spannungen und Ströme richtig gewählt sein. Auf was bezieht sich denn das Warum?
Wilfried Bergmann schrieb: > Die Frequenz ist mir im Grunde noch egal, mir geht es ja jetzt erstmal > um das Problem an sich. Ich möchte ja im Nachhinein, wenn es soweit > richtig läuft, mit verschiedenen Kondensatoren bzw. Frequenzen herum > experimentieren. Schwierig eine Schaltung zu beurteilen, wenn man nicht weis was sie tun soll. Größenordnung wie 10Hz 100Hz 1000Hz würden schon einen Anhaltspunkt geben. > Die Bauteile sollten was Spannungen und Ströme richtig gewählt sein. Du weist nicht ob das so ist? Von irgendwo die Schaltung nachgebaut? Von wo? > Auf was bezieht sich denn das Warum? Motor ist nicht gleich Motor. Was ist das für einer? Wieviel Strom zieht der? Vielleicht ist die gewählte Frequenz (Von der wir ja nicht wissen wie hoch sie ist und wie hoch sie sein soll) zu gering? Schon die Freilaufdiode drin?
Bau mal einen 100nF zwischen Masse und Vcc ein.
Der Motor ist ein 12 V Dc Motor, von Pollin. Er zieht im Leerlauf rund 2 Ampere. Die Bauteile sind richtig gewählt, wie gesagt Spannungen und Ströme zerstören die Schaltung nicht. Nachgebaut habe ich es nicht, ist selber zusammengestellt. Die Freilaufdiode habe ich eingefügt, seit dem hat der Motor fast gar keine Kraft mehr. Scheint so als würde ich mit der Diode den Motor kurzschließen. Wie gesagt, mein Problem ist ja das am IC ein pulsierendes Signal rauskommt. Aber an dem Stecker wo ich den Motor anschließe ein Dauersignal rauskommt. Ich versuche es morgen noch mit einem p-channel mosfet, evtl. hilft es ja. P.S. Den Kondensator zwischen GND und VCC is nun auch drin, hilft leider nicht.
:
Bearbeitet durch User
Wilfried Bergmann schrieb: > Die Freilaufdiode habe ich eingefügt, seit dem hat der Motor fast gar > keine Kraft mehr. Scheint so als würde ich mit der Diode den Motor > kurzschließen. Vielleicht solltest du sie andersrum drehen Deine Kondensatorwerte 100uF und 200uF sind um den Faktor 100 bis 1000 zu gross, je nach dem wie gross der NATÜRLICH nicht angegebene Potiwert ust. Ein PMOSFET ist keine Lösung.
Mein Problem hat sich jetzt gelöst. War mein Fehler, ich habe Drain und Source beim Löten vertausch...nun klappt es zumindest wenn ich es mit einer LED teste. Dennoch danke für eure Tipps. Wieso ist ein P-Mosfet generell keine Lösung?
Wilfried Bergmann schrieb: > Wieso ist ein P-Mosfet generell keine Lösung? Weil man zum Lowside schalten normalerweise einen N-Channel verwendet. Der P-Ch würde negative Spannung am Gate brauchen um als Lowside Schalter voll durchzuschalten.
Stimmt, daran habe ich nicht gedacht...ist aber einleuchtend. Danke nochmal.
Bitte melde dich an um einen Beitrag zu schreiben. Anmeldung ist kostenlos und dauert nur eine Minute.
Bestehender Account
Schon ein Account bei Google/GoogleMail? Keine Anmeldung erforderlich!
Mit Google-Account einloggen
Mit Google-Account einloggen
Noch kein Account? Hier anmelden.
