Nabend alle zusammen, ich baue mir gerade einen UV Belichter und bin auf folgendes Problem gestoßen: Und zwar suche ich eine Möglichkeit von aussen kontrollieren zu können ob alle Röhren in Betrieb sind. Denn wie ich schon schmerzhaft feststellen mußte ist es keine gute Idee das Gerät bei geöffneten Deckel anzuschalten -arme alte Netzhaut-. Ich hatte da irgendwie an Leds gedacht, die dann eben leuchten wenn die Röhre funktioniert.Und dann eben eine Led pro Röhre. Hat vielleicht jemand eine Idee wie man so etwas realisieren kann. Oder hat vielleicht jemand eine andere Idee wie man eine Kontrollmöglichkeit einbauen kann? Gruß Rudi
Ich hab das mit LDR gelöst. An jede Röhre ein LDR und mit dem µC auswerten lassen. Funktioniert ganz gut.
Wie hast du die an der Röhre befestigt? Hast du vielleicht eine Schaltung für mich auf die du verweisen kannst? Gruß Rudi
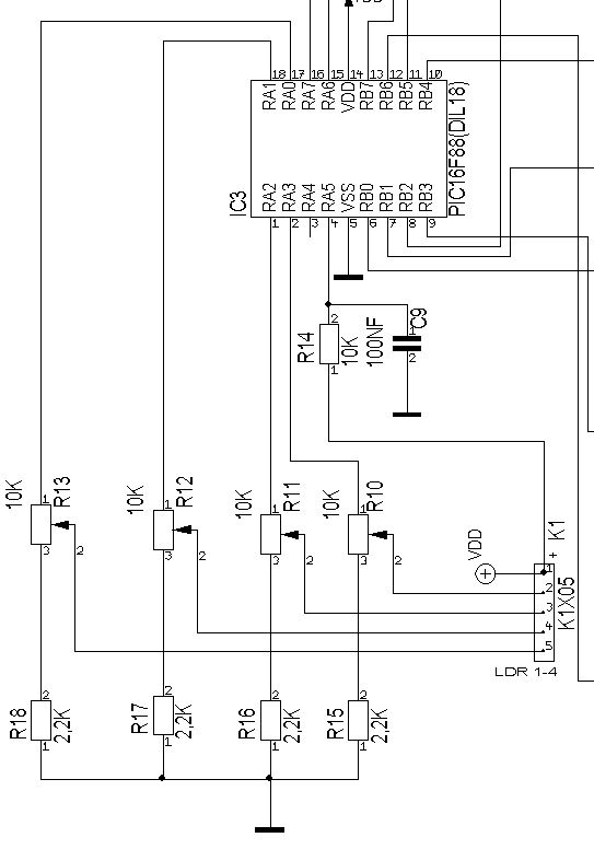
Nicht auf den Röhren festmachen. Habe sie auf den Reflektor, am Anfang der Röhre festgemacht. Schaltung ist nichts besonderes. hier ein Auszug aus meinem Schaltplan.
Ohne HW ginge es mit nach außen geführten LWL, z.B. aus einem Toslink Kabel.
MWS schrieb: > Ohne HW ginge es mit nach außen geführten LWL, z.B. aus einem Toslink > Kabel. Mit LWL hätte ich ja dann das UVlicht wieder draußen.Macht also irgendwie keinen Sinn.Oder habe ich das jetzt falsch verstanden?
Rudi P. schrieb: > Mit LWL hätte ich ja dann das UVlicht wieder draußen.Macht also > irgendwie keinen Sinn.Oder habe ich das jetzt falsch verstanden? Das wären nur kleine, recht schwaches Pünktchen, so groß wie der LWL-Querschnitt eben. Wenn Dich das UV-Licht stört, setz' irgendwas fluoreszierendes davor, fluoreszierender Kunststoff, evtl. Led-Kappen, oder mit Leuchtmarker angestrichener dünner Karton. Was halt so verfügbar ist.
Etwas fluoreszierendes davor zu setzen, geht natürlich auch am LWL auf der Lampenseite.
Bei lwl ist auch die Frage wie gut der das UV Licht weiterleitet( ist halt doch ein ganzes Stück weg von den üblichen Wellenlängen).
Klingt alles ziemlich heikel.Da ich mittlerweile weiß(mein ungewollter Selbstversuch)das UVlicht extrem Böse ist, möchte ich das Licht doch lieber dort lassen wo es hingehört- im Gerät -. Wie wäre es mit einer Transistorschaltung? Würde so etwas gehen?Habe da an die Einfachheit gedacht;kein Mikrocontroller für den man erst noch was schreiben muß, und wenige günstige Bauteile. Gruß Rudi
Geht auch mit Transistoren und LDR. Such mal im Netz nach Hell- Dunkelschaltung.
Und wie willste den Timer reallisieren ? Willste dafür eine Eieruhr umbauen ?
Stefan schrieb: > Geht auch mit Transistoren und LDR. > Such mal im Netz nach Hell- Dunkelschaltung. Danke! Werd ich machen. Gruß Rudi
MAX schrieb: > Uvex Schweißerschutzbrille Athletic 9185043 > > z.B. Guter Hinweis... Brauch ich nur noch einen Vollkörperanzug, damit meine Haut nicht auf einmal 40 Jahre mehr auf dem Buckel hat. Vielleicht mit extra Sauerstoffanschluß? :-))
Stefan schrieb: > Und wie willste den Timer reallisieren ? > Willste dafür eine Eieruhr umbauen ? Schon erledigt.Und funktioniert. http://avr-projekte.de/timer.htm Gruß Rudi
Ich dachte du willst kein µC ? Dann häng den LDR an den µC und gut ist. Das mit Transistoren zu machen ist nicht einfach, weil der Unterschied zwischen hell und dunkel, ist sehr klein. Damit wird deine Schaltung ohne µC, nicht gerade einfach zu machen sein. Da reicht nicht nur ein Transistor. Also Programm dafür schreiben.
LWL ist schon die einfachste Methode. Printaphot aus den 70ern hatte auch so eine Vorrichtung. Warum kompliziert, wenns auch einfach geht. So gefährlich ist das UV-Licht bei den Röhren auch gar nicht.
Stefan schrieb: > Ich dachte du willst kein µC ? > Dann häng den LDR an den µC und gut ist. > Das mit Transistoren zu machen ist nicht einfach, > weil der Unterschied zwischen hell und dunkel, ist > sehr klein. Damit wird deine Schaltung ohne µC, > nicht gerade einfach zu machen sein. Da reicht > nicht nur ein Transistor. > Also Programm dafür schreiben. Naja, nur weil die Timerschaltung schon einen µcontroller hat, muß es ja nicht noch einer sein. Hatte eigentlich gedacht den LDR in ein Röhrchen zu tun, und dann das ganz direkt unter der Röhre zu platzieren. Dann für den versuch ein Poti in die Schaltung rein und schauen, ab wann an/aus bzw. Hell/dunkel ist.Natürlich bei eingeschalter Röhre und ausgeschalteter Röhre.Wäre natürlich auch noch zu prüfen wie sich da mich dem Umgebungslich der anderen Röhren so verhält. Ggf.hilft es vielleicht das "Lichtloch" in der Röhre zu verkleinern, so das nur wenig Streulicht hineinkommt. Aber da ich in Sachen LDR so gar keine Erfahrungen habe (bin ja immer noch Anfänger in Sachen Elektronik)ist das alles reine Spekulation. Gruß Rudi
Logger schrieb: > LWL ist schon die einfachste Methode. Printaphot aus den 70ern > hatte auch so eine Vorrichtung. Warum kompliziert, wenns auch > einfach geht. So gefährlich ist das UV-Licht bei den Röhren auch > gar nicht. Meine Netzhaut sagt was anderes. Wenn man für den kurzen Augenblick sogar das Brennen auf der Netzhaut spürt, und merkt wie sich die Augenflüssigkeit(ich vermute) verabschiedet, dann ist das extrem gefährlich. Experimente ja, und aufpassen mit was man da rumhandtiert. Habe zumindest bei einigen im Forum die Vermutung, das sie überhaupt keine Ahnung haben wie gefährlich das alles mit UVlicht, Ätzmitteln, Flüssigkeiten, Lötmitteln, Chemiekalien aus irgendwelchen Sprühflaschen und ähnlichem ist. Bin jetzt in einem Alter, in dem mir meine körperliche Unversehrtheit mehr als wichtig ist. In jungen Jahren wird einem ja schon mal das Gehirn geklaut -keine Frage- aber irgendwann realisiert man, das man gesund sterben möchte. Daher aufpassen was man da macht. Den Fehler mit dem UVlicht hatte ich ja gerade. Erhellenden Gruß aus der nächtlichen Dunkelheit Rudi
Rudi P. schrieb: > Stefan schrieb: >> Geht auch mit Transistoren und LDR. >> Such mal im Netz nach Hell- Dunkelschaltung. > > Danke! Werd ich machen. > > Gruß > Rudi Hab etwas einfaches gefunden. http://www.elektronik-kompendium.de/forum/forum_entry.php?id=109589&page=0&category=all&order=time Werd ich morgen mal testen. Danke Stefan! Gruß Rudi
Stefan schrieb: > Ich hab das mit LDR gelöst. Als UV-spezifische Sensoren wären wohl am besten UV-LEDs geeignet. Da aber das UV-Licht ziemlich hell ist, bringen wohl auch die LDRs genug Signal. Die Frage ist, ob die LDRs durch das UV-Licht verstärkt altern. Gruss Harald
Oh Mann, Du glaubst doch nicht wirklich das am Ende des LWL die gleiche Lichtmenge(hoffe das ist richtig, der genaue techn. Terminus ist mir nicht bekannt, falls darauf jemand rumreiten will. Es sollte aber allgemein verstaendlich sein, was ich meine) herausscheint wie aus der geøffneten Box. 73
sven schrieb: > Oh Mann, Du glaubst doch nicht wirklich das am Ende des LWL die gleiche > Lichtmenge(hoffe das ist richtig, der genaue techn. Terminus ist mir > nicht bekannt, falls darauf jemand rumreiten will. Es sollte aber > allgemein verstaendlich sein, was ich meine) herausscheint wie aus der > geøffneten Box. > > 73 Ist schon klar, ob man direkt 150 Watt UVlicht abbekommt oder eben "nur" ein wenig aus irgendwelchen LWLs. Der Punkt ist doch wohl, das in den LWLs nichts verlohren geht. Und wenn mich 10 LWL von den Röhren anstrahlen ist das auf jeden Fall auch nicht gut. Daher soll das Licht bleiben wo es hingehört - in die Box- . Gruß Rudi
Harald Wilhelms schrieb: > Stefan schrieb: > >> Ich hab das mit LDR gelöst. > > Als UV-spezifische Sensoren wären wohl am besten UV-LEDs > geeignet. Da aber das UV-Licht ziemlich hell ist, bringen > wohl auch die LDRs genug Signal. Die Frage ist, ob die LDRs > durch das UV-Licht verstärkt altern. > Gruss > Harald Wie meinst du das "UV Leds als Sensoren"? Gruß Rudi
Rudi P. schrieb: >> Als UV-spezifische Sensoren wären wohl am besten UV-LEDs >> geeignet. > Wie meinst du das "UV Leds als Sensoren"? LEDs können nicht nur Licht aussenden, sondern auch, im gleichen Wellenlängenbereich, als Photodioden arbeiten. Der Wirkungsgrad ist wohl ziemlich schlecht, für diese Anwendung aber ausreichend. Gruss Harald
Klingt interessant. Werd ich mich mal mit beschäftigen. Danke für den Hinweis. Gruß Rudi
Rudi P. schrieb: > Und zwar suche ich eine Möglichkeit von aussen kontrollieren zu können > ob alle Röhren in Betrieb sind. Was hast du für ein Problem? Bei meinem gekauften Belichter hab ich mir noch nie Gedanken darüber gemacht. Es gibt eben Dinge, die funktionieren enfach. Bei Erstinbetriebnahme, kannst du ja aus weiter Entfernung gucken. Oder du prüfst, ob jede Röhre etwas warm geworden ist. Danach kannst du Tage, Monate, Jahre davon ausgehen, das es funktioniert.
Gibt es einen Grund, die Leute mit 1MB pro Foto zu belästigen?
Michael_ schrieb: > Bei Erstinbetriebnahme, kannst du ja aus weiter Entfernung gucken. Ca. 5 Lagen Schreibmaschinenpapier wird zur Dämpfung wohl auch ausreichen.
Die High-Tech-Variante ohne µC wäre wohl: Phosphor(-scheibe) vor die Röhre → weißes (oder grünes) Licht → LWL Der Phosphor muss auf diese Seite des LWL, weil die meisten Glas- und Polymerfasern UV gar nicht durchlassen bzw. sehr stark dämpfen. Dafür bräuchte man spezielle Fasern oder Liquid Light Guide. Phosphor bekommt man z.B. aus einer alten weißen Leuchstoffröhre - die macht ja intern auch nur UV-Licht, das dann an der Beschichtung in sichtbares umgewandelt wird. Einfach ein kleines Bruchstück auf die Faser kleben ...
Ich schrieb: > Der Phosphor muss auf diese Seite des LWL, weil die meisten Glas- und > Polymerfasern UV gar nicht durchlassen bzw. sehr stark dämpfen. Das macht doch nichts, das Licht ist doch hell genug. Ich würde allerdings Polymer bevorzugen. Zur Umwandlung könnte man auch jede beliebige Floureszenzfarbe nehmen. Gruss Harald
> Das macht doch nichts, das Licht ist doch hell genug. Stimmt, da ist genug sichtbarer Anteil dabei. > Ich würde allerdings Polymer bevorzugen. Da hätte ich Bedenken wegen der Langzeitstabilität, viele Polymere finden UV-Licht ja nicht so toll. Andererseits ... pro Wochenende vielleicht 30 Minuten Betriebsdauer, macht bei sehr regelmäßiger Ausübung des Hobbys 25 h pro Jahr ...
Harald Wilhelms schrieb: > Rudi P. schrieb: > >>> Als UV-spezifische Sensoren wären wohl am besten UV-LEDs >>> geeignet. >> Wie meinst du das "UV Leds als Sensoren"? > > LEDs können nicht nur Licht aussenden, sondern auch, im gleichen > Wellenlängenbereich, als Photodioden arbeiten. Der Wirkungsgrad > ist wohl ziemlich schlecht, für diese Anwendung aber ausreichend. > Gruss > Harald Kannst du mir einen Link geben? Habe irgendwie soweit nichts darüber gefunden. Gruß Rudi
Rudi P. schrieb: > Kannst du mir einen Link geben? > Habe irgendwie soweit nichts darüber gefunden. Was meinst Du damit? Mit google findest Du jede Menge Hits: https://www.google.de/search?q=LED+als+Lichtsensor Grundsätzlich können LEDs immer als Sensoren für den Farbton genutzt werden, den sie auch aussenden (Ausser vermutlich weissen LEDs). Ob das auch für UV-LEDs zutrifft, weiss ich nicht. Es spricht aber nichts dagegen, da die Physik für alle LEDs gleich ist. Grundsätzlich wäre mir die Auswertung per LED-Sensor zu aufwändig. Es wurden in diesen Thread genügend Alternativen genannt. Ein Vorteil der LED-Sensoren wäre, das sie ja wohl mit dem UV-Licht zurechtkommen. Viele Kunststoffe vertragen ja kein UV-Licht. Ich hoffe, Du hast das bei Deiner Konstruktion des UV-Belichters berücksichtigt. Gruss Harald
Glühbirnen. Strom entsprechend dem Startstrom der Röhren. Die zeigen dir dann sowohl Start als auch Betrieb an. Für jede Röhre eine, möglichst kleine Spannung. Immer in Reihe zur Röhre.
Hi Rudi, Hübsches Kistchen hast Du da gebaut. Jetzt mach noch ein schönes kreisrundes Loch an der Seite hinein und setze dort so ein UV-Filter ein: http://www.ebay.de/sch/Foto-Camcorder-/625/i.html?_from=R40&_nkw=uv+filter Und davor einen Schieber, um das Fenster schließen zu können und die Filterscheibe zu schützen. Ob alle Röhren brennen, kannst Du dann völlig gefahrlos bei Bedarf einfach mit einem "Blick durchs Fenster" feststellen. Minimaler Aufwand, minimale Kosten, minimale Gefahr. Ich bin jetzt auch weg von diesem Fenster, weil die Glotze wartet. Schönen Fussballabend!
Solarium-Brille oder UV-Schutzbrille ... billig in der Bucht, auf dem Flohmarkt etc. Wie presst Du denn die Folie an die Platine? Durch die Glasleisten und das Dichtband hast Du ja ordentlich Abstand zwischen den beiden Kästen ... Doppelseitige Belichtungen erfordern übrigens (zumindest bei mir) leicht andere Belichtungszeiten, je nach Größe der Platine (Reflektionen) - sofern die Ränder um die Platine herum nicht abgedeckt werden.
Harald Wilhelms schrieb: > Rudi P. schrieb: > >> Kannst du mir einen Link geben? >> Habe irgendwie soweit nichts darüber gefunden. > > Was meinst Du damit? Mit google findest Du jede Menge Hits: > https://www.google.de/search?q=LED+als+Lichtsensor Hallo Harald, danke für deinen Hinweis.Keine Ahnung nach was ich gesucht habe. Nun ist schon zum Glück um einiges klarer. > Viele Kunststoffe > vertragen ja kein UV-Licht. Ich hoffe, Du hast das bei Deiner > Konstruktion des UV-Belichters berücksichtigt. > Gruss > Harald Ich hoffe, das ich alles richtig gemacht habe. Die Kabel sind unter den Röhrenhaltern angeschlossen.Also durch die Platte gebohrt.Die Drosseln sind unter den Röhren in einem extra "Raum lichtdicht" untergebracht.Ich hoffe, das die Plastikbeschichtung der Grundplatte das auf längere Zeit aushält.Werd ich ja dann sehen. Nach einem ersten Langzeitbelichtungstest habe ich festgestellt(etwa 40 Minuten), das alles recht heiß wird, und eine Belüftung nötig ist. Diese habe ich dann mit Rohren aus dem Aquariumbedarf gebaut + einem 40mm Lüfter.Die Rohre sind in 90 Grad Winkeln verlegt (schneckenförmig) so das kein Licht nach aussen durchkommt.Sie Entlüftungslöcher kann man auf den ersten Bildern im Threat sehen -die schwarzen Löcher in beiden Seiten und der Lüfter, der an der Seite vom Gehäuse in einem Loch zu sehen. Die Glasscheiben habe ich dann jeweils einmal an den Ecken abgeschnitten, so das die Luft einmal durch das ganze Gerät durchgesaugt werden kann. Gruß Rudi
Helge A. schrieb: > Glühbirnen. Strom entsprechend dem Startstrom der Röhren. Die zeigen dir > dann sowohl Start als auch Betrieb an. Für jede Röhre eine, möglichst > kleine Spannung. Immer in Reihe zur Röhre. Geile Idee! Und so simpel.Das ich da nicht drauf gekommen bin.. . Klingt Wirklich sehr gut.Ich denke so werd ich das machen. Klasse Helge! Gruß Rudi
Der Kaiser schrieb: > Hi Rudi, > > Hübsches Kistchen hast Du da gebaut. Danke für die Blumen. > Jetzt mach noch ein schönes kreisrundes Loch an der Seite hinein und > setze dort so ein UV-Filter ein: > http://www.ebay.de/sch/Foto-Camcorder-/625/i.html?_from=R40&_nkw=uv+filter > Und davor einen Schieber, um das Fenster schließen zu können und die > Filterscheibe zu schützen. > > Ob alle Röhren brennen, kannst Du dann völlig gefahrlos bei Bedarf > einfach mit einem "Blick durchs Fenster" feststellen. Minimaler Aufwand, > minimale Kosten, minimale Gefahr. > > Ich bin jetzt auch weg von diesem Fenster, weil die Glotze wartet. > Schönen Fussballabend! Danke für für Deine Idee!Bin aber immer noch skeptisch, ob ein UV-Fotofilter da ausreichend ist. Einen Beitrag vorher die Idee von Helge gefällt mir sehr gut.Das werd ich wohl machen. Danke Kaiser! Gruß Rudi
Dieter Frohnapfel schrieb: > Solarium-Brille oder UV-Schutzbrille ... billig in der Bucht, auf dem > Flohmarkt etc. Gute Idee.Bleibt nur noch der Hautschutz. > Wie presst Du denn die Folie an die Platine? Durch die Glasleisten und > das Dichtband hast Du ja ordentlich Abstand zwischen den beiden Kästen > ... Wie auf dem Bild zusehen ist werde ich wohl eine Klarsichfolie verwenden, die ich dann einfach an der offenen Seite mit breitem Klebeband zukleben werde. Erste Tests haben ergeben, dass das ganz gut funktioniert. Werde auch noch mal Zipperbeutel ausgibig testen. Für den Unterdruck verwende ich eine Pumpe die eigentlich zum Pumpen von Wein aus Weinfässern gedacht ist.Hab ich bei Ebäh gekauft. Der Schlauch ist durch das Gehäuse und die abgeschnittenen Glasscheiben geführt.Schlauchdicke beträgt 4mm. Der Abstand zwischen den Scheiben ist gar nicht so groß.Nur 5mm zwischen den Scheiben.Hab nochmal mit nem Stück Knetmasse nachgemessen.Also alles wie vorher berechnet. > Doppelseitige Belichtungen erfordern übrigens (zumindest bei mir) leicht > andere Belichtungszeiten, je nach Größe der Platine (Reflektionen) - > sofern die Ränder um die Platine herum nicht abgedeckt werden. Guter Tipp.Werde ich dann sehen wenn alles soweit ist. Kann dann ja nochmal Rückmeldung geben. Gruß Rudi
Rudi P. schrieb: > Gute Idee.Bleibt nur noch der Hautschutz Sonnencreme :-) Mal im Ernst, die Röhren werden in Gesichtsbräunern verbaut (sog. "Assi-Grills") - da wirst Du nicht gleich beim schauen, ob die Röhren brennen, Hautschäden erleiden ... Rudi P. schrieb: > Für den Unterdruck verwende ich eine Pumpe die eigentlich zum Pumpen von > Wein aus Weinfässern gedacht ist. Ich nutze eine Haushalts-Vakuumierer. Geht aber leider nur einseitig vernünftig, da (zumindest meine) die passenden Beutel auf der einen Seite geprägt sind (damit die Luft auch überall ausgesaugt werden kann. Für einseitige Platinen aus meiner Sicht ideal.
Rudi P. schrieb: > Hat vielleicht jemand eine Idee wie man so etwas realisieren kann. > Oder hat vielleicht jemand eine andere Idee wie man eine > Kontrollmöglichkeit einbauen kann? Bei meinem EPROM-Löschgerät ist an der Seite ein Loch mit einem matt-weissen Plastikstopfen drin. Der wird vom Streulicht der Röhre getroffen und leuchtet dann eisblau. Das müsste mit jedem Kunststoff funktionieren, wo Aufheller drin ist.
Rudi P. schrieb: > Glühbirnen. > Geile Idee! > Und so simpel.Das ich da nicht drauf gekommen bin.. . > Klingt Wirklich sehr gut.Ich denke so werd ich das machen. Die Glühlampen würde ich aber so dimensionieren, das nur ca. der halbe Nennstrom durchfliesst. Sonst sind diese Schneller durchge- brannt als Deine Röhren. Das Leuchten sieht man trotzdem. Gruss Harald
Rudi P. schrieb: > Ich hoffe, das ich alles richtig gemacht habe. > Die Kabel sind unter den Röhrenhaltern angeschlossen.Also durch die > Platte gebohrt.Die Drosseln sind unter den Röhren in einem extra "Raum > lichtdicht" untergebracht.Ich hoffe, das die Plastikbeschichtung der > Grundplatte das auf längere Zeit aushält.Werd ich ja dann sehen. > > Nach einem ersten Langzeitbelichtungstest habe ich festgestellt(etwa 40 > Minuten), das alles recht heiß wird, und eine Belüftung nötig ist. So richtig weiß ich noch nicht, warum du so einen unnötigen Aufwand treibst. Da müssen die Leute von ISEL ja alles falsch gemacht haben. Das Teil hat sich aber tausendfach bewährt. http://www.saemann-aetztechnik.de/images/1008.jpg Alles in der Kiste und dem UV ausgesetzt. Nicht mal ein Deckelschalter ist da drin und auch keine Kontrolle ob eine Röhre ausgefallen ist. Die Platine der Zeitelektronik ist auch nicht extra geschützt. Nur vorn ist ein Plastestopfen, wo man kontrollieren kann, ob es überhaupt an ist. Und was willst du mit 40 Minuten? Ich hab den Belichter 2 und mit 4 Min komm ich gut hin.
>Naja, nur weil die Timerschaltung schon einen µcontroller hat, muß es ja >nicht noch einer sein. Mach dich nicht lächerlich, das bisschen LDR Auswertung passt doch da sicher noch mit rein ;)
Bitte melde dich an um einen Beitrag zu schreiben. Anmeldung ist kostenlos und dauert nur eine Minute.
Bestehender Account
Schon ein Account bei Google/GoogleMail? Keine Anmeldung erforderlich!
Mit Google-Account einloggen
Mit Google-Account einloggen
Noch kein Account? Hier anmelden.



