Hallo, vieleicht kann mir jemand helfen, habe mir bei Pollin diese Platine hier bestellt mit einem Microprozessor ATTINY 2313-20PU . Hier der link http://www.pollin.de/shop/dt/NTc5OTgxOTk-/Bausaetze_Module/Bausaetze/8_Kanal_IR_Fernbedienungs_Bausatz_IR8.html Soo, habe alles zusammengelötet. Dieser chip wurde allerdings so programiert das wenn ich zb die 1 drücke der chip wie ein schalter nach dem loslassen dieser taste den schaltzustand speichert allerdings möchte ich den ausgang wie einen taster benuten, das heißt: Taste 1 gedrückt und der chip soll das signal High abgeben. beim loslassen soll es wieder auf low gehn. vieleicht hat einer eine lösung oder alternative für mich bin für alles offen. die platine soll benutzt werden um eine Höhenverstellbare TV Wandhalterung zu steuern, diese habe ich bereits schon gebaut und funktioniert super, gerne stelle ich auch weitere bilder ein, falls jemand interesse an diesem Post hat. danke für eure Hilfe :)
Bilder, gerne. Wennn das von Pollin nicht vorgesehen war, zB per Lötbrücke oder Jumper umstellbar ist, dann geht das nicht so ohne Weiteres - man müsste den uC umprogrammieren. Aber vll gibts es im Netz eine Seite, wo jmd den Bausatz als Hardware genutzt, aber die Software "Neu" gemacht hat und zB auch mit einer Tastensteuerung verbessert hat? EDIT: Habe nachgeschaut, ist nur als Schalter, nicht als Taster gedacht. Die SW wäre ja bei Pollin verfübar, aber vermtl in Assembler... Klaus.
im Anhang habe ich jetzt einfach mal den schaltplan angehangen, jumper gibt es leider keine. Ist es schwer den chip zu programieren? konnte leider nichts finden, auch nicht irgend einen anderen ir bausatz oder sonst was. Das von pollin wäre preis leistungs mäßig schon der hammer gewesen.
...sowas hilft dir: Ebay: IC2272 IC2262 4 Channel Wireless Remote Control Kit + 5V 4-Channel Relay Module Ist Funk, also von Vorteil. Gut, der Sender sieht scheiße aus, keine Frage...aber für etwas mehr gibts die auch in hübscher. Bei dem "Bausatz" ziehen die Relais nur an, solange du drückst. Den Chip kannst du selber nicht umprogrammieren, das ist schwer, ja. Klaus.
Manuel Lindenmayer schrieb: > ... eine Höhenverstellbare TV > Wandhalterung zu steuern, diese habe ich bereits schon gebaut und > funktioniert super, gerne stelle ich auch weitere bilder ein, falls > jemand interesse an diesem Post hat. danke für eure Hilfe :) Ja, bitte Bilder und weitere Infos posten! Ich könnte eventuell bei umprogramieren helfen.
so habe die Bilder hochgeladen, das mit mit Endschalter wirk etwas billig, muss den gegen einen gescheiten mit rollen ersetzten hatte aber leider nichts anderes da. sehr interessant ist auch der Motor, der Stammt aus einem Golf 3 dach Motor hat 2 getrennte spulen, somit lässt er sich mit 2 verschiedenen Drehzahlen regeln. das ganze wird durch eine axial gelagert M12 Gewindestange nach-oben bewegt. Momentan sieht es noch alles nicht so gut aus, außerdem arbeite ich gerade noch ein einer Funktion mit der man den tv nach rechts und links bewegen kann,natürlich auch mit Motor :). danke für die vielen Rückmeldungen, die Fernbedienung muss mit infrarot sein, habe es leider vergessen hineinzuschreiben, da ich alles mit einer logitech harmony steuern will. als Netzteil für den Motor habe ich ein 250 watt pc Netzteil, hatte es mit 150 watt schon probiert aber da geht das Netzteil aus wahrscheinlich überlasst, war eigentlich klar, wenn der Motor 20 kilo nachoben bewegt. Das umprogrammieren des Attiny chips wäre glaube ich die beste lösung. oder ein komplett anderer ir Empfänger, habe noch eine media center ir Fernbedienung zuhause vieleicht lässt sich über der ihren ir code was zusammenlöten, was meint ihr dazu? ach ja, sollte 5 volt sein, das liefert das PC Nt im standy modus. Ich hoffe das war jetzt nicht alles zu viel auf einmal :) danke für eure antworten.
Habe jetzt zufällig das hier gefunden: http://www.elv.de/ir-empfaenger-8-kanaele-ire88-komplettbausatz.html ist eigentlich genau das was ich suche. oder habe ich was überlesen? damit könnte ich test weiße auch meine RC6 Media center fernbedienung nutzen. oder? das mit dem ausgang aktiv solang tastendruck sollte auch ideal sein, nur kann ich dan mein high low level trigger Relais anschließen oder sind das digitale ausgänge die ein code ausgeben?
Benutze mal die Suche, da hat schon jemand eine Software dafür geschrieben.
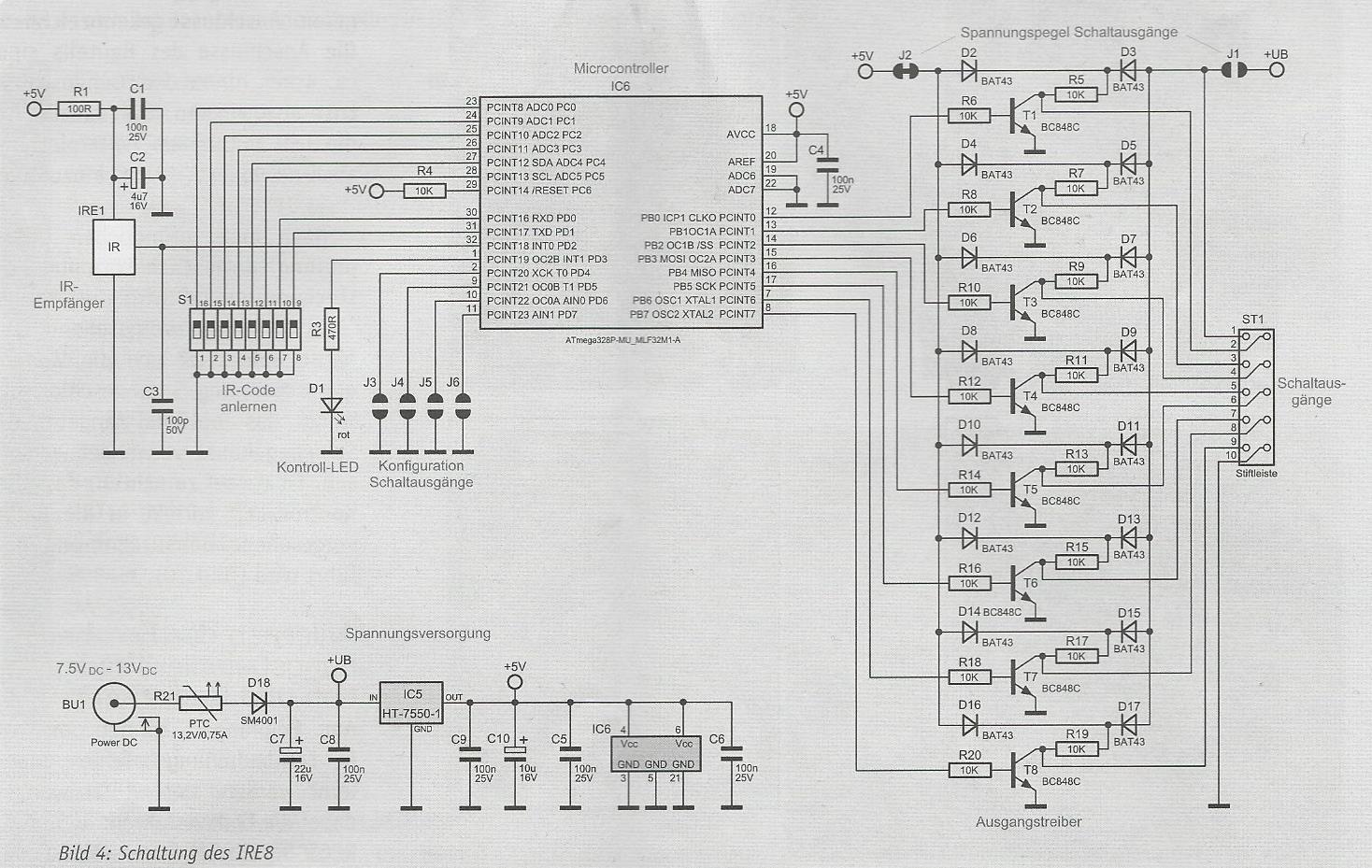
Manuel Lindenmayer schrieb: > Habe jetzt zufällig das hier gefunden: > http://www.elv.de/ir-empfaenger-8-kanaele-ire88-ko... > ist eigentlich genau das was ich suche. oder habe ich was überlesen? > damit könnte ich test weiße auch meine RC6 Media center fernbedienung > nutzen. oder? ja, das wäre perfekt für dich geeignet. > das mit dem ausgang aktiv solang tastendruck sollte auch ideal sein, nur > kann ich dan mein high low level trigger Relais anschließen oder sind > das digitale ausgänge die ein code ausgeben? Laut ELV: "Ausgangsseitig stehen wahlweise 8 Spannungs- oder 8 Open-Collector-Schaltausgänge zur Verfügung, und die Ausgangssignale sind sehr flexibel konfigurierbar (Impulse, Toggle-Signal oder gegenseitig auslösend)." Wenn du mehr darüber erfahren möchtest, dann solltest du bei ELV einen Forenbeitrag schreiben und nachfragen. Was hier noch zu beachten wäre dass die Versorgungsspannung mindestens 7V sein soll.
So habe mir jetzt den ELV Bausatz bestellt. sollte morgen da sein. Dan teste ich das mal. Das mit dem Pollin ir bausatz lass ich dan mal lieber, vieleicht kann ich ihn irgendwann mal für was einsetzten. Ich halte euch mit meiner halterung trotzdem mal auf dem laufenden, aber nicht das ich jemanden damit langweile.Als nächstes kommt noch eine andere TV aufnahme darauf, bin noch am Konstruieren. damit solte sich das ganze dan recht und links bewegen lassen.
hallo, also der elv empfänger ist echt richtig gut und durch nur 6 bauteile sehr schnell zusammen zu bauen. Das Fernbedienungsignal einzulesen geht auch sehr leicht und funktioniert prima. Leider kommt ausgangsseitig ein schwaches Positives (+) ausgangsignal, meine low level trigger relais können aber nur über ein negatives signal gesteuert werden. Jetzt habe ich mir in ebay die Transistoren bestellt:http://www.ebay.de/itm/350217642075?ssPageName=STRK:MEWNX:IT&_trksid=p3984.m1439.l2649 Sind pnp transistoren, habe damit vor, die transistoren aus den low level trigger gegen diese zu ersetzten, sollte doch eigentlich klappen oder?
Manuel Lindenmayer schrieb: > Leider kommt > ausgangsseitig ein schwaches Positives (+) ausgangsignal, meine low > level trigger relais können aber nur über ein negatives signal gesteuert > werden. Ähhm, mit dem PNP Transistor du konvertierst das "low" signal auf "high" aktiv um. Ein "high" signal auf ein "low" aktiv zu konvertieren braucht man eigentlich ein NPN Transistor.
Manuel Lindenmayer schrieb: > Leider kommt > ausgangsseitig ein schwaches Positives (+) ausgangsignal [...] Laut ELV: "Ausgangsseitig stehen wahlweise 8 Spannungs- oder 8 Open-Collector-Schaltausgänge zur Verfügung, [...]" Hast Du das Ding vielleicht noch auf "open collector" stehen? Wie sehen denn die "Spannungs-Schaltausgänge" aus? > Sind pnp transistoren, habe damit vor, die transistoren aus den low > level trigger gegen diese zu ersetzten, sollte doch eigentlich klappen > oder? Falsch. Du brauchst NPN-Transistoren. Und bestell Dir direkt eine Shift-Taste mit! :-)
Hi, also habe mal 4 Bilder Hochgeladen. Momentan habe ich alle Jumper "offen" und es kommt von den Kanälen ein Plus Signal für die dauer eines Tastendruckes. habe eine kleine LED angeschlossen um dies zu testen. Mein low level trigger Relais hat 3 Eingänge: GND (-) 5V; VCC (+5v); und einen "IN" Eingang. Das heißt ich versorge das Relais per GND und VCC Mit Strom und zum Betätigen des Relais Brauche ich einen Minus Strom am "IN" Eingang um das Relais zum Schalten zu bringen. Ich bin davon ausgegangen das ein NPN Transistor und die Lötung meines Relais die Lösung ist. Danke für eure schnellen Antworten. Find ich super das ihr hier so aktiv seit. :)
Ich galube, wenn du J6 schliesst, dann kannst du dein Relais direkt mit dem Kontroller von der IR-Platine betreiben, ohne zwischen-Transistor (der befindet sich bereits auf der Relais-Platine).
Hi, danke für deine Antwort, habe J6 zu gemacht. Aber dan ist alles umgekehrt, bei einem Tastendruck geht die LED aus und ist ohne Tastendruck immer an. Also habe die falschen Transistoren bestellt, ihr habt recht ich brauche NPN Transistor, die PNP´s die ich heute bekommen habe bewirken das gleiche wie die verbauten :(. also die NPN sollten am Samstag kommen, dan löte ich diese mal rein. muss ich sonst noch etwas beachten? ändert sich durch einen anderen Transistor auch die beschaltung? eigentlich nicht oder? danke für eure antworten. Das einfachste währe allerdings wenn ich ein Relais direkt anschließen könnte aber das ist wahrscheinlich nicht möglich oder hat jemand noch einen Tip, also das mit J6 Jumper klappt schon mal nicht :)
Hast du den Relais Baustein schon mal alleine mittels +5V / GND angesteuert? Da du anscheinen keine Schaltung es Relais-Bausteins hast, wäre das der einfachste Weg, um zu ermitteln, ob er mit +5v (High) oder GND (Low) das Relais aktiviert. Da deine Ansteuerplatine beide Möglichkeiten bietet, dürftes du auf die zusätzlichen Transistoren verzichten können.
Manuel Lindenmayer schrieb: > Hi, danke für deine Antwort, habe J6 zu gemacht. Aber dan ist alles > umgekehrt, bei einem Tastendruck geht die LED aus und ist ohne > Tastendruck immer an. Welche LED meinst Du? Die du dazugelötet hast? Die kannst du aber auch andersrum anschliessen, damit du die bei aktiv "low" (heisst Tastendruck aktiv) an hast. Allerdings, wenn ich mich nicht irre, es befindet sich bereits eine rote LED auf der Relais-Platine. Deswegen verstehe ich immer noch nicht warum willst du unbedingt einen zusätzlichen NPN Transistor haben. Wie gesagt, ein PNP ist auf der Relais-Platine vorhanden, so kannst du bei aktiven Tastendruck ein "low" output, aktivierte Relais und leuchtende LED(s) haben.
hi, der elv bausatz liefert ausgangsseitig nur sehr wenige Milli Amp. deswegen brauche ich einen High level Trigger, aber ich habe mir jetzt diese transistoren bestellt da ich nicht so lange warten will bis das teil von china kommt.aber was bedeuten die open collektor ausgänge des elv bausatzes? das ist doch speziel für relais ohne irgend eine beschaltung oder? wie kann ich das auf dieser platine aktivieren? Die led ist am kanal 1 um zu testen ob sich was tut bei Tastendruck
Manuel Lindenmayer schrieb: > aber was bedeuten die open collektor ausgänge des > elv bausatzes? das ist doch speziel für relais ohne irgend eine > beschaltung oder? wie kann ich das auf dieser platine aktivieren? "Open collector" heisst dass Strom aus der angeschlossenen Quelle vom Transistor zu GND gezogen wird. Also, mit invertierten Ausgang (J6 zu) du hast die perfekte Lösung: -> bei Tastendruck wird ein "low" Signal erzeugt => die rote LED auf der Relais-Platine wird leuchten => der Relais wird (durch den auf der Relais-Platine vorhandenen PNP-Transistor) aktiviert... Kein zusätzlichen Transistor notwendig! Warum bist du eigentlich mit dieser Lösung nicht zufrieden?
Hallo, danke nochmal, das mit dem J6 jumper hatte das letzte mal zur folge das das high signal immer kam und nur bei tastendruck aus ging, also es kommt immer ein high signal raus nur das signal wird umgekehrt. oder habe ich irgendwas falsch gemacht?
Lieber Manuel, Hast Du gelesen was ich vorher geschrieben hab? Was hast du davon nicht verstanden? Kannst du mir bitte sagen warum für dich ein Problem ist wenn das Ausgangssignal aktiv "low" ist? Ausser dass deine zusätzlich angelötete LED bei Tastendruck verkehrt rum funktioniert... dafür hab ich bereits vorgeschlagen die LED so um zu löten (eine LED-Ende mit einem Wiederstand in serie), dass Anode an +Vcc und Katode an Ausgangspin (wo auch die Relais-Platine) geschlossen werden soll.
Hallo Leute, habe gerade gesehen, der Quellcode in C ist doch beim Bausatz 810023 downloadbar. Sollte doch einfach anzupassen sein. Gruß Martin
Danke für die Antwort, meinst du den des ATTINY 2313-20PU? habs jetzt aufgegeben, habe ihn wahrscheinlich sowieso schon geschrottet. Und ein Programmiergerät will ich mir jetzt auch nicht mehr zulegen, bin echt mehr als zufrieden mit dem ELV Bausatz, der tut was er soll und er ist leicht zu "programmieren mittels schalter.
Ach ja, das Projekt ist fast fertig, muss nur noch die kabel anschließen und Endschalter verbauen damit der nicht gegen die wand fährt :) dann lade ich noch paar Bilder rein. wie kann ich einen tast Impuls in einen schalt Impuls des ir Empfängers in einen einrastenden umpuls umwandeln, dachte an Impuls Relais die immer weiter schalten, ein aus ein aus ein usw Volt kennt das einer vom Lichtschalter im haus die per Tast Impuls funktionieren, leider hab ich nichts mit 5 bzw 12 Volt gefunden vielleicht kennt jemand ein Schaltplan oder ein Relais.
So etwas:http://www.pollin.de/shop/dt/ODk4OTgxOTk-/Bausaetze_Module/Bausaetze/Bausatz_Stromstossrelais.html
Bitte melde dich an um einen Beitrag zu schreiben. Anmeldung ist kostenlos und dauert nur eine Minute.
Bestehender Account
Schon ein Account bei Google/GoogleMail? Keine Anmeldung erforderlich!
Mit Google-Account einloggen
Mit Google-Account einloggen
Noch kein Account? Hier anmelden.







