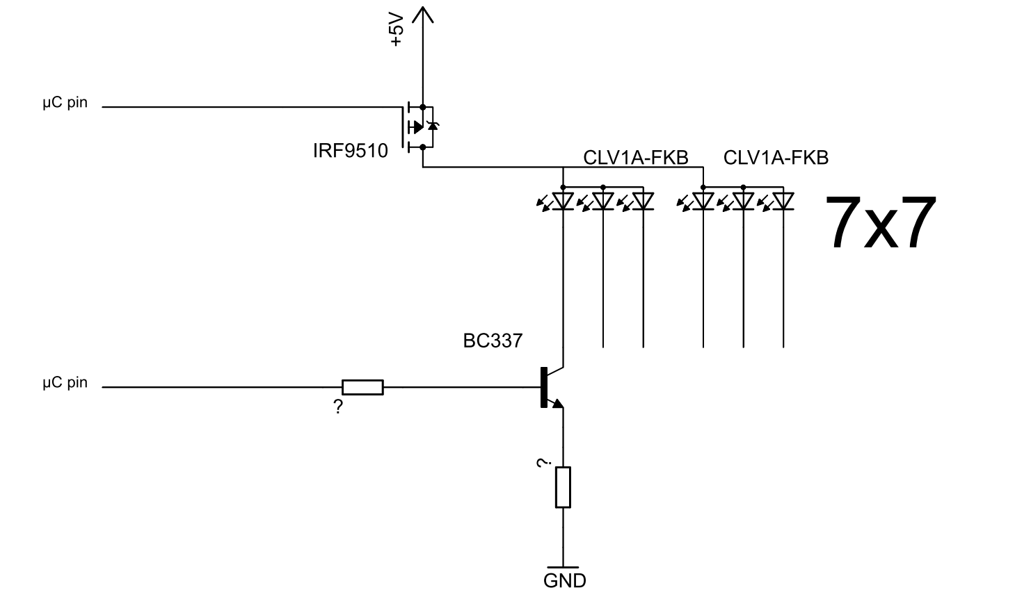
Hallo, ich habe eine 7x7 matrix mit diesen RGB leds aufgebaut es fehlen mir nurmehr die treiber und die steuerung dazu. ich will das ganze später mit einem µC mit PWM steuern. wollte fragen ob es möglich/sinnvoll ist bei diesen LED's die Ströme zu erhöhen, wegen der lichtstärke weil es gemuxt wird. LED datenblatt: http://www.mouser.com/ds/2/90/CLV1AFKB%28874%29-18985.pdf und kann mir nochjemand passende high und low-side treiber für die schaltung empfehlen ? ich durchblicke nicht ganz die sache mit der auswahl der transistoren. habe genügend IRF9510 und BC337 passen die vielleicht ?
Bernhard schrieb: > habe genügend IRF9510 und BC337 passen die vielleicht ? Nein, der P-FET muss ein LogL sein, z.B. IRLML2244 Wenn der µC mit 5V betrieben wird und du einen LogL P-Fet verwendest brauchst du keinen Mosfet Treiber. Der Vorwiderstand für die LED würde ich an den Kollektor und nicht an den Emitter hänge. Für die Berechnung der Widerstände siehe: LED und Basiswiderstand
http://www.pollin.de/shop/dt/MDU5ODY4OTk-/Bauelemente_Bauteile/Aktive_Bauelemente/Transistoren/HEXFET_Power_MOSFET_Transistor_IRL520NS.html kann ich den statt des IRF9510 nehmen ? habe die werte mal berechnet für 80mA puls strom , kann ich das so lassen ?
Bernhard schrieb: > kann ich den statt des IRF9510 nehmen ? Nein, er ist erstens kein Logic Lever FET und zweitens ein N-Channel.
Bitte melde dich an um einen Beitrag zu schreiben. Anmeldung ist kostenlos und dauert nur eine Minute.
Bestehender Account
Schon ein Account bei Google/GoogleMail? Keine Anmeldung erforderlich!
Mit Google-Account einloggen
Mit Google-Account einloggen
Noch kein Account? Hier anmelden.


