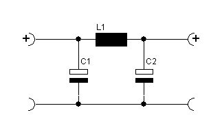
Hallo Leute, möchte eine Halbbrücke zur Spannungshalbierung aufbauen (z.B. von 24 auf 12V). Angenommen sind also 50% Tastverhältnis. Jetzt stellt sich mir gerade die Frage, wie die Eingangs-Kondensatoren am besten zu verschalten sind. Im Bild mal die beiden Möglichkeiten. Da die Ströme hoch sein sollen, aber die Elkos/Kerkos so klein wie möglich, stellt sich die grundsätzliche Frage nach dem idealeren Anschluss des Eingangs-Elkos. Während der Ausgangs-Elko ja nur noch den Stromripple der Drossel glätten muss, schwankt der Strom am Eingangs-Elko zwischen 0 und 100%. Könnte dieser Kondensator kleiner ausfallen, wenn er wie im Bild 1 angeschlossen wird? Üblich ist das ja, aber wo läge der Vorteil? Bitte beachten: es soll keine Quasi-Vollbrücke werden, die Spule ist also keine Primärwicklung, sondern nur eine Speicherdrossel. Bitte keine Fragen zu weiteren Daten, es ist alles Nötige gesagt. Vielen Dank für sachliche und freundliche Infos.
:
Verschoben durch Moderator
Das zwingt mich einfach nachzuhaken: im Schaltplan sehe ich keine Drossel, keinen Transformator und nicht einmal eine Spule – wenn man von der parasitären Induktivität von Leitungen und einem Widerstand absieht. (Das Zick-Zack-Symbol ist die amerikanische Variante eines hptsl. ohmschen Widerstandes.) Eine Spannungshalbierung sehe ich da auch nicht, schon gar nicht mit einer Halbbrücke, das wäre auch 'ne dufte Sache, auf die Ingenieure schon im Röhrenzeitalter hätten kommen können – so es halbierte Früchte trüge. Alles was ich aus dem Schaltplan schließen kann ist die Ladungsspeicherung in die Gatekapazität von Feldeffekttransistoren (und die netten Hütchen auf der ganz linken Seite sind mit viel Fantasie in solche uminterpretiert). Es gibt keine Versorgungsspannungen, keinen technischen Massebezug (wohl aber einen textuellen) und es wird niemals einer der beiden Kondensatoren irgendeine Form von nennenswerter Ladung im Bereich von starken Strömen aufweisen, selbst nicht mit Vakuumenergie. Ich schlage vor, zwei Autobatterien mit >36Ah in Reihe zu schalten und an die beiden offenen Enden einen Schraubenschlüssel zu halten. Das gibt kurzzeitig sehr viel Strom, Wärme und Lichteinwirkung. Gleichzeitig spart es Feldeffekttransistoren, Widerstände und Kondensatoren. Der mahnende Hinweis, falls der Leitungsquerschnitt unter 10mm² liegt: geschmolzenes Kupfer ist kein Spielzeug.
Panzerwaschanlage Spandau schrieb: > Bitte keine Fragen zu weiteren Daten, es ist alles Nötige gesagt. Es tut mir leid dir mitteilen zu müssen, daß Du damit deutlich gemacht hast daß das nichts wird. Das Konzept ist an unzähligen Stellen völliger Mist und dabei hat Boris nur zart an der Oberfläche gekratzt. Kein Eingang, kein Ausgang, keine Regelung, kein Rückführung, keine Last, eine Draossel kein gar nichts und dazu der Satz "Es ist alles nötige gesagt". Das mach Klar daß in keinster Weise eine Wissensgrundlage besteht und zugleich eine ablehnende Haltung sich damit eingehend zu beschäftigen besteht. Panzerwaschanlage Spandau schrieb: > möchte eine Halbbrücke zur Spannungshalbierung aufbauen Das wirst Du so nicht erreichen. Du kannst mit zwei identischen Widerständen in Reihe einen Spannungsteiler bauen. Damit hättest Du eine Spannungshalbierung. Das wird Dir aber kaum was nützen, da ich vermute daß Du die Spannungsquelle auch belasten willst. In dem Augenlick ist es nicht mehr die halbe Spannung. Du suchst vermutlich einen DC-DC-Spannungswandler. Aber wir sollen Dich ja nicht fragen bzw. nicht erfahren was Du damit versorgen willst bzw. was Du überhaupt willst... So wie sind sind erfüllen beide Schaltpläne keinerlei Funktion. Die Schaltungen sind völlig nutzlos. Da ist es sinnlos zu sagen welche besser wäre. Ein paar Dinge kann man aber allgemein sagen: Für die Reihenschaltung zweier Kondensatoren gegenüber eines einzelnen Kondensators braucht man im Idealfall nur die halbe Spannugsfestigkeit aber die die doppelte Kapazität um auf das selbe Ergebnis zu kommen. Alerdings gibt es keine idealen Bauteile. Die zweite Schaltung hat 3 Kondensatoren, die erste hat 2 Kondensatoren. Die Frequenz wäre auch eine sehr wichtige Größe.
Bleib mal beim Panzerwaschen, mit Deinen mickrigen Elektronikkenntnissen ist es nicht weit her.
Panzerwaschanlage Spandau schrieb: > Bitte keine Fragen zu weiteren Daten, es ist alles Nötige gesagt. Dann kannst Du ja mit LTSpice simulieren. mfg klaus
Also Leute, ihr macht euch mal wieder lächerlich. Kenne es ja bereits, aber so eindeutig war es lange nicht. Gibt es auch konstruktive Hinweise zu dieser recht einfachen Thematik? Mal angemerkt: die Schaltung existiert längst, und sie hat sogar bessere Daten als alles was Ihr diesbezüglich je auch nur gesehen habt, geschweige denn konstruiert! Sie ist in Variante 2 aufgebaut, nur kam mir nun die Idee, die nötige Eingangskapazität durch Variante 1 verringern zu können. Und damit ihr ein wenig staunen(weiter nörgeln) könnt, anbei mal ein Bild. Das Teil hat 120A Ausgangsstrom auf der low-side, natürlich keine Regelung, und natürlich wird die Spannung trotzdem bei jedem Strom sauber halbiert/verdoppelt. Warum das so ist, entnehmt ihr bitte fachkundigen Quellen oder eigenen Experimenten. Erlaube mir mal kurz zusammenzufassen, womit ihr bisher zum Thema richtig liegt, bzw. meine Frage beantwortet habt:
Hallo, bei eBay gibts billige DC-Wandler von den Chinesen das ist das richtige.
zwiebel schrieb: > Hallo, bei eBay gibts billige DC-Wandler von den Chinesen das ist das > richtige. Verstehe, die Rede ist von den Teilen, die als Nennstrom den maximalen Pulsstrom des Transistors meinen?? Werde gleich mal ne Familienpackung ordern...;-)
Jepp. Habe selbst so welche und die bringen seit Jahren ihre Leistung.
?? In deinen Zeichnungen sind nur Lastwiderstände eingezeichnet, aber keine Induktivität. Oder ist die Induktivität in Wahrheit die Last? Variante 1 ist eine Möglichkeit, die häufiger bei Netzteilen in Halbbrückenschaltung verwendet wird.
sind das mal wieder arrogante Antworten ....
Nein, der Schaltplan hat einfach nicht viel mit dem abgebildeten Objekt gemeinsam. Das abgebildete Objekt hat eine Spule und sogar Anschlüsse. Der Schaltplan verfügt mit etwas gutem Willen allenfalls über Anschlüse für die Gates. Das Teil im Schaltplan hat also keine Funktion. Man kann bestenfalls vermuten oder unterstellen wo die Versorgung/Quelle Angeschlossn wird und wo ein Verbraucher dran soll. Das kommt dabei raus wenn man keinen brauchbaren Schaltplan und keine präzise Frage stellt und dann auch noch Rückfragen untersagt. Man weis ja noch nicht einmal was Panzerwaschanlage Spandau schrieb: > , aber die Elkos/Kerkos so klein wie > möglich, stellt sich die grundsätzliche Frage bedeuten soll. In welchem Sinne soll es denn klein sein? Sollen die einzelnen Kondensatoren von der Bauform klein sein, sollen die Kondensatorengruppen klein sein oder wenig Platinenfläche belegen. Soll die Kapazität klein sein? Welche Spannung? Die ist nur Beispielhaft erwähnt aber kein Limit festgelegt. Bei höheren Spannungen nimmt man ohnehin oft Reihenschaltungen, weil Kondensatoren hoher Spannugsfestigkeit irgendwann teuer werden. Und und und Was man beantworten konnte habe ich beantwortet. Die Frage ist und war einfach zu unklar.
Panzerwaschanlage Spandau schrieb: > Und damit ihr ein wenig staunen(weiter nörgeln) könnt, anbei mal ein > Bild. Das Teil hat 120A Ausgangsstrom auf der low-side, natürlich keine > Regelung, und natürlich wird die Spannung trotzdem bei jedem Strom > sauber halbiert/verdoppelt. Warum das so ist, entnehmt ihr bitte > fachkundigen Quellen oder eigenen Experimenten. Da Frage ich mich wo die Transistoren/Fets sind die diesen Strom schalten können. Natürlich kann man mit solch einfachen Aufbauten auch eine Spanungshalbierung ohne Regelung erreichen. Es ist nur die Frage was man unter "sauber" versteht, was da sonst noch dran kommt als Last und wie konstant die Rahmenbedingungen sind (Versorgungsspannung stabil, Last konstant...) Den Meisten die hier geantwortet haben ist das "Warum" bekannt und wissen daher um die nötigen Rahmenedingugen damit das auch hinkommt. Aber ob die gegeben sind konnte oder durfte man ja nicht wissen. Wir konnten ja nicht ahnen daß der unvollständige und in der Urform vorgestellte völlig nutzlose Schaltplan von einem Fachkundigen stammt. Das ist einfach nur ein Kreis mit zwei Fets ohne Funktion, da nirgends ein bezugspotental für die Ansteuerung vorhanden ist. Der Schaltplan hat nicht einmal eine Masse. Wenn du die genannen Fehler in dem Schaltplan nicht siehst ist Dir auch nicht zu helfen. Und dann auch schon im Eingangsurteil, ähm... Post, zu schreiben alles sei gesagt und man darf nur die Lösung präsentieren.... Nebenei: Das war konstruktive Kritik von Anfang an. Schaltplan komplettieren damit Sinn und Absicht erkennbar ist. Aus dem Schaltplan ist keine Funktion abzuleiten. Frage präzisieren und Gegenfragen zulassen damit man auch in die gleiche Richtung denken kann. Dann kann man eine passede Antwort liefern. Vorher kann nichts Passendes kommen.
Ich würde mal sagen was auf dem Foto zusehen ist, ist einfach nur ein Tiefpass, wobei C1 und C2 aus vielen Parallel geschalteten Kondensatoren bestehen, da wird nichts halbiert oder vedoppelt. Da ist noch ein kleines IC zusehen, da vermute ich mal, das macht eine Strom oder Spannungsmessung.
>Da ist noch ein kleines IC zusehen
Das wird die H-Brücke sein.
R2_10k schrieb: >>Da ist noch ein kleines IC zusehen > Das wird die H-Brücke sein. Also wir sollen wieder einmal die Glaskugel bemühen. mfg klaus
R2_10k schrieb: >>Da ist noch ein kleines IC zusehen > Das wird die H-Brücke sein. Irgendwie stellt ihr euch gerade schon etwas kindisch an. Auch wenn die Schaltung ziemlich unglücklich beschrieben war, versteht doch vermutlich jeder was gemeint ist. Die Transistoren sind irgendwo auf der Platinenunterseite und das IC ist vermutlich ein Gate-Treiber. Zurück zur Ausgangsfrage: Panzerwaschanlage Spandau schrieb: > Während der Ausgangs-Elko ja nur noch den Stromripple der Drossel > glätten muss, schwankt der Strom am Eingangs-Elko zwischen 0 und 100%. > Könnte dieser Kondensator kleiner ausfallen, wenn er wie im Bild 1 > angeschlossen wird? Üblich ist das ja, aber wo läge der Vorteil? Im Prinzip ist es egal, wie man die Elkos verschaltet. Im ersten Fall hat der obere Elko nur 12V, dafür den doppelten Ripple-Strom. Vom Volumen her sollte sich das nicht viel schenken. Ich würde aber auch eher die zweite Variante nehmen.
Johannes E. schrieb: > Auch wenn die Schaltung ziemlich unglücklich beschrieben war, versteht > doch vermutlich jeder was gemeint ist. Nein, die Topologie ist völig unklar. Niemand weiß wo Versorgung und Ausgang liegen etc. Ich hätte hinter Schaltung 2 einen unglücklich gezeichneten synchronen Buck-converter vermutet, bzw. nur seine Leistungsstufe. Aber man kann es nur raten. Dann jedoch geht nur Variante 2, weil das Ding einen Ausgangskodensator braucht damit es "glatt" wird. In der ersten Variante existiert der nicht.
:
Bearbeitet durch User
Carsten R. schrieb: > Nein, die Topologie ist völig unklar. Niemand weiß wo Versorgung und > Ausgang liegen etc. Ich hätte hinter Schaltung 2 einen unglücklich > gezeichneten synchronen Buck-converter vermutet, bzw. nur seine > Leistungsstufe. Aber man kann es nur raten. Der Eingang ist mit "E" beschriftet, der Ausgang mit "A"; das sind durchaus übliche Abkürzungen. Dass sich hinter dem Widerstandssymbol eine Induktivität verbirgt, haben wir mittlerweile auch herausgefunden. Carsten R. schrieb: > Ich hätte hinter Schaltung 2 einen unglücklich > gezeichneten synchronen Buck-converter vermutet, bzw. nur seine > Leistungsstufe. Aber man kann es nur raten. Es gibt zwei Mosfets die mit 50% Duty-Cycle abwechselnd einschalten, dadurch erhält man links in der Brücke abwechslend 24V und 0V, also 12V im Mittel. Das wird durch den Tiefpass aus Speicherdrossel und Ausgangselko geglättet. In der linken Zeichnung muss der Ausgangs-Elko auch noch den Eingangs-Ripple bewältigen, die Elkos sind für den Ripple-Strom in Reihe geschaltet. Dadurch braucht der Eingangs-Elko nur die halbe Spannungsfestigkeit, der Ausgangselko muss aber einen höheren Strom aushalten. Vom Prinzip her haben aber beide Schaltungen die gleiche Funktion.
Johannes E. schrieb: > Der Eingang ist mit "E" beschriftet, der Ausgang mit "A"; das sind > durchaus übliche Abkürzungen. Dass sich hinter dem Widerstandssymbol > eine Induktivität verbirgt, haben wir mittlerweile auch herausgefunden. Ich bin schwer beeindruckt, Johannes! ;-) Nur Carsten wird sich wohl weiter auf meinen schnell gezeichneten Schaltplan einschiessen, obwohl hier jede Putzkraft beide Pläne versteht. Da kann man dann gewöhnlich nichts machen. Oder anders gesagt: wer meinen Eingangs-Post incl. Bild tatsächlich nicht versteht, der kann bei der eigentlichen Frage ganz sicher auch nicht helfen, vielen Dank. Johannes E. schrieb: > In der linken Zeichnung muss der Ausgangs-Elko auch noch den > Eingangs-Ripple bewältigen Sicher? Während der untere Elko geladen wird, bricht die Spannung über dem oberen Elko ein. Das dürfte für den unteren Kondensator eher eine Entlastung sein, weil beide Elkos so ja auch ein kapazitiver Spannungsteiler sind. Aber der untere Elko ist sowieso nicht der Knackpunkt, der hat kaum Ripple zu verkraften. Die Frage geht einzig und allein in Richtung des oberen Elkos, und ob man sich (bei gleichen Rahmenbedingungen) bei Zeichnung 1 ein paar Elkos/Kerkos sparen kann.
Panzerwaschanlage Spandau schrieb: > Sicher? Während der untere Elko geladen wird, bricht die Spannung über > dem oberen Elko ein. Es hängt natürlich von der Auslegung der Speicherdrossel ab. In der Speicherdrossel hat man einen stetigen, dreieckförmigen Stromverlauf, der Ripple ist überlicherweise deutlich kleiner als der mittlere Strom. Als grobe Näherung kann man erst mal den Strom in der Speicherdrossel als konstant annehmen. Rechenbeispiel: Eingangsstrom 50A bei 24V Ausgangsstrom 100A bei 12V Wenn der Highside-Mosfet leitet, fließen 100 A durch den oberen Mosfet, 50 A davon kommen vom Eingang und 50 A vom oberen Elko. In der Drossel fließen 100 A, so wie auch an der Last, also müssen die 50A vom oberen Elko auch durch den unteren Elko fließen. Wenn der Lowside-Mosfet leitet, fließen 100 A durch den unteren Mosfet und nichts durch den oberen Mosfet. Der obere und der untere Elko werden mit 50A geladen. Man hat also näherungsweise den gleichen Ripplestrom in beiden Elkos. Der Ripple-Strom in der Speicherdrossel verteilt sich zu je 50% auf die beiden Elkos, ist in der Amplitude wesentlich geringer und deshalb gegenüber dem Ripple in den Transistoren vernachlässigbar. Der Vorteil der linken Variante ist, dass man zwei gleiche Elkos einsetzen kann, weil beide die gleiche Spannung und den gleichen Ripplestrom haben. In der rechten Variante fließt der Ripple-Strom mit +/- 50A nur durch den Eingangs-Elko, dafür braucht man hier einen Elko mit doppelter Spannungsfestigkeit. Der Ausgangselko sieht nur noch den Ripple aus der Speicherdrossel, kann also deutlich kleiner dimensioniert werden wie in der linken Variante.
Klaus Ra. schrieb: > R2_10k schrieb: >>>Da ist noch ein kleines IC zusehen >> Das wird die H-Brücke sein. > > Also wir sollen wieder einmal die Glaskugel bemühen. Wie wär´s, wenn ihr euch statt die Glaskugel zu befragen mal mit etwas Wissen zum Thema bewaffnen würdet? Es scheint durchaus angebracht. Welche H-Brücke?? In dem SO-8?? Das ist doch wohl ein Scherz! Ich wollte hier was ziemlich Generelles und Simples zu nem Eingangs-Elko eines Schaltreglers wissen, keine Vorlage zum Abkupfern liefern. Johannes E. schrieb: > Im Prinzip ist es egal, wie man die Elkos verschaltet. Im ersten Fall > hat der obere Elko nur 12V, dafür den doppelten Ripple-Strom. Warum sollte der Elko dabei den doppelten Ripplestrom tragen müssen? Hier auf der high-side wechselt der Strom bei beiden Betriebsarten (und maximaler Last) immer zwischen null und 120A. Der entscheidende Vorteil liegt wohl eher darin, daß der obere Elko nur noch 12V verkraften muss. Johannes E. schrieb: > Die Transistoren sind irgendwo > auf der Platinenunterseite und das IC ist vermutlich ein Gate-Treiber. Natürlich. Unter der Platine ist ein 10mm Alu-Profil, auf dem sind die Mosfets verschraubt.
Johannes E. schrieb: > Wenn der Highside-Mosfet leitet, fließen 100 A durch den oberen Mosfet, > 50 A davon kommen vom Eingang und 50 A vom oberen Elko. Das kann man so nicht sagen, nur schätzen. Das Verhältnis des Stroms aus der Spannungsquelle und des Stroms aus dem Elko ist von vielen Faktoren abhängig. Ich rechne stets so, daß der Elko den gesamten Strom tragen muss, bzw. genug Energie zwischenspeichern muss, um einen vollen Puls auch allein liefern zu können. Johannes E. schrieb: > Wenn der Lowside-Mosfet leitet, fließen 100 A durch den unteren Mosfet > und nichts durch den oberen Mosfet. Der obere und der untere Elko werden > mit 50A geladen. Das ist so die übliche Betrachtung einer quasi-Vollbrücke. Hier ist es aber eine Speicherdrossel, und die Last liegt über dem unteren Elko. Die Speicherdrossel kann auch NIE beide Elkos gleichzeitig laden, ist spannungsmäßig unmöglich. Johannes E. schrieb: > Man hat also näherungsweise den gleichen Ripplestrom in beiden Elkos. Nee, recht sicher nicht.
Bei einer Reihenschaltung von zwei gleichgroßen Kondensatoren halbiert sich die Kapazität. Zum Beispiel: In Bild1 sieht die Batterie einen Stützkondensator von 1000µF, in Bild2 nur 500µF, damit die Batterie wieder 1000µF sieht, muß man dann nochmal 500µF dazuschalten, siehe Bild3. Also man spart mit einer Reihenschaltung nichts. Eine Reihenschaltung ist nur Sinnvoll, wenn die Spannungsfestigkeit der Kondensatoren nicht ausreicht.
Panzerwaschanlage Spandau schrieb: > Ich rechne stets so, daß der Elko den gesamten Strom tragen > muss, bzw. genug Energie zwischenspeichern muss, um einen vollen Puls > auch allein liefern zu können. Das sind zwei verschiedene Dinge. Der worst-case für den Ripple-Strom im Elko ist, dass am Eingang ein reiner DC-Strom fließt (in diesem Beispiel konstant 50A). Wenn durch den Transistor 100A fließen, müssen die anderen 50A vom Elko kommen. Wenn der Transistor abschaltet, fließen die 50A am Eingang weiter und der Elko wird mit 50A geladen. Die im Elko gespeicherte Energie ist natürlich wesentlich größer, weil der sich ja während eines Pulses nur sehr wenig entladen soll. Kurzzeitig kann sich dadurch der Ripple in den Elkos auch mal verändern (z.B. bei Laständerungen); bei konstanter Last kann man den Ripple in den Elkos aber schon so berechnen. > Das ist so die übliche Betrachtung einer quasi-Vollbrücke. Hier ist es > aber eine Speicherdrossel, und die Last liegt über dem unteren Elko. > Die Speicherdrossel kann auch NIE beide Elkos gleichzeitig laden, ist > spannungsmäßig unmöglich. Nicht die Speicherdrossel lädt die Elkos, sonder die Spannungsversorgung. Wenn man annimmt, dass am Eingang ein reiner DC-Strom mit 50 A fließt, dann ist das auch der Ladestrom für die Elkos, während der High-Side Transistor aus ist. Mit der Last hat das auch nichts zu tun, weil der Last-Strom ungefähr gleich dem Strom in der Speicherdrossel ist. Wenn man in der Speicherdrossel einen Ripple-Strom hat (dreieckförmig), dann ist der Lade-/Entlade-Strom in den Elkos nicht mehr rechteckig, sondern die Überlagerung aus Rechteck und Dreieck; der Effektivwert wird also noch etwas größer. Rechenbeispiel: Ripple ist 40A Spitze-Spitze, also zwischen 80 und 120 A. Im Einschaltzeitpunkt des oberen Transistors ist der Drosselstrom 80A. Wenn am Eingang 50A fließen, liefert der obere Elko 30A und der untere Elko 70. Wenn der Drosselstrom auf 120A steigt, steigt der Strom im oberen Elko auf 70A und der Strom im unteren Elko sinkt von 70 A auf 30 A. Also fließt auch dann in beiden Elkos effektiv der gleiche Strom, nur eben nicht zur gleichen Zeit. Die Energie pendelt zwischen den beiden Elkos etwas hin und her. Meistens kann man das aber vernachlässigen und der Strom-Ripple in beiden Elkos ist +/- 50A,
Günter Lenz schrieb: > Bei einer Reihenschaltung von zwei gleichgroßen Kondensatoren > halbiert sich die Kapazität. Ach so? Dieses Insiderwissen wurde oben schon zum besten gegeben, hat aber mit der Problematik hier nichts zu tun. Johannes E. schrieb: > Nicht die Speicherdrossel lädt die Elkos, sonder die > Spannungsversorgung. Nee, das haut nicht hin. Die Strommersorgung lädt den unteren Elko, während der obere Mosfet eingeschaltet ist. Gleichzeitig lädt sie die Drossel auf, diese speichert dabei ebenso viel Energie, wie gerade auch in den unteren Elko geflossen ist. Das Einschalten des unteren Mosfets erlaubt das Entladen der Drossel, ihre Energie wird dann wiederum in den unteren Elko gepumpt. Während dieser zeit lädt ausschließlich die Speicherdrossel den Elko. Die Strombelastung beider Elkos ist schon deshalb nicht gleich, weil dem oberen Elko ein Pulsstrom entnommen wird, während der untere Elko einen fast gleichmäßigen Strom erfährt.
Panzerwaschanlage Spandau schrieb: > Nee, das haut nicht hin. Du scheinst dir deiner Sache ziemlich sicher zu sein. Warum fragst du dann überhaupt hier im Forum, wenn du sowieso alles besser weist. Du denkst wohl, dass ob du der einzige Mensch auf der Welt bist, der schon mal einen Step-Down Wandler mit Synchrongleichrichtung gebaut hat? > Mal angemerkt: die Schaltung existiert längst, und sie hat sogar bessere > Daten als alles was Ihr diesbezüglich je auch nur gesehen habt, > geschweige denn konstruiert! Woher willst du denn wissen was andere schon konstruiert haben? Einen Abwärtswandler mit gutem Wirkungsgrad zu bauen ist wirklkich nichts so besonderes. > Die Strommersorgung lädt den unteren Elko, > während der obere Mosfet eingeschaltet ist. Gleichzeitig lädt sie die > Drossel auf, diese speichert dabei ebenso viel Energie, wie gerade auch > in den unteren Elko geflossen ist. Wenn der obere Mosfet an ist, fließt hier ein höherer Strom als die Versorgung liefert; also kann die Versorgung in dieser Zeit keinen Kondensator laden. In dieser Zeit wird Energie in der Speicherdrossel aufgebaut, die Speicherdrossel wird sozusagen geladen. Diese Energie kommt zur Hälfte aus der Versorgung und zur anderen Hälfte aus den Elkos, und zwar aus beiden! > Das Einschalten des unteren Mosfets > erlaubt das Entladen der Drossel, ihre Energie wird dann wiederum in den > unteren Elko gepumpt. Während dieser zeit lädt ausschließlich die > Speicherdrossel den Elko. Wenn der untere Mosfet an ist, gibt die Speicherdrossel ihre gespeicherte Energie an die Last ab; in dieser Zeit werden die Elkos aus der Versorgung wieder nachgeladen. > Die Strombelastung beider Elkos ist schon deshalb nicht gleich, weil dem > oberen Elko ein Pulsstrom entnommen wird, während der untere Elko einen > fast gleichmäßigen Strom erfährt. Die Elkos sind in Reihe geschaltet, weder in der Drossel noch in der Last gibt es pulsförmige Ströme. Wenn im oberen Elko ein Puls-Strom fließt, dann muss der auch unten fließen (Knotenregel).
Ich kann's einfach nicht verstehen, das so ein Arroganters......., hier überhaupt unterstützt wird!?
Ihr laßt Euch alle von dem Panzerwäscher verarschen. Kotzt eine viertel nicht funktionsfähige "Schaltung" ins Forum und meint, jede seiner Putzfrauen würde das sofort verstehen. Und das gezeigte Foto zeigt auch wieder nur die Hälfte: erst später erfährt man, dass sich auf der Rückseite noch weitere wichtige Bauteile befinden. Und dann dieser arrogante und herablassende Tonfall. Mach doch Deinen Sch... selber, wenn Du alles besser weißt. Es ist alles Nötige gesagt ;)
Wie kann ''so Einer'' überhaupt auf dieser Welt klar kommen ? Postet irgendwelche Bildchen aus dem Net und kotzt ganz gross. Komplimente ! Hoffentlich ist er nur mit dem falschen Fuss aufgestanden
Also der Thread war nett geplant, bis man mich wieder als Blödian hinstellte. Und ihr kommt nun nicht mit der Retourkutsche zurecht, auch verständlich, aber für meinen Geschmack etwas zu billig. Johannes hat wenigstens versucht, sachlich zu bleiben, auch wenn er mit einigem daneben liegt. Bei ihm möchte ich mich bedanken. Habe die Vor- und Nachteile beider Schaltungsarten mittlerweile selbst herausgefunden. Da ganz offensichtlich kein Fachmann für Schaltregler anwesend ist, tue ich euch den Gefallen, und verabschiede mich hiermit.
Panzerwaschanlage Spandau schrieb: > Johannes hat wenigstens versucht, sachlich zu bleiben, auch wenn er mit > einigem daneben liegt. Bei ihm möchte ich mich bedanken. Du solltest schon sagen, was deiner Meinung nach falsch ist. Vielleicht kannst du noch etwas dazu lernen; auch wenn du denkst, schon alles zu wissen. Panzerwaschanlage Spandau schrieb: > Da ganz offensichtlich kein Fachmann für Schaltregler anwesend ist, tue > ich euch den Gefallen, und verabschiede mich hiermit. Du meinst wohl, niemand der dir deine Theorie bestätigt. Wenn es dir nur darum geht, dann ist das vermutlich besser so.
Panzerwaschanlage Spandau schrieb: > ... bis man mich wieder als Blödian hinstellte. Dann ist Dir das wohl schon öfter passiert, vielleicht ist da ja doch was dran :)
Panzerwaschanlage Spandau schrieb: > Nur Carsten wird sich wohl weiter auf meinen schnell gezeichneten > Schaltplan einschiessen, obwohl hier jede Putzkraft beide Pläne > versteht. Da kann man dann gewöhnlich nichts machen. > Oder anders gesagt: wer meinen Eingangs-Post incl. Bild tatsächlich > nicht versteht, der kann bei der eigentlichen Frage ganz sicher auch > nicht helfen, vielen Dank. Nö. Es ging darum daß es ein verstümmelter Schaltplan ist und man nicht fragen durfte was unklar ist. Nun ist wenigstens klar um was es geht. Ich wollte dich auch nicht beleidigen. Die Eingangsfrage war und ist einfach zu Lückenhaft und weitere Informationen notwendig. Eine Allgemeine Bewertung ist so nicht möglich. Es fehlen die Rahmenbedingungen und Zahlen. Keine der beiden Schaltungen ist der Anderen allgemeingültig überlegen. Informationen zu erraten und Vermutungen sind einfach keine gute Basis. Und das war es auch schon. Ansonsten liefert man eine Lösung und stellt dann fest: Thema verfehlt da doch was anderes gemeint war. Was läßt dich vermuten daß die Leute, die sagen es fehlen Informationen und dieses auch begründen, keine Ahnung haben. Wieso schließt Du aus, daß sie nicht eveutell doch Dinge wissen die Du übersehen hast und für deren Bewertung weitere Daten vonnöten sind? Bei der Schaltung hatte ich also schon recht vermutet, aber wissen konnte man es nicht. Bild 2 ist eine etwas unschön verdreht gezeichnete Version eines synchronen Buck-Converters ohne Regler. Das ist absolut kein Hexenwerk und weit weit ab von Panzerwaschanlage Spandau schrieb: > Mal angemerkt: die Schaltung existiert längst, und sie hat sogar bessere > Daten als alles was Ihr diesbezüglich je auch nur gesehen habt, > geschweige denn konstruiert! Es ist eine völlig gewöhnliche und erprobte Standardschaltung. Die wird für kleine Leistungen in Massen sogar als IC produziert und für größere Leistungen gibt es Versionen mit externen Fets. Beide enthalten sogar einen Regler. Die Hersteller sind nicht völlig blöde und bauen den Regler ein weil er komplett überflüssig wäre. Und ganz nebenei paßt der Satz nicht zu: Panzerwaschanlage Spandau schrieb: > Hallo Leute, möchte eine Halbbrücke zur Spannungshalbierung aufbauen > (z.B. von 24 auf 12V). Es ist also eine Fehlinformation. Richtig gewesen wäre: "Ich habe Variante 2 schon aufgebaut. Die Kondensatoren sind durch Kondensatorbänke realisiert. Kann ich durch Variante 1 die Anzahl der Kondensatoren verringern. Falls zur Beantwortung weitere Angaben nötig sind, sagt mir welche Daten fehlen." Zumindest lese ich aus deiner Frage nach dem Verkleinern dies heraus. Ich unterstelle im Folgenden daß die Kondensatoren alle Einheitsware sind und daher Verkleinern gleich Stückzahlreduzierung ist. Das ist natürlich nur vermutet da die Frage unklar ist, auch wenn einzelne Äußerungen diese Vermutungen unterstützen aber nicht eindeutig garantieren. Beispielsweise hätte Spannungsfestigkeit nämlich auch einen Einfluß auf die Baugröße. Aber hier muß man alles mit Vermutungen aufüllen da ja alls gesagt ist und man nichts Fragen darf und Fragen teilweise ignoriert werden. Und ja, um den Stromfluß auch nur annähernd abschätzen zu können fehlen sämtlich Bauteiledaten, Frequenz und Art und Größenordnung der Last, da das Ding ungeregelt ist. Oder wir müssen mit der Hypothese Stromfluß=CCM (continuous current mode) arbeiten und hoffen daß die Theorie auf deinen Fall übertragbar ist. Panzerwaschanlage Spandau schrieb: > und natürlich wird die Spannung trotzdem bei jedem Strom > sauber halbiert/verdoppelt. Warum das so ist, entnehmt ihr bitte > fachkundigen Quellen oder eigenen Experimenten. Das gilt ohne Regler nur für spezielle Bedingungen oder bei sehr gedehnter Auslegung des Wortes "stabil". Das dazu mötige wissen ist durchaus bei Einigen vorhanden. Bei Dir ist aber unklar ob diese speziellen Rahmenbedingungen gegeben sind und somit eine reine 50%-PWM ausreichend wäre. Aber anscheinend bist du mit dem Ergebnis zufrieden. So gesehen unterstelle ich ab jetzt einfach mal, daß der Rahmen stimmt. Bei geänderten Bedingungen kann das Ergebnis aber ganz schnell anders aussehen. Aber ohne Oszillskop wird das mit dem sehen schwierig, weil ein Multimeter dafür nicht geeignet ist. Wäre denn ein Oszi verfügbar? Die Art der Fragestellung und Diskussion läßt vermuten: Nein. @ Panzerwasch-ist-mir-zu-lang und Johannes Ihr diskutiert ja ganz nett wann welcher Strom wo fließt. Leider ist es anstrengend nachzuvollziehen ob ihr gerade in der linken oder rechten Schaltung seid oder allgemeingültig diskutiert. Macht das zukünftig bitte in jedem Beitrag einzelnd klar, sonst muß man immer mehrere Beiträge rückwärts lesen bis an weiß ob der Kondensator zur linken oder rechten Schaltung gehört. Ganz nebenbei: Bei den gegebenen Informationen ist nicht vorhersagbar ob die Spule kontinuierlich, kritisch oder diskontinuierlich/lückend gefahren wird. Das kann massiven Einfluß haben. Wenn es wirklich stabil bei 50% zur halben Spannung führt, so wird der lückende Anteil vermutlich gering sein. Daher schließe ich dies zur Vereinfachung aus. Aber mangels Informationen kann dies nicht garantiert werden. Es bleibt kontinuierlicher bis kritischer Betrieb als wahrscheinliche, wenn auch nicht garantierte, Möglichkeit. Panzerwaschanlage Spandau schrieb: >> Bei einer Reihenschaltung von zwei gleichgroßen Kondensatoren >> halbiert sich die Kapazität. > > Ach so? Dieses Insiderwissen wurde oben schon zum besten gegeben, hat > aber mit der Problematik hier nichts zu tun. Wie bitte? Du willst doch die Kondensatorbank kleinoptimieren. Da du Kondensatorgruppen einsetzt hängt die Kapazität mit der Anzahl zusammen. Wenn Du mit der halben Kapazität auskommst, kannst du die Kondensatorbank auch gleich ausdünnen. Wenn nicht, dann mußt Du die Anzahl bei Reihenschaltung verdoppeln um im Vergleich zur anderen Variante die gleiche Kapazität zu erhalten. Das ist also sehr wesentlich. Du kannst aber auch durch Anpassung der Frequenz die notwendige Kapazität ändern, sofern die Verluste an den anderen Stellen in einem sinnvollen Verhältnis dazu stehen. Aber die Frequenz und die anderen Daten sind ja nicht bekannt. Für weitere Betrachtungen definiere ich Variante 2 als Standard, nicht nur weil es dem Ist-Zustand entspricht. Bei gleichen Bedingungen muß für die gleiche Glättung der Eingangsbelastung die Eingangskapazität die gleiche bleiben. Wenn Du Einheitsware verbaust, was deine Bänke vermuten lassen, so brauchts Du mit dem obigen "Insiderwissen" für die Reihenschaltung als Eingangskondensator doppelt so viele Kondensatoren wie bei Variante 2 alleine für den Eingang. Jetzt ist die Frage in welcher Relation das zum eingesparten Ausgangskodensator steht. Aber das Verhältnis kennen wir nicht um zu beurteilen, ob das eine Ersparnis sein könnte. Ich unterstelle mal: Eingangskapazität = Ausgangskapazität. Damit wäre also nichts gewonnen. Ein Vorteil wäre also erst denkbar wenn in Schaltung 2 die Ausgangskapazität größer gewesen wäre als die Eingangskapazität. Ob das der Fall ist wissen wir aber nicht. Dann wäre aber die Frage ob die untere Hälfte der Eingangskapazität aus Schaltung 1 noch ausreichend glättet oder aufzustocken wäre, was den Vorteil schmälert oder gar umkehrt. In dem Falle könnte man zwar im Gegenzug die obere Hälfte der Eingangskapazität etwas reduzieren, aber nicht in dem gleichen Maße. Dann ist der kapazitive Spannungsteiler aber nicht mehr symmetrisch. Dies verändert aber deine ungeregelte Ausgangspannung. Die Theoretischen Betrachtungen darüber wann welcher Strom fließt sind ganz nett, aber die Zeitpunkte stimmen nicht und dadurch addieren und subtrahieren sie sich nicht wie beschrieben. Die Ströme in den Kondensatoren sind Phasenverschoben. In welchem Maße und welche Bedeutung dies hat hängt von Betriebsmodus der Spule ab. Aber darüber wissen wir ja nichts. Man kann das Ganze mit ernsthaften Experimenten mit Oszilloskop bewerten, mit Spice simulieren (dazu müßte man aber Daten eingeben und eine Simulation beibt eine Simulation), oder man zeichnet sich ein paar Diagramme mit dem Stromverlauf (auch dazu bräuchte man ein paar Daten). Beim derzeitgen Informationsstand kann man da nichts zum Ergebnis ausdiskutieren. Es bleibt blindes gerate was sich wo und wie bei Schaltplan 1 ändert. Aber alle die sagen es fehlen Informatioen haben natürlich keine Ahnung.
Panzerwaschanlage Spandau schrieb: > Johannes hat wenigstens versucht, sachlich zu bleiben, auch wenn er mit > einigem daneben liegt. Bei ihm möchte ich mich bedanken. Ich war auch sachlich, aber wie man an meinem etwas längeren Post sieht, es fehlen einfach zu viee Informationen um das zu bewerten. So wird es nur hypothetisches geschwafel. Man kann auch über die optimale Drehzahl einer Motors allgemein philosophieren. Aber die Optimale Drehzahl bei einem Nissan Micra ist nicht die gleiche wie bei einem Lamborghini Diablo oder Mercedes Silberpfeil. Folglich können bei den unterschiedlichen Betriebsedingungen die Argumente unterschiedlich gewichtet sein und die Plätze tauschen. Panzerwaschanlage Spandau schrieb: > Da ganz offensichtlich kein Fachmann für Schaltregler anwesend ist, tue > ich euch den Gefallen, und verabschiede mich hiermit. Doch und genau deshalb sagen sie Dir: Es ist nicht ganz so einfach.
Bitte melde dich an um einen Beitrag zu schreiben. Anmeldung ist kostenlos und dauert nur eine Minute.
Bestehender Account
Schon ein Account bei Google/GoogleMail? Keine Anmeldung erforderlich!
Mit Google-Account einloggen
Mit Google-Account einloggen
Noch kein Account? Hier anmelden.



