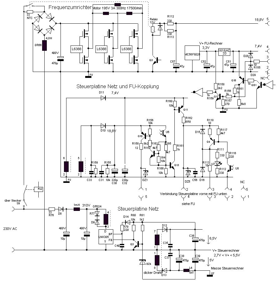
Hallo, ich habe eine defekte Waschmaschine (AEG Elektrolux Lavamat Turbo 16850A) zerlegt, weil ich den Motor für den Antrieb einer alten Drehmaschine nutzen wollte. Nun habe ich keinen Reihenschlussmotor sondern einen Asynchronmotor mit FU gefunden. An sich nicht schlecht, aber ich bekomme ihn nicht zum Laufen. Nun habe ich mehrere Fragen: 1. Ich finde keine Infos zum Motor (siehe Bild vom Aufkleber). Sind meine Annahmen richtig?: Cos(phi) und Eta (Wirkungsgrad) schätze ich mal mit 0,8 - kann das passen? Die Abgabeleistung wäre dann Pwirk = 195V 3A Sqrt(3) * Cos(phi) * Eta = ca. 650W Da ich ihn regeln will, komme ich z.B. bei halber Drehzahl auf 325W. Ist das soweit realistisch? 2. Der FU ist auf einer eigenen Platine mit normalem MikroProz aufgebaut (siehe Teil-Schaltplan). Der Leistungsteil ist wohl Standard. Die Nieder-Spg bekommt er von der Haupt-Platine (wieder mit einem MikroProz). Nur eine einzige Leitung (Anschluss 3) ist für die Kommunikation vorhanden (Vorgabe der Drehzahl usw.). Ich habe diesen Schaltungsteil mit eingezeichnet. Über den Opto-Koppler wird wohl die Info eingespeist. Nach ein bisschen Pegelanpassung und Verriegelung kommt ein Digital-Signal im FU heraus. Bei normaler Versorgung tut sich gar nichts. Auch Einspeisung einer Frequenz bringt nichts. Meine Vermutung ist, das irgend ein serielles Protokoll für die Kommunikation vorgesehen ist. Frage: gibt es eine Chance, dem FU das Laufen beizubringen - ein Standard-Protokoll oder so? 3. Natürlich ginge es mit einem anderen FU. Damit kenne ich mich noch nicht sonderlich aus. Z.B. müsste der als maximale Spg 195V 3-phasig bei 300Hz vorgeben. Das ist ja die Spannung, die für einen Zwischenkreis aus 220V-Gleichrichtung herauskommt, aber sicher keine Standardfrequenz. Welcher FU (für kleines Geld) würde da passen? Ich sehe im Augenblick keine Chance, das vermutlich proprietäre Protokoll herauszubekommen. Aber es wäre schade um den Motor mit fertigem FU. Vielleicht habt ihr Ideen. Gruß Hermann
Wenn du nicht die Kommunikation in funktionierender Umgebung abhören kannst, hast du wohl schlechte Karten. Sicher dass es ein Asynchronmotor ist und kein BLDC mit Sensoren oder BackEMF?
17500RPM passen bei 300Hz sehr gut zu ASM und schlecht zu BLDC. Die Spannung muß ein Frequenzumrichter immer an die Frequenz anpassen, und normalerweise kann man U/f Verhältnis als Parameter eingeben. Ob man den Parameter so weit drehen kann sollte man vorher überprüfen. Das wird von Modell zu Modell unterschiedlich sein.
@ MaWin: Danke für die Antwort. Es ist mit Sicherheit ein Asynchronmotor, deutlich erkennbar an dem Kurzschlussläufer. Theoretisch könnte ich eine funktionierende Umgebung herstellen, da alle Teile vorhanden sind (siehe Familienfoto). Aber funktionieren bedeutet Waschen simulieren!! Der Motor läuft ja nur wenn allen Sensoren zufrieden sind: Temperaturen, Füllstand, usw. Dann der Aufwand, das Protokoll zu entschlüsseln ... Das ist es mir nicht Wert. Die Daten des Motors sind dann wohl OK, sonst hättest Du`s gesagt. Und mal einen Standard-FU nehmen läuft wohl auch nicht. Die Anfrage war ja auch nur ein Notanker - die Antwort habe ich erwartet. Weil ich mir schon mal die Mühe gemacht habe, sende ich noch den etwas vollständigeren Schaltplan. Für mich waren einige Details interessant: - die Nieder-Spg wird mit einem DC-DC-Konverter gemacht, der direkt die gleichgerichtete Netzspannung heruntersetzt (LNK305). Hier über einen Trafo, der je 2 Spg bezogen auf 220V AC und 220V DC macht. - der µP der Steuerplatine hängt an -5V bezogen auf einen Pol der 220V-Versorgung. Der Grund ist die vielfache Verwendung der AC-Switches der Serie ACS von ST (z.B. ACS110), sie können direkt vom µP geschaltet werden, wenn sie negativen Steuerstrom ziehen. Diese Switches schalten alle Magnetventile, Lüfter, Pumpen, ... Ich werde die nächsten WaschMasch schlachten, bis ich einen Reihenschlussmotor finde - dann wird alles ganz einfach.
Hallo Hermann Ich denke, dass der gezeigte Motor ein sogenannter Spindelmotor ist. Also für eine Fräsanwendung oder ähnliches. Die gibt/gab es in der Tat mit solch krummen Spannungen. Diese wurden früher mit Motor/Generatoreinheiten umgewandelt. Heute nimmt man dafür FUs. Als Marke die deine Anforderungen beherrscht fällt mir SiemensMicromaster oder Mitsubishi ein. Ich gehe aber davon aus, dass das mittlerweile alle modernen Geräte entsprechend parametrierbar sind. SEW war bei seiner 31C Serie allerdings auf ein paar Festwerte beschränkt so dass diese sicher nicht verwendbar sein werden. Das müsste man vor dem Kauf durch einen Blick ins jeweilige Handbuch abklären. Du brauchst für deinen Motor einen FU mit 230V Versorgung. Dann sollte der FU mehr Motorstrom liefern können als der Motor zieht. ichbin
ichbin schrieb: > Ich denke, dass der gezeigte Motor ein sogenannter Spindelmotor ist. > Also für eine Fräsanwendung oder ähnliches. Die gibt/gab es in der Tat > mit solch krummen Spannungen. Ich denke eher, der Motor ist speziell für die WaschMasch gemacht - deshalb findet man auch kein Datenblatt. Die max Drehzahl passt mit der Riemenübersetzung genau für die Schleuder-Drz (1600) und die "krumme" Spg kommt genau heraus, wenn man die gleichgerichten 220VAC=310VDC ohne Tricks zu einem Sinus macht: Spitzenwert ±155V / Sqrt(2) = 110Veff Spg zwischen den Phasen = Veff *Sqrt(3) = 190Veff Danke für die Info, dass es wohl doch passende FU gibt.
hinz schrieb: > Nö, ist doch eine Drehstromvollbrücke, also +/-310V Dachte ich auch erst. Jeder Phansenanschluss bekommt aber nur Spitze/Spitze 310V. Das sind ±155V auf einen virtuellen Nullpunkt bezogen. Genau nachlesen kann man das hier auf S.71-73: http://www.gützold.com/Downloads/Allgemeine_Informationen_zu_Danfoss_Produkten/Wissenswertes_ueber_Frequenzumrichter.pdf Es ist von der Wirkung her keine Vollbrücke, da die andere Phase nie gleichzeitig das gegenteilige Potential annimmt - es ist eben eine 3-phasige Sinus-Spg. Verwirrt hat mich das auch. Die Seiten auf dem Link musste ich 3 Mal lesen.
Hermann schrieb: > ich habe eine defekte Waschmaschine (AEG Elektrolux Lavamat Turbo > 16850A) zerlegt, weil ich den Motor ... > aber ich bekomme ihn nicht zum Laufen. Manche Teile die man aus defekten Geräten Ausschlachtet sind defekt. ;-) Hast Du diese Möglichkeit zuverlässig ausgeschlossen? Denn darüber kann ich hier nichts finden.
Carsten R. schrieb: > Manche Teile die man aus defekten Geräten Ausschlachtet sind defekt. ;-) Ja, das habe ich geprüft. Die Maschine ist vom Nachbarn. Sie hat bis zum Schluss gewaschen, aber nicht abgepumpt. Wegen solcher kleinen Fehler landen die schönsten Geräte auf den Schrott.
Hermann schrieb: > hinz schrieb: >> Nö, ist doch eine Drehstromvollbrücke, also +/-310V > > Dachte ich auch erst. Jeder Phansenanschluss bekommt aber nur > Spitze/Spitze 310V. Das sind ±155V auf einen virtuellen Nullpunkt > bezogen. Man gibt schon lange keinen Sinus mehr auf den Motor: http://de.wikipedia.org/wiki/Frequenzumrichter#Optimierung_durch_.C3.9Cberlagerung_von_Oberschwingungen
hinz schrieb: > Man gibt schon lange keinen Sinus mehr auf den Motor Das mag ja stimmen, weil man meistens Standardmotoren verwendet. Meine Angaben bezogen sich ja ausdrücklich auf Sinus-Erzeugung ohne Tricks. Da bei den 195V ca. 12% am 220V-Standard fehlen, nimmt man z.B. den Trick mit der 3. Oberwelle (siehe S.73 unten in meinem Link) und erreicht damit eine Erhöhung der Ausgangsspannung. So verstehe ich auch den letzten Satz im Wiki. Für den Motor mit 195V-Nenn-Spg ist das aber überflüssig und der direkt erzeugte Sinus passt schon.
Hallo, ich habe auch noch so einen Motor übrig , 300 Hz Frequenz und 195 V Ich habe leider keinen Frequenzumrichter. Ich habe mal im Netz rumgeschaut es gibt ja relativ billige, kann man da über die PWM steuerung die Spannung einstellen? https://www.ebay.de/itm/12A-Frequenzumrichter-Variable-Frequency-Driver-Inverter-VFD-2-2KW-3-Phase-AC-ss/253389876854?hash=item3aff36ae76:g:YBUAAOSwU9Rae8g9 Würde der Umrichter funktionieren um den Motor anzusteuern -oder habe ich was übersehen?
Bitte melde dich an um einen Beitrag zu schreiben. Anmeldung ist kostenlos und dauert nur eine Minute.
Bestehender Account
Schon ein Account bei Google/GoogleMail? Keine Anmeldung erforderlich!
Mit Google-Account einloggen
Mit Google-Account einloggen
Noch kein Account? Hier anmelden.



