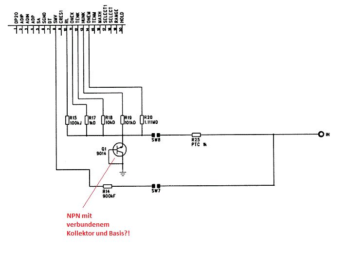
Hallo zusammen! Ich bin auf der Suche nach Ersatz für einen defekten NPN-Transistor. Könntet ihr mich bitte bei der Suche unterstützen indem ihr mir sagt was für Kennwerte bei Transistoren ausschlaggebend sind? Der Transistor den ich suche ist ein S9014 (Datenblatt im Anhang). Kann ich z.B. einfach einen nehmen dessen "Absolute Maximum Ratings" höher sind als die des S9014? Vermutlich kommt es auch auf die Schaltung an - oder? Daher noch ein kleiner Auszug des Schaltplans des Geräts aus dem der Tranistor stammt :) Gruß und danke schonmal! Flo
ja, mir ist klar dass es diesen transitor noch gibt! (google kann ich auch benutzen ;P) ich möchte aber etwas dabei lernen, denn es wird nicht immer genau diesen transistor noch geben. trotzdem danke!
Der Transistor wird als Z-Diode verwendet, du kannst da problemlos irgendeinen Kleinleistungstransistor nehmen, z.B. BC547. Achte aber auf die Pinbelegung.
flodo schrieb: > Der Transistor den ich suche ist ein S9014 (Datenblatt im Anhang). Dann darfst du so was nicht schreiben. Aus deinem Text geht eindeutig hervor, dass du Ersatz für eben diesen defekten Transistor suchst.
@foldi: Das stimmt, meine ursprüngliche Frage war wohl nicht klar formuliert! Also wie bereits gesagt: Danke für's raussuchen - ich möchte aber das Prinzip verstehen :) @hinz: Kannst du mir das näher erklären? Wieso wird so eine Z-Diode draus und wieso baut man nicht gleich eine ein (kostenfrage?)? Auf welche Kenndaten muss ich denn bei dieser Verwendung achten? Dankeschön schon im voraus!
Verstehe ich das richtig dass ich also einen Transistor benötige der die selbe Emitter-Basis-Durchbruchspannung hat? Das wäre ja im Prinzip das was die Zenerdiode ausmacht - oder?
flodo schrieb: > Verstehe ich das richtig dass ich also einen Transistor benötige > der die > selbe Emitter-Basis-Durchbruchspannung hat? Das wäre ja im Prinzip das > was die Zenerdiode ausmacht - oder? So ist es, aber die wird nicht spezfiziert. Aber es kommt hier ja nicht so genau drauf an. Einen Transistor verwendet man gerne mal wenn der Leckstrom der Z-Diode zu groß wäre.
Also die "Emitter-Base-Breakdown-Voltage" ist beim S9014 schon im Datenblatt als 5V aufgeführt - das soll laut meinen Recherchen wohl ein typischer Wert für Silizium sein. Wieso ist der Leckstrom denn bei Transistoren geringer als bei Z-Dioden?
flodo schrieb: > Also die "Emitter-Base-Breakdown-Voltage" ist beim S9014 schon im > Datenblatt als 5V aufgeführt Nein, als mindestens 5V. > - das soll laut meinen Recherchen wohl ein > typischer Wert für Silizium sein. Naja, bei Raumtemperatur sinds zwischen 7V und 10V. > Wieso ist der Leckstrom denn bei > Transistoren geringer als bei Z-Dioden? Nicht auf Verlustleistung gebaut.
flodo schrieb: > @foldi: > Das stimmt, meine ursprüngliche Frage war wohl nicht klar formuliert! Doch, war sie. Manche Leute sind jedoch nicht willens oder in der Lage mehr als einen Satz zu erfassen.
flodo schrieb: > Der Transistor den ich suche ist ein S9014 (Datenblatt im Anhang). Segler schrieb: > Doch, war sie. Segel mal weiter.
flodo schrieb: > Der Transistor den ich suche ist ein S9014 Es tut als Ersatz (auch und insbesondere in deiner Schaltung) fast jeder, z.B. ein BC547. Der S9014 ist ein billiger Industrietyp, sozusagen Ausschuss.
Danke Hinz für die Erkläung! Ihr anderen zwei beruhigt euch mal ;) http://www.weitron.com.tw/PDF/C945.pdf Den hab ich grad aus einem alten Monitor gepflückt - Basis und Kollektor sind zwar genau falsch rum - sollte ja aber herzlich egal sein wenn beide sowieso kurzgeschlossen sind?! Richtig?
flodo schrieb: > http://www.weitron.com.tw/PDF/C945.pdf > Den hab ich grad aus einem alten Monitor gepflückt - Basis und Kollektor > sind zwar genau falsch rum - sollte ja aber herzlich egal sein wenn > beide sowieso kurzgeschlossen sind?! Richtig? So ist es.
Eine letzte Frage noch: IN ist der Eingang einer eines Multimeters, was würde passieren wenn der Transistor bzw die Z-Diode nicht vorhanden wäre? Wozu dient sie/er in dieser Schaltung? Danke! :)
Ich sollte vllt noch dazusagen dass mot diesem schaltungszweig widerstände gemessen werden - also das Ohmmeter. Den Sinn der Z-Diode kann ich mir als Laie aber nicht erklären und auch der PTC mit 1kOhm bleibt mir rätselhaft.
Bitte melde dich an um einen Beitrag zu schreiben. Anmeldung ist kostenlos und dauert nur eine Minute.
Bestehender Account
Schon ein Account bei Google/GoogleMail? Keine Anmeldung erforderlich!
Mit Google-Account einloggen
Mit Google-Account einloggen
Noch kein Account? Hier anmelden.

