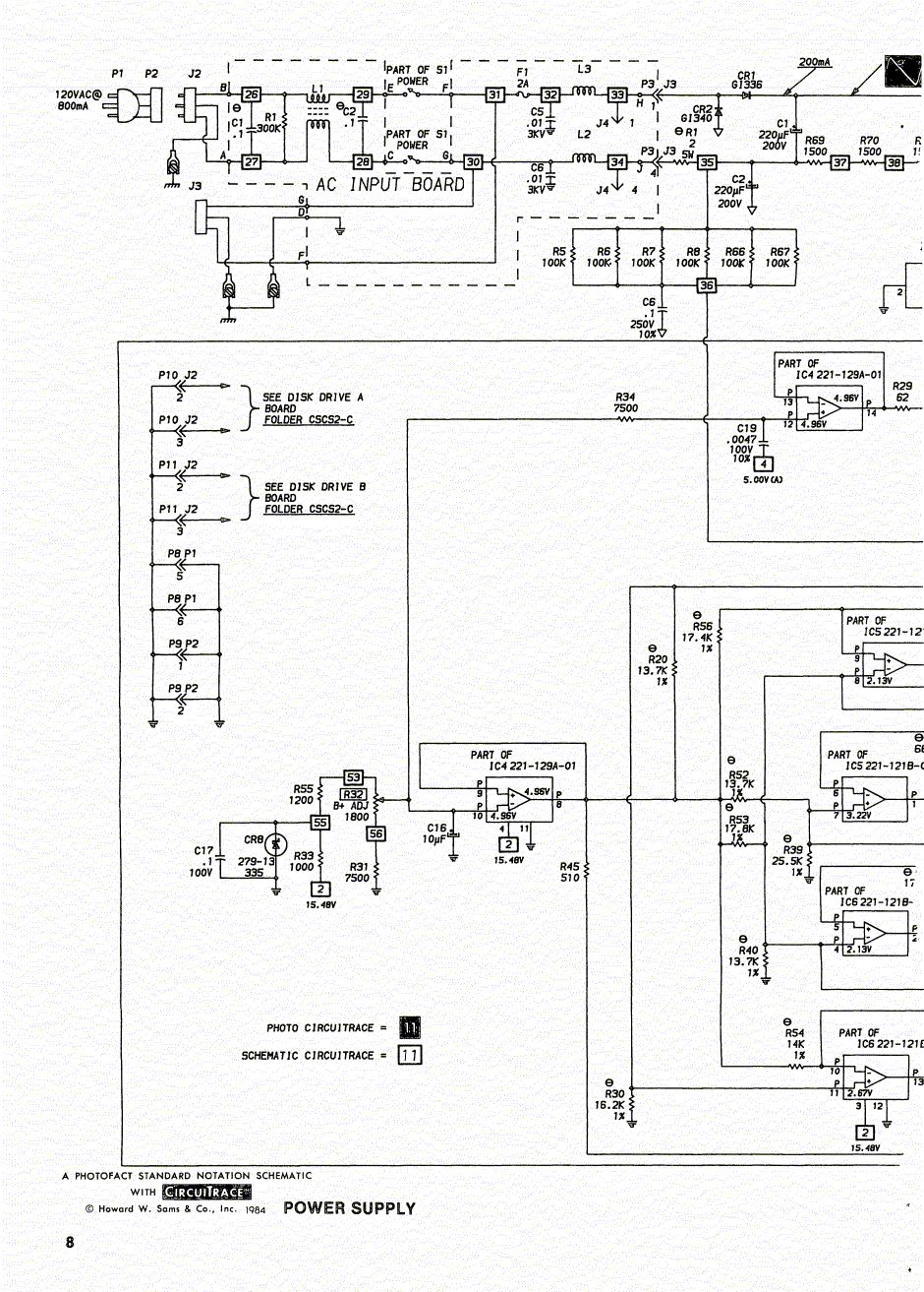
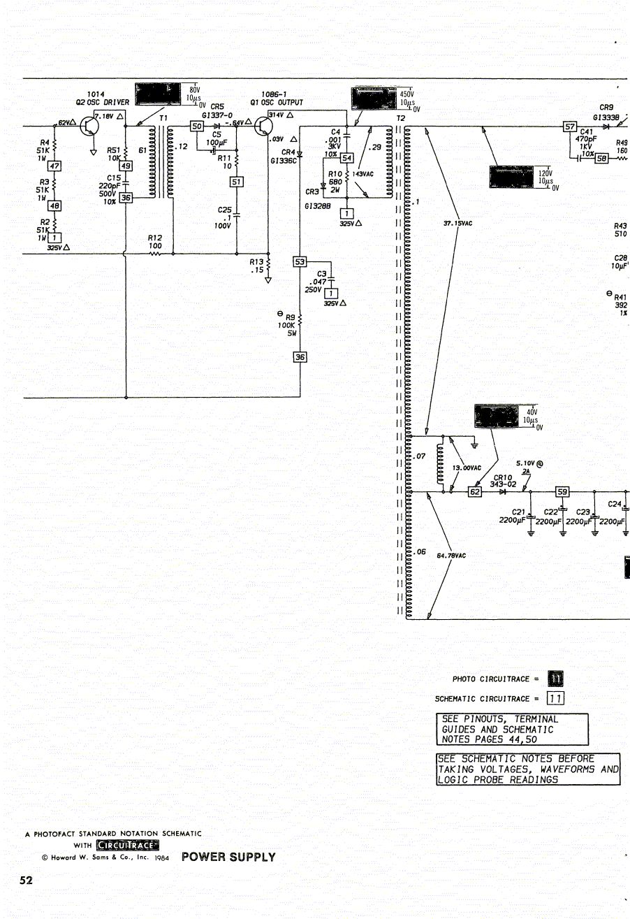
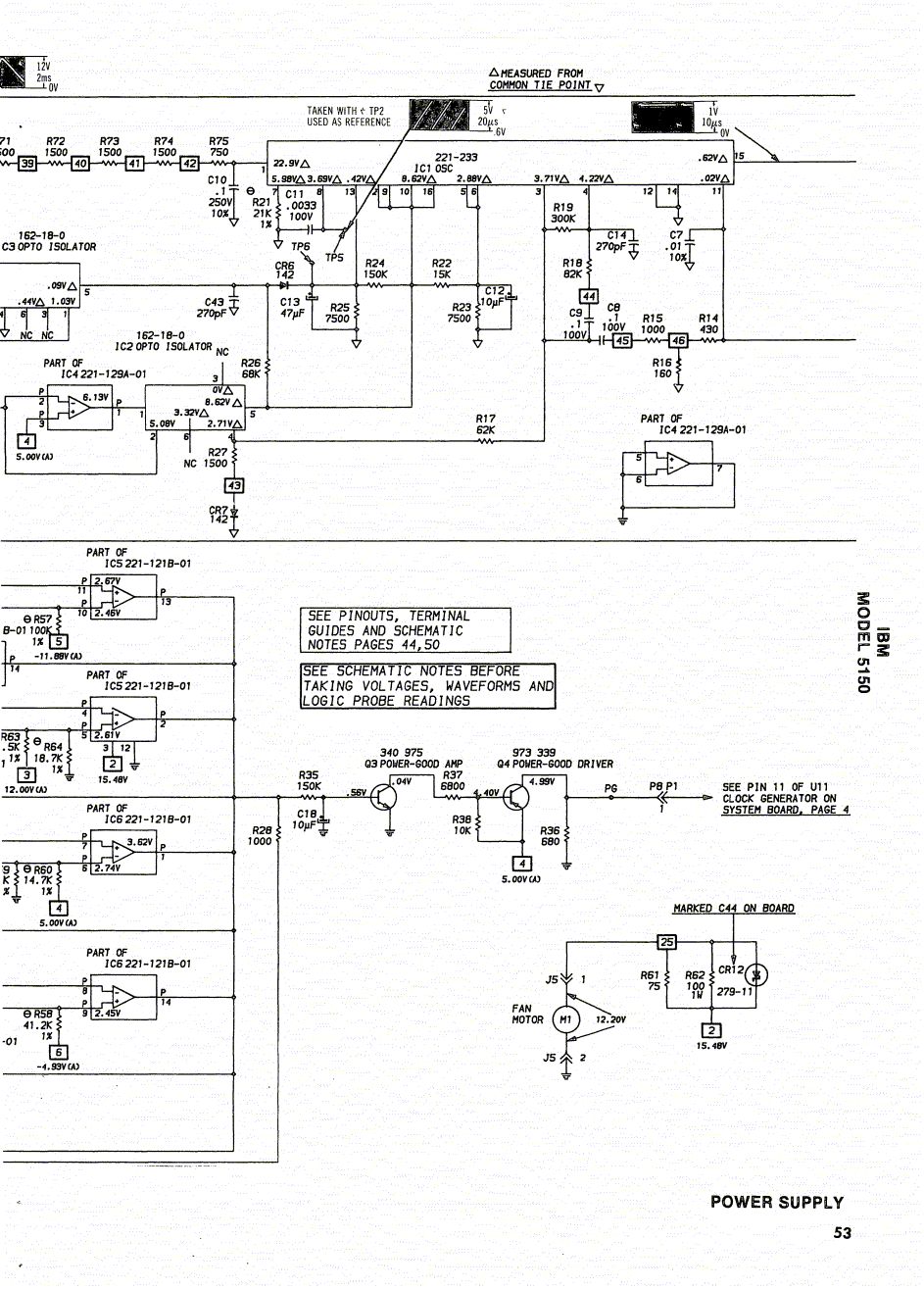
Hallo Es wurden doch mal vom oben genannten PC doch mal die Stromlaufplänezu der ganzen Kiste veröffentlicht, nur finde ich die im Netz nicht mehr. Ich benötige eigentlich nur den vom Netzteil.
Ist zwar so gut wie alles dabei, nur leider eben das SNT nicht.
Hier eine Variante (110V) Ansonsten halt Fotos, Problemgeschreibungen und Messungen hier rein. Die alten Netzfilterkondensatoren machen gerne einen auf Popcorn.
Ne ist leider ein anderes Netzteil. Meines binhaltet einen SG3524 PWM-IC. Fehlerbeschreibung: Kurz nach dem einschalten hört mann das Relais für die Einschaltstrombegränung anziehen und die Sapnnungen sind für einen bruchteil der Sekunde am Ausgang vorhanden, danach stille. Netzteil ist so eines: http://www.google.de/imgres?imgurl=http%3A%2F%2Fwww.retrocomputing.net%2Fparts%2Fibm%2F5155%2Fdocs%2Ffotopower%2FP0019104.JPG&imgrefurl=http%3A%2F%2Fwww.retrocomputing.net%2Fparts%2Fibm%2F5155%2Fdocs%2Fdocs5155power.htm&h=480&w=720&tbnid=Nt1fptDoiTAxoM%3A&zoom=1&docid=tMUoj_psUq41iM&ei=k3cDVIXPLsvUPOSpgLgB&tbm=isch&client=firefox-a&iact=rc&uact=3&dur=922&page=1&start=0&ndsp=27&ved=0CCwQrQMwBA
Betreibst Du es auch mit passender Last? Ohne laufen Spannungen hoch und es schaltet sich ab. Am Mainboard ist kein Kurzschluss? Die alten Tantals schließen gerne kurz. Als Nächstes würde ich mit einem regelbaren Netzteil die Spannungen ins (ausgeschaltete) Netzteil von Außen zuführen, -5V ausgenommen, um eventuelle Kurzschlüsse zu finden. Als Nächstes die Widerstände in der Spannungsüberwachung auf richtige Werte prüfen...
Bei ersten Test(Alles noch angeschlossen) im PC gings schon nicht. Im Lehrlauf gings nicht, und mit alten Festplatten als Last gehts auch nicht. Hab da noch ein Zweites mit den selbigen Fehler. Der Restliche PC funktioniert, hab ich mit einem ATX Netzteil getestet, möchte aber eigentlich das Orginal wieder an den Star bekommen. Nur es sind halt doch einige ICs, die meisten davon LM339 Komparatoren, verbaut. Da ist es schon angenehmer wenn mann einen Schaltplan dazu hat. Dachte zwar ich hätte den mal im Internet dazu gefunden, aber das ist doch schon eine Weile her. Irgendetwas veranlast den Schaltregler anscheinend wieder auszuschalten, nur was? Muss da anscheined doch mal mit dem Oszi ran. Versorgung ist am SG3524 vorhanden.
Bitte melde dich an um einen Beitrag zu schreiben. Anmeldung ist kostenlos und dauert nur eine Minute.
Bestehender Account
Schon ein Account bei Google/GoogleMail? Keine Anmeldung erforderlich!
Mit Google-Account einloggen
Mit Google-Account einloggen
Noch kein Account? Hier anmelden.







