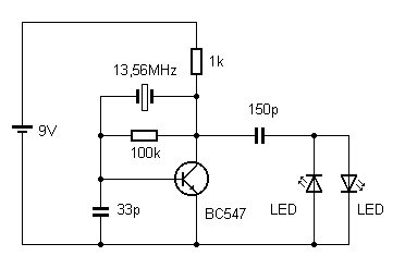
Hallo, ich bin gerade dabei mich in das Thema Oszillatorschaltungen einzuarbeiten. Auf dem angehängten Bild ist eine Schaltung aus einem HF-Baukasten zu sehen, den ich hier rumliegen hab. Ich hab ein paar Fragen und hoffe ihr könnt mir weiterhelfen. Erstmal wollte ich rausfinden, was für eine Oszillatorschaltung es eigentich ist. Auf den ersten Blick ist es eine Emitterschaltung, wobei die Rückkopplung wegen der 180° Phasendrehung des Transistors als als Gegenkopplung ausgeführt ist. Stimmt das soweit? Laut Quarzkochbuch (http://www.qsl.net/dk1ag/Kap6.pdf), Bild 6.6a ist es eine Emitterschaltung mit Quarz in Position 4. Also müsste es laut dem Kommentar weiter unten eine Pierce-Schaltung sein, oder? Ich kann die Grundschaltung (kapazitiv, induktiv, mit Übertrager) nicht genau identifizieren, da ich nicht weiß wie der Schwingquarz wirkt. Induktiv? Kapazitiv? Könnt ihr mir da weiterhelfen. Und was bewirken der 33pF Kondensator und der 100k Widerstand parallel zum Quarz? So, ich glaub das sind genug Fragen fürs erste. Viele Grüße, Joe
Joe schrieb: > 100k Widerstand parallel zum Quarz Arbeitspunkteinstellung des BC547, dieser wird sonst nicht leitfähig.
>> Auf den ersten Blick ist es eine Emitterschaltung, wobei die >> Rückkopplung wegen der 180° Phasendrehung des Transistors >> als als Gegenkopplung ausgeführt ist. Stimmt das soweit? yep, genau so.
Danke für die schnellen Antworten. Rainer V. schrieb: > Arbeitspunkteinstellung des BC547, dieser wird sonst nicht leitfähig. Aber die Basis liegt ja "hinter" dem Widerstand...? Direkt nach dem Einschalten sperrt der Transistor ja noch und der Schwingquarz ist auch ein Isolator. Dann fließt ja ein Strom über die beiden Widerstände durch die Basis und fällt Spannung an den Widerständen ab und 0,7 V an der Basis-Emitter-Strecke. Stimmt das soweit? Normalerweise wird die Arbeitspunkteinstlelung ja über einen Basisspannungsteiler gemacht, aber hier liegt ja an der Stelle an der eigentlich die Basisspannung abfällt der 33 pF Kondensator. Dieser hat bei 13 MHz Xc = 350 Ohm. Ist das dann so gewählt, dass er bei Resonanz den Arbeitspunkt einstellt?
Das ist eine Colpitts Oszillatorschaltung. 150p und 33p bilden den C-Spannungsteiler. Die LEDs in Reihe zu 150p sind im voll schwingenden Zustand des Oszi leitend, für HF ein Kurzschluss, beim Anschwingen spielt ihr C eine Rolle. Der Quarz schwingt im induktiven Frequenzbereich. Deshalb bilden die 33pF, die 150 pF und der Quarz (als Induktivität) den eigentlichen Schwingkreis des Oszillators. Der normale Massepunkt wäre der kollektorseitige Pin des 150-pF-Kondensators. Vertausche mal in der Reihenschaltung Batterie - 1kOhm die beiden Elemente., dann wirds vielleicht übersichtlicher.
Peter, vielen Dank für die ausführliche Antwort! Ich werde mir die verschiedenen Aspekte der Schaltung jetzt nochmal in Ruhe ansehen und hoffe, dass ich dann durchblicke.
Bitte melde dich an um einen Beitrag zu schreiben. Anmeldung ist kostenlos und dauert nur eine Minute.
Bestehender Account
Schon ein Account bei Google/GoogleMail? Keine Anmeldung erforderlich!
Mit Google-Account einloggen
Mit Google-Account einloggen
Noch kein Account? Hier anmelden.
