Hallo, ich habe eine merkwürdige Entdeckung gemacht. Für die Reperatur einer Rückleuchte habe ich bei eBay 50 rote Flux Leds gekauft. Also alte LEDs ausgelötet und neue eingelötet. Spannung drauf --> alles dunkel. Ratlosigkeit... Eingangsspannung an Rückleuchte gemessen --> alles i.O. Einzelne LED auf Steckbrett aufgebaut, 670 Ohm Widerstand, 12V --> alles dunkel Hä? Anode und Kathode vertauscht --> LED leuchtet --> hä? Sind das Fehlproduktionen oder gibt es LEDs, bei denen die Polung schlichtweg verkehrt herum ist? Gruß Christian
... schrieb: > Oder deine Auffassung was verkehrt herum ist ist "verkehrt herum" > ? ? Der "massive" Teil des Innenlebens ist die Kathode, auch erkennbar an der Fase an der einen Kante. Der "dünne" Teil im Inneren ist die Anode. Oder nicht?
Christian schrieb: > Sind das Fehlproduktionen oder gibt es LEDs, bei denen die Polung > schlichtweg verkehrt herum ist? Einfach das Datenblatt befragen ... Es gibt kein "verkehrt herum", weil es niemanden gibt, der "richtig herum" festgelegt hat.
Christian schrieb: > Ja und bei mir ist es genau andersrum... :-S God hates you ... ne mal ohne Scheiß ... wer verlässt sich auf sowas? Wenn du irgend einen Transistor im TO-92 Gehäuse siehst, dann klemmst du den auch gleich mal wie die BC54x an ... á la : ist ja bei allen gleich ?! Hirn anschalten ... Dioden sind ja noch nett in Verpolhinsicht =)
Hatte letztens auch mal eine Carge LEDs wo der Chip anscheinend Falschherum eingebaut wurde. Ist natürlich doof, wenn mann schon 150 von den Dingern verbaut hatt bis es aufgefallen ist...
Anhang: Datenblatt Nichia. Ich kenne die Belegung nur so. Und das ist andersrum als deine Vermutung.
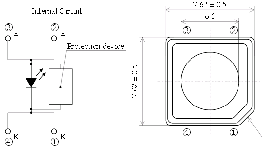
Helge A. schrieb: > Anhang: Datenblatt Nichia. Ich kenne die Belegung nur so. Und das ist > andersrum als deine Vermutung. Ist zwar OT, aber weiss jemand, was für ein "protection device" in den LEDs verbaut ist? Gruss Harald
Helge A. schrieb: > Anhang: Datenblatt Nichia. Ich kenne die Belegung nur so. Und das ist > andersrum als deine Vermutung. Sagt wer ?
@Helge A. (besupreme) >Anhang: Datenblatt Nichia. Ich kenne die Belegung nur so. Und das ist >andersrum als deine Vermutung. Entspricht Dein Bild nicht exakt dem Bild des TO? Also wie dessen Vermutung? Es wäre mal interessant zu wissem, was für einen Typ er wo gekauft hat.
Helge A. schrieb: > Anhang: Datenblatt Nichia. Ich kenne die Belegung nur so. Und das ist > andersrum als deine Vermutung. An der Seite mit der abgeschrägten Ecke ist die Kathode. Das habt ihr beide gleich. Und weil das noch nicht gesagt wurde: die Abschrägung ist das kenn- zeichnende Merkmal. Je nach Material können LED-Chips oben (per Bonddraht kontaktiert) die Anode oder die Kathode haben. XL
Hatte ich auch schon. Eine billige gelbe von Conrad und zwei teure Nichia. Die von Conrad war mit dem Kelch an plus. Die Nichia anders herum. Da bei der LED die Beine auch noch gleich lang waren und die Einkerbung fehlte, konnte ich dann erstmal fröhlich umlöten...
Harald Wilhelms schrieb: > Ist zwar OT, aber weiss jemand, was für ein "protection device" in > den LEDs verbaut ist? Osram baut in manche Leistungs-LEDs eine kleine LED verpolt ein. Somit ist die Rückwärtsspannung auf die Flussspannung begrenzt.
Okay also ist es wohl nicht völlig unüblich... Es sind diese LEDs: http://www.ebay.de/itm/260928140012?_trksid=p2059210.m2749.l2649&ssPageName=STRK%3AMEBIDX%3AIT Datenblatt ist nicht dabei. Nur ein stark pixeliges Bild. So ist das eben, wenn man billig kauft :-D Gruß Christian
Christian schrieb: > So ist das eben, wenn man billig kauft :-D Einen kleinen und billigen Billig-LED-Prüfstand bauen ? Mit 1 Widerstand und 2 Federn aus Kugelschreiber ?
Bitte melde dich an um einen Beitrag zu schreiben. Anmeldung ist kostenlos und dauert nur eine Minute.
Bestehender Account
Schon ein Account bei Google/GoogleMail? Keine Anmeldung erforderlich!
Mit Google-Account einloggen
Mit Google-Account einloggen
Noch kein Account? Hier anmelden.

