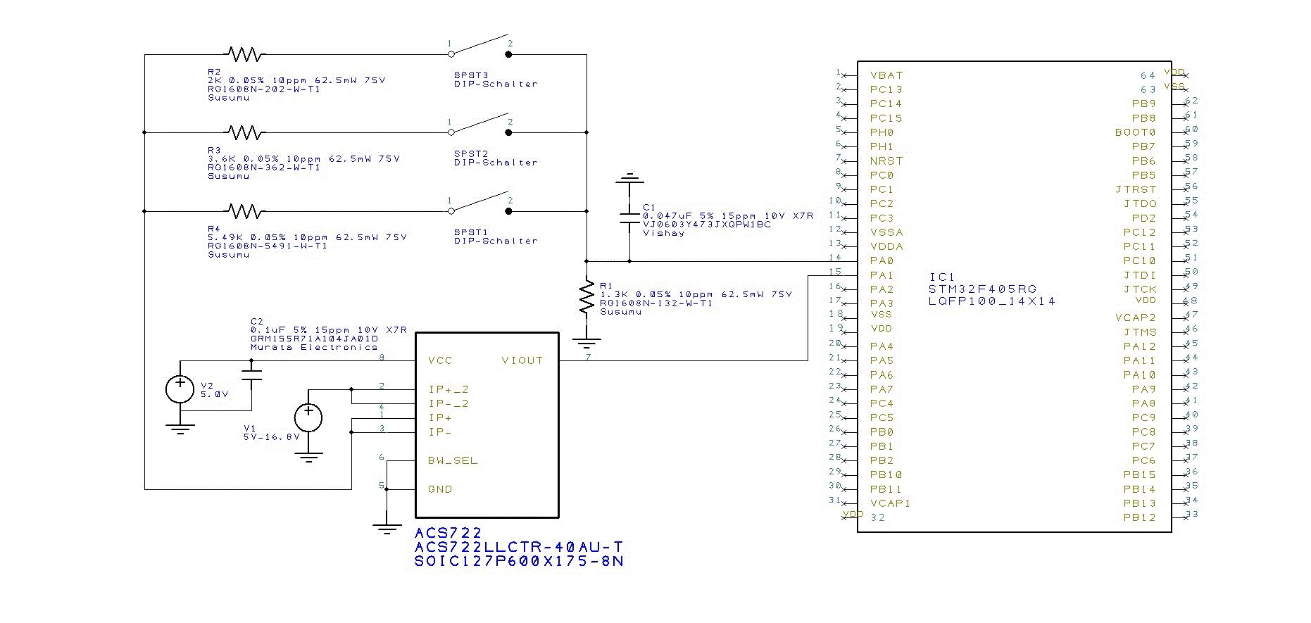
Hallo Habe mich jetzt doch entschieden, aus Kostengründen und wegen der Einfachheit mittels Spannungsteiler zu arbeiten (vorerst). Werde mal damit Erfahrungen sammeln. Muss zwischen 2S und 4S LILO messen können (Spannungsteiler schaltbar mittels DIP-Schalter). Strom mittels ACS722 Sensor. (Werde dann noch einen 5V Regulator einzeichnen. für die Versorung des Sensors, STM32 und andere Geräte) Ich weiss dass die DIP-Schalter ein gewisses Risiko bergen für den ADC.... aber eine einfache Lösung dafür habe ich nicht gefunden (ausser dem Verweneden nur eines Spannungsteilers über den gesammten Bereich von 5-16.8V) Bin aber für jede Hilfe und Hinweise sehr dankbar und freue mich über jede Kritik Gruss Andy
Nimm einen ganz normalen Spannungsteiler, den du auf die kleinste zu messende Spannung auslegst. Über N-Kanal FETs kannst du mittels Controller zum unteren Widerstand weitere Widerstände parallel schalten, um auch höhere Spannungen zu messen. Du kannst noch z.B. 47k Ohm in Reihe zum ADC-Eingang schalten um den Controller zu schützen.
Hallo Marius Ups. Das war etwas zu viel neues für mich. Wäre sehr dankbar, wenn man mir dies mit einer Skizze verdeutlichen könnte. Finde viele Informatioen über N-Kanal FET's. Ev. kann mir jemand helfen Wird dann die Source nicht zu hochohmig, wenn ich 47k in Reihe schalte? Noch einmal vielen Dank. Ich werde jetzt mal N-Kanal FET's versuchen zu verstehen...
Andreas R. schrieb: > (Werde dann noch einen 5V Regulator einzeichnen. für die Versorung des > Sensors, STM32 und andere Geräte) 5V sind für den STM32 zu viel
Ja, 5V sind zu viel. Wird dann später noch angepasst. Resp. die Spannungsversorung für den STM32 ist hier nicht eingezeichnet. Also N-Kannal MOSFET: Durch eine regulierbare negative Spannung am G-Gate wird der Strom zwischen Source und Drain reguliert. hmmm aber wie kann ich damit "über Controller zum unteren Widerstand weitere Widerstände Parallel schalten"? Danke Andy
Andreas R. schrieb: > Wird dann die Source nicht zu hochohmig, wenn ich 47k in Reihe schalte? Der STM32F405 hat 2 Pins (PA4 und PA5), die +/-5mA vertragen. Wenn du nur einen/keinen DAC brauchst, kannst du diese Eingänge nehmen und den Schutzwiderstand deutlich kleiner machen. Alle anderen Pins sind mit 0mA spezifiziert, da ist es sowieso Glückssache. Mit FETs zu schalten wird knifflig, finde mal einen mit geringem Leckstrom und geringem On-Widerstand. Die meisten haben 1uA bei 25(!) Grad, damit brauchst du keine 0.05% Widerstände mehr... Ich würde die DIL-Schalter durch Reed-Relais ersetzen und die wie bei einem Auto-Range-Voltmeter per Programm schalten. Dann kann dem STM32 normal nichts mehr passieren. Ja, Selbstzerstörung per Programm geht noch ;) Relais hätten auch den Vorteil, dass der Akku nicht über den Spannungsteiler entladen wird.
Danke für all die Informationen. Leider muss/will ich mechanisch schalten... Ich werde die Schaltung mit dem Spannungsregulator erweitern.
Bitte melde dich an um einen Beitrag zu schreiben. Anmeldung ist kostenlos und dauert nur eine Minute.
Bestehender Account
Schon ein Account bei Google/GoogleMail? Keine Anmeldung erforderlich!
Mit Google-Account einloggen
Mit Google-Account einloggen
Noch kein Account? Hier anmelden.

