Hallo Freunde :) Ich habe einen Ultraschall-Sensor SRF06 gekauft, dies hat ein Ausgangsignal von 4mA bei einer Entfernung von 2cm, und 20mA bei 5,1 m diese Ausgangstrom lasse ich durch einen Wiederstand von 250 Ohm fliessen, und hab jetzt einen Ausgangsspanung von 1V bei bei einer Entfernung von 2cm und 5V bei 5,1m . Ich will aber einen Schaltsignal am Ausgang, welche nur bei einer Abstang von 2cm und 2,5m ein Aktor schaltet. Ich habe mir überlegt einen selbst gebauten Fensterkomparator zu verwenden.würde das klappen? was muss ich beachten?. Bin mal gespannt auf ein paar Kommentare und Hinweise :).
wirklich 2cm?.....sehr sportlich US Sensoren (mit so hoher Reichweite) haben üblicherweise einen höheren Mindestabstand
PeterL schrieb: > wirklich 2cm?.....sehr sportlich > > US Sensoren (mit so hoher Reichweite) haben üblicherweise einen höheren > Mindestabstand Doch, passt schon :-) http://de.manu-systems.com/SRF06.shtml Auf der Seite ist auch ein kleines Applikationsbeispiel, wie man 1..5V bekommt (für einen A/D-Wandler). Fensterkomparator zur Auswertung ist dann in Ordnung. Ich sehe da keine Besonderheiten, die zu beachten wären...
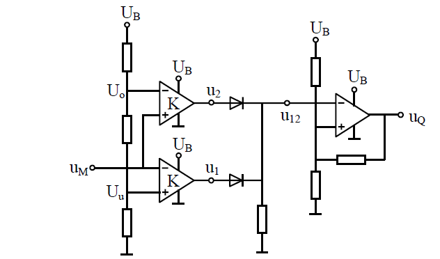
Kann ich das selber bauen oder soll ich eine fertige(z.b TCA 965) kaufen?
2cm sind als das untere Ende des Messbereichs angegeben. Ein kleineres Signal als 4mA (entsprechend 2cm) wird der Sensor nicht ausgeben. Dein Fensterkomparator hat deshalb keine weitergehende Funktion als ein normaler Komparator, der beim Abstand 2,5m schaltet. Der Fensterkomparator würde nur dann einen Unterschied machen, wenn der Sensor nicht angeschlossen oder defekt ist.
Erstmal vielen Dank zu allen. Da ich noch nicht genug praktische Kenntnisse habe, bin noch bisschen verwirrt, welche Komparator soll ich verwenden? soll ich das als invertierend betreiben? weil ich will ein schalt Signal von 5V am Ausgang haben nur wenn ein Hindernis 2,5m oder weniger weg vom Sensor, das entspricht 3V oder kleiner als 3V am Ausgang des Sensors ????
Bitte melde dich an um einen Beitrag zu schreiben. Anmeldung ist kostenlos und dauert nur eine Minute.
Bestehender Account
Schon ein Account bei Google/GoogleMail? Keine Anmeldung erforderlich!
Mit Google-Account einloggen
Mit Google-Account einloggen
Noch kein Account? Hier anmelden.
