Hallo, ich versuche einen Motor über einen 2-Quadrantensteller mit Halbbrücken Mosfettreiber zu steuern. Ich nutze dafür dieses Tutorial: http://www.mikrocontroller.net/articles/Motoransteuerung_mit_PWM Mein Schaltplan befindet sich im Anhang. Der Motor wird zwischen "M12V" und "Motor2" angeschlossen. Folgender Fehler tritt auf: Schalte ich die Versorgungsspannung der Platine ein, läuft der Motor sofort los. Die PWM des Mikrocontrollers und das SD Signal haben keinerlei Auswirkung auf das Verhalten des Motors. Messergebnisse: PWM 0-3,3V @ 7,8kHz Pulsbreite 50% An SD messe ich 0 oder 390mV. Ich toggel den Pin mit 0,5 Hz. Wieso messe ich 390 mV? Es sollten eigentlich 3,3 Volt sein... Hat jemand eine Idee?
Aus der rechten Skizze gehen nur zwei Verbindungen weg. Wie ist die Masse des Controller und die der Schaltung verbunden? Mach mal einen gesamt Schaltplan und zieh die Symbole etwas mehr auseinander, damit sich die Texte nicht so überschneiden.
Wenn etwas nicht geht: Erst einmal den statischen Fall betrachten. Der Dynamische wird erst dann überprüft, wenn der statische Betriebszustand fehlerfrei gewährleistet ist.
Düsendieb schrieb: > Aus der rechten Skizze gehen nur zwei Verbindungen weg. Genau. 1. Das PWM Signal, welches vom Mikrocontroller zum Brückentreiber geht 2. Das SD Signal Düsendieb schrieb: > Wie ist die Masse des Controller und die der Schaltung verbunden? Alle haben eine gemeinsame Masse Düsendieb schrieb: > Mach mal einen gesamt Schaltplan und zieh die Symbole etwas mehr > auseinander, damit sich die Texte nicht so überschneiden. Siehe Anhang Martin Schwaikert schrieb: > Wenn etwas nicht geht: Erst einmal den statischen Fall betrachten. Was muss ich da genau betrachten?
Hallo "006" > Siehe Anhang Gibt es einen besonderen Grund, warum du die Pinnamen eingeblendet hast? Ich finde das nicht besonders übersichtlich. > Martin Schwaikert schrieb: >> Wenn etwas nicht geht: Erst einmal den statischen Fall betrachten. > > Was muss ich da genau betrachten? Den statischen Fall. Also keine PWM, sondern feste Pegel. Mit freundlichen Grüßen Thorsten Ostermann
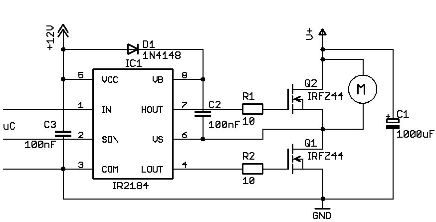
Ist der Halbbruecktreiber eigentlich fuer 12V Betrieb ueber der Last spezifiziert ? Die 1N4148 ist etwas schwach fuer den Vb von 12V her. Ich verwend dort eine 1A Schottky. Diese 12V sollten auch einen Cap haben, der groesser ist als die 100n des C11. Der Motor wird gegen GND angeschlossen, nicht gegen 12V. Und dann sollte man noch Schottkys parallel zu den Fets vorsehen. Die internen Dioden sind nicht genuegend. Fuer 12V wuerd ich nicht so einen Halbbrueckentreiber verwenden.
Wo kommen denn die +12V/2 (Motorspannung) her? Alle anderen 12V Label heißen nur +12V
Hi und vielen dank für die zahlreichen Tipps. Der Motor läuft jetzt. Hatte im Mikrocontroller den falschen Portpin für SD auf Ausgang geschaltet. War also ein Softwarefehler. Der Motor läßt sich jetzt über die PWM steuern. Danke an alle! Ich habe aber ein weiteres Problem festgestellt. Wenn ich den Mikrocontroller im Reset halte (z.B.: beim Programmiervorgang) läuft der Motor los. Erst wenn wieder definierte Signale vom Mikrocontroller ankommen, verhält er sich definiert. Ich hätte ihn im Reset Fall gerne aus. Läßt sich das irgendwie hinkriegen? Vielleicht ein Pulldown Widerstand an SD des Mosfettreibers?
006 schrieb: > Ich hätte ihn im Reset Fall gerne aus. Läßt sich das irgendwie > hinkriegen? Vielleicht ein Pulldown Widerstand an SD des Mosfettreibers? Wie du sagst - Pullup oder Pulldown. Alternativ hat man eigentlich in jeder vernünftigen Motorsteuerung (zumindest bei den Motortypen die bei einfachem Strom anlegen loslaufen ..) eine AND Gatter in der Ansteuerungs-Hardware (deine Logikpins) verbaut auf das man dann mit einem Not-Halt Schalter (!= Not-Aus) verbindet.
Bitte melde dich an um einen Beitrag zu schreiben. Anmeldung ist kostenlos und dauert nur eine Minute.
Bestehender Account
Schon ein Account bei Google/GoogleMail? Keine Anmeldung erforderlich!
Mit Google-Account einloggen
Mit Google-Account einloggen
Noch kein Account? Hier anmelden.


