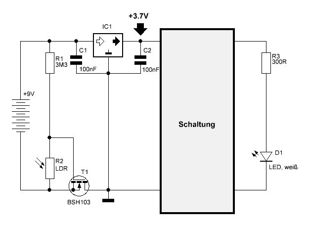
Hallo Ich habe hier eine bestehende Schaltung - ein elektr. Kerzenflackern. Es funktioniert wunderbar :-) Also: Wenn es dunkel wird, wird der LDR hochohmig und irgendwann beginnt T1 zu leiten. IC1 nimmt seine Arbeit auf und wandelt die 9V (aus einem 9V-Block) zu 3,7V um. Damit wird die Schaltung versorgt. Danach befindet sich eine LED, die wie eine Kerze flackert. Wird der LDR wieder beleuchtet, bekommt IC1 keine Masse mehr und die LED geht aus. Soweit - so gut ! Wenn nun zB ein Auto vorbeifährt und den LDR kurz beleuchtet, geht die "Kerze" aus. Ist das Auto vorbei, geht sie wieder an. Nun möchte ich eine (einfache) Verzögerung hinzufügen, die dies verhindert. Ein kurzes Beleuchten des LDR soll wirkungslos bleiben (ein paar Sekunden reichen). Auch wenn bei eintretender Dunkelheit die "Kerze" verzögert einschaltet wäre kein Problem. Die Schaltung ist aber bereits so vorgegeben. Große Änderungen sind damit nicht mehr möglich. Ich dachte an einen Kondensator am Gate oder so - aber leider funzt das nicht so, wie ich mir das vorstelle. Hat jemand einen Vorschlag ? lg, Jonny
R2 mit einem Kondensator parallel schalten. Je größer er ist, um so größer ist die Verzögerungszeit.
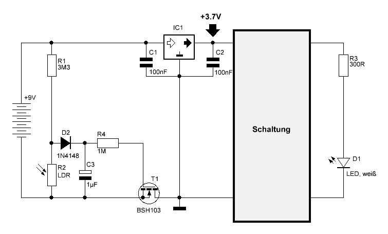
Das stimmt leider nicht. Wenn der LDR beleuchtet wird, wird er sehr niederohmig und entlädt damit den Kondensator sehr schnell. Hat also praktisch kleine Wirkung. Zu groß kann ich den Kondensator auch nicht wählen, weil er 1. über 3M3 geladen werden muss und 2. aus platzgründen kein großer Elko unterzubringen ist. Ich habe es inzwischen so (siehe Bild) versucht: Dies bewirkt sowohl eine Ein- als auch Ausschaltverzögerung. Währe ja wie gesagt kein Problem. Wird aber nun der LDR beleuchtet, wird der FET immer schlechter leitend, was zur Folge hat, dass IC1 immer weniger Masse bekommt. Die Ausgangsspannung von IC1 steigt dabei langsam bis auf die 9V Batteriespannung an. Dies ist natürlich nicht gewünscht. Die 3,7V sollen blos für ein paar Sekunden bestehen bleiben um die Schaltung weiter zu versorgen. Irgendwie beißt sich hier die Katze in den Schwanz :-| lg, Jonny
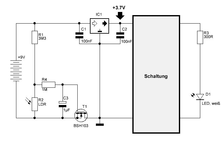
C3 kommt hinter den neu eingebauten R4. Damit kann auch die Diode entfallen.
Helge A. schrieb: > C3 kommt hinter den neu eingebauten R4. Damit kann auch die Diode > entfallen. Klingt vernünftig. siehe Schaltbild 3 Habe aber Bedenken um das Leben vom FET. Könnte damit nicht der Gatestrom zum Tode des FET führen ? :-( lg, Jonny
Da fließt kein nennenswerter Gatestrom. Kritischer ist die Verlustleistung während des schaltens, aber das gilt genau so für den Fall der Dämmerung.
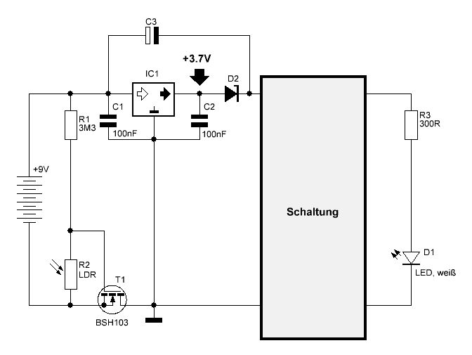
Da oben, wo der dicke Pfeil ist, die Leitung zum IC auftrennen, eine Schottky-Diode rein und einen Kondensator an die Spannungsversorgung vom IC. Die Diode, damit der Spannungsregler nicht verrückt spielt. mfg.
Thomas Eckmann schrieb: > Da oben, wo der dicke Pfeil ist, die Leitung zum IC auftrennen, eine > Schottky-Diode rein und einen Kondensator an die Spannungsversorgung vom > IC. Meinst du so ? (Schaltung 4)
Bitte melde dich an um einen Beitrag zu schreiben. Anmeldung ist kostenlos und dauert nur eine Minute.
Bestehender Account
Schon ein Account bei Google/GoogleMail? Keine Anmeldung erforderlich!
Mit Google-Account einloggen
Mit Google-Account einloggen
Noch kein Account? Hier anmelden.



