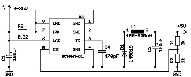
Es geht um das Schaltbild im Anhang. Wie wird die Ausgangsspannung 5V erzeugt. Angenommen, ich möchte am ausgang 6V haben. Muss ich die Widerstände R1 und R3 dementsprechend dimensionieren? Falls ja, wie?
Im Datenblatt fand ich: Vout=1,25*(1+(R2/R1)) http://www.onsemi.com/pub/Collateral/MC34063A-D.PDF Da kannst Du auch mal reingucken, das ist ganz interessant.... Schon allein deshalb, um zu sehen, welcher R1 und R2 ist. ;-) MfG Paul
Der MC34063 wird probieren, an seinem Komparatoreingang (Pin 5 beim DIP8 Gehäuse) eine Spannung von 1,25V zu stabilisieren. Dein Spannungsteiler sollte also so dimensioniert sein, das er am Mittelpunkt 1,25V liefert, wenn am oberen Ende die gewünschte Ausgangsspannung steht. Daraus folgt bspw., das für eine Ausgangsspannung von 1,25V gar kein Teiler erforderlich ist, sondern Pin 5 direkt an den Ausgang geschaltet würde. Bei 2,5V dann eine Teiler von 1:1 usw. Wenn dir das Onsemi Datenblatt nicht gefällt, gibts auch eines bei TI. http://www.ti.com/general/docs/lit/getliterature.tsp?baseLiteratureNumber=slva252&fileType=pdf&keyMatch=MC34063&tisearch=Search-EN
verna schrieb: > Falls ja, wie? So das der Feedback Pin bei 6V die Spannung sieht auf die er ausregelt. Oder die faule Tour: http://dics.voicecontrol.ro/tutorials/mc34063/ http://www.nomad.ee/micros/mc34063a/ http://www.bobtech.ro/tutoriale/componente-electronice/43-calculator-online-mc34063a-mc34063-step-down-step-up-inverter und das waren nur die ersten drei Treffer bei Google: 'MC34063 calc'
Bitte melde dich an um einen Beitrag zu schreiben. Anmeldung ist kostenlos und dauert nur eine Minute.
Bestehender Account
Schon ein Account bei Google/GoogleMail? Keine Anmeldung erforderlich!
Mit Google-Account einloggen
Mit Google-Account einloggen
Noch kein Account? Hier anmelden.
