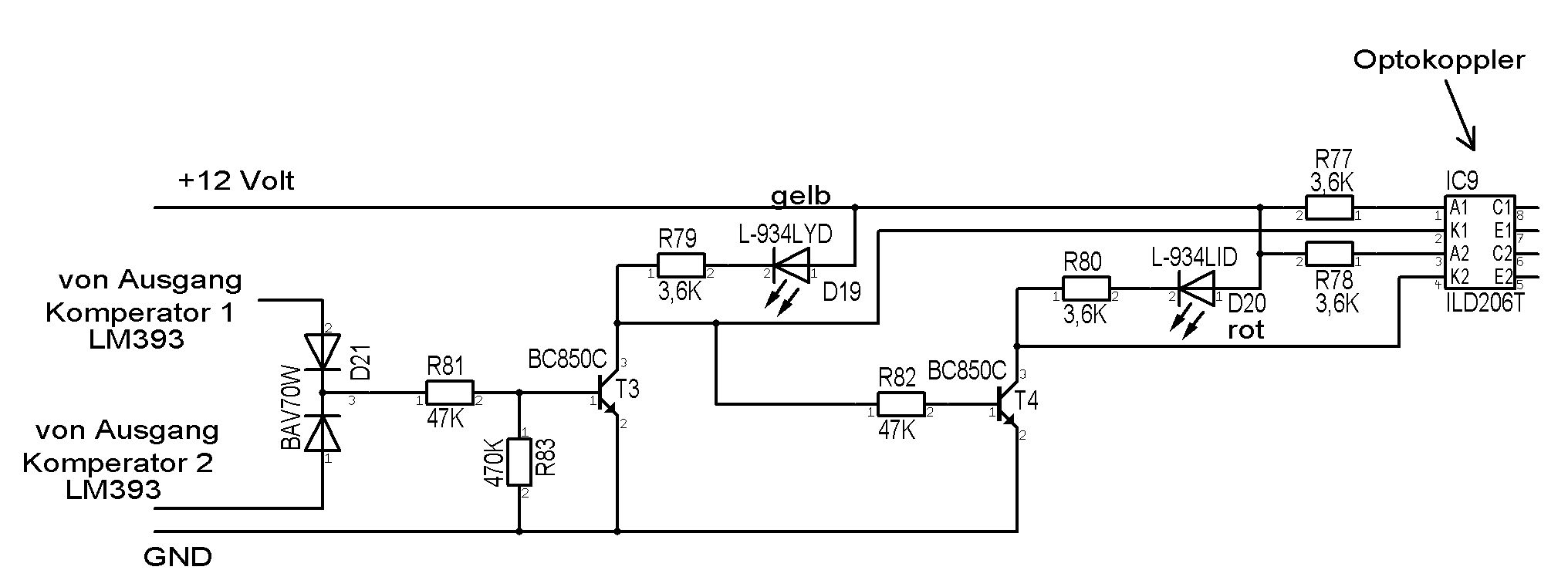
Hallo an alle netten Elektronikfreunde, ich habe leider wieder ein dickes Brett vorm Kopf und muss daher um Hilfe rufen. Vorrede: Habe zwei Komperatoren (LM393,nicht eingezeichnet) deren Ausgänge über die Dioden zusammengeführt werden. Wenn einer der beiden Komperatoren auf "H" liegt soll T3 leiten, D19 leuchten sowie Koppler 1 durchschalten.(T4 und koppler 2 sperren) Wenn beide Komperatoren auf "L" liegen soll T4 leiten, D20 leuchten und Koppler 2 durchschalten (T3 und Koppler 1 sperren) Problemstellung: Liegt Komperator auf L und T3 ist gesperrt fließen über D19 und Koppler 1 ca 120µA was ausreicht um D19 zum leuchten und Koppler 1 zum teilweisen leiten zu veranlassen. sollte aber gesperrt sein. Hat jemand eine Idee, ich steh auf dem Schlauch. Danke im Voraus Gruß Peter
Wenn man einen Transistor hätte der keinen Basisstrom braucht könnte man die Schaltung 1:1 verwenden. Ein MOSFET wäre so ein Transistor.
Nimm für T4 einen PNP-Transistor und schließe die Basis auch an den Komparator-Ausgang an. Wenn dort L ist, schaltet er durch.
Wenn du LED und Optokoppler in Reihe statt parallel schaltest, braucht dieser Schaltungsteil nur noch halb so viel Strom. T4 läßt sich z.B. durch einen BS170 ersetzen, damit entfällt der Basisstrom. Oder du baust dir einen CD4001B ein anstatt der ganzen Schaltung.
Peter Z. schrieb: 2 durchschalten (T3 und Koppler 1 sperren) > > Problemstellung: Liegt Komperator auf L und T3 ist gesperrt fließen über > D19 und Koppler 1 ca 120µA was ausreicht um D19 zum leuchten und Koppler > 1 zum teilweisen leiten zu veranlassen. sollte aber gesperrt sein. Schalte über die Dioden, die nicht leuchten sollen, je einen Widerstand, so dass bei 120µA deren Flusspannung nicht erreicht wird. Z. B. 4k7. Gruß
Lothar Miller schrieb: > Peter Z. schrieb: >> zwei Komperatoren > Was ist das? Mit an Sicherheit grenzender Wahrscheinlichkeit zwei Komparatoren mit Tippfehler.
Peter Z. schrieb: > Hat jemand eine Idee, ich steh auf dem Schlauch. Deine Komparatoren haben bloss einen open collector Anschluss und schalten nur nach Masse durch, aber verbinden nicht mit positiver Spannung (bei dir wohl 12V) sondern sind dann wie eine offene Leitung. Du brauchst noch pull up Widerstände, so 4k7 von jedem Komparatorausgang nach Plus, an jedem Komparatorausgang. Es ist quasi typisch, daß man gerade den Schaltungsteil, in dem das Problem steckt, aus Faulheit nicht zeichnet.
MaWin schrieb: > Deine Komparatoren haben bloss einen open collector Anschluss und > schalten nur nach Masse durch, aber verbinden nicht mit positiver > Spannung (bei dir wohl 12V) sondern sind dann wie eine offene Leitung. Deshalb würde ich diese Schaltung so aufbauen:
1 | 12V -----o--------------------o---- |
2 | | | |
3 | 3k3 3k3 |
4 | | | |
5 | '- A C '- A C |
6 | OK1 OK2 |
7 | .- K E .- K E |
8 | | | |
9 | V rot V gelb |
10 | - - |
11 | | | |
12 | | |/ |
13 | Komparator 1 --o-------100k--o----| |
14 | | | |>. |
15 | | 100k | |
16 | Komparator 2 --' | | |
17 | GND GND |
BTW: überleg mal, warum mein Schaltplan so viel einfach zu lesen ist als deiner... MaWin schrieb: > Es ist quasi typisch, daß man gerade den Schaltungsteil, in dem das > Problem steckt, aus Faulheit nicht zeichnet. Ich glaube, hier ist es nicht Faulheit, sondern Unwissen, weil das Datenblatt und passende AppNotes nicht verstanden wurde. Insofern ist allerdings "Unwissen" nur ein fortgeschrittenes Derivat von "Faulheit". Denn wenn etwas nicht ganz klar erschient oder nicht verstanden wurde, muss man zuerst daran arbeiten. Sonst kommt hinterher wieder mal ein Perpetuum Mobile raus...
Lothar Miller schrieb: > Deshalb würde ich diese Schaltung so aufbauen: ggf. noch ein 10K Widerstand parallel zu der Reihenschaltung von Ok1 und Led rot. Damit fliesst der Basisstrom von T1 hauptsächlich über den 10k und nicht durch den OK1
Lothar Miller schrieb: > BTW: überleg mal, warum mein Schaltplan so viel einfach zu lesen ist als > deiner... Ich habe Mühe Eure Schaltpläne aus Zeichen zu lesen, komme aber nach und nach dahinter. Hat das einen tieferen Sinn? Für mich sind das zeitaufwendige Kunstwerke. Ich habe noch eine Lochstreifenrolle für Fernschreiber. Nach etwa 30 Minuten rattern bekommt man dann ein Akt-Bild einer Dame. Das Tolle ist, der Fernschreiber kann eine Zeile mehrfach überschreiben und so Helligkeitsunterschiede erzeugen. LG old.
D a r i u s M. schrieb: > Hat das einen tieferen Sinn? Für mich sind das zeitaufwendige > Kunstwerke. Es ging nicht um die Ausführung als Grafik oder Zeichenbasiert, sondern um die sinnvolle versus ziemlich verwirrend und ungünstige Anordnung der Bauelemente. D a r i u s M. schrieb: > Ich habe noch eine Lochstreifenrolle für Fernschreiber. > Nach etwa 30 Minuten rattern bekommt man dann ein Akt-Bild einer > Dame. Toll, was hat das mit dem Problem zu tun?
Lothar Miller schrieb: > MaWin schrieb: >> Es ist quasi typisch, daß man gerade den Schaltungsteil, in dem das >> Problem steckt, aus Faulheit nicht zeichnet. > Ich glaube, hier ist es nicht Faulheit, sondern Unwissen, weil das > Datenblatt und passende AppNotes nicht verstanden wurde. Insofern ist > allerdings "Unwissen" nur ein fortgeschrittenes Derivat von "Faulheit". > Denn wenn etwas nicht ganz klar erschient oder nicht verstanden wurde, > muss man zuerst daran arbeiten. Sonst kommt hinterher wieder mal ein > Perpetuum Mobile raus... Nicht zu fassen, der Text. Hoffentlich holt Euch mal Jemand von Eurem hohen Ross runter. LG old.
Udo Schmitt schrieb: > Lothar Miller schrieb: >> Deshalb würde ich diese Schaltung so aufbauen: > > ggf. noch ein 10K Widerstand parallel zu der Reihenschaltung von Ok1 und > Led rot. > Damit fliesst der Basisstrom von T1 hauptsächlich über den 10k und nicht > durch den OK1 Eine Alternative wäre, die Auswerteschaltung des Optokopplers auf der Empfangsseite niederohmiger zu machen. Das würde auch die Störfestigkeit erhöhen. Allerdings würde dann immer noch die rote Led ein bischen leuchten, aber dagegen hilft wie oben schon erwähnt der Parallelwiderstand.
fet schrieb: > Lothar Miller schrieb: >> Peter Z. schrieb: >>> zwei Komperatoren >> Was ist das? > > Mit an Sicherheit grenzender Wahrscheinlichkeit zwei Komparatoren mit > Tippfehler. Ein ziemlich konsequenter Tippfehler. :)
D a r i u s M. schrieb: > Nicht zu fassen, der Text. Was sollte da nicht fassbar sein? Meiner Meinung nach ist der recht griffig! D a r i u s M. schrieb: > Ich habe Mühe Eure Schaltpläne aus Zeichen zu lesen, komme > aber nach und nach dahinter. Hat das einen tieferen Sinn? Ja: 1. man hat mal wenigstens einen Plan (allemal besser als reine Prosa im Fließtext!) 2. er lässt sich leicht kopiren und jeder kann ihn ändern (z.B. auch auf Mobilgeräten ohne Zeichenprogramm) 3. er braucht weniger Bandbreite als ein verwackeltes 3MB Foto Bildformate > Für mich sind das zeitaufwendige Kunstwerke. Es geht schneller, als den Plan von Hand zu malen, zu fotografieren, zurechtzuschneiden und einzufügen...
mse schrieb: > Ein ziemlich konsequenter Tippfehler. :) Der aber recht häufig vorkommt, nicht nur hier im Thread. Man sollte nicht immer alles in die Goldwaage legen. Wenn man wegen jedem Rechtschreibfehler meckern würde käme man ja zu nichts anderem mehr.
Michael Köhler schrieb: > Wenn man wegen jedem Rechtschreibfehler meckern würde Ich "meckere" bei weitem nicht bei jedem billigen Rechtschreibfehler. Aber ich meckere dann, wenn es um Fachbegriffe geht (Amper, Wiederstand, Komperator und so), die erkennbar nicht einfach falsch geschrieben, sondern falsch gelernt oder verstanden sind. Denn später im Leben wird irgendjemand nichts mehr sagen (oder lautmalerisch meckern), sondern nur noch drüber lachen (z.B. der Chef oder Kollegen). Bei "normalen" Rechtschreibfehlern darf dann sogar die Sekretärin mitlachen...
Lothar Miller schrieb: > Es geht schneller, als den Plan von Hand zu malen, zu fotografieren, > zurechtzuschneiden und einzufügen... http://www.tech-chat.de/aacircuit.html
- Erst einmal Danke für die überwältigende Resonanz sowie die vielen guten Vorschläge und Anregungen. Weiß noch nicht genau welche ich davon umsetze. Es ist ein richig gutes Gefühl,wenn man mal um Hilfe ruft und soviel bekommt. Nochmals herzlichen Dank an alle. Das Nachfolgende finde ich zwar völlig daneben, aber ich kanns mir nicht verkneifen. - an MaWin: Ja es ist typisch das dieser Schaltungsteil nicht gezeichnet ist, da er nicht relevant ist. Meines Wissens hat fehlende Relevanz nichts mit Faulheit zu tun. Natürlich sind die Komparatoren gemäß Applikationsschaltung (bitte nicht wundern, das ist ein deutsches Wort) beschalten. - an Lothar: -Ok, Komparator habe ich nun gelernt (übrigens schreibt man kopiren mit ie) -Ok, meine Faulheit war, die Zeichnung nicht extra nochmal übersichtlich gezeichnet zu haben, sondern diesen Teil aus der Gesamtschaltung (die fast ohnehin nur noch mit Lupe zu erkennen ist ) herauskopiert zu haben. -Deine vorgeschlagene Schaltung funktioniert übrigens nicht. Sie erfüllt nicht die in meiner Vorrede beschriebene Logik ---> lesen bildet, sonst lacht gar die Sekretärin. Oder hast du etwa aus "Faulheit bzw. deren fortgeschrittenem Derivat, dem Unwissen" (frei nach Lothar)nicht richtig gelesen !? Fazit: Danke allen für die Hilfe, aber die Freude darüber wird leider in fast jedem Forum durch selbstgerechte Klugsch.... getrübt MfG Peter
@ PeterZz:
Hö, hö!
@ Lothar:
Ich finde das gut. Mich nervt dieses bei der falschen Rechtschreibung
beginnende ungebildete Herumgewortsel hier schon lange.
Und schon lange und immer wieder will ich hier mal Mephistopheles
zitieren (eigentlich natürlich Goethe):
Es war die Art zu allen Zeiten,
Durch Drei und Eins, und Eins und Drei
Irrtum statt Wahrheit zu verbreiten.
So schwätzt und lehrt man ungestört;
Wer will sich mit den Narrn befassen?
Gewöhnlich glaubt der Mensch, wenn er nur Worte hört,
Es müsse sich dabei doch auch was denken lassen.
und das kann man dann auch auf das schreiben anwenden:
Gewöhnlich glaubt der Mensch, wenn er nur Worte schreibt ...
Hi Peterle, aergere Dich nicht zu sehr über den bösen Lothar etc Lerne fleissig weiter Deutsch.. > nicht relevant ist. Meines Wissens hat fehlende Relevanz nichts mit > Faulheit zu tun. Natürlich sind die Komparatoren gemäß > Applikationsschaltung (bitte nicht wundern, das ist ein deutsches Wort) > beschalten. > beschaltet!!
peter2z schrieb: > -Deine vorgeschlagene Schaltung funktioniert übrigens nicht. Sie erfüllt > nicht die in meiner Vorrede beschriebene Logik Die hier? > Wenn einer der beiden Komperatoren auf "H" liegt soll T3 leiten, D19 > leuchten sowie Koppler 1 durchschalten. (T4 und koppler 2 sperren) > Wenn beide Komperatoren auf "L" liegen soll T4 leiten, D20 leuchten und > Koppler 2 durchschalten (T3 und Koppler 1 sperren) Diese Logik krankt schon vor den beiden Dioden und ist für die verwendeten Bausteine ungünstig, denn dafür musst du die Komparatoren prinzipiell falsch beschalten. Das habe ich in meiner Schaltung mit korrigiert. Die Komparatoren haben einen Open-Collector-Ausgang, der den Strom für die erste LED nach GND schalten kann. Das spart zwei Dioden, zwei Widerstände und einen Transistor. Die LED kann in Serie mit dem OK geschaltet werden, das spart nochmal einen. Und dann kommt die Inverterstufe in ähnlicher Form. Damit ist die von dir gewünschte Funktion ohne Probleme zu erreichen. Aber wie gesagt: dazu musst du bei der Beschaltung der Komparatoren noch den + und - Eingang tauschen. Du kannst natürlich auch weiter unnötige Bauteile einbauen. Die Bauteilhersteller freuen sich. Oder du kannst einfach mal über meinen Ansatz nachdenken. Kostet dich ja nichts (ausser vielleicht etwas Überwindung)... peter2z schrieb: > (übrigens schreibt man kopiren mit ie) Scheiß Handie!
Wie wärs eigentlich, nachdem das Forum ja "mikrocontroller.net" heisst, es mit einem Mikrocontroller aufzubauen? 1x attiny13 + "3 Zeilen" Code sollte doch die Aufgabenstellung auch lösen können?
peter2z schrieb: > - Erst einmal Danke für die überwältigende Resonanz sowie die vielen > guten Vorschläge und Anregungen. Weiß noch nicht genau welche ich davon > umsetze. Beitrag "Re: Transistorschaltung" gelesen? > die Zeichnung nicht extra nochmal übersichtlich > gezeichnet zu haben, sondern diesen Teil aus der Gesamtschaltung Ich habe gar kein Problem mit Deinem Schaltungsauszug und meine dass Du das Wesentliche, Deine Frage betreffend, sauber dargestellt hast. > > MfG Peter LG old.
Mit einem Differenzverstärker ergibt sich ein weiterer Ansteuerungsbereich mit niedrigerer Spannung und kleinerem Strom. Da kann man zu den 393 noch einen uc parallel schalten.
- old Ja, habe ich gelesen, Widerstand 2k7 parallel zur ganzen LED-Geschichte. Werde ich auch testen und vermutlich umsetzen. Passt der Wert eigentlich auch wenn ich OK und LED in Reihe schalte? Danke vielmals auch für deine übrigen Wortmeldungen. Ansonsten den Plan mit dem Mosfet. Der CD 4011 hat mir auch gefallen vor allem da ich im Rest der Schaltung noch 2 Gatter frei habe, sitzt aber leider gerade in der völlig falschen Ecke der Platine - Lothar Habe die Komparatoren gemäß Applikationsschaltung verbaut d.h. Vin (+); Vref(-) und dabei kommt halt die beschriebene Logik raus, die ich auch genau so benötige.Es ist mir nicht bekannt ob man die Eingänge einfach tauschen kann. Ich glaube es dir einfach mal. Werde es aber trotzdem nicht so umsetzen, da ich noch mehr Komparatoren habe die ebenso beschaltet sind und aus Gründen der Übersichtlichkeit und eventueller Fehlersuche werde ich das beibehalten. Dennoch herzlichen Dank. Auf jeden Fall werde ich LED und OK in Reihe schalten. danke an alle für diesen Tip. - R.H.(m-c) Bin mir ganz sicher dass das ganze mit Controller einfacher wäre, aber davon habe ich 0,0 Plan. Nehme mir bereits seit Jahren vor mich mal damit zu befassen und habe es jetzt wenigstens mal geschafft mir ein Lernpaket zu beschaffen, ist aber immer noch zu. Bräuchte mal mindestens zwei Monate Urlaub und Familienfrei ;-) Jaaaaaa..... ich höre schon den allgemeinen Aufschrei dass ich mir das Geld hätte sparen können, aber ansonsten nehme ich mir das in 20 Jahren immer noch vor. - Marco S Habe ich 1. schlicht nicht kapiert und 2. ist mir .asc neu So nun nochmal Danke an alle.
peter2z schrieb: > - Lothar > Habe die Komparatoren gemäß Applikationsschaltung verbaut d.h. Vin (+); > Vref(-) Du hast aber die Funktion des Bausteins nicht verstanden oder verstehen wollen und nur ein Applikationsbeispiel nachgebaut, das fast genau das macht, was du willst, nur eben verpolt. > und dabei kommt halt die beschriebene Logik raus, Du ergibst dich dem Schicksal, das dir die Applikationsschaltung auferlegt hat? > die ich auch genau so benötige. Das ist doch der springende Punkt: du benötigst eigentlich was anderes... > Ich glaube es dir einfach mal. Das stimmt schon: wenn man an einem Komparator die + und - Eingänge vertauscht, kommt am Ausgang der invertierte Pegel heraus. > Werde es aber trotzdem nicht so umsetzen, da ich noch mehr Komparatoren > habe die ebenso beschaltet sind und aus Gründen der Übersichtlichkeit > und eventueller Fehlersuche werde ich das beibehalten. Das möchte ich jetzt nicht kommentieren. Aber mal angenommen, ich wäre dein Chef und das wäre dein Argument, dann hättest du schlechte Karten: doppelt so viele Bauteile, nur weil alles hin und her invertiert werden muss... > Dennoch herzlichen Dank. Keine Ursache.
peter2z schrieb: > Passt der Wert eigentlich > auch wenn ich OK und LED in Reihe schalte? Wie meinst Du das? Bei den BCs hast Du doch 3K6 verwendet. Warum bei einem Open Collector dann einen anderen Wert? LG old.
D a r i u s M. schrieb: > Wie meinst Du das? Bei den BCs hast Du doch 3K6 verwendet. > Warum bei einem Open Collector dann einen anderen Wert? nee, schon ok. war eindeutig zu lange arbeiten gestern bzw vorgestern. Habe getestet...passt...die Welt ist in Ordnung...Danke LG Peter
Bitte melde dich an um einen Beitrag zu schreiben. Anmeldung ist kostenlos und dauert nur eine Minute.
Bestehender Account
Schon ein Account bei Google/GoogleMail? Keine Anmeldung erforderlich!
Mit Google-Account einloggen
Mit Google-Account einloggen
Noch kein Account? Hier anmelden.

