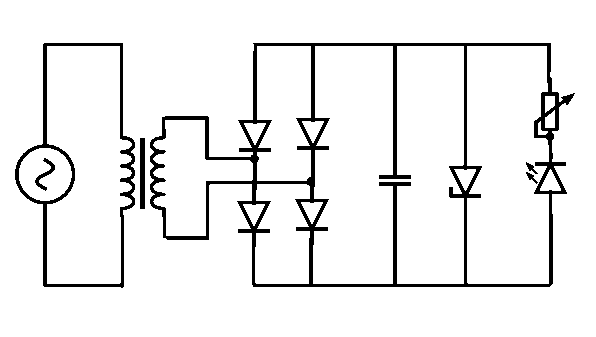
Normalerweise werden Leds mit 12V Trafos und Vorwiderstand betrieben. Aber kann man sich eine einfache Stromversorgung nicht einfach selbst bauen? Eine Möglichkeit wäre ein Kondensatornetzteil, aber das ist für eine Tischlampe nicht so gut, wegen der hohen Spannung an den Leds und der Berührungsgefahr. Im Anhang der Schaltplan für eine Tischlampe mit ca. 300mA. Dafür einen kleinen Printtrafo für ca. 3€ und dann kann man den AC noch mit deinem Gleichrichter in DC wandeln und mit einem Elko glätten. Dann ist es vermutlich das sinnvollste die Spannung mit einer Z-Diode und einem Vorwiderstand einzustellen. Alternativ könnte man auch einen LM317 Linearregler nehmen, der die Spannung zuviel genauso exakt wegschneidet. Als dritte Alternative könnte man anstatt der Z-Diode einen Led Treiber DC-DC 9-36Vin 300mAout nehmen. Kostet auch so 3€. MW LDD-300L. Dann brauchts nur noch eine 1W Led mit 300mA Stromaufnahme. Gibt es noch einfachere, günstigere Möglichkeiten?
Gaßtgeber schrieb: > Gibt es noch einfachere, günstigere Möglichkeiten? Es wird immer eine billgere und deshalb schlechtere Lösung geben. Wenn Du z.B. auf einen Strombegrenzungswiderstand für die LEDs verzichtest, ist zugleich auch sichergestellt, das sich der Kunde kurz nach Ablauf der Garantiezeit eine neue Lampe kaufen muss. Gruss Harald
Gaßtgeber schrieb: > Normalerweise werden Leds mit 12V Trafos und Vorwiderstand betrieben. > Aber kann man sich eine einfache Stromversorgung nicht einfach selbst > bauen? Gibt es noch einfachere, günstigere Möglichkeiten? Du darfst davon ausgehen, daß die erfahrenen chinesischen Elektronikhersteller genau das tun - die günstigste aber adäquate Lösung für netzgetrennte und nicht-netzgetrennte LED Leuchtmittel zu finden, und dabei je nach Lampe unterschiedliche Lösungen optimal sein werden. > Eine Möglichkeit wäre ein Kondensatornetzteil, aber das ist für > eine Tischlampe nicht so gut, wegen der hohen Spannung an den Leds und > der Berührungsgefahr. Kondensatornetzteile bei 300mA benötigen Kondensatoren, die grösser sind als Trafos. > Im Anhang der Schaltplan für eine Tischlampe mit > ca. 300mA. Dafür einen kleinen Printtrafo für ca. 3€ und dann kann man > den AC noch mit deinem Gleichrichter in DC wandeln und mit einem Elko > glätten. Dann ist es vermutlich das sinnvollste die Spannung mit einer > Z-Diode und einem Vorwiderstand einzustellen. Alternativ könnte man auch > einen LM317 Linearregler nehmen, der die Spannung zuviel genauso exakt > wegschneidet. Bitte erst Grundlagen lernen. LED werden nicht an einer festen Spannung, sondern mit einem definierten Strom betrieben, die Spannung stellt sich dann (durch die Beschaltung, sei es mit Vorwiderstand, Kondensatornetzteil, oder Schaltnetzeil) wie benötigt ein. > Als dritte Alternative könnte man anstatt der Z-Diode > einen Led Treiber DC-DC 9-36Vin 300mAout nehmen. Kostet auch so 3€. MW > LDD-300L. Dann brauchts nur noch eine 1W Led mit 300mA Stromaufnahme. Das ist doch alles hanebüchener Unsinn. Die Chinesen sind schon erheblich weiter, und bauen strombegrenzte Schaltnetzteile ohne teure Spezial-ICs wie LYTSwitch http://www.ledlighting-eetimes.com/en/isolated-led-driver-ics-deliver-more-accurate-output-power.html sondern nur mit einem Transistor als Sperrschwinger. http://www.ledstuff.co.nz/product_info.php?cPath=66&products_id=329&osCsid=evocmopzepnozrsa Und sie beachten dabei Langlebigkeit (es werden aktuell gerrade extra neue Elkos entwickelt, weil die bisherigen als nicht langlebig genug gelten für die 50000 Stunden einer LED) http://www.rubycon.co.jp/en/products/topics/t003.html Und sie beachten, daß die Schaltungen keine übermässigen EMV Störungen produzieren, und nicht bei jeder kleinen Netzüberspannung kaputt gehen. Die Anzahl der Bauteile ist nicht so wichtig wie die niedrigen Gesamtkosten.
Elkos sind billig und man kann sie leicht austauschen, die sind nicht das Problem. Man kann den Strom für die Led auch über die Spannung einstellen, entweder durch messen oder das Spannungs-Strom-Diagramm der jeweiligen Led. 14 Dollar sind für den Treiber aber nicht billig, meine Variante würde auf 4-5Euro kommen und Schwankungen im Netz sind durch den Leistungsaufnahmepuffer der Z-Diode abgedeckt. Und natürlich ist noch eine Sicherung eingeplant, das sollte man nun immer machen.
Gaßtgeber schrieb: > Man kann den Strom für die Led auch über die Spannung > einstellen Eher nicht praktikabel und falsch. Das D in LED steht für Diode - das G für GlühLampe fehlt da leider... (Leuchtdioden betreibt man nicht mit Spannung, sondern man erfreut sich an der optischen Stromflusskontrolle.)
Hallo, > Gaßtgeber schrieb: > Normalerweise werden Leds mit 12V Trafos und Vorwiderstand betrieben. Das ist Unsinn. LED werden wenn möglich mit einer Konstantstromquelle betrieben. Und wenn mit Festspannung, dann möglichst mit einer, die kanpp über der Flußspannung der LED liegt. > Aber kann man sich eine einfache Stromversorgung nicht einfach selbst > bauen? Wozu? Für ca. 3...6€ gibt es kleine Steckernetzteile mit 4,5...5V in Schaltreglertechnologie mit gtuem Wirkungsgrad undf geringem Ruhestrom. http://www.conrad.de/ce/de/product/514216/Stecker-Netzteil-Festspannung-VOLTCRAFT-FPPS-5-3W-5-VDC-600-mA?ref=searchDetail http://www.reichelt.de/Universalnetzteile/MW-3N06GS/3//index.html?ACTION=3&GROUPID=4945&ARTICLE=87338&OFFSET=500&WKID=0& http://www.pollin.de/shop/dt/NDU3ODQ2OTk-/Stromversorgung/Netzgeraete/Steckernetzgeraete/Mini_USB_Stecker_Schaltnetzteil_GARMIN_PSAA05A_050.html > Eine Möglichkeit wäre ein Kondensatornetzteil, aber das ist für > eine Tischlampe nicht so gut, wegen der hohen Spannung an den Leds und > der Berührungsgefahr. Eben. Und der Wirkungsgrad ist mies. > Im Anhang der Schaltplan für eine Tischlampe mit > ca. 300mA. Dafür einen kleinen Printtrafo für ca. 3€ und dann kann man > den AC noch mit deinem Gleichrichter in DC wandeln und mit einem Elko > glätten. Sinnloser Aufwand. Ich habe schoen einige kleine Tischlampen mit kleinem Steckernetzteil gebaut und selbst im Einsatz. http://uwiatwerweisswas.schmusekaters.net/Uwi/ELEKTRONIK/LED_LAMPEN/SCHREIBTISCHLAMPE/ Als einfache aber völlig ausreichende und zuverlässige Dimmerschaltung geht diese (oben): http://uwiatwerweisswas.schmusekaters.net/Uwi/ELEKTRONIK/LED_LAMPEN/12-KSQ_3_HP-LED.pdf Die kann für eine weiße LED auch an %v angepasst werden. http://uwiatwerweisswas.schmusekaters.net/Uwi/ELEKTRONIK/LED_LAMPEN/TASCHENLAMPE/LED_Steuerung.pdf > Dann ist es vermutlich das sinnvollste die Spannung mit einer > Z-Diode und einem Vorwiderstand einzustellen. Was soll daran sinnvoll sein? damit kann man nicht mal die Helligkeit dimmen. > Alternativ könnte man auch > einen LM317 Linearregler nehmen, der die Spannung zuviel genauso exakt > wegschneidet. Überflüssig und unsinnig. > Als dritte Alternative könnte man anstatt der Z-Diode > einen Led Treiber DC-DC 9-36Vin 300mAout nehmen. Kann man machen, wenn man nicht 3 BE löten kann. > Gibt es noch einfachere, günstigere Möglichkeiten? Vorschläge hast du genug, Baue einfach was nach. Gruß Uwi
Gaßtgeber schrieb: > Elkos sind billig und man kann sie leicht austauschen, die sind nicht > das Problem. Man kann den Strom für die Led auch über die Spannung > einstellen, entweder durch messen oder das Spannungs-Strom-Diagramm der > jeweiligen Led. Oje oje, so viel Unsinn. Nicht mal verstanden, daß Artikel teurer verkauft werden als die Materialkosten betragen.
Gaßtgeber schrieb: > Man kann den Strom für die Led auch über die Spannung einstellen, Machst Du das mit Leuchtstofflampen auch oder benutzt Du da das vorgeschriebene Vorschaltgerät? Die sind nämlich auch stromgesteuert.
Für eine solche LED-Bastelei besorge dir irgendeinen Handylader mit 4-5V. Dann reicht ein Vorwiderstand als einziges Bauteil.
Gaßtgeber schrieb: > Man kann den Strom für die Led auch über die Spannung > einstellen, entweder durch messen oder das Spannungs-Strom-Diagramm der > jeweiligen Led. Ja, Du mußt nur dafür sorgen, daß die Spannung ständig an den Bedarf der LED angepasst wird, die ist nicht konstant sondern Exemplar und Temperaturabhängig. Dafür gibt es zwei Methoden: Jede LED ausmessen und mit Hilfe eine Temperaturmessung am Kristall die Spannung nachführen oder die LED mit einem konstanten Strom betreiben, dann macht die das alleine. Gibt es eigendlich noch einen Bereich, in dem Bastler ständig meinen die Technik neu zu erfinden und trotz Warnschildern alle den gleichen Holzweg gehen?
> sondern nur mit einem Transistor als Sperrschwinger. > > http://www.ledstuff.co.nz/product_info.php?cPath=6... Da dürften schon mal mindestens drei Transistoren ihren Dienst tun. Ob diese minimalistischen Netzteilchen ihr Geld wert sind, mag ich bei >$10 die da pro Stück abgerufen werden eher bezweifeln. Das sind eher Artikel, die keine 2 Dollar das Stück inkl. Fertigung kosten. Besondere Schutzmaßnahmen gegen Überlast, -temperatur, Trasienten auf dem Stromnetz oder EMV-Maßnahmen und Co. sehe ich da auf den Bildern eher nicht. Das Ding wird funktionieren und unter guten Bedingungen auch eine ganze Weile. Das ist primär entwickelt auf niedrige BOM-Cost und billige Fertigung. Galvanische Trennung auch Fehlanzeige; sowas wird für gewöhnlich in günstigen LED-Retrofits verbaut. Die "teuren Spezial-ICs" haben schon ihre Daseinsberechtigung: nämlich überall da, wo es eben nicht zwangsläufig die billigste Lösung sein soll, sondern eben Anforderungen an Lebensdauer, Zuverlässigkeit, Betriebssicherheit usw gibt. Diverse LED-Birnen wurden schon wegen fehlender Isolation oder galv. Trennung aus dem Verkehr gezogen. Es gibt eine Reihe an anwendungen, wo zB der LED-Strom in abhängigkeit zur Temperatur zurückgeregelt, eine erkennung von Teilausfällen des LED-Strings und ähnliche Features gibt; das geht etwas über die LED-Birne aus dem Discounter hinaus. Bezüglich Elkos: Die begrenzen freilich die machbare Lebensdauer. In professioneller Außenbeleuchtung verwendet man daher teils Folien-Cs. Nun hat man das Problem, dass die Dioden (auch die parasitären in den FETs) vor der LED selbst aufgeben. Denen setzen wohl die Sperrverluste und langsame Schädigung des pn-Übergangs zu
Gaßtgeber schrieb: > Man kann den Strom für die Led auch über die Spannung > einstellen, entweder durch messen oder das Spannungs-Strom-Diagramm der > jeweiligen Led. Hast du lust, dass im laufenden Betrieb dauernd zu tun, weil sich z.B. die Temperatur der LED ändert und dadurch Vf?
@TO: Power-LEDs betreibt man mit Konstant*strom*, da sich zB die Spannung je nach temperatur ändert. Ist halt so. Kannste nciht ändern. Man könnte auch einen Vorwiderstand wählen, der den Strom passend begrenzt; auch das geht, da bei passend gewähltem R der Strom nie zu groß werden kann (berechnet für maximalen Strom bei minimaler Spannung). Der Strom bleibt dabei bei ausreichend großem Spannungsabfall am R relativ konstant. Das ist das was man für die normalen Signal-LEDs mit ihren maximal 20 mA macht. Bei Leistungs-LEDs mit 1W und mehr wird aber einfach die Verlustleistung unhandlich. Bezüglich Tischlampe: Entweder Steckernetzteil mit Regler im Lampengehäuse (die Dinger von MeanWell wurden oben mal genannt) oder halt sowas hier, direkt im Lampenfuß verbaut. http://www.reichelt.de/LED-Treiber/?ARTICLE=100618 Mit Netzspannung sollte man aber besser nicht rumhantieren, das kann unschön enden; Schwelbrand, Kurszschluss oder Stromschlag. Da reicht schon ein nicht korrekt veschraubter Draht. Und während man das mit der Installation meist recht gut überblicken kann; wer will schon verantwortlich sein, wenn wegen einem dummen Denk- oder Baufehler einer Eigenbaubastelei ein Mehrfamilienhaus abbrennt? Wobei man das insofern entschärft betrachten kann, dass praktisch jeder schonmal eine Deckenlampe selbst angeklemmt hat. Man sollte aber wirklich wissen, was man tut, nicht nur glauben, man wüsste es.
Gaßtgeber schrieb: > Normalerweise werden Leds mit 12V Trafos und Vorwiderstand betrieben. > Aber kann man sich eine einfache Stromversorgung nicht einfach selbst > bauen? Ja, klar. > Gibt es noch einfachere, günstigere Möglichkeiten? Du kannst dir eine oder mehrere 10W-LEDs (300mA/9V) kaufen und diese LED über einen Widerstand (5 bis 15 ohm) an ein kleines 12V Schalt-Netzteil befestigen. Du kannst dir natürlich auch eine kleine Stromquelle bauen um die Helligkeit einstellen zu können und einen Softstart der LED zu ermöglichen. 10W LED: http://www.ebay.de/itm/10-pcs-10W-White-High-Power-LED-Panel-900LM-10-Watt-Lamp-Light-/161060101161 Als Kühlkörper kann man sowas hier nehmen: http://www.reichelt.de/Profilkuehlkoerper/V-4329H/3/index.html?&ACTION=3&LA=2&ARTICLE=22221&GROUPID=3383&artnr=V+4329H oder http://www.reichelt.de/Leistungs-Kuehlkoerper/V-6716Z/3/index.html?&ACTION=3&LA=2&ARTICLE=22274&GROUPID=3382&artnr=V+6716Z oder auch http://www.pollin.de/shop/dt/MjU5OTc2OTk-/Computer_und_Zubehoer/Hardware/CPU_Kuehler_Luefter/CPU_Kuehler_ARCTIC_COOLING_Alpine_11_GT.html Du brauchst für die beiden Reichelt-Kühlkörper nur vier Löcher in das Alu zu bohren und kannst die LED dann mit etwas Wärmeleitpaste und Schraube+Mutter an dem Kühler befestigen. Bei dem CPU-Kühler musst du entweder ein Gewinde schneiden oder du nutzt eine passende Blechschraube um die LED zu befestigen. Ich habe auch schon solch eine LED mit Silikon an einen Kühler angeklebt, vorher wurde natürlich alles schön angeschliffen und gesäubert damit es hält.
Andreas Lang schrieb: > Man könnte auch einen Vorwiderstand wählen, der den Strom passend > begrenzt; auch das geht, da bei passend gewähltem R der Strom nie zu > groß werden kann (berechnet für maximalen Strom bei minimaler Spannung). Damit ist freilich gemeint: maximaler Strom bei minimaler LED-Spannung; und, sofern variabel, maximaler zu erwartender Eingangsspannung.
Danke das war sehr aufschlussreich. Besonders der Beitrag von #3917751: > U. M. (schöne Lampen hast du gemacht) und der von Helge A. #3917812: > Helge A. Ich denke ich nehm ein billiges Handynetzteil, löt 3 SMD Leds auf ne Plantine und kleb die mit Sekundenkleber auf ein Alublech zur Kühlung und bau dann noch den Standfuss dazu. Fertig :-) Die Leds kenn ich schon, werden nicht allzu heiß und von der Helligkeit reichts. Ein Poti zum Dimmen sollte reichen mal testen, sonst nehm ich nen Mosfet wie U. M. in seinem Schaltplan. Die Leds sind aus Discount Retrofit.
Jo, und vergiss den Gips nicht. Das Poti schließt du am besten genauso an, wie in deinem Schaltplan, damit man es auch auf jeden Fall auf 0 Ohm zurückdrehen kann. "Gaßtgeber", du amüsierst mich auch heute wieder wunderbar.
Easylife schrieb: > Das Poti schließt du am besten genauso an, wie in deinem Schaltplan, > damit man es auch auf jeden Fall auf 0 Ohm zurückdrehen kann. Ja, ein Widerstand in Reihe zu dem Poti ist sinnvoll. Mit den 3 LEDs hast du niemals genügend Licht um ausreichend zu sehen und der thermische Widerstand durch einer FR4-Platine ist recht hoch so dass die LEDs sehr warm werden. Ich habe hier auch ein paar dieser 10W LEDs verwendet, sie haben einen direkten Kontakt zum Kühler und werden nur mit max. 4W, meist aber mit einer deutlich geringeren Leistung betrieben. Mit diesen bedrahteten LEDs bei denen der Chip nicht direkt auf der zu kühlenden Fläche sitzt, sondern die Wärme über ein Beinchen abgeleitet wird habe ich schlechte Erfahrungen gemacht. Die Beinchen waren zwar kühl und wurden sehr effektiv gekühlt und die LED wurde nur mit 1/3 der maximalen Leistung betrieben, aber die LED hatte nach zwei Jahren aber trotzdem über 90% seiner Helligkeit verloren. Der Wärmeübergang vom Chip in der LED über die Beinchen ist eben doch sehr hoch, wenn das Beinchen eine Temperatur von 30°C hatte, dann war der Chip wahrscheinlich bei weit über 70°C.
Hallo Leute, holt euch doch gleich vom IKEA die Lampe JANSJÖ. Alles fertig, Konstantstrom-Steckernetzteil mit 600 mA dabei (typ. Spannung ca. 3,5 Volt; Lichtstrom 75 Lumen ; Ausführung 8/2014). Preis Ausführung Klemmspot 7,99 Euro. Gruss
TI-Schlampe? Schauen die Personaler bei TexasInstruments eigentlich nicht darauf, was für Leute sie einstellen? ;-)
Atmega8 Atmega8 schrieb: > hast du niemals genügend Licht um ausreichend zu sehen https://upload.wikimedia.org/wikipedia/commons/4/4c/LED-Retrofit-Lampe-vorderseite.JPG Die Leds verwende ich. Die kann man einfach ablöten, indem man die Alu Platte auf der sie sich befinden mit dem Feuerzeug erwärmt und sie dann einfach abschüttelt. Ich löte sie auf Plantinen oder an dicken beschichteten Kupferdraht, der die Wärme schnell abführt. Die sind mit 60mA schon sehr hell und werden dabei kaum warm. Erich schrieb: > JANSJÖ Ist eine sehr schöne praktische Lampe.
Mal wieder ein typischer "Gaßtgeber" Thread: Rosinen im Kopf, Null Ahnung und beratungsresistent.
@Atmega8 Vielleicht hast du "aus Versehen" ;) consumer-Qualität bekommen. Das kann einem auch passieren, wenn man hochwertige kauft. Man merkt's ja eh erst nach einer Weile. Daß das auch besser geht, sehe ich an meiner ersten selbstgebauten LED-Flurbeleuchtung. Die dürfte ihre 50.000 Betriebsstunden @15mA längst rum haben und ist immer noch brauchbar hell, wie ich bei meinem letzten Besuch dort feststellte. Seit >8 Jahren ca. 16h pro Tag in Betrieb. @Gaßtgeber Eine gute LED für eine 300mA-Tischlampe wär eine einzelne 3W-LED, direkt auf Alu geklebt (oder gleich auf Stern-Platine). Die leitet ihre Wärme wenigstens gut ab. Mit den SMD-Dingern kommt man auch aus, aber das ist immer so eine elende Frickelei bei Handarbeit.
@ Helge A. (besupreme) Ich hatte diese LEDs für meine Fahrradbeleuchtung gekauft und dort haben sie auch zuverlässig ihren Dienst erwiesen bis sich das Kabel vom Source-Beinchen des N-Kanal MosFETs meines StepUp-Wandlers (MC34063A, auf 12V) langsam ablöste, sich somit der Widerstand zwischen Source und GND erhöht hat und somit die Spannung am Ausgang stark angestiegen ist. (ist zwar komisch, habe ich aber reproduzierbar testen können) Zwei Jahre lang dienten 4 Stück dieser 100mA LEDs als Nachtbeleuchtung damit ich die Katze sehe wenn sie im Zimmer auf dem Teppich liegt. Sie wurden ja nur mit 1/3 des Stroms betrieben und ich habe das ja auch erst mal nicht mitbekommen. Die LEDs leuchteten 24 Stunden am Tag, 2 Jahre lang, also ca. 18000 Stunden, aber auch nach 50000 Stunden sollten sie noch mit 80% der ursprünglichen Helligkeit leuchten. Bei einem direkten Vergleich mit einer unverbauten LED war ich schon ganz schön enttäuscht.
@ Gaßtgeber (Gast) Las die LEDs doch drauf und nutze die Aluminiumplatte gleich zur Wärmeabgabe. Sind einige LEDs kaputt? Wie viele LEDs wurden dort in Reihe geschaltet?
Atmega8 Atmega8 schrieb: > dort in Reihe Es wurden dort alle Leds in Reihe geschaltet. Beim Ablöten ist keine kaputt gegangen, aber beim rumlöten damit hab ich schon ein paar auf dem Gewissen. Jetzt weiß ich dass ich die Led auf meinen Finger lege und dann den Kupferdraht anlöte, dann merke ich wenn sie heiß wird und kann unterbrechen. Die Dinger haben eine Plastikfassung und die schmilzt leicht oder bricht. Aber wenn man es erst mal raus hat wie man die Dinger verlötet, dann geht es schnell und zuverlässig von der Hand. Ich möchte sie ja nicht in Reihe schalten, ich hab sie schon in selbstgebaute Taschenlampen verlötet usw, das ginge mit der Aluplatte nicht. Man könnte höchstens mit dem Multischleifer die komplette Aluplantine zertrennen und versuchen an die aufgedruckten Anschlüsse anzulöten, das würde evtl. gehen.
Ach ja, bei einer Lampe waren es 3 Led in Reihe, bei der andren 26Leds in Reihe. Bei der Led aus der 26er Birne messe ich im Betrieb in einer Joule Thief Lampe 6.7Volt. Vermutlich sind da 2 Chips auf einer SMD Fassung in Reihe verbaut. Wenn sie am Kondensator nachglimmt sieht man dass ein Strich leuchtet. Sowas hatte ich auch schon mal bei einer Lampe die ich vor 8 Jahren gekauft hatte und die Led direkt auf die Platine gedruckt wurde. Die ging mit 3x1,5V. 4,5 Volt sind aber eine komische Betriebsspannung. Da könne es keine zwei in Reihe gewesen sein, weil keine weiße Led mit 2,25Volt läuft. Vorwiderstand hatte ich auch keinen gesehen, müsste also auch mit in der Led integriert gewesen sein.
> Vorwiderstand hatte ich auch keinen > gesehen, müsste also auch mit in der Led integriert gewesen sein. Es wird teilweise einfach der Innenwiderstand der Batterie (Knopfzelle) genutzt um den Strom zu begrenzen. Ich habe zwar schon LEDs mit integriertem Widerstand gesehen, aber noch nie solch ein ein der Hand gehabt da es ineffektiv ist die Wärme die am Widerstand entsteht auch noch in der LED abzugeben da sie dadurch noch wärmer wird Bei der Innenwiderstandsmethode ist die LED am Anfang, wenn die Lampe im Laden getestet wird, immer schön hell. Die LED wird dabei aber geschädigt und der Kunden muss bald wieder eine neue Lampe kaufen. Ich habe hier auch ältere weiße LEDs die 4V brauchen um zu leuchten. Die Z-Diode musst du aus deiner Schaltung aber weglassen, ein Vorwiderstand für die LEDs ist ausreichend, dem Vorwiderstand ist es egal ob an der Quelle 12V oder 15V anliegen. Wenn dein Trafo aber 15V Spitze erzeugt und du den Transformator so stark mit der Z-Diode belastest bis die Spannung auf 12V einbricht ist das einfach nur Energieverschwendung.
Atmega8 Atmega8 schrieb: > dem Vorwiderstand ist es egal ob an der Quelle 12V oder 15V anliegen. NEIN, R=U/I, da der Widerstand gleich bleibt und sich die Spannung erhöht muss sich auch der Strom erhöhen, damit die Gleichung weiterhin stimmt. Probier mal LTSpice. Die Z-Diode ist mehr dazu da die Stromspitzen aus dem Netz zu filtern. Bei deinem Beispiel würde sie 1Watt verbraten, das würde mich in 1000 Stunden Betriebszeit 20 Cent kosten. Nicht sooo schlimm, aber man versucht das natürlich zu minimieren.
Gaßtgeber schrieb: >> dem Vorwiderstand ist es egal ob an der Quelle 12V oder 15V anliegen. > NEIN, R=U/I, da der Widerstand gleich bleibt und sich die Spannung > erhöht muss sich auch der Strom erhöhen, damit die Gleichung weiterhin > stimmt. Probier mal LTSpice. Deswegen dimensioniert man einen Vorwiderstand auch so, dass man noch etwas "Luft nach oben" hat. LEDs werden mit den letzten paar Prozent Strom oftmals ohnehin ncihtmehr soviel heller; besonders deutlich bei den klassischen 20mA-Chips zu sehen, die bei 15mA schon fast ihre volle Helligkeit haben. Wobei das hauptsächlich die "bright red" sind, die anderen Farben sind je nach Technik etwas "linearer"
Gaßtgeber schrieb: > NEIN, R=U/I, da der Widerstand gleich bleibt und sich die Spannung > erhöht muss sich auch der Strom erhöhen, damit die Gleichung weiterhin > stimmt. Ja, aber du kannst davon ausgehen dass diese Spannung die der z.B. 12V Transformator liefert und nach dem Gleichrichter maximal bei 17V-1.4V=15.6V liegt bei der gleichen Last immer auf den selben Wert einbricht. Das könnte man dann ein mal austesten und hat dann den passenden Wert. Wenn die Spannung bei 30mA auf 14V einbricht und du jetzt 4 LEDs in Reihe schaltest an denen 12V abfallen, dann sind noch z.B. 2V übrig die am Widerstand abfallen können. Bei meiner Schreibtischbeleuchtung hatte ich es auch so geplant dass nur eine geringe Spannung an der Strombegrenzung abfällt, damit der Strom immer schön konstant ist habe ich eine einfache Stromquelle (mit Softstart) wie im Anhang aufgebaut. Aber du wirst doch eh z.B. ein 12V Schaltnetzteil nutzen, bei denen ist der Wirkungsgrad besser und du musst den Strom nicht noch gleichrichten. Solch eine 10W LED gibt es für 60 Cent bis 1 Euro, wenn du es leichter haben willst besorge dir solch ein fertiges Modul, da sind dann 9 Chips direkt auf einer Aluplatte, die mit einer Keramikschicht überzogen ist, geklebt worden und der Wärmeübergang zum Kühlkörper ist sehr gering.
Gaßtgeber schrieb: > löt 3 SMD Leds auf ne Plantine Gaßtgeber schrieb: > Ich löte sie auf Plantinen Gaßtgeber schrieb: > mit dem Multischleifer die komplette > Aluplantine zertrennen Und jetzt schreibst du 100mal in dein Tagebuch: Das heißt nicht "Plantinen", sondern "Platinen". Übrigens: das ist kein Flüchtigkeitsfehler. In deinen anderen Threads schreibst du das genauso. Ich bin ziemlich geduldig, aber jetzt mußte das endlich mal gesagt werden.
Man streut etwas Hühnerfutter auf die Plantinen, Platinen, ok danke. Atmega8 Atmega8 schrieb: > der Wärmeübergang zum Kühlkörper ist sehr gering Wünscht man sich nicht das Gegenteil? Woher hast du die Schaltung mit Softstart? Hier mal ein Bild von meiner alten Led Taschenlampe. Sehr interessant. Hab gemessen: 3,66v .22A 3x1,5V. Da ist die Led direkt auf die Sternplatine eingelassen. Es führen, wie man sehen kann, 8 Bonddrähte ins Substrat.
Gaßtgeber schrieb: > Atmega8 Atmega8 schrieb: >> der Wärmeübergang zum Kühlkörper ist sehr gering > Wünscht man sich nicht das Gegenteil? Ich meinte ja auch Wärmewiderstand. Ich hatte mal mit Ansys Workbench ein paar Simulationen gemacht, dort konnte man die Wärmekapazität, den Wärmewiderstand usw. für jedes Material einstellen. Bei meinem LED-Modul muss die Wärme durch den Saphir-kristall, dann durch die dünne Kleberschicht, durch die dünne Keramik, in das 3mm dicke Alublech, durch die Wärmeleitpaste, in den Kühlkörper ... wandert durch den Kühlkörper an den Rand und dann in die Luft. Laminare Strömungen transportieren die erwärmte Luft dann vom Kühler weg. > Woher hast du die Schaltung mit > Softstart? Das ist quasi eine der Grundschaltungen, ich habe nur die beiden Bauteile links unten, den 4,7µF Kondensator und den zweiten 1Megaohm Widerstand hinzugefügt. Die Schaltung funktioniert bei mir sehr gut, die Lampe ploppt nicht einfach an, sondern wird langsam (in ca. 3 Sekunden) hell. > Es führen, wie man sehen kann, 8 Bonddrähte ins Substrat. Das haben sie wahrscheinlich gemacht weil der Chip so breit ist und sich der Strom dann besser verteilt. Wenn du die Schaltung nachbauen möchtest kannst du den 2 Ohm Widerstand mit zwei in Reihe geschalteten 1 Ohm Widerständen (normale 1/4 Watt Typen) aufbauen. An jedem Widerstand wird dann eine Energie von 0.09 Watt (in Summe 0.18W) verbraten.
Bitte melde dich an um einen Beitrag zu schreiben. Anmeldung ist kostenlos und dauert nur eine Minute.
Bestehender Account
Schon ein Account bei Google/GoogleMail? Keine Anmeldung erforderlich!
Mit Google-Account einloggen
Mit Google-Account einloggen
Noch kein Account? Hier anmelden.



