Also im Internet behauptet ja jeder irgendwie das man LEDs, bzw in meinem Fall LED Streifen immer per PWM dimmen sollte da bei größeren Strömen der Energieverlust durch die Dimmung viel zu hoch wäre da am Poti, bzw am Transistor, über den man dann die Helligkeit mit nem Poti an der Basis regelt bei der Dimmung zu viel leistung verbraten würde. Ich habe das eben einfach mal nachgemessen und bin auf keinen schlechteren wirkungsgrad gekommen, jedenfalls bei einer LED. so hab ich bei nem 150 Ohm widerstand zB nen strom von 18mA bei einer roten LED und 5V Versorgungsspannung. Am Widerstand fallen 2,73V, ab das macht bei 18mA 0,049W, an der LED 2,25V und bei 18mA 0,045W. In meiner nächsten messung habe ich einen 300Ohm Widerstand genommen, da hatte ich einen strom von 9mA. Zwar ist am Widerstand mehr spannung abgefallen, jedoch hat sich die Leistung am Widerstand halbiert. Demensprechend ist doch linear dimmen genau so gut wie PWM. Ich meine wenn der strom sich beim doppelten Widerstand halbiert und die spannung die am Widerstand abfällt nur geringfügig größer wird wird die leistung die ,,verbraten'' wird ja auch kleiner. Oder irre ich da? Weil ich würde linear bevorzugen, da PWM ja bei längerer Kabellänge störstrahlung verursacht oder?
Malte S. schrieb: > Zwar ist am Widerstand mehr spannung abgefallen, jedoch > hat sich die Leistung am Widerstand halbiert. Wie kann das sein? Wenn sich der Strom halbiert und die Spannung steigt, kann sich die Leistung nicht halbieren. Das solltest du also nochmal prüfen.
Bei dem Thema frage ich mich wieso niemand an Schaltregler denkt. Damit hast du geringe Verluste und eine saubere Spannung. Das ist im Wohnraum auch deutlich angenehmer als 5m PWM Flimmern hinter dem Sofa :) Schau mal bei ST, Linear, TI, ... rein. Die haben da inzwischen ganz tolle ICs.
Die Spannung steigt schon. Aber nur sehr geringfügig. Bei 150Ohm habe ich am widerstand 2,732V Abfall und einen strom von 18mA. Bei 300Ohm habe ich am widerstabd 2,903V Abfall und einen Strom von 9mA. Es ist jetzt nicht genau die hälfte, aber in der gesamtleistung ist doch das auch unerheblich. 5V und 18mA sind das doppelte an Leistung wie 5V und 9mA. Also bei 150Ohm ne gesamtleistung von 90mW und bei 300 ne gesamtleistung von 45mW
Besucher schrieb: > Bei dem Thema frage ich mich wieso niemand an Schaltregler denkt. Damit > hast du geringe Verluste und eine saubere Spannung. > Das ist im Wohnraum auch deutlich angenehmer als 5m PWM Flimmern hinter > dem Sofa :) > Schau mal bei ST, Linear, TI, ... rein. Die haben da inzwischen ganz > tolle ICs. Ich weiß :) ich habe auch schon mit welchen gearbeitet. Die schaltung war nur ne testschaltung. DIe LED Streifen werden ja eh mit 12V betrieben. Da sind ja schon widerstände eingelötet.
Wenn man zur Strombegrenzung einen Widerstand nutzt, macht es in erster Näherung keinen Unterschied ob man die Helligkeit per PWM oder linear durch den Widerstand oder einen Transistor einstellt. In erster Näherung ist die Lichtmenge bei der LED von der geflossenen Ladung abhängig und wird kaum davon beeinflusst ob gleichmäßig oder in Pulsen. Im Detail kann es da kleine Abweichungen geben, vor allem bei sehr kleinen Strömen (z.B. < 1 % des Nennstromes) oder sehr großen Strömen. Je nach LED (vor allen den alten) kann man bei sehr kleinen Strömen da etwas sparen, aber nicht wirklich viel. Da verliert man ggf. mehr für die Erzeugung des PWM Signals. Etwas anderes wird es, wenn man den Strom nicht per Widerstand, sondern per Induktivität begrenzt und auch die nötige Freilaufdiode hat. Dann kann man mit der PWM Schaltung Leistung sparen. Die Schaltung wirkt dann wie eine Schaltwandler, ggf. auch ohne Messung und Regelung des Stromes.
Malte S. schrieb: > Ich habe das eben einfach mal nachgemessen und bin auf keinen > schlechteren wirkungsgrad gekommen Bravo ! Linear regeln ist so inefizient wie linear regeln, das hast Du gut erkannt. Das eine Mal regel ich den Widerstand das andere Mal regel ich die Pulspause. Beide Male verheize ich am Widerstand was ich nicht brauche. Nun kann ein Widerstand mehr Wärme ab als ein Transistor, und den Strom elektronisch zu regeln ist schwieriger als die Pulsbreite. Da macht es Sinn die Verlustleistung auf einen Widerstand bei hohen Strom zu legen und über die Pulsbreite zu regeln. Bei linearer Regelung verscheibt sich der Farbort der LEDs und man sieht krasse Unterschiede je weiter man runtergeht. EMI spielt bei langsamer PWM nicht wirklich ein Rolle. Natürlich ist das alles Murks und nur ein Schaltregler ist wirklich effizient, aber das ist eine ganz andere Geschichte.
Bei PWM bleibt die Farbe in etwa gleich. Bei Stromänderungen ändert sich diese eher.
Wie schon angesprochen ist PWM genauso ineffizient wie "Analog". Wenn man Haare spalten will, sogar ineffizienter, da die Flux zu Strom Kurven von LEDs konkav sind. Der Hauptgrund ist die Verschiebung des Farbspektrums bei Stromänderungen. Wärmetechnisch nehme ich bei großen Verlustleistungen sogar lieber Transistoren, da man die schöner auf Kühlkörper bekommt.
Hallo Malte, ich glaube, du bringst einige Dinge durcheinander. >Ich meine wenn der strom sich beim >doppelten Widerstand halbiert und die spannung die am Widerstand abfällt >nur geringfügig größer wird wird die Das sind redundante Informationen. "Wenn sich der Strom beim doppeltem Widerstand halbiert", hast du bereits eine vollständige relative Leistungsangabe zur vorigen Messung. P = R*I² und P = U²/R Ob man durch PWM dimmt, ist was anderes, als linear über Wiederstand oder Transistor zu dimmen. Im fall der linearen Dimmung verbrennt man die überschüssige Spannung an einem Wiederstand oder Tranistor. Um so größer die Differenz aus benötigter Spannung und Eingangsspannung ist, um so schlechter wird die Effizienz. Bei der PWM macht man den Ansatz, den Verbraucher so zu gestalten, dass seine Nennspannung möglichst nahe an der Versorgungsspanung liegt und nur noch ein kleiner Teil zur Anpassung an Vorwiderständen verheizt wird. So macht bei RGB Anwendungen die Standardspannung von 12V Sinn. Von jeder Farbe dann immer 3 LED in Reihe + Vorwiederstand. Die Helligkeit geht dann über PWM, mit der man je nach Tastverhältnis den Effektivwert verändert. Die Verlustleistung fällt natürlich nur in den "An-Phasen" ab und muss daher zur Effizienzbetrachtung über die Dauer der PWM Periode gemittelt werden.
@DerDaniel @Michael Knoelke ich weiss nicht woher ihr die Info über die angebliche Farbverschiebung bei gedimmten LEDs habt, aber es ist ein Märchen. Dieser Effekt tritt nur bei Glühlampen (incl. Halogen) nicht aber bei LEDs und Gasentladungsleuchten auf.
Da wette ich dagegen. Es macht physikalisch Sinn, dass sich die Farbe etwas verschieben kann, wenn auch nicht so massiv wie es bei Glühstrahlern ist. Mit der Betriebsspannung hieft man im Halbleitermaterial Elektronen aus der Bindung in das Valenzband. Wenn sie von dort (energetisch gesehen) wieder runterfallen und Rekombinieren, emitieren sie ein Photon welches dem Energieunterschied von Bindung und Valenzband entspricht und direkt mit der Betriebsspannung zusammenhängt. Auch LED´s haben kein 100% monochromatisches Licht, was bedeutet, dass der Emitierungsvorgang eine statistische Angelegenheit in verschiedenen Energiedifferenzen ist, wo es einen Bereich gibt, in dem signifikant die meisten Vorgänge stattfinden. Da es verschiedene Energiedifferenzbereiche gibt, die wiederrum mit hilfe jeweils bestimmter Spannungen erreicht werden, macht es nur Sinn, dass verschiedene Betriebsspannungen an der selben LED den Bereich der häufigsten Rekombinationen verschieben und damit die mittlere Wellenlänge so somit die Farbe sich verändert.
Malte S. schrieb: > Am Widerstand fallen 2,73V, ab das macht bei > 18mA 0,049W, an der LED 2,25V und bei 18mA 0,045W. Da du von Wirkungsgrad redest bedeutet dies einen annährenden Wirkungsgrad von 50%. Bei PWM hättest du annährend keine Verluste und deshalt geht annährend deine Gesamte Energie in die LED also Wirkungsgrad annährend 100%. Ich vermute mal, das deine 20mA LED nicht das Ziel deiner Forschung ist sondern nur ein kleiner Test. Deutlicher wird dies mit 1W, 3W oder sogar 10W LEDs. Dann fällt der Stromverbrauch der PWM-Erzeugung auch nicht mehr ins Gewicht.
wega52 schrieb: > ich weiss nicht woher ihr die Info über die angebliche Farbverschiebung > bei gedimmten LEDs habt Von den Herstellern der LEDs. Willkürlich gerade gesucht: http://www.led-tech.de/produkt-pdf/osram/LCW_CQ7P.CC.pdf Seite 12, Diagramm OHL04569 - Farbortverschiebung. Kein Märchen.
Trollolol schrieb: > Ob man durch PWM dimmt, ist was anderes, als linear über Wiederstand > oder Transistor zu dimmen. > Im fall der linearen Dimmung verbrennt man die überschüssige Spannung an > einem Wiederstand oder Tranistor. Mal davon abgesehen, dass es keinen "Wiederstand" gibt, hast du da noch einen eklatanten Denkfehler... > Bei der PWM macht man den Ansatz, den Verbraucher so zu gestalten, dass > seine Nennspannung möglichst nahe an der Versorgungsspanung liegt und > nur noch ein kleiner Teil zur Anpassung an Vorwiderständen verheizt Das ist jetzt aber noch nicht fertig gedacht. Denn was hindert dich daran, auch ohne PWM die Verbraucher so zu gestalten, dass nur noch ein kleiner Teil zur Anpassung verheizt wird? Fazit: durch die PWM allein wird gar nichts gespart oder gewonnen. Erst, wenn eine Spule beteiligt ist, wird die Sache interessant! Denn dann wird bei eingeschaltetem Transistor Energie in die Spule eingelagert, und bei abgeschaltetem Transistor weiterhin an die LED abgegeben. Deshalb flackert dann die LED auch nicht mit 100Hz...50kHz vor sich hin, sondern sie leuchtet kontinuierlich. Nur dann hat es wirklich einen Sinn, PWM einzusetzen.
Besucher schrieb: > Bei dem Thema frage ich mich wieso niemand an Schaltregler denkt. > Damit > hast du geringe Verluste und eine saubere Spannung. > Das ist im Wohnraum auch deutlich angenehmer als 5m PWM Flimmern hinter > dem Sofa :) > Schau mal bei ST, Linear, TI, ... rein. Die haben da inzwischen ganz > tolle ICs. Ja, frage ich mich auch. Ich verwende ausschließlich Schaltregler für mehr als ein paar 100mW, schon alleine wegen der Fläche. Wobei ich besonders die ZLED-Serie von ZMDI empfehlen kann. Die neuen bekommt man auf einen guten Wirkungsgrad - habe schon einmal 96% gemessen (immer eine Nummer größer nehmen hilft da sehr). Richtig ausgelegt ist das so schön glatt wie linear gedimmt - kein Flackern, nichts, nur das man nichts mehr verheizt.
wega52 schrieb: > @DerDaniel > @Michael Knoelke > > ich weiss nicht woher ihr die Info über die angebliche Farbverschiebung > bei gedimmten LEDs habt, aber es ist ein Märchen. Dieser Effekt tritt > nur bei Glühlampen (incl. Halogen) nicht aber bei LEDs und > Gasentladungsleuchten auf. Da verweise ich auf die Datenblätter der Hersteller von Leistungs-LEDs, demnach die Farbwiedergabe sehr wohl eine Funktion des Stromes ist. Da der Strom auch irgendwie mit der Spannung zusammenhängt und wenn es nicht-linear ist, beeinflusst die Regelung die Farbwiedergabe. Wenn du mal große Mengen verschiedener Bins verschaltet hast, wirst du es feststellen. Glücklicherweise werden auf Streifen oft LEDs derselben Bin verwendet, weswegen sie alle hübsch dieselbe Farbverschiebung aufweisen und wenn man sie PWM-dimmt, entscheidet nicht der mittlere Strom, sondern der Maximalwert. Und soviel Quatsch zur Dimmung habe ich selten gelesen, denn eine Pulsweitenmodulation verheizt gar keine Energie, wenn sie etwa in Verbindung mit einem stromgesteuerten Schaltregler kombiniert wird. Jede Linearregelung ist dem haushoch unterlegen, da tatsächlich kontinuierlich Strom fließt und deswegen kontinuierlich elektrische Energie in Wärme umgewandelt wird. Deshalb haben Linearregler hochbelastbare Widerstände, große Kühlkörper, manchmal sogar Lüfter und große Gehäuse. Ein Schaltregler hingegen speichert oder drosselt den Stromfluss vermittels einer Induktivität. Das ergibt zwar Welligkeiten, aber einer LED (und ganz besonders dem menschlichen Auge) ist so eine Welligkeit von 500kHz ziemlich egal. Das dann noch mit einer sehr niedrigen Frequenz an- und abzuschalten erfordert nur ein kleines Gehäuse, SMD-Widerstände von 1/4W und kleiner und MOSFETs mit 2W Verlustleistung im SO-8-Gehäuse. Mit roten LEDs aus dem Arduino-Starterkit ist die Verlustleistung nicht ganz so hoch. Wenn man aber 1-3W-Typen bei >12V in Reihe schaltet und dann linear dimmen will, müssten alle Hersteller der Welt deine Tür einrennen, um die effiziente Lineartechnologie erklärt zu bekommen. (Eine 3W-LED bei 3.4V Flussspannung mit 1A zu versorgen bedeutet bei 4x1.5V satte 2,6V Abfall am Widerstand bei 1A Fluss, womit allein meine Fahrradlampe einen 2W-Widerstand bräuchte, der dann auch ca. 120°C heiß würde. In der 5W-Keramikausführung blieben noch immer 60-70°C.)
>Trollolol schrieb: >> Ob man durch PWM dimmt, ist was anderes, als linear über Wiederstand >> oder Transistor zu dimmen. >> Im fall der linearen Dimmung verbrennt man die überschüssige Spannung an >> einem Wiederstand oder Tranistor. >Mal davon abgesehen, dass es keinen "Wiederstand" gibt, hast du da noch >einen eklatanten Denkfehler... Ja, fahr doch auf Rechtschreibfehler ab, wenn einem sonst nichts übrug bleibt. >> Bei der PWM macht man den Ansatz, den Verbraucher so zu gestalten, dass >> seine Nennspannung möglichst nahe an der Versorgungsspanung liegt und >> nur noch ein kleiner Teil zur Anpassung an Vorwiderständen verheizt >Das ist jetzt aber noch nicht fertig gedacht. Denn was hindert dich >daran, auch ohne PWM die Verbraucher so zu gestalten, dass nur noch >ein kleiner Teil zur Anpassung verheizt wird? >Fazit: durch die PWM allein wird gar nichts gespart oder gewonnen. >Erst, wenn eine Spule beteiligt ist, wird die Sache interessant! Denn Nichts hält einen ab, habe ich auch nicht behauptet, dass man PWM alleine benutzt. Habe sogar genau den anderen Fall beschrieben, den du selbst zitiert hast. Die Sache mit der Spule kann man wahrscheinlich machen. Wenn man ein paar Effekt LED´s in Form von Stripes hat, ist das sicher ok. Aber wenn man einen Anwendungsfall hat, wo die Farbspektren der gleichen Farben einen bezug zu einander haben, sieht es anders aus. Bilder z.B. - man sieht es immer an den LED Videowänden, dass man oft deutlich die Cluster erkennt. Wenn man mittels der Induktivität eine Analogspannung erzeugt WIRD man den Farbraum verschieben. Auch PWM wird das tun, allein durch die nicht unendliche Flankensteilheit, aber weniger als eine gemittelte Spannung. Je nach Anwendung könnte das ein Kriterium sein.
Dirk Knoblich schrieb: > Von den Herstellern der LEDs. > > Willkürlich gerade gesucht: > http://www.led-tech.de/produkt-pdf/osram/LCW_CQ7P.CC.pdf > > Seite 12, Diagramm OHL04569 - Farbortverschiebung. > > Kein Märchen. wenn man sich das Diagramm etwas genauer ansieht, erkennt man das die Änderungen sehr klein sind im Bereich 0,002. Wenn mn dann weiss das Änderungen von 0,002 von einem geübten Beobachter gerade noch erkannt werden können,kommt man zu der Erkenntnis, das der Effekt für die praktische Anwendung völlig irrelevant ist.
wega52 schrieb: > ich weiss nicht woher ihr die Info über die angebliche Farbverschiebung > bei gedimmten LEDs habt Das kann ich Dir sagen. Das ist wirklich kein neues Wissen und wenn Du lesen kannst und des englischen mächtig bist solltest Du das auch finden können. Ich designe unter anderem LED Beleuchtungen für die VIP Luftfahrt und da sind die Vorstellungend des Kunden ein weniglich härter als bei den RGB Weihnachtsbaumbeleuchtungen die Du bei Aldi bekommst. Du machst Dir keine Vorstellung was die LEDs alles tun über Stromverlauf, Temperatur und Alterung.
Mal eine Frage meinerseits zu der Farbänderung: Das hängt doch bestimmt auch von der Temperatur ab. Eine gedimmte LED (wie aich immer gedimmt) bleibt kühler. Womit sich nach meiner Therorie eine Farbverschiebung unabhänig von der Dimmmethode ergibt.
wega52 schrieb: > wenn man sich das Diagramm etwas genauer ansieht, erkennt man das die > Änderungen sehr klein sind im Bereich 0,002. Wenn mn dann weiss das > Änderungen von 0,002 von einem geübten Beobachter gerade noch erkannt > werden können,kommt man zu der Erkenntnis, das der Effekt für die > praktische Anwendung völlig irrelevant ist. Dem Industriekunden ist diese Argumentation egal. Der will einen näherungsweise konstanten Farbort und diskutiert darüber auch nicht. Und da dieser Farbort mit Kameras oder Farbsensoren bestimmt wird, ist ihm auch der "geübte Beobachter" egal.
Absolut. Hängt mit dem Funktionsprinzip zusammen, dass ich oben beschrieben habe. Um es genauer zu beschreiben. Die Elektrische >Energie< ist nur EINE Methode, um Elektronen in das Valenzband zu kriegen. Wärme ist auch Energie, wodurch sich die Elektronen bereits in einem energetisch angeregtmen Zustand befinden und mit steigender Temperatur leichter ins Valenzband kommen.
wega52 schrieb: > Dirk Knoblich schrieb: >> Von den Herstellern der LEDs. >> >> Willkürlich gerade gesucht: >> http://www.led-tech.de/produkt-pdf/osram/LCW_CQ7P.CC.pdf >> >> Seite 12, Diagramm OHL04569 - Farbortverschiebung. >> >> Kein Märchen. > > wenn man sich das Diagramm etwas genauer ansieht, erkennt man das die > Änderungen sehr klein sind im Bereich 0,002. Wenn mn dann weiss das > Änderungen von 0,002 von einem geübten Beobachter gerade noch erkannt > werden können,kommt man zu der Erkenntnis, das der Effekt für die > praktische Anwendung völlig irrelevant ist. Trotzdem kein Märchen, sondern Realität. Bei dieser willkürlich gefundenen LED mag die Auswirkung gering sein. Gilt das dabei dann für alle? Pauschalisieren ist selten gut. ;) Ich habe als HiWi an einem LED-Forschungsprojekt mitgearbeitet, da wurden genau solche Sachen an Hochleistungs-LEDs untersucht. Das Projekt läuft noch glaube ich. PQL for SSL - Project Quality Labeling for Solid-state lighting glaube ich. http://f1.hs-hannover.de/index.php?id=15046 Den Herren kannst du mal anschreiben, er wird dich sicherlich vollumfänglich aufklären. An der FH gibt es einen Raum, welcher wie ein Leuchtturm in der Nacht hervorsticht, da dort die LEDs im Langzeittest sind. jemand schrieb: > Mal eine Frage meinerseits zu der Farbänderung: > Das hängt doch bestimmt auch von der Temperatur ab. Eine gedimmte LED > (wie aich immer gedimmt) bleibt kühler. Womit sich nach meiner Therorie > eine Farbverschiebung unabhänig von der Dimmmethode ergibt. Den Grundgedanken teile ich. Wenn die LED aber mit einer PWM betrieben wird, schwankt die Temperatur im PWM-Takt. Je nachdem, wie gut die Wärmeabführung funktioniert mehr oder weniger stark und auch von der PWM-Frequenz dann abhängig. Da das Auge integriert, kann es aber sein, dass das nicht bemerkbar ist für den Menschen. (Aber trotzdem kein Märchen)
Mal ein Impuls zum Innehalten und Nachdenken: auch bei einer Glühbirne änderte sich beim Dimmen die Farbtemperatur. Das hat seinerzeit fast keinen interessiert. Nur heute, wenn man LEDs dimmt, muss unbedingt immer genau der selbe Farbton herauskommen...
Eigentlich hat es schon interessiert. Aber positiv. Daher jetzt an manchen Stellen auch die Forderung, dass gedimmte LED Lampen gen Rot verdunkeln. OK. Ich schweife vom Thema ab.
Die Farbverschiebung mit dem Strom setzt sich aus 2 Teilen zusammen: einmal der Effekt der Temperatur und einmal ein Effekt direkt vom Strom. Auch wenn man das Dimmen per PWM macht bekommt man eine ähnliche Temperatur wie mit der linearen Steuerung - die Schwankungen im PWM Takt sollten eher klein sein und sich auch noch größtenteils heraus mitteln. Es bleibt aber der Effekt rein durch den Strom. Durch die leicht gekrümmte Kennlinie Helligkeit vs. Strom kann man ein kleine Verschiebung in beide Richtungen bekommen. Dabei muss aber auch wieder den Temperatureffekt raus halten. Bei sehr kleinen Strömen steigt die Effizienz mit dem Strom meist an - da hat PWM dann einen kleinen Vorteil. Dazu kommt, das man die Streuungen bei kleinen Strömen umgeht. Bei höheren Strömen, so etwa ab den Nennstrom (aber abhängig vom LED Typ) nimmt die Effizienz oft wieder ab - da hat PWM dann einen Nachteil für den Wirkungsgrad.
Michael Knoelke schrieb: > wega52 schrieb: >> ich weiss nicht woher ihr die Info über die angebliche Farbverschiebung >> bei gedimmten LEDs habt > > Das kann ich Dir sagen. Ey Knoelke, dann sach ma. > Das ist wirklich kein neues Wissen und wenn Du lesen kannst und des > englischen mächtig bist solltest Du das auch finden können. Ich bin mächtig, aber finden kann ich et nich. > Du machst Dir keine Vorstellung was die LEDs alles tun über > Stromverlauf, Temperatur und Alterung. Die LED dat unbekannte Wesen. Lieber nichts als nichtssagende Aussagen.
Aussagende Aussage weiter oben Mit der Betriebsspannung hieft man im Halbleitermaterial Elektronen aus der Bindung in das Valenzband. Wenn sie von dort (energetisch gesehen) wieder runterfallen und Rekombinieren, emitieren sie ein Photon welches dem Energieunterschied von Bindung und Valenzband entspricht und direkt mit der Betriebsspannung zusammenhängt. Auch LED´s haben kein 100% monochromatisches Licht, was bedeutet, dass der Emitierungsvorgang eine statistische Angelegenheit in verschiedenen Energiedifferenzen ist, wo es einen Bereich gibt, in dem signifikant die meisten Vorgänge stattfinden. Da es verschiedene Energiedifferenzbereiche gibt, die wiederrum mit hilfe jeweils bestimmter Spannungen erreicht werden, macht es nur Sinn, dass verschiedene Betriebsspannungen an der selben LED den Bereich der häufigsten Rekombinationen verschieben und damit die mittlere Wellenlänge so somit die Farbe sich verändert.
Besucher schrieb: > Bei dem Thema frage ich mich wieso niemand an Schaltregler denkt. Damit > hast du geringe Verluste und eine saubere Spannung. > Das ist im Wohnraum auch deutlich angenehmer als 5m PWM Flimmern hinter > dem Sofa :) > Schau mal bei ST, Linear, TI, ... rein. Die haben da inzwischen ganz > tolle ICs. Als ich mich vor nicht all zu langer Zeit mit Schaltnetzteilen und Auf-, bzw. Abwärtsreglern befasste, habe ich eine Platine zum testen gemacht und die auch abwärts regelbar gemacht. Das werde ich mal mit einem Led Streifen testen. Danke für den Hinweis!
Ulrich H. schrieb: > Bei sehr kleinen Strömen steigt die Effizienz mit dem Strom meist an - > da hat PWM dann einen kleinen Vorteil. Dazu kommt, das man die > Streuungen bei kleinen Strömen umgeht. Bei höheren Strömen, so etwa ab > den Nennstrom (aber abhängig vom LED Typ) nimmt die Effizienz oft wieder > ab - da hat PWM dann einen Nachteil für den Wirkungsgrad. Um was geht es in diesem Thread? Wirkungsgrad der LED oder des Gesamtsystems (incl. Dimmstufe, Widerstand/PWM)?
Lothar Miller schrieb: > Mal ein Impuls zum Innehalten und Nachdenken: auch bei einer Glühbirne > änderte sich beim Dimmen die Farbtemperatur. Das hat seinerzeit fast > keinen interessiert. Nur heute, wenn man LEDs dimmt, muss unbedingt > immer genau der selbe Farbton herauskommen... Ja, aber die Argumentation zieht nicht. Bei Glühlampen ändert sich nicht die Farbe so extrem, sondern alles bleibt im Warmweissen Bereich. Leuchtstofflampen sind da viel extremer, die werden Grün, Braun, Blau je nach Art des dahinscheidens. Du darfst nicht glauben das die Kunden das nicht stört, die konnten nur bisher nichts dagegen machen. Wenn Du eine ganze Kabine voll mit RGBW Moodlights als Allgemeinbeleuchtung hast dann sieht das aus wie ein Zirkuszelt wenn man die LEDs nicht im Griff hat. Die Chips, ggf. die Phosphorbeschichtung, das Gehäuse (Reflektion) und der Verguß altern unterschiedlich schnell mit unterschiedlichen Auswirkungen. Die Intensität der unterschiedlichen Farben ändert sich unterschiedlich stark mit der Temperatur. Deine Treiber driften, die Chips, die Messwiderstände, die Temperatur, die Alterung, alles ist in Bewegung. Da kämpft man an jedem einzelnen Punkt um jedes einzelne Prozent, sonst kann man gleich zuhause bleiben. Schon bei 'nur' weiss sieht man die Unterschiede zwischen zwei unterschiedlichen Produktionschargen weil kaum jemand bezahlbare LEDs in einer 3step MacAdams Elipse verkauft. Ist klar das das für Lieschen Müller oder eine Produktionshalle keine Rolle spielt. Curios schrieb: > Lieber nichts als nichtssagende Aussagen. Das ist einfach zu komplex die Nasenbär. Da kann man Tage drüber referieren und hat es noch nicht mal zu Hälfte erfasst. Du tust Dich ja schon mit Informationen schwer die einem förmlich aufgedrängt werden, was soll ich Dir da die Spezialitäten erklären ?
Die Frage ist schon falsch gestellt, wenn die PWM bz. deren Vorteile an dem Vorwiderstand verpufft ist die Erkenntnis aus Beitrag 1 richtig, es gibt keine Vorteile mit PWM und Vorwiderstand, aber diese Betrachtung ist schon falsch, wird der reine LED Strom per PWM geschaltet ohne Vorwiderstand dann ist die Energieeinsparung deutlich sichtbar und messbar. Statt Verluste am Rv hat man nur Schaltverluste im Switcher, Spule, Diode und dem LED Stromfühler, ein Widerstand und dessen LED Treiber haben kein FB Eingang mit 0,9-1,2V sondern im mV Bereich was die Verluste auch noch mal minimiert. Die Farbverschiebung ist auch bekannt und kann nachgelesen werden. Bei RGB LEDs ist noch das Problem das die Bänder recht schmalbandig sind also nicht durchgehend im Farbspektrum zu dem gewünschten Weisston gemischt werden können, dazu bräuchte man mehr als nur RGB Dioden. Das haben aber schon andere bestätigt und ich verstehe nicht wie man die Physik da anzweifeln kann, Kennlinien gucken kann helfen.
Danke erstmal für die vielen Antworten. ich habe mich in meinem fall jetzt für PWM mit nem NE555 entschieden. in meinem fall geht es um 5,4 meter LED Streifen in dem kaltweiße und warmweiße LEDs drin sind und man über ein art farbrad bei der fernbedienung die farbtemperatur einstellen konnte. Nun ja, wie das mit Baumarktschrott halt so ist spinnt die fernbedienung bzw der controller nur noch rum, also dachte ich mir ich baue einfach ein farbrad, mit zwei über eine achse verbundene potis, über welche das An-Pause verhältnis über zwei PWM Schaltungen (für die warm und kaltweißen LEDs) eingestellt wird. Allerdings würd ich zum linearen Dimmen gerne noch etwas in den raum werfen: Sagen wir ich betreibe die LEDs an 5V. Wenn die helligkeit auf voll ist dann fließen 20mA. Dann habe ich eine Leistung von 0,1W. Erhöhe ich den Widerstand (Poti) so hoch das nur noch 10mA fließen habe ich 0,05W. Theoretisch die Hälfte. Die spannung die am Widerstand abfällt erhöht sich, jedoch wird ja der strom gleichzeitig kleiner. Praktisch sieht das wahrscheinlich, insbesondere bei höheren Strömen anders aus, da ich sicherlich bei 10mA nicht genau die hälfte verbrauche wie bei 20.
Annäherungsweise stimmt das. Die leistung ist Strom multipliziert mit Spannung. Die Spannung einer LED ist annähernd konstant. Tatsächlich hat jede LED einen gewissen Innenwiderstand, an dem Energie abfällt. Die aufgenommene Leistung steigt daher schneller an, als die zugeführte Spannung. Aber dieser zusätzliche Teil ist Verlustleistung (Wärme), keien Lichtleistung. Bedenke bei deinen Potis, das das Auge logarithmisch reagiert. Um eine 1W LED sichtbar auf halbe Helligkeit zu reduzieren, musst du sie nicht mit 0,5W betreiben, sondern erheblich weniger. Der Unterschied zwischen 1W und 0,5W ist kaum sichtbar.
Achso oki :) Ja ich habe es jetzt mit nem Ne 555 realisiert. Ja das mit dem Auge ist mir klar, ich bin am überlegen ob ich mir deshalb logaritmische potis hole für die anwendung :) gibt es ja auch :) eine andere frage: ist es egal wie lang der weg von der schaltung bis zum transistor ist? Als transistoren verwende ich TIP41 Darligntons. Würde es in meinem Fall sinn machen, bzw nimmt man in meinem Fall MOSFETs? Weil an denen fällt ja so gut wie keine spannung ab oder?
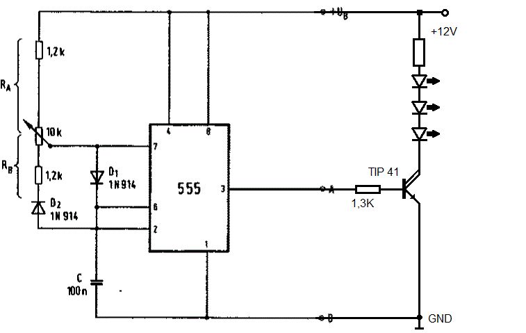
Ich habe die schaltung, welche auf dem schaltplan im anhang ist jetzt aufgebaut. Jedoch hat sich jetzt ein weiteres problem ergeben. Und zwar ist es so das die LEDs in einem gewissen bereich in der mitte sichtbar flackern. Es ist jedoch nur in so einem zwischenbereich. Wenn man sie ganz dunkel oder ganz hell dimmt tritt dies nicht auf. Wenn man die LEDs direkt an den PWM Ausgang anschließt, dann ist dieses flackern sogar noch extremer als über dem transistor. Ich habe auch schon die Widerstände halbiert, um die frequenz zu erhöhen, das Problem bleibt bestehen. Hat jemand ne idee woran das liegen könnte? Und wie man dies behebt. Anstelle der Dioden 1N914 habe ich 1N4148 benutzt, was aber nichts ändert...
Ich habe mal eine Frage. Wenn ich die LED Streifen in meiner Schaltung per PWM Dimmen möchte, sollte ich dann ein lineares oder logarithmisches poti nehmen? was macht man da eher? imprinzip nen logarithmisches oder?
Bitte melde dich an um einen Beitrag zu schreiben. Anmeldung ist kostenlos und dauert nur eine Minute.
Bestehender Account
Schon ein Account bei Google/GoogleMail? Keine Anmeldung erforderlich!
Mit Google-Account einloggen
Mit Google-Account einloggen
Noch kein Account? Hier anmelden.
