Um welches Bauteil SMD handelt es sich?? Ist von einem Laptop Mainboard HP Probook 4530s. Der Laptop lässt sich nicht mehr einschalten und die Netzteillampe leuchtet gelb. Vielleicht kann mir jemand helfen. Danke schon im voraus. L.G. Oagei
Sieht aus wie ein abgefackelter Keramik Kondensator. Das wird aber vermutlich nicht der einzige Defekt sein.
Kann ich den Kondensator irgendwie überbrücken oder ersetzen damit ich mal testen kann ob dies der einzige Defekt ist?
Was ist mit der Platine passiert? Oben rechts scheint ein gutes Stück zu fehlen?
Da ist noch der PVC Schutz drauf. Ich habe da nur ein Loch frei geschnitten.
Klar, nur welche Kapazität und Spannungsfestigkeit? Ohne Schaltplan wird das schwierig..
Kannst versuchen da einen 10nF Kondensator reinzuhängen, sieht aber nach blitzschlag oder sonstiger überpspannung aus. Der kerko is ja beinahe explodiert und nicht einfach nur im Kurzschluss abgebrannt, also ich denke da wird mehr hinüber sein.
Beim oberen sieht es nur nach Schmauchspuren aus. Der könnte heile sein und sollte die gleichen Werte haben. Also den auslöten und messen. Ich denke eher, die liegen im µF-Bereich.
OK Danke für die Antwort. Werde das mal testen ob da sich dann was rührt wenn ich da einen Kondensator reinhänge. Danke für den Tipp und Diagnose. Melde mich ob ich erfolg hatte in den nächsten Tagen, Tipps könnt Ihr mir noch weiter schreiben.
michael_ schrieb: > Beim oberen sieht es nur nach Schmauchspuren aus. Der könnte heile sein > und sollte die gleichen Werte haben. Was bringt dich zu der Annahme? Haben paarweise auftretende Kondensatoren statistisch gesehen öfters gleiche Werte? Glaskugel?
Also, 100nf sieht echt kleiner aus, da wird es ein paar uF sein für einen Spannungsregler (Buck-Converter).
gnadenlose Tomatensoße schrieb: > Was bringt dich zu der Annahme? Haben paarweise auftretende > Kondensatoren statistisch gesehen öfters gleiche Werte? Glaskugel? Ja!
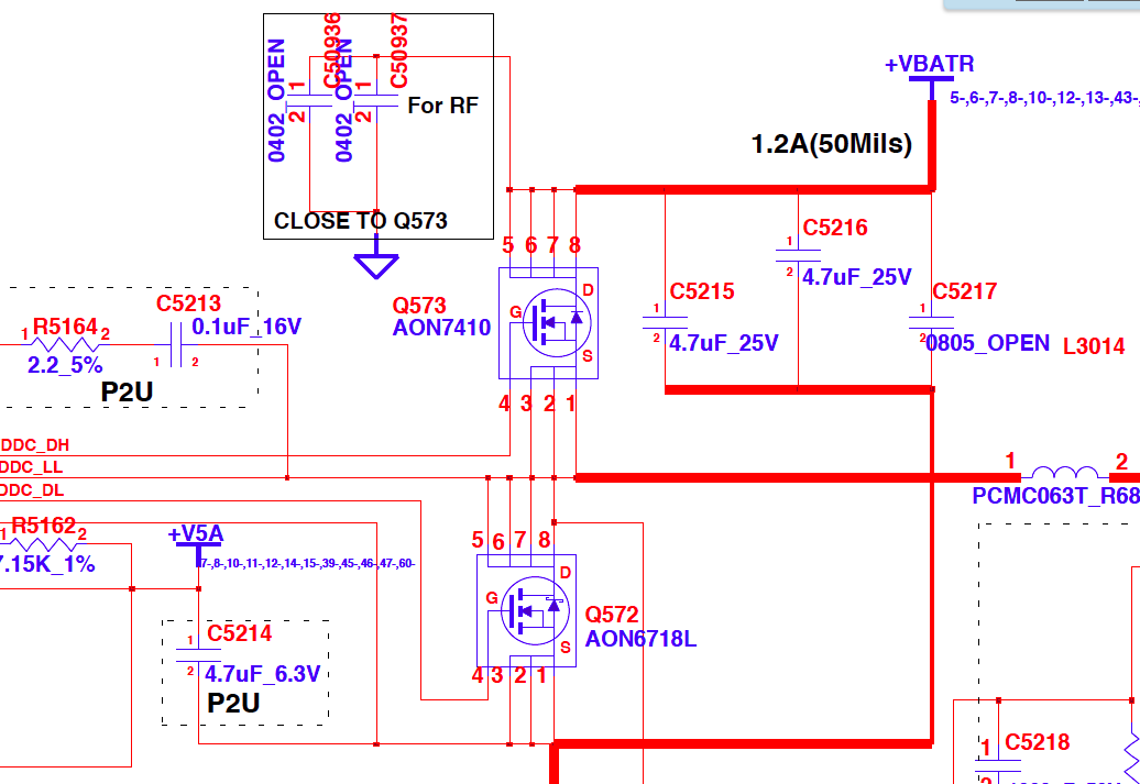
Keramikkondensator im 0805 Gehäuse, 4.7uF, 25V. Bei Reichelt "X5R-G0805 4,7" für 5 Cent das Stück. Lohnt sich fast nicht, die zu kaufen ;) Ob das die Ursache ist, ist aber etwas zweifelhaft. Nach obigem Schaltplan haben die eine eher unwichtige Rolle.
Gucken, ob sich da noch was messen lässt. Wenn der C Kurzschluß hat, wird er die Ursache sein. Ich sehe keinen Grund, warum er sonst explodiert wäre.
> Ich sehe keinen Grund, warum er sonst explodiert wäre. Prinzipiell ja. Aber die Fehlerbeschreibung ist: > Der Laptop lässt sich nicht mehr einschalten und die > Netzteillampe leuchtet gelb. Dem (etwas zu kleinen) Schaltplanausschnitt nach filtern die "nur" die Versorgungsspannung der Batterie. Das erklärt nicht, warum das Notebook gar nicht mehr geht. Evtl. hat das Netzteil etwas Überspannung produziert und damit noch mehr mitgerissen.
Habe den Kondensator eingelötet aber keine Änderung des Problems. Danke für die Hilfe. Schöne Weihnachtsfeiertage
Bitte melde dich an um einen Beitrag zu schreiben. Anmeldung ist kostenlos und dauert nur eine Minute.
Bestehender Account
Schon ein Account bei Google/GoogleMail? Keine Anmeldung erforderlich!
Mit Google-Account einloggen
Mit Google-Account einloggen
Noch kein Account? Hier anmelden.


