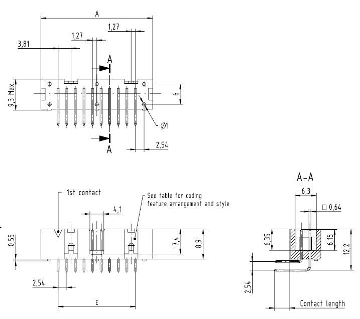
Hallo, Pfostenbuchse, gewinkelt mit Codiernase siehe Bild (habe das Bild aus dem Forum, Thread ist aber eingeschlafen und es gab keine brauchbaren Antworten) Polzahl 16 RM: 2,54mm
Alex W. schrieb: > Pfostenbuchse, gewinkelt mit Codiernase So was hier? Schau bei www.buerklin.com ab Best-Nr 53 F 4260
Alex W. schrieb: > es gab keine brauchbaren > Antworten Kann ich mir nicht vorstellen - das sind Standardteile, die gibt es von zahllosen Herstellern und bei jedem Händler. Georg
Reinhard ## schrieb: > Alex W. schrieb: >> Pfostenbuchse, gewinkelt mit Codiernase > > So was hier? > > Schau bei www.buerklin.com > ab Best-Nr 53 F 4260 Das sind Stiftleisten und keine Buschsenleisten...
hk_book schrieb: > so etwas? > > http://www.ratioplast.de/index.php/de/component/jshopping/product/view/12/79?Itemid=144 Die sehen interessant aus. Woher bekommt man die in Einzelstueckzahlen?
Georg schrieb: > Kann ich mir nicht vorstellen - das sind Standardteile, die gibt es von > zahllosen Herstellern und bei jedem Händler. Dann nenn doch mal einen der Händler. Ich jedenfalls hab auf die Schnelle auch nichts passendes gefunden bei den üblichen Verdächtigen. Stiftleisten zum Einlöten haben sie alle und Buchsenleisten als Schneidklemmen-Ausführung auch. Aber Buchsenleisten zum Einlöten nicht...
Uwe Bonnes schrieb: > Die sehen interessant aus. Woher bekommt man die in Einzelstueckzahlen? Ich hab gerade gesehen, unter "Informationen" gibt es ein PDF zum Download mit den Vertragspartnern (Distributoren). Bei denen kannst du ja mal per Telefon oder Mail anfragen.
Georg schrieb: > Alex W. schrieb: >> es gab keine brauchbaren Antworten > > Kann ich mir nicht vorstellen - das sind Standardteile, die gibt es von > zahllosen Herstellern und bei jedem Händler. Dann teile mit mir doch bitte deine Vorstellung, damit ich mir das auch vorstellen (und auch bestellen) kann! Siehe: Reinhard ## schrieb: > Alex W. schrieb: >> Pfostenbuchse, gewinkelt mit Codiernase > > So was hier? > > Schau bei www.buerklin.com > ab Best-Nr 53 F 4260 >>> Schneidklemm-Federleisten DIN 41651 Genau diese Art von Antworten sind auch in dem anderen Thread das Problem! Es wird nicht genau gelesen, da offensichtlich der TO aus dem Land der Ahnungslosen kommen muss! Danach stellt sich heraus das es ein spezielles Problem ist welche viele Antworten (bei genauem Lesen des Problems) obsolet machen. Offenbar ist diese Buchsenleiste doch nicht so ein Allerweltsbauteil, wenn es nur bei speziellen Distris zu bekommen ist (außer bei den Chinesenmodule, da sind diese anscheinend der Standard) Ich habe weder bei RS,Mouser,Farnell etwas gefunden (ausser für 6 Euro das Stück, macht es aber bei den Mengen unpraktikabel). Buchsenleisten ohne Codiernase hingegen schon.
Alex W. schrieb: > Ich habe weder bei RS,Mouser,Farnell etwas gefunden (ausser für 6 Euro > das Stück, macht es aber bei den Mengen unpraktikabel). Buchsenleisten > ohne Codiernase hingegen schon. So ist es. Hast du mal bei Ratioplast nachgefragt, bzw. bei einem von deren Distributoren? Ich vermute, das sind die Buchsenleisten, die du suchst.
Alex W. schrieb: > Ich habe weder bei RS,Mouser,Farnell etwas gefunden (ausser für 6 Euro > das Stück, macht es aber bei den Mengen unpraktikabel). Buchsenleisten > ohne Codiernase hingegen schon. Hersteller zu finden ist einfacher, als 'nen Webshop aufzutun: http://www.sullinscorp.com/catalogs/146_11_SERIES,_.100_BOX_HEADER.pdf#page=2 http://protectron.in/products/254mm-pitch-female-header-85mm-base-with-polarisation-pad-double-row-right-angle.aspx Bei Aliexpress, eBucht und den üblichen Verdächtigen sucht man sich 'nen Wolf, weil jeder eine andere Beschreibung wählt ("angled polarized female socket 2x8 0.100 pitch", "right angle shrouded female header 2,54mm", etc.). Aber fündig wird man irgendwann schon: https://www.futurlec.com/Connectors/HEADRAFD16pr.shtml Ein Bastler würde sich auf die Dinger von z.B. https://www.it-wns.de/themes/kategorie/index.php?kategorieid=82 einfach 'ne Nase draufkleben (bzw. drauf bauen, dass er's immer richtig einsteckt). Viel Erfolg bei Deiner Suche und poste mal, wo Du die Teile letztendlich beziehst.
Bitte melde dich an um einen Beitrag zu schreiben. Anmeldung ist kostenlos und dauert nur eine Minute.
Bestehender Account
Schon ein Account bei Google/GoogleMail? Keine Anmeldung erforderlich!
Mit Google-Account einloggen
Mit Google-Account einloggen
Noch kein Account? Hier anmelden.

