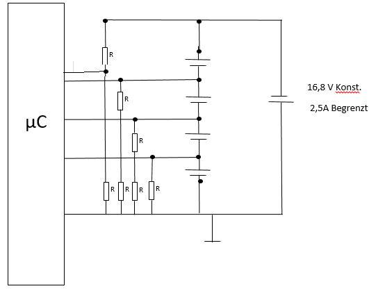
Hallo ich habe mal eine Frage, Ich will wie auf dem Bild zu sehen einen Spannungswerte während des ladens mit ADC's messen. Ich bin nur gerade an einem Punkt der mich ein bisschen Stutzig macht. Alle Akkus haben zusammen maximal 4 x 4,2 Volt = 16,8 Volt. Ich lade mit 16,8 Volt Konstantspannung mit 2,5A Strombegrenzung. Für Balancing ist gesorgt. (ich sehe gerade das die ADC 2 und 3 falsch angeschlossen sind, tun wir so als würden sie wirklich im spannungteiler abgegriffen :D) Fall: Alle Akkus haben 3,5 Volt und werden an die Quelle zum laden angeschlossen. Sprich alle Akkus zusammen haben 14 volt. wo bleiben die restlichen 2 volt? Der erste ADC misst dementsprehcen 16,8 Volt. Die anderen 10.5 , 7 und 3.5 Volt? Dem entsprechen wäre die Spannung an den Akkus z.B. Akku2 = ADC2-ADC3 usw. nur das würde ja bei Akku 1 nicht klappen weil ich nicht weiß wo die 2 volt sind? danke schonmal für eure Hilfe !
Joschua E. schrieb: > alle Akkus zusammen haben 14 volt. wo bleiben die restlichen 2 volt? Sie werden in Deinem Netzteil in Wärme umgewandelt.
und was ist dann mit dem ersten ADC? messen ich eher die 16,8 oder die gesamtspannung der akkus? weil wenn er den der akkus mist kriege ich die spannung ja mit ADC1-ADC2 locker berechent. wenn nicht weiss ich nicht wie ich an den wert des ersten komme.
Wenn deine Akkus halb leer sind, dann ist die Zellenspannung entsprechend niedriger und dein Ladegerät geht (hoffentlich) in den Konstantstrombetrieb und regelt die Spannung entsprechend niedriger bis sich der eingestellte Strom einstellt. Eine einfache Messung (Multimeter) sollte dir diesen Zusammenhang eingentlich deutlich machen.
Deine Schaltung ist falsch. Aber du hast das sicher so nicht aufgebaut, sonst wäre das in Rauch aufgegangen...
Joschua E. schrieb: > und was ist dann mit dem ersten ADC? messen ich eher die 16,8 oder > die > gesamtspannung der akkus? > > weil wenn er den der akkus mist kriege ich die spannung ja mit ADC1-ADC2 > locker berechent. wenn nicht weiss ich nicht wie ich an den wert des > ersten komme. Der hängt doch direkt (also über den Spannungsteiler) am ersten Akku, also stimmt es schon, wenn du ADC1-ADC2 rechnest. Die Spannungsquelle mag zwar 16,8V im Leerlauf haben, aber durch die Strombegrenzung wird die Spannung ja verringert. Und du mißt ja auch direkt am Akku, also wäre es ja das gleiche, du würdest ein Multimeter parallel zum Gesamt-Akku hängen und ein zweites zwischen GND und Akku2. Wie gesagt, der Denkfehler waren die 16,8V des Netzteiles. Die sind aber nur im Leerlauf vorhanden.
Irgendwer23 schrieb: > Deine Schaltung ist falsch. > > Aber du hast das sicher so nicht aufgebaut, sonst wäre das in Rauch > aufgegangen... Gut erkannt :-) Joschua E. schrieb: > (ich sehe gerade das die ADC 2 und 3 falsch angeschlossen > sind, tun wir so als würden sie wirklich im spannungteiler abgegriffen > :D)
npn schrieb: > Der hängt doch direkt (also über den Spannungsteiler) am ersten Akku, > also stimmt es schon, wenn du ADC1-ADC2 rechnest. Die Spannungsquelle > mag zwar 16,8V im Leerlauf haben, aber durch die Strombegrenzung wird > die Spannung ja verringert. Und du mißt ja auch direkt am Akku, also > wäre es ja das gleiche, du würdest ein Multimeter parallel zum > Gesamt-Akku hängen und ein zweites zwischen GND und Akku2. > Wie gesagt, der Denkfehler waren die 16,8V des Netzteiles. Die sind aber > nur im Leerlauf vorhanden. jetzt leuchtet es ein, also habe ich mir schon alles richtig gedacht! so ist das halt wenn grübelt :D ! npn schrieb: > Irgendwer23 schrieb: >> Deine Schaltung ist falsch. >> >> Aber du hast das sicher so nicht aufgebaut, sonst wäre das in Rauch >> aufgegangen... > > Gut erkannt :-) > Joschua E. schrieb: >> (ich sehe gerade das die ADC 2 und 3 falsch angeschlossen >> sind, tun wir so als würden sie wirklich im spannungteiler abgegriffen >> :D) Danke fürs zeigen der stelle. dann muss ich ihm nicht nocheinmal sagen das ich das weiß. :D (nicht böse gemeint bin dankbar für jede hilfe!) :)
Bitte melde dich an um einen Beitrag zu schreiben. Anmeldung ist kostenlos und dauert nur eine Minute.
Bestehender Account
Schon ein Account bei Google/GoogleMail? Keine Anmeldung erforderlich!
Mit Google-Account einloggen
Mit Google-Account einloggen
Noch kein Account? Hier anmelden.
